Fórum témák
» Több friss téma |
- Ez a felület kizárólag, az elektronikában kezdők kérdéseinek van fenntartva és nem elfelejtve, hogy hobbielektronika a fórumunk!
- Ami tehát azt jelenti, hogy a nagymama bevásárlását nem itt beszéljük meg, ill. ez nem üzenőfal! - Kerülendő az olyan kérdés, amit egy másik meglévő (több mint 17000 van), témában kellene kitárgyalni! - És végül büntetés terhe mellett kerülendő az MSN és egyéb szleng, a magyar helyesírás mellőzése, beleértve a mondateleji nagybetűket is!
Nagyon valószínünek tartom hogy így működik. Építsd meg és kiderül
Sziasztok!
Megtudná nekem mondani valaki hogyan lehet egy 24V-os relét 12V-ról huzatni???
az csak úgy símán nem fog menni. legalábbis a 24 vos relék nagy része nem működik 12V on, vagy csak éppen-éppen. vannak ezek a dc-dc konverterek ezzal lehet a feszt megnovelni (még sose csináltam ilyet)
de szerintem egyszerűbb lenne relét cserélni üdv
persze ezt tudom,csak én láttam valahol erre egy egyszerű kapcsit de nem találom sehol.
az valahogy úgy működött hogy egy nagyobb kapacitású kondival tartotta húzva a relét vagy valami ilyesmi
namost én stabil 12V-ból indultam ki. amire te gondolsz az valszeg úgy nézhetett ki, hogy volt egy 12Vos trafó + graetz híd+ 1 pufferkondi, és az eredmény 17-18V az már be tudta húzni a relét.
egyébként egy relét behúzva tartani sokkal kevesebb fesszel is lehet,mint amennyi a normál működéshez kell.
Erre a kapcsolásra én is emlékszem... A lényege az volt, hogy feltöltöttünk egy kondit (pl 12V), majd azt egy elektronikán keresztül sorosan kötöttük a táp 12V-jával (az 24V lesz), és így képes meghúzni a relé, majd 12V-ról megtartani magát. Sajnos a rajz nincsen meg, de én úgy emlékszem, hogy egy HE füzetben láttam!
Sziasztok!
Lenne egy - két kérdésem Mit használnak a tekercs össze "fogásához" valamilyen lakkot vagy valami más anyagot? Mi is az a Tesla tekercs tulajdon képpen? Ha valaki tudja légyszi irjon előre is köszönöm
a Tesla-tekercs meneteit elsősorban a szoros tekercselés "fogja össze". De le is lehet lakkozni és akkor kevésbbé serülékeny a külső behatásokra. A Tesla-tekercs pedig egy nagyfeszültségű "generátor", melynek kimenőfeszültsege kivitelezéstől függően néhány 10kV-tól jónéhányszáz kV-ig terjedhet!
Szia!
Régebben Sellakk-ot használtak tekercs impregnálásra. Leg hatékonyabb a vákumimpregnálás. A tekercset egy sellakkal teli edénybe tették és ezt egy nyomásálló tartályba helyezték, majd a levegőt a tartályból vákumszivattyúval kiszívták. A nyomás visszaállításakor a lakk kitöltött minden rejtett zugot. Ezután lecsepegtették a lakkot, és kb. 60fokos szárítóban szárították. (Alkalmas még méhviasz is felmelegítve impregnálásra.) A sellakk egy levéltetű váladéka, ebből készült a régen oly népszerű politúrozás is. üdv! proli007
Szia!
Köszönöm szépen! A méhviaszt azt megtudom oldani mert apám méhészkedik ugyogy nem lesz nehéz köszi szépen még1X
sziasztok jános vagyok érdekelne a porvasmag öntése,alapanyagok, kötőanyagok stb .minden segitséget elfogadok .sziasztok
Helló!
Kezdő vook és nem tudom mi a külömbség a logaritmikus és a lineáris potméter között! Ha vki segitene hálám tuti örökké üldözni fogja!!! Köszi!
Nem öntik hanem hagy nyomáson préselik.Bővebben: Link
Illetve sajtolják de ez mindegy. Sok találat a googlén is.
Üdv! Nézd meg a képet, az vizuálisan is személteti a kérdésedre a választ!
Csá
Nem tudom, a függvényábrázolásról mennyit tudsz, azzal a legegyszerűbb szemléltetni. A lineáris fgv, ahogy a neve is mutatja (linea->egyenes, vonal) egy egyenes. Tehát X és Y hányadosa állandó. Ez neked azt jelenti, hogy ha a potidat mondjuk 0 ról középre tekered (0->50%) akkor középen a poti ellenállása pont a fele a maximálisnak. Tehát 10k-snak pl 5 k A logaritmikusnál már nem így van. Bővebben: Link Ha ezen a képen a piros vonalat nézdd, na egy log. poti kb így változtatja az ellenállását a tekerés függvényében. (origó amikor középűállásban van a poti) Innen jobbra vagy balra fordítva egy darabig finoman tudod szabályozni az ellenállást, majd hirtelen kisebb fordításnál nagyot ugrik az ellenállás. Ilyeneket pl equalizerben alkalmaznak ha jól tudom. Remélem érthető voltam, és segítettem megérteni: Uli
Hello!
Legyen egy egyszerű „parasztos” válasz is! Hogy a füleddel meghalljad, ha suttognak és üvöltöznek egyaránt, ezért a fül a hangerőt nem lineárisan, hanem közel logaritmikus jelleggel érzékeli. Amikor az erősítőd hangerőszabályzóját tekered, a potenciométer logaritmikusan szabályozza a hangerőt (jelet), hogy Te azt egyenletesen növekedőnek érezzed. Így több féle potenciométert gyártanak, ahol az ellenállás mértékének változása a szögelforduláshoz képest, más és más jelleget mutat. A különböző típusokat egységesített kiegészítő betűjelekkel látták el. (A forgatásnál, ballra forgatott állapotot minimumnak (0%), jobbra forgatott állapotot maximumnak (100%) vesszük) A = lineáris B = logaritmikus C = fordított logaritmikus D = Kétszer logaritmikus (középtől jobbra és ballra is logaritmikus jelegű) üdv! proli007
Sziasztok!
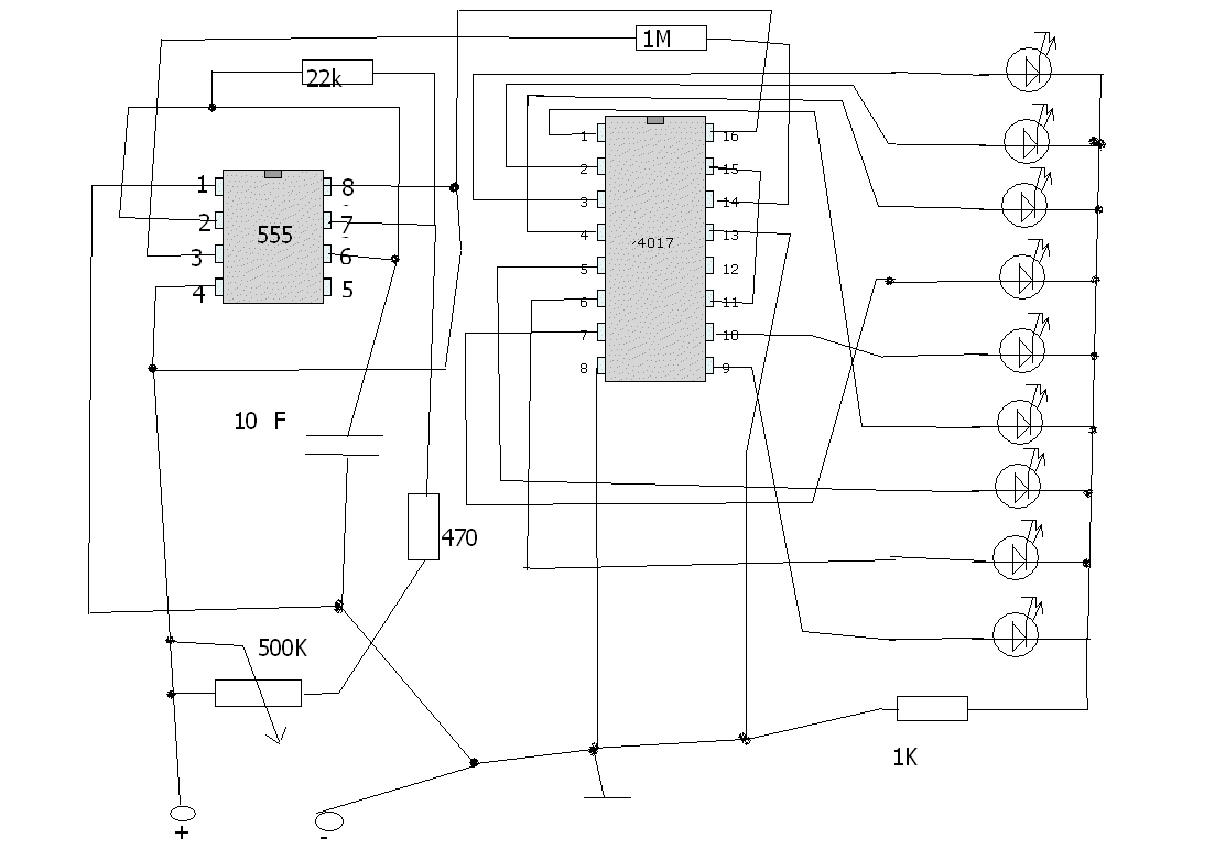
Sajna még elég kezdő vagyok ezért még ez az egyszerű kapcsolás is kifogott rajtam. Pontosabban az IC bekötése. Ha vki érthetőbben letudná rajzolni azt megköszönném!!!Kép: Hivatkozás
Ahol az IC-ből kijönnek a kivezetések, ott rögtön van mindegyik vonalon egy szám. Ez a szám jelöli, hogy az IC (ami mellesleg egy 4017-es típusú) melyik lábának felel meg az a kivezetés.
Szia!
Az adatlapon be vannak rajzolva a lábak számozása az IC-re. Meg tudod nézni pl. itt a HE-n a Katalógusban
4 lába van, mert az egyik közös. (talán a katód) A közösre rákötöd a - -t (ez állandó) és a + -t mindig más lábra(a maradék 3-ból).
Ahá. Akkor semmi rafinnáció nincs eben. a 3 ráb az RGB vagyis a RED Green Blue, és ezekkel tudom a szineket variálni?
Igen! A - a közös (a tokon belül a legvastagabb) a 3 + -t csak cserélgetni kell.
Üdv szaki!
Itt van egy siccelt rajz, ahogyan be kell kötni! Viszont van egy szépséghibája! A CLK ága csak le van kötve és semmit nem csinál! Kell még rá egy 555ös vibri- nézd meg a rajzot hogyan nézne ki, meg itt van a normális kapcsolási rajz is!
A szaky27 képéhez nincs csatolva a cikk, de a rajz alatt is irja hogy D1 egy (magáról) villogo led ami egyben szolgáltatja az IC-nek az orajelet.
Jó ez igaz, nem vettem észre!
Azért gondoltam erre a megoldásra, mert így állítási lehetőség is van! Ezt a rajzot is csak beskicceltem, pár perc alatt hogy szemmel láthatólag lehessen a végeredményt látni, hogy mi hová van "becsatkakozva" a "való világban".
Sziasztok!
A mult héten találltm itthon 3 db Idézet: névre halgató NIXE-csövet „Z573M” Ki szeretném próbállni (még sohasemm láttam ilyent működés közben ) De most alkalmam nyílt hozzá hogy megcsodáljam Valaki meg tudná mondani hogy hogyan kell "beindítani" esetleg egy mórickarajzot is szivesen elfogadnák üdv! |
Bejelentkezés
Hirdetés |







) De most alkalmam nyílt hozzá hogy megcsodáljam





