Fórum témák

» Több friss téma
Fórum » Elektronikában kezdők kérdései
- Ez a felület kizárólag, az elektronikában kezdők kérdéseinek van fenntartva és nem elfelejtve, hogy hobbielektronika a fórumunk!
- Ami tehát azt jelenti, hogy a nagymama bevásárlását nem itt beszéljük meg, ill. ez nem üzenőfal!
- Kerülendő az olyan kérdés, amit egy másik meglévő (több mint 17000 van), témában kellene kitárgyalni!
- És végül büntetés terhe mellett kerülendő az MSN és egyéb szleng, a magyar helyesírás mellőzése, beleértve a mondateleji nagybetűket is!
Lapozás: OK   2228 / 4046
(#) steve25 válasza steve25 hozzászólására (») Jan 26, 2014 /
 
Ami ellenálás kiéget az 4k7 és 270K2W az utóbbi jóval nagyobb a többitől. kondenzátor pedig 220µF 25V ami tönkre ment.
(#) proli007 válasza steve25 hozzászólására (») Jan 26, 2014 /
 
Hello! Az nem 270k, hanem 270 ohm. És ha az megpusztult, akkor a TAA is megbénult.. üdv!
(#) steve25 válasza proli007 hozzászólására (») Jan 26, 2014 /
 
Igaz félre olvastam. de olyat TAA865A nem találok. mármint hestorban
(#) gaspar_zsolt válasza proli007 hozzászólására (») Jan 26, 2014 /
 
Szia Gábor,

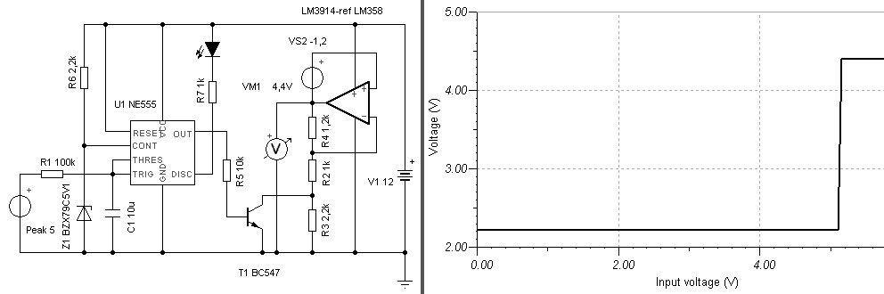
ránéznél erre a kapcsolásra. Egy ötletem volt még korábbról és itthon van hozzá minden alkatrész.
A TINA szerinti áramok és feszültségek a helyükön vannak, de benned jobban bízom, mert gyakorlottabb vagy. Hátha valamit nem vettem figyelembe.
Pdf-ben a nyitott és zárt esetben az értékek, mellékeltem még a forrást is.
Köszi szépen!
Zsolt
A hozzászólás módosítva: Jan 26, 2014
(#) pellesmartin hozzászólása Jan 26, 2014 /
 
Hello.
A hangszóró kimenetre rákötöttem egy 12V-os izzót,de mikor halkan hallgatom a zenét akkor kicsit világít,és mikor feladom a hangot akkor világít jól.
Hogy lehet megoldani hogy kevés hangon is jól világítson?
(#) enree hozzászólása Jan 26, 2014 /
 
Sziasztok!
Ugyan nem válaszolt senki, de nekifogtam kísérletezni, monokrom képem már van. Találtam egy s-video jelforrást is a kamerán, azzal már mindenféle színű képet elő tudok csalni a monitoron, de normális színes képet nem... Valaki tudna segíteni?
(#) Zoltan.ms hozzászólása Jan 26, 2014 /
 
Üdv azt szeretném kérdezni, hogy két egyforma lithium ion akkut (DIGITÁLIS FÉNYKÉPEZŐGÉPBEN VOLTAK RÉGEN 3.7v-OSAK 1100mAh) ÖSSZE LEHET-E KÖTNI PÁRHUZAMOSAN?
HA IGEN AKKOR HOGYAN?-MINDHÁROM LÁBAT ÖSSZEKÖSSEM PÁRHUZAMOSAN?
EGYÁLTALÁN A HARMADIK LÁB MIRE VALÓ?
ÉS LEHET PÁRHUZAMBA KÖTVE IS TÖLTENI ŐKET???
köszi
(#) granpa válasza Zoltan.ms hozzászólására (») Jan 26, 2014 /
 
Javítsd a shift billentyűt, mert beakadt; mi meg azt hisszük, kiabálsz.
(#) Csupasz hozzászólása Jan 26, 2014 /
 
Sziasztok
Van egy hangfrekis erősítő, amelyre kivezérlésjelzőt kellene tennem. A proli+Alkotó féle műszerre gondoltam.A problémám az, hogy annyit tudok, hogy az erősítő 20W-ot ad le 8 ohm impedancián, a táp 12VDC.A műszernek 5W-nál, és 15W-nál kellene 0db-t jeleznie.Hogy tudnám kiszámolni, hogy hitelesítéskor mennyire állítsam a kivezérlésjelzőt.Illetve bolondbiztos legyen, hogy ha 5W állásban ráhúzzák a volume-t, váltson méréshatárt.Ja, és a kimenetre kell kötnöm.
Honnan tudok elindulni, illetve ha lenne valakinek konkrét javaslata, nagyon megköszönném.
(#) nedudgi válasza Zoltan.ms hozzászólására (») Jan 26, 2014 /
 
A harmadik láb akármi is lehet, képek, típusszám nélkül nem tudhatjuk. Ha akkucellát kötsz párhuzamosan, jó, ha szem előtt tartod, hogy csak azonos állapotban levő cellát szabad párhuzamosan kötni, a kiegyenlítő áramot gyakorlatilag semmi nem korlátozza, a lítium pedig magas hőmérsékleten, szinte elolthatatlanul ég. A legjobb, ha ideiglenesen egy ellenálláson keresztül kötöd össze őket.
A hozzászólás módosítva: Jan 26, 2014
(#) Allen Collins hozzászólása Jan 26, 2014 /
 
Sziasztok!
Abban szeretném a segítségeteket, kérni, hogy szeretnék egy apx 100-ra két darab BEAG Tk 202-vel 1-1 videoton dc 2550-et kötni. Tudna valamelyikőtök segíteni abban, hogy melyik helyre mit kell kötni?
Az a és c jelölésű lenne a bemenetel, a színeknek megfelelően, pedig a másik oldalon a kimenetel, a kék a negatív, a zöld a pozitív?
Köszönöm szépen!
(#) proli007 válasza gaspar_zsolt hozzászólására (») Jan 26, 2014 /
 
Hello! Így is jó lehet, bár a diódákra célszerű valami ellenállást tenni, hogy az árammentes állapotban a tranyó bázisa ne "lógjon a levegőben". Mert ha jól értem, itt váltóáram van, és a kapacitásokon (akár a szerelési) keresztül folyhat akkora áram amire a tranyó megszólal. Persze ez frekifüggő is. üdv!
(#) proli007 válasza enree hozzászólására (») Jan 26, 2014 /
 
Hello! Gyanítom nem is fogsz segítséget kapni. Mert ami bemeneteket felsoroltál, azok külön-külön kérik a színjeleket Ahogy az RGB nevek is mutatják. Az S-video ad egy Y világossági jelet, melyet akár fakete-fehér jelnek is felfogható, de C (color) vezetéke modullálva tartalmazza a színjeleket. Vagy is a színjelekhez csak dekódolás útján lehet hozzájutni. Itt olvashatod. üdv!
(#) proli007 válasza Csupasz hozzászólására (») Jan 26, 2014 /
 
Hello!
- Elsőként a feszültség kiszámításáról kell gondolkodnod. P=U^2/R alapján kiszámolható.
- Másodsorban nem tudom van-e értelem a méréshatár váltásnak. Mert a kijelző nem teljesítményt, hanem feszültséget mér/mutat. Ráadásul logaritmikus skálán. Két Led jelzése között -3dB különbség van. Az teljesítményben a felét jelenti. Vagy is ha a legutolsó Led "25W-ra van állítva", akkor az ez előtti 12,5W-on, míg az azt megelőző Led 6,25W-on fog jelezni. ezen kívül még van "alatta" még 7 Led. Én nem bonyolítanám ezzel a kijelzést.
- Arról nem is beszélve, hogy a zene nem szinuszhullám, hanem egy "lüktető zaj". Szinte biztos, hogy amire Te beállítod, az a felhasználónak nem lesz megfelelő. Mert ezek szerint nem kijelezésre, hanem "kalimpálásra" szeretné használni. Amúgy mi van, ha tudod hány watt megy ki. A hallás is logaritmikus. És dinamika is van a világon.
Természetesen nem akarlak lebeszélni semmiről. Azt hogy mit szeretnél és mit milyen súllyal értékelsz, az a Te egyéni döntésedtől függ.. üdv!
(#) Csupasz válasza proli007 hozzászólására (») Jan 26, 2014 /
 
Köszönöm a válaszod, Gábor, én is kb. ezt mondtam, de ez kellene a kedves felhasználónak...
Tehát a ledsor végkitérése egyszer 5W-nál legyen, ha ezt átlápi, 15W-nál.
Igazad van, ez kalimpálás csak, "fényjáték".
Mit javasolsz?
(#) proli007 válasza Csupasz hozzászólására (») Jan 26, 2014 /
 
Hogy mutasd meg neki az eredeti kapcsolást, mert amit szeretnél ahhoz külön áramkört kell pluszba építeni. Meg ki is kell jelezni, mert honnan tudod, hogy éppen hány watt éppen a végkitérés.
(#) reloop válasza Csupasz hozzászólására (») Jan 26, 2014 /
 
(#) Csupasz válasza proli007 hozzászólására (») Jan 26, 2014 /
 
Nem akarok a tudásoddal ellenkezni, csak az a bajom, hogy ez a barátom 13 éves fia, és már a második hülyeségével eszi az agyam, és nem érti.....
Tehát be tudom állítani azt, hogy a műszer kb.5W teljesítménynél menjen végkitérésbe.
ha külön bontom, akkor azt is be tudom állítani, hogy ez a végkitérés kb.15W-nál történjen meg.Tehát ezt a ketttőt kellene valahogy összehozni, hogy váltsa át a kijelzést.
Azt nem kell tudni, milyen állásban van, fényjáték.
Relével cserélni a hitelesítő potikat, vagy csak a nagyobb teljesítménynél egy nagyobb értékű ellenállást a bemenetre?De mitől lesz automata?

reloop: Neked mi lenne a javaslatod? AVR progival?
(#) reloop válasza Csupasz hozzászólására (») Jan 26, 2014 /
 
A képen a hosszabbik LED sor 18 elemű, 3x6-os. Két egymásba ágyazott (3 és 6) ciklussal végigsöprök rajtuk. Egy 18-as tömbben definiáltam a kapcsolási szinteket, a ciklusmag összehasonlítást végez, és az eredménynek megfelelően ki, vagy bekapcsolja az aktuális LED-et.
Nálad annyiban változna, hogy az 5W-nak megfelelő szintnél két eljárás között kéne választani.
Biztos megy PIC-kel is, csak olyat még nem programoztam. (Az AVR tudásom már két hetes )
(#) gaspar_zsolt válasza proli007 hozzászólására (») Jan 26, 2014 /
 
Szia,
köszönöm szépen. Egyenlőre breadboardon összeraktam és kipróbáltam. Szimpatikus volt, hogy már 50k-tól megszólalt a 3mm-es LED, amit betettem.
Ha jól értem földre kellene húznom a tranzisztor bázist?
Mekkora ellenállást tegyek rá szerinted?
Esetleg hasznosabb lehet az sima dióda helyett Schottky?

Egyébként 8kHz-es négyszög jel fut a rendszeren.
A hozzászólás módosítva: Jan 26, 2014
(#) Csupasz válasza reloop hozzászólására (») Jan 26, 2014 /
 
Azt hiszem át kell ezt még gondolni, és talán holnapra valakinek lesz valami jó ötlete.
Köszönöm a segítséget.
Jó éjt! Zoli
(#) proli007 válasza Csupasz hozzászólására (») Jan 26, 2014 /
 
Én várhatóan valami "susztermattal" élnék. Mondjuk egy 555-el figyelném (késleltetve) a csúcsegyenirányító kimenti feszültségét, és ha az eléri a Th feszültségét, akkor átváltanám a kijelző referencia feszültségét egy tranyóval. Az 555 Cv feszültségével meg a Th megszólalási szintet állítanám be. Igaz, hogy a Tr visszabillentést nem lehet megváltoztatni, de az a mindig a Th fele. Fele feszültség, az negyed teljesítmény. Ha tartósan az alá megy a feszültség visszaváltanám. Valahogy így. (A műveleti erősítő, meg az 1,2V-os forrás, csak szimulálja az LM3915 referencia fokozatát. Az nem kell, csak a három ellenállás.)
A hozzászólás módosítva: Jan 26, 2014

VU-Switch.png
    
(#) reloop válasza Csupasz hozzászólására (») Jan 27, 2014 /
 
(#) Hujikolp válasza hummer hozzászólására (») Jan 27, 2014 /
 
Igen! Egyikkel példáúl teljesen kapcsolod, másikkal meg csak fele erővel. Próbáld ki két potival, meg LED-del, ellenállással
(#) enree válasza proli007 hozzászólására (») Jan 27, 2014 /
 
Szia!
Értem, csak valahol azt olvastam, hogy "egyszerű összeadás - kivonás után hozzájuthatunk a színekhez". Így arra gondoltam, hogy mint már írtam, mindenféle színű kép megjelenik így ha "össze-vissza" kötöm rá a VGA RGB meleg ereire az S-video meleg ereit, akkor valahogy mégis megoldható a dolog. Mindent elolvastam, amit csak találtam a dologról, mindenhol azt írták, hogy esély sincs rá, hogy akármilyen kép megjelenjen... ehhez képest tű éles monokróm kép van rajta.
(#) eSDi válasza enree hozzászólására (») Jan 27, 2014 / 1
 
Üdv!
Ilyen S-video<->RGB/VGA konverterekkel foglalkozni nem érdemes, ha nagy szükség van rá, akkor meg kell venni. Túl bonyolultak Bővebben: Link
Másrészről, lassacskán már olyan alkatrészeket tartalmaznak, amiket rég nem gyártanak és/vagy nehezen beszerezhetőek, amiatt, mert a mostani készülékekben mindent a CPU-ba/DSP-be integrálnak. Ezeket úgyszintén nagyon nehéz otthoni körülmények között felhasználni.
(#) proli007 válasza enree hozzászólására (») Jan 27, 2014 /
 
"Értem, csak valahol azt olvastam.." Tekintve, hogy nem ismered a színes TV-k NTSC PAL SECAM normarendszereit kódolását-dekódolását, nem tudod mi miért van. Így értelmezni sem tudod amit olvasol.. Az hogy fekete-fehér kép van, nem csoda, mert írtam, hogy a S-videó tartalmazza az Y jelet ami ugyebár pont ez. A Színeket pedig kódolva tartalmazza. Azt dekódolni kell, aztán jön az összeadás kivonás. üdv!
A hozzászólás módosítva: Jan 27, 2014
(#) enree válasza proli007 hozzászólására (») Jan 27, 2014 /
 
Értem, köszönöm a felvilágosítást. Neked is eSDi.
(#) Prome válasza usane hozzászólására (») Jan 27, 2014 /
 
Sikerült megmérni a frekvenciát de (nekem legalábbis) furát tapasztaltam.
Elösször is: 3 milliSecundumonként volt megszaggatva.
De a négyszögjel majdnem teljesen végig ért a megszaggatás 2-3 % lehetett vagy annyi se.
tehát 97 vagy több % a kitöltés.
Ellenben a fordulatszámot változtatgatva a feszültség emelkedett illetve csökkent.
(Oszcilloscopon lett mérve.
nem szabályos négyszög volt hanem amikor leesett volna a feszültség, fent folytatódott, egy másik vonal is volt.
És fb. félgőznél szabályos egyenes volt a felső vonal, maximális gázon azonban erősen hullámos volt, sinusféle, de csak a magasabb érték. viszont a sinus nagyon kicsi volt, az egész feszültség kb. 5-10%-ányi volt a hullámzás.
Szóval a kérdés az, ez vajon mi?
A fontosabb kérdés:
Ezt a FET vezérlő és a FET le tudja másolni nagyban? Mondjuk 12 vagy 18 Voltos motornak?
És ha igen akkor melyik FET és FET vezérlő alkalmas erre?
Köszönöm
(#) viaplan hozzászólása Jan 27, 2014 /
 
Sziasztok!

Kérdésem van, szeretnék egy olyan kapcsolást, amely a meghúz egy relét 1-10 másodpercre 5-150 másodpercenként. Próbáltam 555 kapcsolások között keresni, az astabil segédprogramokkal azonban nem sikerült ilyen kitöltést találnom. Lehet hogy elnéztem valamit?!?!
Köszönöm a segítséget
Zs
Következő: »»   2228 / 4046
Bejelentkezés

Belépés

Hirdetés
XDT.hu
Az oldalon sütiket használunk a helyes működéshez. Bővebb információt az adatvédelmi szabályzatban olvashatsz. Megértettem