Fórum témák
» Több friss téma |
- Ez a felület kizárólag, az elektronikában kezdők kérdéseinek van fenntartva és nem elfelejtve, hogy hobbielektronika a fórumunk!
- Ami tehát azt jelenti, hogy a nagymama bevásárlását nem itt beszéljük meg, ill. ez nem üzenőfal! - Kerülendő az olyan kérdés, amit egy másik meglévő (több mint 17000 van), témában kellene kitárgyalni! - És végül büntetés terhe mellett kerülendő az MSN és egyéb szleng, a magyar helyesírás mellőzése, beleértve a mondateleji nagybetűket is!
Helló mindenkinek, motoromban a generátor villágítótekercseiből kicsit nagyobb teljesítményt kéne kihozni olyan kérdésem lenne hogy ha a keresztmetszetet duplázom akkor menyivel nő meg a teljesítmény?
igazából azért gondoltam rá mert motoros fórumon kihozták ebből a gyújtásból majdnem a dupláját csak a fickót nem lehet elérni. Nagyából másfélszeres teljesítménynövelés kéne.
Az előbbi (általam készített) kapcsolásra visszatérve...
Szerintetek érdemes beleépíteni (12V után) egy 250V 1,6A biztosítékot? Lehet, hogy butaságot kérdezek, de számítógépembe kellene ez a ventilátor szabályozó, és az IC max 1,5A-t enged át! Bővebben: Link
fölösleges. ráadásul nem is 1,6 ampert fog fogyasztani a ventillátorod.
hanem inkább kb 0,01 - 0,1A
hát ez nem jó hír nekem is babszi gyulára kell csak nekem nem babettán van hanem simsonon... mindegy rátekerek majd aztán lesz ami lesz végülis elrontani nem nagyon lehet.
Ha te mondod! Azért köszönöm!
![]() Amúgy 3-4 ventilátort szeretnék rákötni. Igaz, akkor sem adná ki a 1,5A-t, de jobb ha azért hűtőbordára szerelem a kicsikét.
Sziasztok !
Olyan elmeleti kapcsrajzot megoszte valaki velem amiben lathatnam hogy pl a szinkron a kader stb., hogy van osszekapcsolva vagyis mi honnan kap es ad jelet a tvben. B.U.E.K.!Sziasztok !
Én is úgy gondoltam, nem pluszba tekerem rá
Az előbb itt valaki kevesellte azt a két (330nF, 100nF) kondenzátort! Szerinted is kevés lesz?
szerk.: Ehh, saját magamnak nyomtam a "Válasz"-t... Na mindegy! A kérdés hapro-nak szólt, de ha valaki megelőzi az sem baj!
Szia!
Puffer mindenféleképpen kell neki! A két kondi, az hidegítő kondenzátor, azokat az IC lábaihoz közel kell rakni, hogy megelőzzék az esetleges gerjedést! A kimenetre lehet rakni egy párszor 10µF-es kondit!
Köszi!
Amúgy lényegében tökmindegy mekkorák azok a kondenzátorok? Tehetek a két db (330,100) nF helyett akár két db 10µF-os vagy 100µF-os kondenzátort is? Ez a dolog nagyon érdekel, mert sosem tudtam, hogy mekkora kondenzátort is kell egy kapcsolásba egy adott helyre tenni! Ha van időd és türelmed egy pár sorban leírhatnád még pluszba ezt a kondenzátoros dolgot! Köszönöm! Üdv: zsozso
azért össze ne vesszetek miattam
köszi mindkettőtöknek! mindegyiket ki fogom próbálni
Szia!
Az a két kondenzátor mindenféleképpen kell oda, az értéke nem annyira kritikus, 100-470nF körüliek jók, de a lényeg, hogy ne elektrolit kondenzátor legyen, hanem fólia! Mellé lehet rakni elektrolit kondit, nagy fölösleges a kimenetre, inkább a táplált áramkörök paneljára érdemes egy nagyobb kondit rakni. Ha meg logikai áramköröket táplál vele az ember, akkor minden IC közvetlen közelébe kell rakni egy-egy kisebb kondit!
Hát én ma már ki nem próbálom!
A műhelyig -8°C az út!! :no:
hali!
úgy még nem próbáltam.
kössz szépen. kipróbálom
viszont két kondi nem pontosan a rajznak megfelelő, azonban azt mondták, hogy helyettesíthetők, azokkal amiket adtak.
Köszönöm a választ!
A válaszodra az első kérdésem: Miért pont fólia kondenzátor legyen? Van valamennyi különbség a többi fajtához képest? 2: Az értékekre visszatérve... Honnan lehet tudni, hogy egy ilyen kapcsolásnak mekkora értékű és milyen fajtájú kondenzátort válasszak? (jelen esetben bemenetre és kimenetre) VAGY 3: Ha én bemenetre és kimenetre ugyanolyan kondenzátort teszek pl. 100µF akkor az nem lehet gond? Vagy az ilyen saccra berakott dolog nem igazán jó? 4: Vagy elég azt a két db (330nF,100nF) kondenzátort használnom ami az IC adatlapján fel van tüntetve a rajzon? Bocsánat, ha butaságo(ka)t kérdezek, de ezekkel a kondenzátorokkal valahogy még nem igazán jöttem ki!
Ventillátorhoz szerintem elég, de mindenki s saját magad nyugalmáért betehetsz mondjuk az IC elé akár 10µF elko-t is, utánna meg tökéletes a 100nF.
Gyakorlati jelentősége ennek nem nagyon van, a ventillátornak nincs szüksége túlságosan szűrt tápra, meg amúgyis azt elvégzi az IC elvégre feszültség stabilizátor a neve vagy mi...
üdv
autós aktív mélyláda beindításához milyen vezérlőjel zükséges ? táp megvan (+,-) de a hamradik kábelre mit kell kötni ? ha pl az autós cd-nek nincs vezérlő jele . pl 1v ? vagy föld ? thx
Estét.
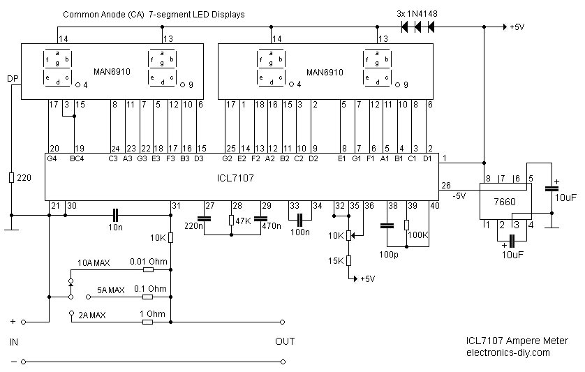
Kérdésem a következő lenne: Az oldalon is megtalálható, a kapcsolások közt, de másfelé is a neten egy feszültség, vagy áramerősség mérő műszer, icl7107-tel felépítve. Mindegyik közös anódú kijelzőt használ a megjelenítéshez. A lényeg: használhatok KK kijelzőt is? Az IC lényegében a megfelelő lábait kapcsolgatja a földre a megjelenítéshez ugye? Tehát ha én a kijelzőnek nem +5V-ot adok, hanem -5V-ot akkor mári egyszerűen átalakítottam a műszert a közös katódos kijelző használatára nem?? Még egy kérdés, a dp-nél hogyan legyen? ott hova kössem azt a részt? Valaki tud segíteni? Kössz: Uli
Vagy az autós fejegységnek van egy kimenete ami az erősítőt kapcsolja, akkor azt kell rá kapcsolni, vagy ha folyamatosan akarod üzemeltetni akkor összekötöd a +12V-al
üdv
Szia!
Mint írtam annak a két kondinak az a szerepe, hogy megakadályozza az IC esetleges gerjedését! Az elektrolit kondenzátor pedig pont nagyfrekvencián nem ideális kondiként viselkedik, ezért kell oda a fóliakondenzátor!
egy kis 22voltot kiadó tápnak szeretném megnövelni a feszültségét.
Ez igy nem működik. A forditott polaritás tönkreteszi a kapcsolóelemet,legyen az fet,bipoláris tranyó...
egyent ad ki és 500mah-s perpillanat mást nem tudok róla mondani
A feszültségét mennyire szeretnéd növelni,milyen és mekkora terhelést akarsz róla üzemeltetni?
|
Bejelentkezés
Hirdetés |














