Fórum témák
» Több friss téma |
- Ez a felület kizárólag, az elektronikában kezdők kérdéseinek van fenntartva és nem elfelejtve, hogy hobbielektronika a fórumunk!
- Ami tehát azt jelenti, hogy a nagymama bevásárlását nem itt beszéljük meg, ill. ez nem üzenőfal! - Kerülendő az olyan kérdés, amit egy másik meglévő (több mint 17000 van), témában kellene kitárgyalni! - És végül büntetés terhe mellett kerülendő az MSN és egyéb szleng, a magyar helyesírás mellőzése, beleértve a mondateleji nagybetűket is!
Hello!
Kapcsolási rajz, vagy működési igény nélkül értelmetlen a kérdés. Azért gyártanak egy-egy adott típust, mert nem helyettesíthető másikkal. Gondolod feleslegesen fárasztanák magukat a gyártók? üdv! proli007
Az idő attól függ, hogy mekkora árammal töltöd. Az áramot meg te állítod be. Ez szerepel az oldalon, amit linkeltem.
Üdv
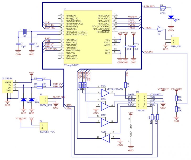
ez valójában egy USB-s ISP programozó. A kapcsolási rajzot csatolom.
Sziasztok!
Itt az adatlapban (MAX4489) a Stable Gain mit jelent? Egy PIC A/D konverterének bemenetéhez használnám szintillesztésre.
Hello!
Valahol sejtettem, hogy égetőről van szó.. "De cipőt a cipőboltban" mert ide mást nem tehetsz. Nem ismerek olyan eszközt, aminek a 3-state állapotát külön-külön kapcsolni lehet, csak a 125-öset, de annak háromállapotú bemenete invertált. üdv! proli007
Azt hiszem megértettem, de azért a biztonság kedvéért rákérdezek, hogy jól értelmeztem-e.
Szóval, ha csökkentem a soros ellenállás azaz az R1 értékét, akkor nőni fog a töltőáram, és így akár 200-250mA-t is be tudok magamnak állítani, így van ugye? Így az ellenállás értéke 200mA mellett 6,25ohm.
Tiszteletem!
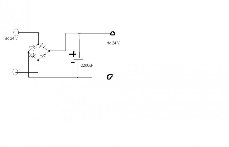
Kezdő vagyok elektronikába és egy adapter váltóáramát szeretném egyenirányítani. Az adapter tulajdonságai: 24 V 450 mA Milyen alkatrészek szükségesek hozzá? Köszönöm szépen a segítséget!
Milyen adapter?
Nincs rá írva, hogy már egyenirányítva van?
AC adaptor
Modell: KP-1A 24V~ 450mA 10.8 VA Ezek az adatok van rajta. 24~ gondolom hogy váltó, és nem egyen feszültség
Egy akkumulátoros lámpának a töltőjéhez kellene egyenirányítani, aminek DC 24V -ra van szüksége.
Pl 4 db 1N4001 dióda. 20 HUF
Egyszerűen négy diódával és egy szűrő kondival, mindjárt küldök rajzot...
Akkutöltőhöz minek kondi? Az akku lesz a kapacitás......
jól van minden bekötve, 16a +12volt, a 8as a 0 a 14re megy be az órajel, a 15 és 13 testen, az egyes LED a 3as lábon a 2es a 2esen stb. jól van bekötve. Szerintem veszek egy új IC-t.
Itt van. Bocsi hohy paintba van, de nem volt kedvem eagleval vacakolni. Ha még simább egyenáramot akarsz akkor egy 24 voltos stabilizáló ic-t is be lehet tenni, bár szerintem erre nincs szükség.
hát én így tudtam, ártani meg amúgy sem árt
Igen!
Ahogy mondod!
Köszi szépen a segítséget, innen már remélem menni fog.
Na ez persze így nem igaz. Mert a 24V AC-ból pufferelés után közel 33V DC lesz, tehát a pufferkondi feszültsége is minimum 36V vagy 40V-os. (AC*gyök2)
Tökéletes a Paint rajz, érthető.
Köszönöm szépen a segítségedet! :worship: Jó éjszakát kívánok!
Hello!
12V-már tönkreteheti az IC-t. Amíg kísérletezel, használj 5V-ot inkább. A ledelé,illik előtét ellenállást rakni. üdv! proli007
Sziasztok,
tudna nekem valaki egy rms to dc kapcsolást rajzolni AD536AJH-val? Úgy látom, csak ez az IC érhető el. Ha van másfajta, az is jó. köszi
Test, vagy más néven föld, vagy 0 potenciál.
Köszi, erre gyanakodtam ,de gondoltam megkérdezem
Kiegészítés képen, az angol Ground szóból van.
Így van ezt kifelejtettem. Bár grund Molnár Ferenc óta magyarul is van.
Sziasztok!
Azt hiszem félre értettük egymást. Lehet nem írtam le világosan, előfordul velem. A magnó fejét én levágnám a kábel végéről, és annak a helyébe forrasztanám a jack aljzatot. Lehet ilyet tenni? A probléma pedig az, hogy a magnó a mikrofon bemenetét szerintem egy előerősítőre vezeti. És mivel a Pcben van már előerősítő, így túl nagy bemenő jelet kap, ami miatt torzít meg hangos meg minden baja van. Ezt szeretném kiküszöbölni úgy hogy a magnó helyére kötöm a PCmet. De azt nem tudom, hogy az is az előerősítőbe megy-e, mert ha igen,akkor ugyanott vagyok. Kössz mindenkinek: uli
Semmiképpen ne kösd a magnó előerősítőjére, mert az még torzabb lesz, mint a mikrofonbemenetről, ugyanis a magnófejek még a mikrofonoktól is kevesebb jelet szolgáltatnak, többet erősítenek rajta.
Ráadásul, frekvenciamenetben sem lesz lineáris a korrekciós erősítő miatt. Oda nem köthető, csak a magnó előerősítőjének a kimenete helyére, de ahhoz már rajz kell, hogy megtaláld.
Én nagyon régen erősítő hiányában a gitáromat kötöttem egy kis ócska magnó fejére, lett egyből egy frankó fuzz torzítóm is!
|
Bejelentkezés
Hirdetés |












