Fórum témák
» Több friss téma |
Mielőtt kérdezel, a következő két dolgot ellenőrizd!
I. A helyes tápfeszültségek megléte.
II. A kimeneten van-e egyenfeszültség.
Élesztés.
Szia! TDA2822 ic-t ajánlom. Már 3V-ról működőképes, 4.5V-ról hídban 1W-ot lead. Egyszerű megépíteni, pont kezdőknek való.
Ez egész jó csak én valami olyanra gondoltam ami itthoni lomokból össze lehetne rakni de ha nem találok más meg oldást ez is jó lesz köszönöm!
Sziasztok!
Segitséget szeretnék kérni egy ONKYO TX-41 erölködöhöz,még pedig az a baj vele h egy oldal szól csak az is eszméletlenül torzit hangerötöl függetlenül.Mindegy h külsö jelröl vagy a saját rádiorol szól.Végfok hibás lenne?Még annyi h bekapcsolás után kb 10 mpig tisztán szól utána kezd torzitani oly modon h a szöveget nem lehet érteni tehát élvezhetetlen. Köszönöm a válaszokat!
Sziasztok!
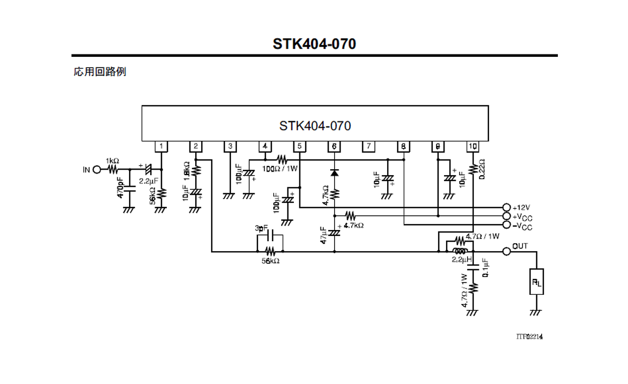
A következővel fordulnák hozzátok. Van egy 6CH erősítő ami 2db végfok IC-vel van ellátva.Egy (STK402-930) ami 5 csatornás és egy (STK404-070) ami 1 csatornás ez egy tápról vannak gyárilag hajtva ami egy közékcsapolásos táp (VCC+,VCC-,GDN). A probléma a következő az egy csatornás kimenet csak búg (STK404-070). A másik 5 tisztán szól (STK 402-930). Sajnos mivel nem vagyok kellően jártas az elektronikában nem sikerült ki derítenem a hiba pontos okát. Csak a sötétben tapogatózom de szerintem valami a tápellátásnál vagy a földelésnél van. Ugyanis ha kihúzom a hálózati 220V AC-ból akkor van hogy meg szólal az a bizonyos 6. csatornai amég a pufferekből kap némi áramot. De egyszer GDN nélkül is áram alá helyeztem és alacsony kivezérléssel tisztán szolt. Egyébként egy AKAI DV-R4410SS készülékről van szó. Sajnos saját fotókat még nem tudok fel tenni de itt van amit a neten találtam gyors.
Sziasztok
Segítséget szeretnék kérni egy sztereó jack ( mellékeltem róla a képet) aljzat bekötésére. 5 láb található rajta csak azt szeretném tudni hogy melyik lábra mi megy ?
Köszönöm.
Annyi baj van csak hogy nem nagyon olvasható a lábkiosztás. A hozzászólás módosítva: Ápr 17, 2014
Szia! Dugj bele egy dugót, és nézd meg szakadásvizsgálóval mi mivel van összeköttetésben! Ettől biztosabbat el sem lehet képzelni.
Azzal már megnéztem mind a két csatornán 2 lábnál jelez.
Bedugott jacknél elvileg bontani kéne egy-egy érintkező párost, de hát ezek szerint a gyakorlatban nem ilyen.
Sziasztok!
Üdv. reloop elnézést hogy zavarlak csak érdekelne hogy neked mi a véleményed azzal kapcsolatban amit leírtam.
Ha volna kis ídőd kérlek írj valamit!
Köszönöm!
Szia! Nem derül ki a beszámolódból, hogy az IC lábaira eljut-e a táp, és mekkora a kimeneti egyenfeszültség. A GND lekötése mit jelent a gyakorlatban?
A hozzászólás módosítva: Ápr 17, 2014
Szia mértem multiméterrel és eljut. A GDN lekötést úgy csináltam hogy van egy csatlakozó ami 3 vezetékes +,-,GDN és arról vettem le a GDN-t.
A kimeneti egyenfeszültség lenne még egy fontos kérdés.
Ezt hogyan mérhetem ? A hangszóró kimenetét mérjem meg? Egyéb ként GDN nélkül szépen szolnak a hangszórók csak nagyobb hangerőn mintha keveset kapna ott torzít a mély. De viszont jel nélkül sem búg. De eredeti állásba GDN-el ha kap jelet ha nem akkor is csak búg és a zenének nyomát sem hallani a mély hangszórón.
De visszatérve akkor megmérem a visszarakott GDN-el a "kimeneti egyenfeszültség" ami a következő: 0.6V DC
Írd át a kérdésed, mert nem érthető; magyarosra, kevésbé csetesre!
Mi az a "GDN" ?
Ja igen hát rosszul emlékeztem elnézést kérek mindenkitől.
Az tényleg GND akart lenni azt hiszem magyarul talán testet vagy földelést jelent.
Egyébként több hozzáfűzni valótok nincs véletlen?
Mert jól jönne.
Szia.Mi az az itthoni lom.Rádióból kazettás magnóból TV-ből lehet bontani erősítőt.
0.6 V egyenfeszültség az szerintem sok.
Sajnos szerintem nem nagyon beszerezhető ez az IC...
Köszönöm a választ.
Tehát a végfok IC lehet a hibás?
Teszteltem egy másik táppal is ami szűrt egyenfeszültséget biztosított számára. De ezzel a táppal is ugyan a volt a jelenség. Szóval vélhetően nem a táppal van a gond.
Szia! Esetleg ha átnézed a forrasztásokat vezetősávokat,hibás forrasztás vagy repedés után.Egy próbát megérhet,egy ic nem szokott elromlani és aztán néha megjavulni.
Szia köszi a választ már 4 napja nézem kiszedem forgatom hátha valamit nem vettem észre de semmi eredménye. Próbáltam már másik táppal az imént néztem közvetlen az IC lábától levet jelet egy másik erősítővel és az is tiszta volt. A megjavulást hogyan érted? Leírom a jelenséget még egyszer hátha nem volt kellően pontos.
Tehát adott az erősítő amit ha bekapcsolok a hangszóró csak búg függetlenül mekkora inputot adok rá csak egyenletesen búg zenének nyoma sincs a búgásban. aztán ha le válaszom a tápot a 220-bol akkor megszólal pár mp-re. Középcsapolásos táp van hozzá VCC+,VCC-,GND Ha a tápról nem kötöm rá a GND-t csak a +,- és bekapcsolom akkor alacsonyabb hangerőn szépen szól nagyobb hangerőn erőtlen. De nem búg még jel nélkül sem és jellel sem.
Azért ennek az Akainak a javítása rajz nélkül csak vaktában lövöldözés ám így! Van egy marék mikroprocesszor ami vezérli a végfokokat, kicsit méregetni is kéne rajz alapján, nem csak lehúzni a GND-t !
![]() Az Elektrotanyán fent a komplett doksija. A mellékelt rajzon is látható, hogy a jelenség nem egyértelműen a végfok ic hibájából adódhat, elég sok bemenete külső függésben van a környezetével. Pl. ott az a B+ 10V , meg hasonlók ellenőrzése is szükséges lehet. Sajnos nagyon belemerülni most nincs időm, de itt a sub környéke kiemelve: |
Bejelentkezés
Hirdetés |





















