Fórum témák
» Több friss téma |
Mielőtt kérdezel, a következő két dolgot ellenőrizd!
I. A helyes tápfeszültségek megléte.
II. A kimeneten van-e egyenfeszültség.
Élesztés.
Az alsó felirati sor alatt egyértelműen látszik, hogy ott egy nagyobb letörés van mint a szemben lévő oldalon. A fotódon éppen az nem látszott jól, amire rákérdeztél.
Persze ez egy olyan apró alkatrész, ahol egy letörés sem lehet óriási. Kattintottam neked egy képet amin látod kb. mekkora ez a valóságban. A letörés a felirat alatti élen van.
És valóban!!....
![]() Nyilvánosan meg kell kövesselek, tényleg úgy van ahogy írod, elnézést kérek mindenkitől... Mentségemre szolgáljon messze nem látszik olyan egyértelműen mint a TL071-en, a szemközti oldal is ferde habár az kisebb mint 45fok ráadásul amikor forgattam a nagyító alatt pont azon az élén fogtam a lábakat, így teljesen rejtve maradt számomra. (Őszintén szólva, eleddig nem találkoztam olyan IC-vel amelyen nem volt azonnal látható az 1 láb...) (Szemüveg lehet hogy tényleg kellene már, bár magamnak sem akartam beismerni, a gyereket idehívtam és ő is azonnal megmondta. hogy nem egyforma a két oldal....)
Üdv
Nekem lenne egy kis problémám Építettem egy 2x200 wattos végfokot ami indult is szépen szól is mindkettő csatorna erő is van benne magas középhang is rendben van de, a mélyhangok nem az a lágy dübörgő hanem inkább amolyan eröltetett. Nem tudom hogyan irjam le mintha picit torz lenne. Tudnátok segíteni? Csatolok pár képet Egyenirányítva 2x39.6 v dc /mondjuk 2x50 v dc javasolnak nem tudom ez gond e / Puffererek 2x22000 uf eredeti harman kardon
Szia! Komolyan TO-220-as tranyók vannak a differenciálerősítőben?
Kéne egy rajz és ahhoz képest mi került beültetésre. Gondolom a passzív alkatrészeket sem mérted patikamérlegen
Kép és tipus alapján pontosan az került bele
Egyébként egy kérdés.. Miután kész lett utána tettem bele potmétert és mintha azóta lenne rosszabb kicsit a hangja A képeken látszik azok kellenek bele
Ellenőrzésül vidd be a jelet - mondjuk az egyik csatornába - a poti kikerülésével!
A hozzászólás módosítva: Nov 3, 2019
Holnap megcsinálom délelőtt és írok mi változott
Jobban jártál volna egy ST151 kapcsolással és nyáktervvel.
Nagy különbség nincs, még akár át is építheted a kapcsolást. A mostaniban van benn pár komoly hiba, ami könnyen a tönkremenetelt okozhatja, pl: A végtranzisztorok nyugalmi áramát szabályozó bd136-nak termikus kapcsolatban kellene lennie a hűtőbordával A végtranzisztor meghajtóknak is jó lenn hűtést adni, meghálálják A tápvezetékeket a végfokokhoz a szűrőkondenzátoroktól közvetlen kötsd be, ne az egyik végfokról hurkold rá a másikra.
Tényleg borzalmas és pazarló, de át van gondolva. Nem látok rajta változtatni valót. A végtranyók bőven zárva vannak nullátmenetnél, nem kell a BD136-ot elmozdítani.
A kolléga ±40 V-jára ezt ajánlottam volna, persze némi igazítás után.
Úgy érted nincs nyugalmi áram a végtranzisztorokon ? Akkor keresztezési torzításnak illene ott lenie nem ?
A tápvezetékeket közvetlen a panelekre kötöttem mintha lenne változás
Az az igazság hogy is is abszolút hallgatható csak szeretem a szép hangot azért próbálom tökéletesebbre javítani amennyire lehet. Ha megérkezik az új potméter kicserélem azt is mert az régi volt vetek rá hogy az is hozzájárulhat a minőség romláshoz
A meghajtó tranzisztorok 100 Ohm-os emitter-ellenállásán folyik nyugalmi áram. A végtranzisztorok csak pár 100 mV kimenő jeltől kezdenek nyitni.
Ha majd tudok szimulátorozni akkor utánaszámolok a munkapontnak kíváncsiságból. Ahogy néztem elsőre a meghajtó fokozat 12-13mA nyugalmi árama felett már nyit(hat)nak a végtranzisztorok.
A hozzászólás módosítva: Nov 4, 2019
Csak fejben számoltam. A BD136 C-E feszültség 2-2.1 V körüli a 2k2 és az 1k ellenállásokkal. Ebből lejön a két meghajtó 1,3 V-os B-E feszültsége. A végtranyókra 0,4-0,4 V B-E feszültség jut. Itt még bőven zárva vannak. Ahogy melegszenek a félvezetők úgy lesz egyre tisztább a hangja.
Persze, mert a melegedéstől csökkent a Vbe nyitófeszültség, és az AB osztály felé mozdul a munkapont. A végtranzisztoroknak mindenképpen kellene adni némi nyugalmi áramot. Én 70-80mA-re állítottam a saját végfokomon végtranzisztor páronként.
Nyugalmi áramot az elkészített végfokomba hogy tudok állitani?
2.2k-t növelni, vagy 1k-t csökkenteni...
Arra viszont figyelni kell, hogy a nyugalmi áramot beállító tranzisztort a hűtőbordára kellene szerelni! A hozzászólás módosítva: Nov 4, 2019
Rendben és ha ezeket megcsinaltam visszakellene raknom az eredeti ellenállásokat?
Szia!
Azt jól látom az első képen, hogy a végtranzisztorok még véletlenül sem érnek a hűtőbordához?
Beállító tranzisztort a hűtőbordára kell csavarozni. Utána-mondjuk- az 1k-s ellenállást szépen lassan csökkenteni, és közben mérni a végtranzisztorok emitter ellenállásain a feszültséget.
Az ellenállás értékének csökkentése lehet párhuzamos ellenállások próbálgatásával 22k-10k stb. vagy úgy, hogy kicseréled egy 2k-s trimerre. Nagyon óvatosan csináld, mert könnyű kinyírni a végtranyókat!
Mennyi lenne a végtranzisztornál mérhető ideális feszültség?
tothbela írta:
Idézet: „Multiméter szakadás vizsgáló állásban mérj rá a bal alsó és a jobb felső lábra. Ez a két láb a tápbemenet.” Érdekes, mert a kép szerint a bal alsó az 1-es láb, a jobb felső pedig az 5-ös láb - tehát nem ez a tápbemenetek!
Talán a hátára fordította TóthBéla az IC-t, és így mérte.
Az apró baki ellenére, a táplábakon való mérés sokat segíthet az azonosításban. Inkább a hasznát célszerű látni egy ilyen javaslatnak.
11mV egy emitter ellenállás két vége között. A beállítás közben ne dugd rá a hangszórót.
Csakhogy én az első mondat alapján kezdtem mérni miszerint a 8-as pozitív (ezt azért a rajzon még én is láttam) és reloop egy gondolattal hamarabb írta a ST szimbólumra vonatkozó megállapítását így ezt vettem alapul a 8-as valamint a 4-es láb mérése során és úgy tettem a műszer tapintócsúcsait rájuk...
A mért értékek egyébként 607mV volt fordított állásban 1997mV ezek alakulása a Béla által írtakhoz igazodott így nem fordítottam rá több időt egy másodperccel sem.... Félek kissé ezt alaposan túlbeszéltük......
Az általad felrakott képen (TL071) letörés nélkül is árulkodik a pozícióról a szövegirány, meg a függőleges vonal.....
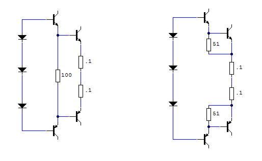
Az a baj, hogy a bal oldali topológia szerint üzemel a végfok. Így nem tudják a meghajtó tranzisztorok alacsony kivezérlésen átvenni a végtranzisztorok szerepét. Ehhez a jobb oldali módosítást kellene alkalmazni.
|
Bejelentkezés
Hirdetés |




















