Fórum témák
» Több friss téma |
Mielőtt kérdezel, a következő két dolgot ellenőrizd!
I. A helyes tápfeszültségek megléte.
II. A kimeneten van-e egyenfeszültség.
Élesztés.
Sziasztok . Hozám kerűlt egy T.amp 1050 erősitő sajnos valaki nagyon meg ,,koklerelte "kicserélte a vég tranzisztorokat. És nem a munkapontot állitotta be hanem a TR4 ,TR5 trimmert állitgatta el. Kérdésem hogyan tudnám ezt vissza be állitani pontosan ? Nyugalmit be állotom az 35Ma körül van . A jó oldalon . Majd skopon nézek torzitást.
A TR4, és a TR5 az a kimeneti áram limiter beállítója.
Első körben egyszerű lenne beállítani, mert szinuszjellel ki kellene vezérelni klippelésig az erősítőt, leterhelni a kimenetet a minimálisan ajánlott terhelő impedancia 2/3-ával. Ez egy átlag PA hangszóró impedanciaminimuma a névleges értékhez képest. Minimum 4 Ohmos rendszerhez 2,7 Ohm. Addig állítgatni, amig a szkópon elkezd a szinusz csúcsa mind a két félhullámban egyformán belapulni. De ezt nem ajánlom. Kellene egy burst üzemű szinusz jel mondjuk olyan, ami 100ms ideig 1kHz-et ad, majd 1s ideig néma. A kimeneti jelet akár egy csúcsdetektorral egyenirányítva két multival be lehet lőni a limitálás kezdetét (1n4007+1uF). Ha a szkóp meg tud birkózni a burst jellel, akkor természetesen azt lehet használni. Azért kellene a burst jel, mert a folyamatos szinusz nem biztos hogy jót tenne sem a tápnak, sem a tranzisztoroknak.
Akkor, ha nincs javaslat (tanács) beforrasztom a végtranzisztorokat és primer köri (60W-os) izzóval bekapcsolom a készüléket, vagy működik, vagy nem alapon
.Nem kellene, hogy probléma legyen, azt hiszem minden alkatrészt kimértem, a hibásakat cseréltem. (Esetleg még is valami?) A hozzászólás módosítva: Nov 21, 2019
Elvileg meg kellene neki birkoznia mindenel.
Megerősítést szeretnék kérni.
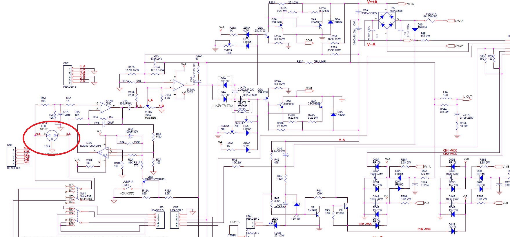
Az ábrán szereplő erősítő szimmetrikus bemenettel rendelkezik ugyebár. Ha aszimmetrikus jelforrásról táplálnám, akkor az XLR bekötése úgy néz ki, hogy az 1-3-at összekötöm és arra megy a jelkábel GND-je, a 2-esre a jelvezeték "meleg" pontját? A hozzászólás módosítva: Nov 22, 2019
Szia!
Igen, így teszed aszimmetrikussá a szimmetrikus bemenetet.
Köszi!
24V-os ventillátort szeretnék szabályozni. (PC ventillátor)
A fordulatszám egy érzékelő által mért hőmérséklettől függjön. Erősítőkbe szoktatok ilyet használni? 24V-os a ventillátor, és a tápegység is.
Sziasztok!
Valakinek nem volna meg a Reflex PA-200 típusu vègfok teljes kapcsolási rajza? Nagyon meg köszönnèm ha valaki fel tennè ide
Köszi! Baromi nagy hely van benne, tuti elfér. Egy táp panel kellene még, ami tud +-15V-ot meg persze ellátja a végfok panelt is.
Szia!
Sok minden közbejött, de megnéztem.. hát, ebben minden kaki... Inkább tennék bele egy lepróbált működő kapcsolást, amit ajánlottak is ITT Ehhez már csak egy táp panel kéne ami tud+-15V-ot is.
Miért nem használod a készülékben meglévő tápot?
Sziasztok!, látom ti nagyon tudjátok a végfokok rejtelmeit. Egy egyszerű kérdésem lenne csak a mesterekhez, hogy a különböző típusú végfokoknál mindegyiknél szükséges hangfalat vagyis terhelést rátenni a hangfal kimenetére vagy lehet terhelés nélkül is üzemeltetni? Pontosítva 4 hangfalas erősítőre lehet csak 2 hangfalat kötni? (pl. autóerősítők) , vagy lehet e 2 hangfalas erősítőre 1 hangfalat kötni ? Esetleg csak speciális végfokokat lehet így működtetni?, vagy mindegyiket lehet , mivel , ha nincs rajta hangfal , akkor majdnem végtelen ellenállás van rajta.
Szia! Egy jól megkonstruált végfok nyugodtan járatható terhelés nélkül is.
A nem jól megkonstruáltak képesek gerjedni, vagy tönkre teszik magukat a jelentős túlvezérléstől, amit hangszóró hiányában nem érzékelsz. Az autós erősítők jól bírják a terheletlen üzemet, de a túlvezérlés korlátlan eltűréséért nem tenném tűzbe a kezem. A hozzászólás módosítva: Nov 23, 2019
Sziasztok.
Tudna valaki ajanlani egy jó 200W-os végfok kapcsolast? Gondolom a fórumban találnék biztosan, de ezt a temérdek oldalt végigolvasgatni.... A doboz és a táp meg van már régóta (2x65V) Köszönöm!!!
Nem tudjuk mi az igény. ST151 2,3,4 pár végtranzisztorral terhelésnek megfelelően. Ez stabil könnyen beállítható szívós végfok. Van hozzá kész nyákterv is. Ott van még a VF sorozat. Azok viszont gondos beállítást követelnek.
Az Apex SR200 is ígéretes választás lehet. Kicsivel kidolgozottabb áramkör, de ha nem riadsz meg néhány SMD Alkatrész beültetésétől, akkor tudok hozzá professzionális paneleket adni. Egy külön fórumtémában is olvashatsz róla.
Mellékeltem nagyjából milyen a valóságban. Azért csak nagyjából, mert a képen a két panel a mérések megkönnyítése okán szét van tolva, de ezek pontosan egymás fölé illeszkednek. Illetve egy másik képet is csatoltam amin látod milyen mennyiségű 1206-os SMD-ről van szó (ha én be tudtam forrasztani, akkor mindenkinek sikerülnie kell).
Úgy 400W-ig nem nagyon tudok egyszerűbbet és olcsóbbat elképzelni a VF2-nél.
Miért feltétel az egyszerűség (gyakran említed, és sosem értem)?
Illetve ha egy áramkörben pl. 20 helyett 30 ellenállás, és 10 helyett 18 tranzisztor van, akkor az már bonyolultabb is?
Egyetértek. A több alkatrészből álló kapcsolások legtöbbször korrektebb felépítésűek, jobb hangúak. Beültetni meg csak egyszer kell és utána még sokáig élvezheted a hangját...
Folyamatos szabályozást szeretnél, vagy lépcsőzetest?
Azért a jobb hangúval vitatkoznék, de hát minek a vita, hallgassa mindenki azt ami Neki jó.
A trafó oké, de a stabilizátorok, egyenirányító, pufferkondi az rajta van a régi erősítő mainlapján.
Az korlátozza a táp használatát? Ami jó azt nem bontanám ki.
Úgy a main elfoglalja az egész belsőt szinte.
Mérd meg! Az alaplap felett is lehet.
Nem hinném, hogy a táp útban lenne. A hozzászólás módosítva: Nov 24, 2019
Inkabb vmi tranzisztoros megoldast szeretnek. Ez egy megepitwtt vegfok volt anno, csak most a panel hianyos. Sajnos mar nincs meg a rajzom hozza. Viszont van egy bika táp egy szép dobozban. Egyeniranyitoval és 2x20000mF kondenzatorral. Igy +-64V-om van. Ehhez keresnek valami tervet es beültetesi rajzot.
Köszi az infót, és ha biztosra akarok menni az erősítő épségét illetően milyen megoldást használjak hangfal helyett? tegyek rá 10w os ellenállást 4 vagy 8 ohmosat? vagy nagyobb ellenállásút? Van valamilyen általános megoldás ilyen esetekre különböző erősítő típusok esetén, vagy ez az ellenállás megoldás tönkre is teheti valamelyik típusú erősítőket, gondolok itt a tranzisztoros, fet-es, vagy csöves erősítőkre.
Ha többcsatornás erősítő kimenete terheletlen marad, akkor azért hallható a túlvezérlés a hangsugárzók valamelyikén. Arra ügyelj, hogy a balansz, vagy a feder ne legyen a hangszóró nélküli csatornán aránytalanul feltekerve.
A félvezetős erősítők kimenetén általában van Zobel-tag, vagy más néven Boucherot cella, ami stabilizálja a működést.
Kicseréltem minden hibás alkatrészt, a bemenet rövidre zárva, hangszóró nélkül, primerköri (60W) izzóval bekapcsoltam az erősítőt. Minden rendben lévőnek tűnt, izzó épp csak parázslott.
A bal oldali kimeneten 135mV a jobbon 30mV egyenfeszt mértem. Gondoltam a bal oldali egyenen majd még javítani kell, de a kipróbálásnak nincs akadája. A jobb oldalra hangszórót (sorosan egy 100 ohm-al) kötöttem, bemenetére jelet adtam. Megszólalt! Ez után kivettem a soros izzót és a soros ellenállást is a hangszóró elől. Így is működik, hurrá! Nézzük a másik csatornát: hangszórót átkötöttem a másik csatorna kimenetére, bemenetére jelet adtam, ez is megszólalt. Szólt egy darabig (kb.: 0,5W teljesítménnyel), mikor látom a másik terheletlen csatorna CLIP ledje felgyullad az előlapon. A biztosítékok nem égtek ki, viszont a csatorna végtranzisztorai zárlatba mentek át. Relooptól EZ: „A nem jól megkonstruáltak képesek gerjedni, vagy tönkre teszik magukat a jelentős túlvezérléstől, amit hangszóró hiányában nem érzékelsz.” Lehet ez az oka a végtranzisztoraim halálának ebben a kapcsolásban? A hozzászólás módosítva: Nov 25, 2019
|
Bejelentkezés
Hirdetés |







.








