Fórum témák
» Több friss téma |
Mielőtt kérdezel, a következő két dolgot ellenőrizd!
I. A helyes tápfeszültségek megléte.
II. A kimeneten van-e egyenfeszültség.
Élesztés.
Gyerekek!
Mióta zárja ki egyik a másikát? Szimpla/szimmetrikus szekunder. Nem kell elektromérnöki diploma hozzá, hogy egyikből a másikat csinálj! Mindent ne kelljen már a szátokba rágni! Azért ti is tanultatok fizikát, na meg :google: és tessék rákeresni. Ha ennyi minimális szakértelemmel nem rendelkeztek, hogy a viharban akartok egyáltalán építeni és, vagy javítani?
Ugyan miből gondolod hogy a kapcsolóüzemű táp rontja a minőséget? Egy 600W-os kapcsolótáp kijön kb 10 ezer Ft-ból és jóval kisebb feszültségeséseket produkál mint egy 50 Hz-es trafós táp. Én is TDA 7294-hez csináltam egy ilyet és bizony megtáltosodott tőle az erősítő, sokkal nagyobb a dinamikája mélytartományban, feszesebb, pontosabb hangja van mint a 300-as toroid trafóval és 2 x 65800 µF pufferral (28 db 4700 uF) pedig a kapcsolótápban "csak" 16 db 1000 µF-os puffer van, de egyébként 8 db-bal is jól szólt.
üdv
Megnéztem a trafódat. Jól néz ki,csak ahogy szabónagymester is írta ha alapvető dolgokat nem tudunk akkor hogy építsünk vagy javítsunk! Most ha én a Yamaha erősítőmet sem tudom megjavítani aminek kis gondja lehet. Akkor hogy a viharba építsek egy kapcsoló üzemű tápot és egy erősítőt. Ami azért sokkal bonyolultabb. Mondjuk van itthon 600mb írás elektrotechnikáról meg ilyen alapvető fogalmak meg stb, de akkor is. Ha már úgyis itt tartunk akkor leírom hogy mim van itthon erősítő építésére: Toroid vasmag kb 15cm es külső átmérő szóval elég nagy. Hűtőborda, kondenzátor olyan 94000 qF össz vissz,doboz az erősítőnek, meg sok kis ellenállásom meg van egy pár nagy teljesítmény ellenállásom is olyan 5-15w ig 20kohm os, Kondenzátor is akad ilyen számítógép tápegységből kiszedett azok 220qF-500-qF ig vannak. Ebből kellene nekem egy 2x200w os erősítő összehoznom főleg subbnak.Jah és koppanás védelem kellene még bele. Ezt az erősítőt használtan gyáriba megkapom 30-ezerből,(sőt jobbat) Nekem megérné ennyi alkatrésszel bele fognom? Jah amit még nem írtam van ilyen kis gépen állvánnyal nyákfúrásra meg egy uv-s ledekből épített nyáklevilágító amit még az életbe ki nem próbáltak hogy tényleg megköti-e a lakott vagy sem. A cuccok nagy része am nem az enyém de ha csak úgyis áll benne a pénz ne csak a helyet foglalja...
Erre a legegyszerűbb megoldás, összeszeded minden ami a tied, eladod, és ha van rá pénzed, már 30 000HUF-ért elég klassz keskeny szériás rack erősítőket kapsz.
Teljesítmény vs. hangerő. Gyerekek, a Decibel fogalmáról mint olyanról hallottatok-e már? Nem, nem az a bizonyos telefonos bácsi cseppfolyós kiszerelése! Van ám egy hangszórónak a watt, és ellenállás értékén kívül, még egy olyan csúúúúúúnyaaaaaaa villamos paramétere, hogy dB. Na meg van még Qts, meg Vs, meg különböző frekvenciák, mint nyílttéri frekvencia, stb... Mindnek a betűjelére nem emlékszem, mert már rég foglalkoztam ezzel a dologgal. Nos ez a csúúúúúúúúúúnyaaaaaaaa dB fontosabb mint az a hőn imádott, nagy kedvenc W. Dobj össze mondjuk, vagy rendelj kitt-ben, a többlet költséget visszanyered az időben, (nem kell nyáktervezéssel sz***akodni, és a tervezési hibák kizárva, mert bevizsgált, garantáltan működő áramkörök), és talán vegyél hozzá egy 91dB, Uram bocsájtsd meg nagy igényeim, 96dB érzékenységű hangsugárzót. Hűűűűű az anyjátNémáááááááááá !.....!(sok, sok felkiáltó jel) alig szól félhangerőn, 16 cm átmérőjű hangszóró, de a falat bontja.
Bocsánat a csúnya szóért! Elvonulok egy sötét sarokba, és elszégyenlem magam!
(#414277) folt.köv.
Tehát, 1w teljesítmény az 1 méteren mért, 1dB hangnyomás. Dobálózunk itt wattokkal, és az "senkinek" nem merül fel, hogy hatásfokot nem csak tranzisztor cserével lehet elérni, hanem egy jobb hangszóróval is. Mert hiába 100W az erősítő, 100W-ott nem tudsz ki venni belőle, egy 86, 82dB-el somogyival. Ebből adódóan csak a teljesítmény 86, 82%-át csak. Ebből adódóan, egy kommerszebb gyári erősítő is csodásan fog muzsikálni.
Sok szó esett a napokban a hangsugárzók ellenállás értékéről.
Azt érdemes tudni, hogy a hangszóró nem egyenáramú villamos készülék, és inkább fogható fel induktivitásnak, mint ellenállásnak. Ha megméred a hangszóró ellenállását, azt dc-vel méred. Váltakozó áramú "ellenállást" meg rezisztenciának nevezzük. Ami több érték függvényéből adódik. Egy hangszóró villamos helyettesítője, egy soros ellenállás, és induktivitás (tekercs). A tekercs váltóáramon különböző frekvenciákon, más ellenállási értéket mutat. Épp ezen az elven működnek a köznyelven, hangváltó, keresztváltó néven ismert, sávszűrők. A tekercs villamos értékétől és az áramköri helyzetétől függően jelent rövid zárat, vagy szakadást az adott hangfrekvenciára. Ezért ma délelőtt jutott az az eszembe, hogy, mi lenne, ha valós ellenállással kínoznánk meg a kicsikét. (erősítődet) Feladat a következő: keríts egy bivaly teljesítményű, >/=10W teljesítményű, 4ohm értékű ellenállást. Ha nagyobb teljesítményű még jobb! Azt kösd be a hangszórók helyére. A lámpa maradhat, ha be kötötted, ha nem az sem, baj ez esetben, mert a műterhelés nem teszi tönkre elvileg. Kezd terhelni fokozatosan az erősítőt, és figyeld, megszólal-e a védelem. (megszólal, nem fonetikusan értve! Hanem lekapcsol-e?) Ha minden szép és jó, a védelem nem pofázik közbe, akkor bizony a hangszóróiddal lehet "gond". Baromi kicsi rá a lehetőség, de nem kizárt, hogy egy adott teljesítményen, adott frekin, a hangszóród olyan ellenállás érték alá esik, mit nem szeret a végfok. Ha módod van rá, próbáld ki több 8ohmos dobozzal is.
Igen hát ez nem hülyeség gondoltam én is rá hogy eladom! Talán jó pénzt is adnának érte kondik plusz a végfokok vadi ujj mind..
A Db-ről halottam már valamit.... Az erősítőnek nem tudom hogy van ez az értéke ezen sosem gondolkoztam el. Én úgy tudtam hogy ugye a hsz-nak van az érzékenysége 1m-en mérik 1w-al és ezt a paramétert adják meg pl 91db 1W/M akkor a hangszóró 2w on tud 94Db 4w on tud 97db 8w 100Db és így tovább még el nem érjük a hangszóróra írt megengedett Wattot pl 300/150w-os hsz-nak a 150w 75% kell venni nagyjából és azt el fogja viselni zene csúcsokban is. Qts érték az meg azt határozza meg hogy a hangszórót milyen dobozba lehet bele szerelni 0,4Qts fölött alkalmatlan reflexbe. Vas: ez nem tutira biztos,azt határozza meg hogy a hsz milyen méretű dobozba kell tenni hány literesbe. ezeken felül akad még vagy 10 paraméter. Thell small nak hívják nem pontosan így írják de ilyesmi.ts paraméterek ami nélkül egy hsz mit sem ér. A 96db érzékenységű hangsugárzót már meg vettem és most nyáron megveszem a párját is.. Ha a világválság miatt nem kerül 50ezerbe. Mint már előbbiekben említettem Eminence Kappa 15lf-el jelentkezett elsőnek az erősítőm gondja(és az a hangszóró nem ép a rossz érzékenységéről híres) Főleg nem 2,2m X 40x96cm es dupla w tölcsérű hangfalban. Sebaj majd akkor nyáron megveszem az erősítőt kompletten limiterrel koppanás védelemmel hővédelemmel rövidzár védelemmel és slussz passz. Csak az a baj hogy amiért eredetileg a fórumba írtam az úgyanúgy megoldatlan maradt. Bár ha elviszem egy szerelőhöz a kapcsolási rajzával együtt az már lehetséges hogy személyesen tud mit kezdeni vele mert így fórumon távjavítást mint már mondtátok nem lehet kivitelezni. Csak azt tudnám még hogy mi a francnak kerestettétek velem meg a kapcsolási rajzot az erősítőnek ha az alapján se tud senki segíteni,mert nekem aztán az ami rajta van az kínai. A vége nem szabónagymesternek szólt hanem annak akí kérte a rajzot!
Jah ha már a sok okosságról van szó itt a fórumban bizonyára mindenki jobban érti az erősítő működését mint én. Sokszor felmerült már az erősítő munkapontja probléma amit bátyám is mondott hogy nehéz belőni. Az erősítő munkapontja az mit jelent bővebben?
A válasz vagy ide a fórumba jöjjön hogy más is lássa majd valamikor vagy:hammer14@freemail.hu köszönöm
Van pü (privát üzenet) is. Nem szükséges az email. Idézet: „Jah ha már a sok okosságról van szó itt a fórumban bizonyára mindenki jobban érti az erősítő működését mint én.” Nem azért okoskodunk, hogy verjük a mellünket! Hanem mert az olyan kezdőknek szeretnénk segíteni, mint te is pl. És a sok okosságot ha megjegyzed, olvasod többször, te is érteni fogsz hozzá. Ez előtt egy pár éve én sem értettem miért harapják le a fejem. PH-n, másik fórum. (Remélem nem szabály szegés ha mozaik szóban utalok rá, nem reklám gyanánt teszem!) Kérdeztem és állítottam oly vad dolgokat. sok esetbe elég ám, ha elkezded olvasni az elejétől a fórumot, mint hogy rögtön bereggelsz, és kérdezel bele a nagy világba. Mint, hogy ez szakmai fórum, tételezzük fel, hogy akik kérdeznek, rendelkeznek némi szakértelemmel. Sajnos a világ nem ilyen idealisztikus. De ha kérdést teszel fel, amihez szintén kell egy szakmai tudás, hogy tudd miről és mit kérdezz, és ahhoz is kell szakmai tudás, hogy meg is értsd a választ. Ehhez nem kell okj-s bizonyítvány, mert ha sokat olvasgatod a fórumot, akkor meg fogod tanúlni a szükséges fogalmakat. A többi meg úgy is tapasztalat.
Idézet: „Az erősítő munkapontja az mit jelent bővebben?” Tanúld meg használni a fórumot! :yes: Munkapont
NE DÜHÖNGJ!
És igen is én is kértem a rajzot, és szamóca is átértékelte. Csak sajna elég kusza rajz, nehéz így kibogozni gépen. Ha jó fajta hangdobozzal jelentkezett a baj, akkor cseréld rosszabb típusra. Lehet mégis az a "baj" amit írtam, hogy nagyobb az érzékenysége a hangszórónak, adott teljesítmény felett olyan paramétereket mutat, mit az erőlködőd nem szeret. Csináld meg a műterheléses vizsgálatot! Annak ki kell hogy adja a hibát, már ha hibás tényleg, és nem a hangszórót nem szereti. 96dB-es hangszórókat csövesekhez szokás kapcsolni, mert relatíve kis teljesítményűek, nagyobb kimenő ellenállásúak, és ezért van hogy 2ohm 96dB-es hangszórót kötnek rá, és azért szól olyat mint egy ágyú, és úgy mint egy álom.
Az jó ha legalább ránézett valaki a rajzra!
Amúgy jó,megtanulom használni a fórumot. Tényleg nem gondoltam hogy ezt már valaki leírta úgyhogy mindjárt megnézem a lexikont amit küldtél! És igen próbáltam Sal hsz-val azaz csak azzal szólt volna ha szólna! Műterhelésnek használtam egy hősugárzó fűtőszálat és akkor megjavult ez a lekapcsolósdi mindig! Azaz arrébb tolódik az egész határérték. Az eminencnél olyan 4ohm os ellenállásnál pluszba már nem volt gond de mit érek vele ha az erősítőm még többet fűt? Fűteni tudok mással is nem csendbe akarok ülni a melegbe hanem inkább a hidegbe hangos zenével. Egyébként már sokszor leírtam de még egyszer leírom hogy vmi elfáradhatott az erősítőbe azért kell egyik napról a másikra nagyobb műterhelést rákötni. Lassan már majd úgy hallgatom hogy a hangfal meg egy 32ohmos ellenállás és cirpog a mély láda. szerintem ha jó lenne az ami most nem jó benne az eminencének is rendesen szólni kéne vele meg a somogyinak is de most egyik sem szól rendesen mielőtt valaki azt hinné. Ha rákötök egy sokat kajáló hangfalat már kapcsol is lefele.
Nos...építeni csak akkor éri meg, ha minőségi munkát tudsz végezni, tehát kened-vágod a témát, nagy gyakorlattal rendelkezel, megvan minden szerszámod, műszered és a használatuk sem okoz problémát. Ha ezen alapdolgok bármelyike hiányos, akkor jobban jársz egy jól megválasztott használt cuccal (pl: DJ börze)
Ha viszont a hiányosságok tudatában mégis belevágsz az építésbe, azzal valószínűleg tanulópénzt fizetsz, egyúttal jelentős tapasztalatot is szerzel (ha közben fel nem adod) és közelebb leszel ahoz, hogy majd egyszer sikerüljön meghaladnod egy gyári erősítő minőségét. Ebben neked kell dönteni, de ha hangosítani akarsz és fontos számodra a használati érték, akkor inkább vásárolj, ha viszont tanulni, tapasztalni akarsz és kreatív élményekre vágysz akkor építs! Itt mindig találsz segítőket
A dj börzén szoktam amúgy én is nézelődni ! Csak sajna iskola időszakba szó szerint csak nézelődök.Nyáron ha elmegyek dolgozni akkor tuti egy olyan castonra gondoltam vagy T-amp-ra.
Hát magát az építést azt szeretem hangfalat is rendszeresen szoktam elkezdtem az elsőt13 évesen az sikerült is azóta is hallgatom! Akkor fórumokról beszereztem infókat,okosodtam meg gazdagodtam akkor építettem meg a rutsche ládáimat a sal hsz val- és tavaly nyáron sikerült befejeznem az egyik elég bonyolult rendszerű hangfalat.Garry fórumon a nagy hangosítók is dicsérik szóval nem lehet rossz.. akit érdekel esetleg(nagyágyú)-néven fut. húúh nagyon elkanyarodtam az eredeti témától,bocs szamóca. Ha az stk-ic s erősítőt be akarom fejezni akkor valószinű előtte minimum 2 egyszerűt kell építenem ami olcsó alkatrészeből ad tapasztalatot. De hogy azokkal mit csinálok... ha egy 2x100w-ost csinálnék esetleg azt már tudnám mire használni. Na kimegyek a fészerbe megnézem milyen trafóm van
Épits mondjuk TDA 7294 hidat. Mostanában én is ilyenekkel szórakozok.Nagyon hálás kis cucc és egyszerű mint egy fadarab
Hello!
Idézet: „Csak azt tudnám még hogy mi a francnak kerestettétek velem meg a kapcsolási rajzot az erősítőnek ha az alapján se tud senki segíteni,mert nekem aztán az ami rajta van az kínai.” Már bocs, de próbáltam követni ezt a "szómenés áradatot", de képtelen voltam. (Pedig jómagam sem vagyok valami szűkszavú) Így aztán fogalmam sem volt hova lyukadtok ki. Amúgy én megnéztem a rajzot. Így a gépen elég áttekinthetetlen (ráadásul fel is van darabolva) Nem tudom mire mentél azzal a szétrepedt ellenállásokkal. Mert ha azok tényleg a végtranyók emitter ellenállásai, akkor igen közel vagy a megoldáshoz. Így első ránézésre a végfok áramterhelését az ellenálláson eső feszültség figyelésével egy tranyó végzi, és ez megy a védelem felé. Ha ez az ellenállás "megnyúlik" akkor a korlátozás sokkal hamarabb létrejön és a végfok lekapcsolódik. üdv és további jó csevegést! proli007
Kérem hogy a topik témájával kapcsolatos kérdések, és válaszok jelenjenek meg az elkövetkezőkben! A stíluson pedig lehet visszavenni, ellenkező esetben a következő ilyen beírást díjazom!
Nem mindenki van egy tudásszinten, ezt meg kell érteni, és higgadtan, értelmesen kell segítő választ adni. A trágárság pedig semmilyen formában nincs itt megtűrve!
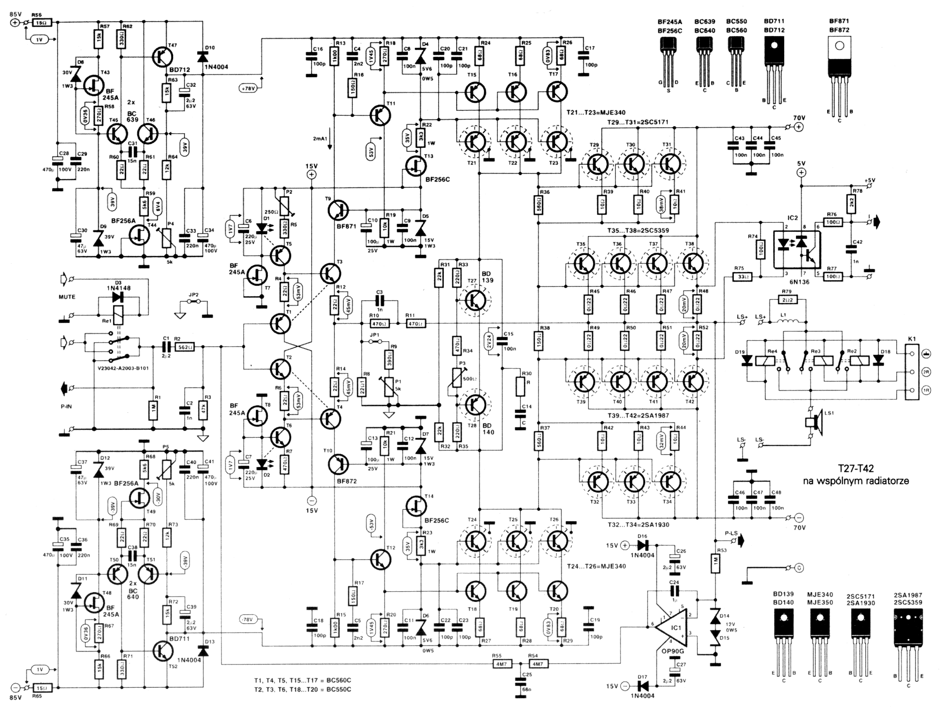
ez az erősítő működőképes?és ha igen mennyit adhat le?
Köszönöm a fáradozást neked is!
Nos csak egy nagy van megrepedve egy 1,2kohmJ azaz ez van ráírva. Ahogy le akartam törölni a portol le is eset egy darab a külső szigetelő borításáról. De a műszer szerint jó azaz hidegen jó. Derült égből villámcsapás... Beüzemeltem az erősítőt úgy hogy nem raktam rá a tetejét meg az alját hogy ha meghajtom gondoltam az az alkatrész amelyik nem jó veszélyesen forró lesz vagy valami. Hát ilyet nem találtam. De nem hogy ilyet nem az erősítő sem kapcsolt le csak legelősnek ahogy feltekertem lekapcsolt egy pillanatra majd vissza és kész végig szólt már azért vettem vissza mert fájt a fejem a basszustól. Szerintem beijedt tőlem ahogy látta a kezembe a csavarhúzót és ahogy szétbuhertam az egészet meggondolta magát... Ettől független még tudom hogy nem jó. Csak fél Még vmi biztonságos kikapcsolás és kihúzás után fogdosnom a nyákot ? Nehogy a puffer megpuffereljen.
Ez egy erőmű, és kész alkatrész temető!
Saccra nézve a párhuzamosított végfokozatot, min 500W biztos. Már maga ha 3/- 85V-ot vesszük alapul.
Ha magas a tápfesz a készülékedben, akkor a táprész környékén nemkéne nyulkálni. Megtud csipni, esetleg rázni ha még van a pufferekben áram. Már tapaszlatam. jól meg is ilyedtem.
4ohmra egy erős tápegységgel 500-550W között.
De nem amatőrök első produktumaként ajánlott.
Az nem fog megpufferelni.
Nos az hogy orjára bontottad a masinát, és nem hozza a hibát, lehet hogy elégtelen hűtés miatt old le összerakva. Így kiterítve jobban tud szellőzni, ezáltal hűlni. Ne feledd!-nagy érzékenységű hangszóróval terheled, olyan mintha légüres térben szaladgálnál. Talán kicsit erején felül teljesít, és ezért old le. Rakd össze, és rakj mögé, felé egy 12cm pc ventilátort, az erősítőnek meg pakolj alá úgy, hogy jól járja a levegő az alját. Ha a hibát nem hozza, akkor melege volt szegénykének. Az ellenállást mindenképp cseréld ki, sosem jó, ha egy hibás alkatrész van egy készülékben!
Azt nem mertem már a hsz-em végére írni, hogy ki mer egy ilyenhez hozzáfogni.
Azért nem piskóta kis játékszer! Ráadásul szinte az egész dc csatolt....egy mindenkiért, mindenki egyért. Egy elszáll, döglik az egész. Quad-ban láttam már rá példát. Szép barna volt a beültetési oldal, meg fura árnyalatuk az ellenállásoknak.
Tök jó hogy a fele hozzászólást észre sem vettem!
Olyat tudok csinálni hogy fűtőszálból tekerek ellenállást műszerrel lemérem és sac/kb akkor az olyan lesz. Biztos hogy 4ohm-os ra gondoltál? Az kinyírja az erősítőt mert 8-ohm-os.. vagy valami it most akkor nem világos nekem.(ki hinné )
Feldobok már én is egy új témát.
Már az előbbiekben mondtam, hogy zenére alszok el. De nem csak ezzel függ össze a dolog, hanem ha nem tudok az erősítő közelében lenni, akkor ki kapcsoljon magától. Első verzió, hogy egy időzítővel megoldom. Ezzel nincs is különösebb nehézség. A másik már őrültebb ötlet. Egy elektronika figyelné a bemenetet, és ha mondjuk 5 percig nem kerül jel a bemenetekre, akkor kikapcsol az erősítő. Ez utóbbi szellemes, kis idétlen ötletemre mit mondotok azon felül, hogy forduljak orvoshoz. Építő ötleteteket előre is köszönöm!
PC ventilátoros hűtés volt eddig is ha tartósan hallgattam bedugtam az adaptert a ventilátor meg rá van csavarozva 2 pici csavarral az erősítő szellőzőjére és szívásra van állítva! Alul a végfoknál van szellőzés és a hűtőbordáról szívja a venti a levegőt! Házi buliba meg főleg ment a világítós ventilátor hogy ha valamelyik részeg kihúzná akkor meglássam.
Én nem értem már megint vagy még mindig! A sal autós hangszóró az most egyik hozzászólásnál érzéketlen másiknál érzékeny? Az eminece csodát rá se merem rakni mióta rossz. Egyébként most össze van úgy ahogy rakva! A végfokot megtapiztam 10 perc zene hallgatás után 95%-on ventilátor nélkül és az A oldalé az langyos volt a B meg még langyosabb mert az ki van kapcsolva. Az ellenállást kicserélem benne,azaz azt ami hiányos, ha holnap kapok bele. Bocsánat ha esetleg csúnyát írtam valahol szamóca! Csak magyar vagyok...
Hello!
Én nem hallgatnám hangszóróval. Pontosabban egy műterhelést tennék rá, plusz egy 100-ohm-on keresztül egy hangszórót. Akkor hallanád is mit csinál és nem őrülnél meg a hangtól. (Szegény ember műterhelése, egy 2kW-os fűtőtest is lehet, közel 8ohm) Tudom, hogy ennek nincsenek reaktáns elemei, de a semminél még is jobb lehet. Aztán "tapizás" helyett mérni is lehetne. De előfordulhat, hogy pont nem a hűtőbordán lévő alkatrészek melegednek, hanem egy rossz forrasztás - kötés... Ezt úgy is fel lehet néha deríteni, ha az asszony (ha van ilyen) "tekergetős" kis hajszárítójával közelről fel lehet tüzelni a cuccokat. Csak óvatosan, mert meg is lehet pusztítani vele, főleg a tranyókat és az elkókat. üdv! proli007 |
Bejelentkezés
Hirdetés |




Nem mindenki van egy tudásszinten, ezt meg kell érteni, és higgadtan, értelmesen kell segítő választ adni. A trágárság pedig semmilyen formában nincs itt megtűrve! 
)
