Fórum témák
» Több friss téma |
Mielőtt kérdezel, a következő két dolgot ellenőrizd!
I. A helyes tápfeszültségek megléte.
II. A kimeneten van-e egyenfeszültség.
Élesztés.
Szia!
Multiméterrel sípoltasd össze a hűtőfelületet a lábakkal, úgy ahogy írtad. Amelyik lábnál sípol, azzal van összeköttetésben. A többi rád van bízva!
Egy lábbal sem sípol, viszont a "számok futkoznak" a multiméteren. Tehát olyan jellegű kapcsolatok vannak, mintha egy kondit mérnék. Egyébként adatlapban:
pin 3 - GND ground (signal) pin 7 - GND power ground 1 (substrate) pin 11 - GND2 power ground 2 (substrate) és elvileg a szubsztrát az az alap panel, ami a bordához ér. De mégsem sípol. Na mindegy, letesztelem élesben egy kis táppal
Ha nem sípol diódamérés állásban, akkor el van szigetelve. Ennyi!
Oké, köszi. (Egyébként régen, mintha fólia nélkül lett volna a bordán, úgy emlékszem). Csak azért nem mindegy, mert szigetelés nélkül sokkal hatékonyabb a kapcsolat a bordával
Köszi a válaszokat.
Ha van valakinek hangosításra való erősítő kapcs. rajza és panelterve is ossza meg legyenszíves. Köszönöm.
Szia! Én ezt az erősítőt sokszor megcsináltam! Kb 5 panelt el is a dj erősítőnek!
Beállítás: - A VR1-el a bemenő fokozat offset feszültségét lehet állítani. Célja, az erősítő kimeneti feszültségének nullára állítása. Kivezérlés nélkül, 0V egyenfeszültséget kel VR1-el beállítani. - A VR2-vel a végfokozat nyugalmi áram értékét. Ezt addig kell növelni, míg a keresztezési torzítás minimálisra nem csökken. Mérés módja, hogy kis értékű 20kHz-es szinuszjelet kell a bemenetre adni. (mondjuk, hogy a kimeneti teljesítmény csak kb. 1W legyen) Így a kimenetet szkóppal vizsgálva, a torzítás mértéke láthatóvá válik. (A mérést úgy kel kezdeni, hogy a VR2 csúszkája maximálisan az R13 felé van tekerve. A mérés végeztével meg kell mérni az R31-R33-on eső feszültséget és kiszámolni a munkaponti áramot. Felmelegedett erősítő mellett.) Ez nálam kb 70-100 mA volt
Csá.
Új kérdésem lenne: Autóba kellene 2x60Wos erősítő. MP3 mas hajtaná meg. Előerősítő nélkül bár tudom nem a legjobb, de VÁLSÁG van gyerekek Szoal kellene egy ic ami aránylag olcsó 13-14V ról működjön. Ha lehet minnél egyszerűbb legyen a kialakítása gondolok most arra, hogy nem kell stand by meg mute lábak vagy, ha van is ne keljen külön feszültség csak max 1-2 ellenálláson kerestül a táprakötni... Meg ami még nagyon nagy pozitívum lenne: minnél kevesebb lábbbal(a 15 láb már sok), mert a végén nem tudom megtervezni a nyákot vagy rrendesen beforrasztani Tda előnyben. Sztereo ic előnyben. Kevés alkatrész előnyben. Hát kb ennyi. Gondolom van köztetek aki nagy gyakorlattal rendelkezik az autó erősítőknél és már kapásból tud néhány megfelelőt. Nem fontos, hogy pontosan a leirtak szerint legyen. És végül néhány kép a TDA 7265 ös végfokomról amit ma raktam össze, kicsit gagyi de egy gépésztől nem is rosz Üdv.
14V-ról, 2x 60W ? Ez még 2 Ohm -ra se nagyon jönne össze. Itt már inkább a kapcsolóüzemű tápon kéne először gondolkodni, aztán a végfokon. Ha tudnál csinálni egy +/- 40V -os tápot, az jó lenne pl TDA 7294 -hez.
14V-ról nem fog összejönni a kívánt teljesítmény.
Válság id válság oda! Ezt próbáld ki!
Elvileg 100W Olcsó több az alkatrész de jó!
Tápegység ehez is kell és nem is olyan olcsó.
Csak jót akartam!
Volt valahol egy tda ic-s is sztereó kb 75 w ami szimpla aksiról megy, de nem találom.
Szimmetrikus táp kell neki, ránézésre kb +/- 30-40V os.
Oké, én elhiszem.
Ha csatornánként 30W/4 Ohm (R.M.S) fölé akarunk menni, akkor építeni kell egy jó kis kapcsolótápot és megnyílik előttünk a világ. Akkor már számtalan lehetőség közül választhatunk
Biztos igazad van! Én amatör vagyok csak szeretek segíteni és okoskodni!
![]() Azért remélem nincs harag?! Közben megtaláltam! Csak 55W tévedtem! Megint! Mintaképek! Megvan minden kéritek? pcb sch brd stb.
Igen, ez még egy jó alternatíva lehet.
Bár nem a legolcsóbb, de cserébe egy kicsit hangosabb lehet mint az átlag autórádiók.
Ez így igaz :yes:
Spórolásból nem érdemes építeni szinte semmit
Szia !
Tudsz errő az erősítőről kapcsolási rajzot és nyákrajzot küldeni? Sajnos szkópom nincs a beállításhoz.
Szia! Ő nem erre gondolt! Hanem a 200W-osra
sziasztok, hogyan lehet meg oldani ,hogy egy autoradio hangszoró kijövetelét,egy másik autorádionak, bemeneti jelé alakitani,hogy erösitőként használhassam.
Sziasztok!
Van egy 50 wattos végfokom és van egy ládám amibe 2 30centis tányér megy. A következő a gond múltkor leégett a két tányér (rft 12.5wattosak voltak) akarok a ládába új hangszórót tenni. Van két lehetőségem: 1. egy hangosítási célra tervezett monacor kb. 800 W 2. két Videoton 150 W hangszóró A kérdés a következő: Szerintetek melyik hangszórókkal tudnék nagyobb hangerőt elérni torzítás hallható nélkül. (tudom hogy nem a legjobb megoldás de erre van keret) A válaszokat előre is köszönöm.
Azzal amelyiknek nagyobb az érzékenysége.
Itt megrendelheted :
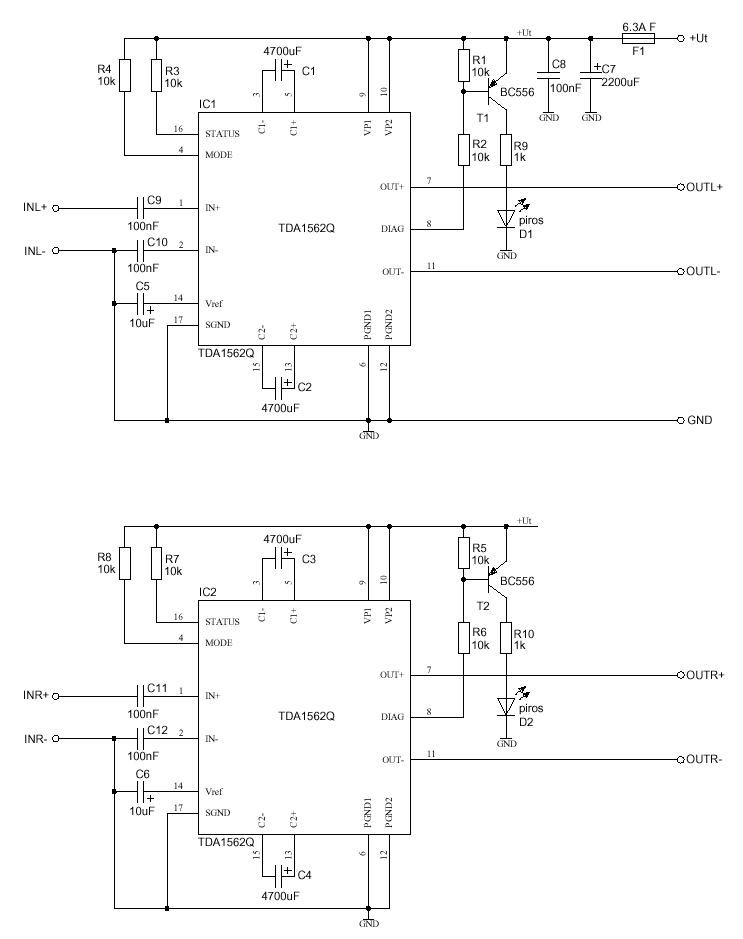
70W-os erősítő autóba TDA1562 14V-ról kb 60W körüli teljesítmény, egyszeű, kevés alkatrésszel.
köszi akkor a monacor mert az 98 dB míg a Videoton az csak 90
Elég bika.
De mivel többen mondták, hogy kb 30W csatornánként utána kell valami tápot késziteni, ezért 2x 30W ra csökkent a kritérium. Nah most legyetek okosak Szóval: 2x30W kevés lábbal... ne tul sok alkatrész és csak az autóban lévő 12-14V áll rendelkezésre. Ennyi, ha valaki tud jót mutatni és olcsót az irja ide... Kösz.
Szia !
Na ezt építettem meg én is. Sajnos szkópom nincs a beállításhoz tudsz egy szkóp nélküli módszert is mondani? Megszólaltattam csak az a baj vele hogy a - ágban levő 100 uf/63-as kondi egy idő után elszáll. Segítségedet kérném ebben a dologban. Mennyire nyúzható ez az erősítő, illetve hogy lehetne egy kicsit tuningolni rajta? Itt vannak a képek róla. Köszi.
Piros festékkel "összekent" L profil? Nem a legjobb ötlet. Ha már mindenképpen festeni akarod, akkor ragaszd le azokat a részeket, ahol "csatlakzik", majd festés után szedd le a ragsztót. Így helyileg fémtiszta marad.
Nyugodtan építsd meg ezt a tda1562-t, de ne kitete vegyél mert az 3x olyan drága. 2300 ft-ért kapsz íc-t, és ez a 70 watt mese.
Én most csináltam 2x15 wattot egy tda ic-vel, ami 800 ft és csak 5 db alkatrész kell hozzá, és nagyon hangos. szkóp nem kell hozzá, 6-18-ig lehet hajtani egyes táppal. Vagy aksival Egy házibuliban is megállja a helyét, pedig a jel amit adtam neki 150 mV csúcsokban. Merem ajánlani |
Bejelentkezés
Hirdetés |






















