Fórum témák
» Több friss téma |
Mielőtt kérdezel, a következő két dolgot ellenőrizd!
I. A helyes tápfeszültségek megléte.
II. A kimeneten van-e egyenfeszültség.
Élesztés.
Idézet: Vidd el szervízbe. „Ennek a készülék megjavításához kérnék némi tanácsot.”
Ezt így csak kapcsolótranyónak használod, szirénához, impulzushoz, reléhez lehet így használni, de zenéhez rendes erősítőt kell építeni. Bár azt is lehet 1 tranyóval... Bővebben: Link
Szia!
Köszönöm szépen a segítséget! Az a gond, hogy nem tudom letölteni, mert regizni kell és csak meghívásos alapon lehet regisztrálni. Ha letrudnád tölteni nekem és ide berakni, azt megköszönném. üdv szabi
Ha helyesen kitöltöd a tesztet, regisztrálhatsz, én is így tettem: Bővebben: Link
Szerintem napi kettőt le tudsz tölteni reg nélkül is...
Ez biztos ugyan az mint ami neki van?
Neki nem ilyen van? Itt a link: Bővebben: Link Mert ha azért kérte a képet hogy kép alapján tegye össze akkor nem egyezik sz.tem, de javítsatok ki ha tévednék
Idézet: „sziasztok egy olyan kérésem lenne hogy akinek van működő TDA7294 es erősítője tudna e a már kész nyákról képet küldeni előre is kössz” Működik és kész is van. Nem írta, hogy arról küldjünk amit ő megcsinált. Na mindegy, de javítsatok ki ha tévedek.
Igazad van, de ő biztos olyanra gondolt ami neki van, csak nem írta
Jó.....
Olyanom nincs.
Sziasztok! Lenne egy kérdésem. Az erősítőmet hajtó toroid transzformátor primer oldalán 3 vezeték jön ki. Kettő piros és egy vékony zöldsárga. A rajta levő cimkén az áll hogy a zöldsárga árnyékolás. A kérdés az, hogy nekem most akkor 3 eres tápkábel kell és ez a földelésre kell kötni vagy csak egy sima kéteres vezetéket kötök be és üresen hagyom ezt a vezetéket?
Ha jól tudom erősítőket nem szoktak leföldelni. Választ előre köszönöm.
Köszi szépen. Az egész áramkör testje alatt mit értesz? Kell még valamit rákötni a házra?
Világos minden. Akkor mehet bele a legtöbb erősítőben látott 2 eres sima villa dugós tápkábel. Köszi szépen.
Hát a trafó csak jól van szigetelve
. A 230-ra meg természetesen odafigyelek.
SZiasztok , egy Sanyo m 9922k kazettás magnónak milyen a ,végfok ic -meghajtása mert nincs benne semmilyen űres. A hején gondolom ,hogy valami LA.. dip 14 csomagolású ic lehetett , ezért kérnék segitcséget .
sziasztok , már rájöttem mért nem müködött a tda7294 es "sztereóban megépített nyák - szerintetek ? az volt a baj hogya fentebb emlitett linken ->Bővebben: Link a nyák kapcsolását ********* mivel nem hívták fel a figyelmet vagy eleve nem úgy alakították ki a fájlban levő képet hogy ezzel ne kelljen bajlódni ,nem tükrözték ! tehát csak tükrözni kellett és most remélem jó lesz - az ict ha el is füstöltem max veszek újat ijen erős erősítőm még úgy sem volt sosem
amúgy bocsi ha akadéskoskodó vagyok , de ha lehet erre ti is figyeljetek
:csodalk: Jó akkor majd figyelünk rá.
Utánna jártamjobban és, meg kaptam La 4135 az ic bocs.
Hi Mesterek.
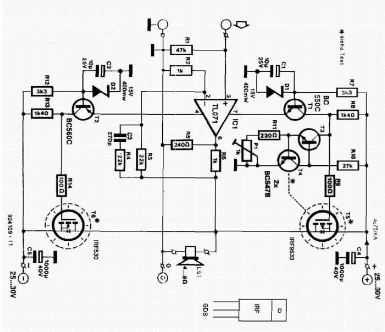
kérnék egy kis segítséget. Szóval lenne itt ez az erősítő, az lenne a kérdésem hogy milyen trafó kell hozzá? - három kivezetéses trafó:+25v, 0v -25V ? - két kimenetes trafót (25V), egyenirányítás után feszültségosztóval leveszem a 0/gnd? Vagy mi az a 2*25v? És hova mit kötök a kapcsolásra? Segítséget előre is köszönöm
A transzformátor (ez esetben reduktor) váltakozó feszültséget szolgáltat.
Az áramkörök azonban un. tápegyenfeszültséget igényelnek a működésükhöz. Ezért át kell alakítanunk, egyenirányítanunk kell. Ezt legegyszerűbben diódákkal tudjuk elvégezni, felhasználástól függően különböző kapcsolásban alkalmazva ezeket. Ez azonban még csak az egyenirányított frekvenciával arányos szaggatott egyenfeszültség, amit tárolókondenzátorral (puffer) simítunk. Alant látható egy kis segítség, nézegesd.
Konkrétabban, neked a 3 kivezetéses trafó kell és a "Two way simmetric" kapcsolású táp. A 2*25V ot úgy képzeld el, mintha fognál 2db ceruza elemet és sorba kötöd, az ugye 3V-ot szolgáltat, és a teteje a + az alja a test, nade, ha nem az aljára teszed a testet, hanem középről szeded le, akkor a testhez képest a teteje pozitivabb lesz az alja pedig negatívabb töltésű, és ebben az esetben nem 3V-od lesz hanem 2*1,5 azaz mi úgy mondjuk +-1,5 , vagy szimmetrikus táp. Erre azért van szükség erősítőknél, mert ugye létezik PNP és NPN tranzisztor, az egyik pozitiv a másik negatív feszültség hatására nyit, azaz működik, ezért szükség van egy GND-re (föld) és ettől pozitívabb és negatívabb tápfeszültségre az erősítőnek, hogy működni tudjon.
Üdv. Doncso
Pedig nehéz téged beelőzni....
Ok, köszönöm a válaszokat.
Engem az érdekelt hogy most 2*25v kell vagy csak 1*25v és azt osztom meg feszosztóval. Köszönöm a válaszokat és a segítséget.
Sziasztok!
Köszöntök mindenkit! Eddig még én nem írtam ide soha, de most úgy értem eljött az ideje! Segítséget szeretnék kérni: Olyan erősítő kapcsolási rajzot keresek, aminek az utolsó fokozatában csak N-FET-ek vannak és aránylag egyszerű. Lehet szimmetrikus és asszimmetrikus tápról működő is. "D" osztályút (PWM) szeretnék csak a hatásfok miatt, de "B" osztályú is lehet.. Olyat már találtam, hogy P- és N-FET-es, de az a baj, hogy nincs meg az NFET-emnek a P-s párja. Köszönöm előre is a segítséget!
Te olvasol egyáltalán, vagy csak becsukott szemmel gépeled a kérdéseidet?
Köszönöm megnézem.
Látom van itt egy pár... Köszönöm még egyszer!
Van még:Bővebben: Link
Szívesen!
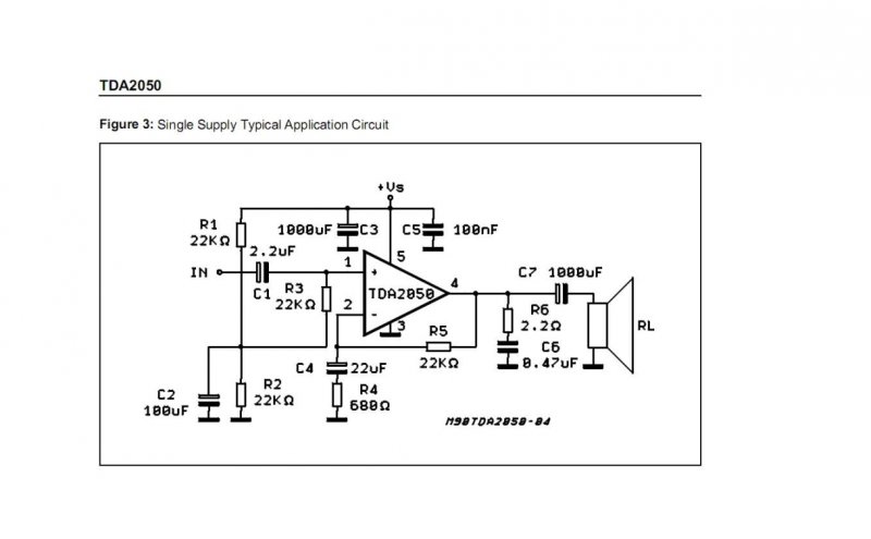
Keszitetem egy erositot megpedig TDA2050 nel (Fájlmellékletben a rajz) . Es nem tudom milyen okbol mikor rakotom a bemeneti jelet , nagyon elkezd zugni , es ha leveszem akkor már nem zug semit.
Mit tegyek ? Koszonom elore is a valaszokat. |
Bejelentkezés
Hirdetés |




Olyanom nincs.
. A 230-ra meg természetesen odafigyelek.
amúgy bocsi ha akadéskoskodó vagyok , de ha lehet erre ti is figyeljetek



