Fórum témák
» Több friss téma |
Mielőtt kérdezel, a következő két dolgot ellenőrizd!
I. A helyes tápfeszültségek megléte.
II. A kimeneten van-e egyenfeszültség.
Élesztés.
Ebbol eleg egyertelmunek tunik:http://www.electronicsky.go.ro/images/2x25w.gif
Sajnos nem működik, nem hallok semmiféle "zörgést" egyik oldalról sem.
Ha nem hallasz semmit valószínű a stand-by(4. láb) off állásban van.
És mivel tudnám ezt a lábat ON állásba kapcsolni? 12V? Egyáltalán melyik a 4. láb?
Kövesd végig adatlap alapján és húzd tápfeszre.
Szia!
Mellékeltem egy aktív hangváltót, a közelmúltban építettem meg. Nekem bevált, bár az eredeti nyákterven van két hiba. Ehhez tettem fel egy képet, amin bekarikáztam a javított hibákat. Én az eredeti rajzon levő panelról levettem a tápellátás és az RCA aljzatokat. A tápellátás külön panelt kapott, az RCA aljzatok meg a doboz hátlapjára kerültek.Bővebben: Link
A kép lemaradt
Hali!
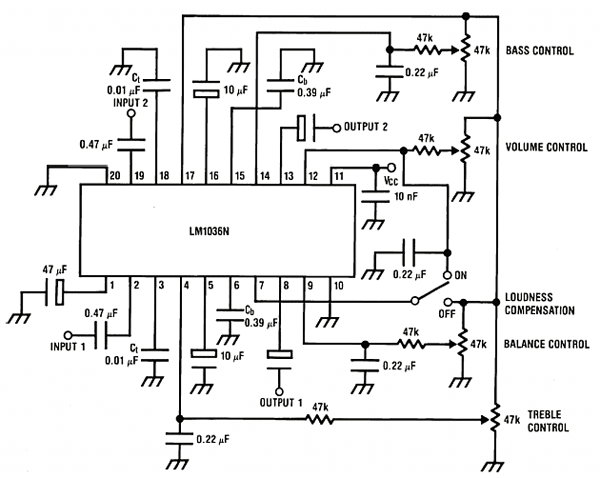
Az lenne a kérdésem, hogy a Quadomba tenném előfoknak ezt a kapcsolást: http://www.hobbielektronika.hu/kapcsolasok/files/topi_btc/bass-trem...ol.gif Láthatóan nem ugyan az ez az LM1036 bekötés bemeneti kondik értéke stb szempontjából, mint ez: http://www.hobbielektronika.hu/forum/files/55/558b76d7e843b07e68869...f1.jpg Viszont, szeretném ezt az NE5532-es műveletis előerősítőt megcsinálni hozzá. A fő kérdés az, hogy hozzá merjem-e kötni az NE5532 kimeneteit(azokkal a kondikkal amiket ír a rajz) az első linken levő kapcsolás bemenetéhez, változtatások nélkül, vagy meg ne merjem próbálni mert gondok lesznek igen nagyok? ![]() röviden:rajz
Hali! Az LM1036 bemenetére 1µF fólia kondit ajánlok.
A részleteket beszéljük meg itt.. Kérlek használd a válasz ablak LINK gomját, hogy ne kelljen másolgatni a hivatkozásaidat.
Sziasztok!
Most én nem értek valamit vagy valami nem jó. Építettem egy Clipp jelzőt az erősítőmhöz. Bővebben: Link Teljesen jól működik bár először azt hittem, hogy túl hamar villan fel a LED. Bízva a kapcsolás készítőjében nem ebben kerestem a hibát hanem az erősítőmben. Hamar rá is jöttem, hogy a clipp jelző teljesen jól működik. Teljesen mindegy, hogy milyen zenét hallgatok szkóp szerint 65V (cs-cs) körül clippel a kimenetem és e látható és hallható. Viszont a tápfesz +- között 76V. Mikor clippel akkor is csak 74V -ra esik vissza. Itt most akkor mi nem jó? Vagy mit értelmezek rosszul?
Szia! A 65Vp-p kimeneti feszültséget kevesled a 74V táphoz képest?
Lényegében igen.
A 74V ugye +- között mérve.
A tápoldalankénti 4,5V maradékfeszültség nem olyan veszélyes. Bassmester volt oly jó, és mérte a híd kapcsolást 4 ohm -mal terhelve. Ott az áramhatároló miatt 10-10V maradékfeszültség keletkezett. Az aztán a meddő teljesítmény.
Mint írtam, a clipjelző referencia feszültsége (ami az emitter ellenálláson mérhető) 5-8V körül megfelelő. Mint írtam nem kerestem hibát a clipp jelzőben teljesen jó Inkább újabb lendületet adott, hogy tovább vizsgáljam az erősítőm. (már rég készre szerettem volna szerelni, de jönnek az ötletek) Én naivan úgy gondolom, hogy 70V cs-cs nem kellene clippelni. +- ágban 20.000-20.000 µF kondi és 350VA toroid trafó. Többet várnék tőle....
Most értettelek meg. A végfokban az áramfigyelő ellenállásokon van egy feszültségesés, ehhez jön a - kapcsolás tulajdonságától függő - végtranzisztoron (feten) kialakuló legkisebb nyitó irányú feszültség. Minderre az esetleg működébe lépő áramkorlátozó teszi fel a koronát azzal, hogy az előbb említett feszültséget alulról korlátozza.
Amit szeretnél arra is van természetesen megoldás, a VF2 topicban találsz ilyen áramköröket. Amúgy a probléma csak számokban ilyen látványos, meghallgatás során ennek a pár voltnak a hiánya szinte észrevehetetlen. A témához vág még az az észrevétel, hogy a fül számára sokkal kellemetlenebb az a torzítás, mely az áramkorlátozó működébe lépésekor jön létre. Ezért is kísérletezek most a TDA7294 helyén párhuzamosan kapcsolt TDA7293-asokkal. Így az áramkorlátozó csak jóval a névleges impedancia alatti terheléstől léphet működésbe. Az erősítődet 8 ohm -mal ajánlom járatni.
Természetesen 8 ohm -ról jár a ketyere. Teljesen elégedett vagyok vele amúgy.
Főleg, ha figyelembe veszem a körülményeket: - Saját építésű hangláda - 2 utas és nincs hangváltó csak 2,2 µF leválasztó - SAL hangsugárzók - MNC reflex cső stb... Szóval csupa barkács, de óriásit szól és most a számokkal játszom. Ezek szerint fölöslegesen. Azért néha jobb lenne, ha a mély gyomorrázób lenne De ott meg már clippel.
A hiba az Ön készülékében van.
Nekem is vannak SBX2030-asaim, a hangjával együtt tudok élni, de az érzékenysége katasztrófálisan gyenge. Vidi dobozok vendégeskednek nálam, azzal nagyon tud a TDA muzsikálni, és az még mindig csak 92dB-es.
Sziasztok. Akkor elképzelhető hogy az első rajz szerinti megoldásban teljesen ki fogja hajtani a feszültségerősítő a feteket? Mert én a második rajz szerint építettem meg és 2x100 voltról csak 60 volt jött ki belőle (2volt a bemeneten, jelgenerátorral adtam neki jelet). Válaszokat előre is köszi.
Szia! Mindkét kapcsolás 30x -os erősítésű. A 60V-tal 4 ohm -on 900W teljesítményt kapsz.
Értem. Ahhoz hogy több jöjjön ki belőlő min kellene változtatni ? mert a fetek birnának ennél sokkal többet is. esetleg a visszacsatoló ellenállást cseréljem nagyobb étékűre?
Sziasztok. Ki tudna nekem segíteni TDA1562Q ügyben ? Mód választoról lenne szó vagyis a kérdés
Már nem tudsz sokkal többet kipréselni belőle. A jel csúcsa testhez képest 85V, a 100V táp is esik valamennyit. A maradék feszültség (áramgenerátor+meghajtó tranyó+Ugs) kb. 8V. Az a jelforrás ami tud 2V-ot megbirkózik 2,2V-tal is. Ennyi van a kapcsolásban, azért elég szép teljesítmény ez így is.
Szia! Az adatlap "DC CHARACTERISTICS" táblázatban vannak a feszültség értékek. 4,2V felett teljes értékben működik.
Szia. Hát nem tudom , nincs változás :S az emelő kondikon marad a 12V és nem változik semenyire sehonyse.
Mit szeretnél? Az nem derült ki a saját topicjában feltett kérdésből sem. Kérlek oda írj választ, figyelem a témát.
Sziasztok!! van egy erősítő panelom egy autós erősítőből!! és ki van benne 2 tranzisztor az lenne a kérdésem hogy 2SD718at helyettesíthetem e STPS30al?? Vagy rendeljek hozzá bele valót ?
Szia! Az 2SD718 beszerezhető, az ára sem vészes. Az STPS30 schottky egyenirányítóval nem tudod helyettesíteni.
|
Bejelentkezés
Hirdetés |












