Fórum témák
» Több friss téma |
Ez egy jlh class a - volt míg neki nem estem
Hát... 8 Ohmra nem bír a pozitív periódusokban áramot leadni...
Most kellene a Bootstrap. Nem véletlenül találták ki.
Nekem nem csinál ilyet 8kHz-en sem, meg afelett sem:
Persze, mert még csak 4V csúcsban a kimenő feszültség. (Kb. 1W a kimenő teljesítmény)
Hajtsd meg jobban. Kb. 1,5 V -tal. A hozzászólás módosítva: Jan 27, 2015
Mindegy, az nem is számít csak reloopnak csináltam torzítás-demót.
A darlingtonost próbálom most még tinázni, most tettem bele hagyományos áramgenerátort a bootstrap helyett, de nem jobb sem a torzítás, sem a kivezérelhetőség.
Inkább valami szimmetrikus topológiát tuningoljál (Texas, Hiraga, stb..) szerintem, hátha...
De nincs új a nap alatt, nem mi fogjuk feltalálni a spanyolviaszt... Amúgy is, a torzítás csak egy paraméter a sok közül és nem biztos, hogy a minimális torzításra optimalizált kapcsolás fog a legszebben szólni. Nekem a Texas mod -om, amit füleshez csináltam, 3x10-5 % THD -t produkál a Tinában. (Még megépítésre vár...) Vagy próbálkozz lineárisabb félvezetőkkel, pl. az elején J-FET -ekkel. A J201 -ekkel nagyon szép, meleg hangú erősítőket lehet építeni. A hozzászólás módosítva: Jan 27, 2015
Itt egy jFET bemenetű kapcsolás, érdemes lenne kipróbálni, ígéretesnek néz ki.
8 Ohm -ra a THD 1W -nál 0,00046%, 45W -nál (20Veff kimenő fesznél) 0,064%. (Tinában szimulálva...) A nyugalmi áram állító rész kicsit elnagyolt, azon még lehet finomítani, meg nem rajzoltam bele a rövidzár védelmet.
Szia! Szkóp helyett használd a tranziens analízist, 1% torzítás felett már egész jól látható mi is történik a szinusszal.
Nincs ezzel semmi baj, csak a max. kivezérlés közelében kezd laposodni a egyik félperiódus. De bootstrappel is ugyanaz a helyzet.
Nem akarok belekotyogni, de előbb utóbb eljutsz majd a HTA-ig.
Hallottam már a csövestől az A osztályún át sokféle végfokot, de mind közül ennek tetszett leginkább a hangja. A THD mérések nem állnak messze a valóságtól, beállítás kérdése, de 0,02% alá nem tudtam menni vele. A valóságban pedig 0,035%-ot mértem rajta, de nem ez a lényeg hanem hogy hogy szól.
Eljutottam én, csak még nem építettem... otthon ezek duruzsolnak nálam:
Na ehhez mit szólsz ? Elég egyszerű.
A tina file-t feltennéd ide nekem, ne kelljen berajzolnom ? Köszi!
Sőt, bipoláris véggel még egyszerűbben:
A hozzászólás módosítva: Jan 28, 2015
Nézd csak meg mennyire lecsökken az erősítés! Látom továbbléptél rajta
Ez a pozitív félperiódusoknál már gyengélkedik, látszik a Tina amplitudó mérési tartományán.
Egy hangszóró meghajtásához áram kell, ahhoz nem elég ekkora teljesítmény esetén három tranzisztor. Kell tartalék is. Nem feltétlenül a legkevesebb alkatrész fogja a legjobb eredményt adni. Ha megnézel több legendás hangú erősítő rajzot, nem feltélenül a minimalizmus fog elsőre szembetűnni, hanem a részletek precíz kidolgozása. Ott van pl. A Luxman LV-101 -ese... Van valami hihetetlen nyugalom a hangjában. Megnézed a rajzát... és szörnyethalsz. Nagyon bonyolult, részletekig finomítva... http://www.hobbielektronika.hu/forum/topic_post_1745063.html#1745063" target="_blank" >Ez a rajz nem kerülte el a figyelmedet? Sikerült vele még egy nagyságrenddel lejjebb menni a torzítással, csak a C3 jobb oldali lábát át kell kötni a kimenetre, meg MJ darlington párokat tettem bele. Szerintem még tuningolható, ez szinte elsőre ezt produkálta. A hozzászólás módosítva: Jan 28, 2015
Helló, azzal a borzasztóan bonyolult végfokkal nem szeretnék foglalkozni
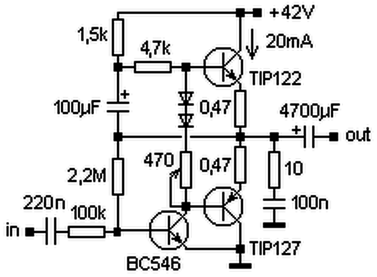
de azért köszi. Megnéztem az említett luxman rajzát is, durva. Én hiszek abban hogy sokkal kevesebb alkatrésszel és finomhangolással is el lehet érni kellően szép/kellemes/kifinomult/igényes hangot. A sors iróniája hogy ma átépítettem a kis darlingtonos végfokomat dual-mono helyett csak egy táp, az is csak 4700µF pufferrel egy sanda gyanú okán és mi lett ? Kellemesebb, lágyabb, nyugodtabb lett a hang sokkal, ezzel még közelebb került a nagy obelisk végfokok hangjához. Most ugyanaz a hangkarakter (komolyan) de jóval kevesebb finom részlet természetesen. De meglepően jó, főleg az egyszerűségéhez képest. Az obelisk csodája hogy úgy nagyon részletező és valóságos hogy közben soha nem lesz fárasztó vagy idegesítő nagyobb hangerőn sem. Na ez is ezt tudja, csak nem olyan részletező. A rajza ez: Bővebben: Link Csak a 1,5k helyett 1k van és 25mA a nyugalmi. A hozzászólás módosítva: Jan 28, 2015
Bonyolult?
![]() Diff. bemenet áramtükörrel, két fix áramgenerátor... szerintem nem bonyolult. A tápfesz is lehet egy +/- táp. Mindegy, én azért tuningoltam még egy kicsit, úgy gondolom, ez már magáért beszél. THD = 0,000025% 1W -on, 40W -on pedig 0,072% Következő erősítőm ez lesz, már régen szeretnék egyet építeni egy meglévő dobozba. A hozzászólás módosítva: Jan 28, 2015
Tina szimulációs teszt, nem valós. De elég jól szimulálja a Tina.
Vagy azt kérdezted, hogy a Tinában hogy kell mérni a THD -t? A hozzászólás módosítva: Jan 28, 2015
Akkor inkább valami Monacor modifikálást csinálj, az THD-ra sokkal jobbat tud.
Megkeresem, de valami két nagyságrendre emlékszem, de teljes kivezérlésnél. ( Már ha nagyon kicsi THD-t akarsz. )
Még volna rajta mit csinálni, meg lehetne rajta finomítgatni, de annyira nem érdekelnek az analóg erősítők. Az alapharmónikus a kimeneten 41 V, a tápfesz meg 45, tehát egészen rendesen ki van vezérelve.
A hozzászólás módosítva: Jan 28, 2015
Na még kicsit csiszolgattam kicsit rajta, és fenntartom hogy nagyon szép hangú cucc.
Csak azért, mert idetévedtem. Nem nagy kicsit ez a doboz neki?
Hová dugtad a 4700 mikrót?
Legalább jó nagy az alaplemez, és el tud hülni. A kicsatolók a piros banán hüvelyekre vannak forrasztva.
Hta-30 minimumra egyszerűsítve, avagy az előző kibővítve... a panel elrettentő példának is jó viszont ugyanolyan szép hangja lett mint a gyári obeliskeknek. Csak sokkal egyszerűbben és olcsóbban...
|
Bejelentkezés
Hirdetés |

























