Fórum témák
» Több friss téma |
Idézet: Ez mit jelent? „szinusz szimmetrikus vágására belőni” Szkóppal való mérésnél hova teszem a mérőcsúcsot, mit kell mérni?
Szia! Tényleg ez a jó. A negatív félhullám az adott füles impedanciája szerint korlátos.
Ebből adódik hogy minden füleshez külön kell beállítani az anódfeszt?
Nagyságrendnyi impedancia-eltérésnél elképzelhető, hogy érdemes után állítani.
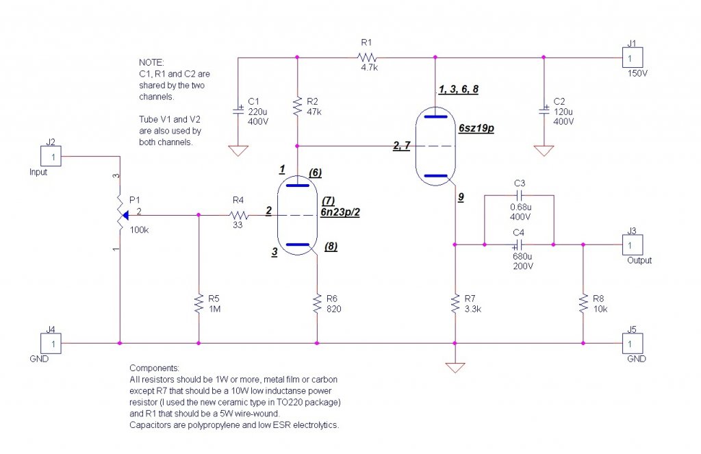
Ha már csöves erősítőkről van szó. Én az alábbbi kapcsolást építem, itt milyen képlettel tudom kiszámolni a kimeneti kondenzátor értékét, hogy kb 20Hz-nél legyen az alsó határfrekvencia (C4)? Illetve írja a szövegben, hogy R1 legyen 5W-os huzal. Nem kéne, hogy R2 is legalább 5W-os legyen? Vagy merre folyik akkora áram? Gondolom nem a kondi töltése miatt kell oda akkora ellenállás.
Az lesz, de minden idő kérdése, több dolog is épül most.
Egy másik kérdés: 1000uf csatoló nem baj ha 820uf+220uf párhuzamosan?
Szia! Az R1 -en 3mA, az R2-őn 1,5mA folyik hozzávetőlegesen. Az ebből számított disszipáció nem indokolja az 5W-os ellenállást.
C4=1/(2*Pí*R*20Hz), ahol R a fejhallgató impedanciája, és -3dB a vágás 20Hz-en. Mivel az impedancia ohmikus ellenállásként lett figyelembe véve, ezért az eredmény közelítő értékű. A 680µF 16ohm vagy afelett lenne jó számodra.
Nem baj. (Meg sem merem kérdezni, hogy mit csatolsz vele mert össze fognak keveredni a dolgok.)
A rajzon levő 1000µF-ra gondoltam. Nem úgy hívják? :hide: Bővebben: Link
Dolgok a helyén
A feszültségtűrésre és a polaritásra ügyelj.
A fejhallgatóm 64 ohm-os, én ehhez körülbelül 124µF-ot számoltam. Ez az érték már azért barátságosabb mint a 680µF
Hibátlan számítás, 3x47uF nem is olyan drága
Kimenetre műterhelést teszel a fejhallgatód impedanciájának megfelelőt és azon mérsz.
Ez lett volna a következő kérdésem, hogy egybe, vagy több darabból álljon
Köszi a választ
Teljesen véletlen, hogy ezt ajánlottam a Hestore kínálatából. Az árat, a feszültséget és a cső közelsége miatt a hőfokot vettem figyelembe.
Sziasztok!
Most kezdtem el építeni egy CanAmp klónt. Olyan piszok mázlim volt, hogy az egyik alkatrészboltban, ahová szoktam járni, 700Ft-ért adták a 2*9V 17VA trafót, ami pont hozzá való. Még pár alkatrészt meg kell várnom, hogy a HE Store megküldje, de gyakorlatilag szinte minden megvan hozzá. Készítette már el valaki ezt Bővebben: Link a kapcsolást OPA2134-el? Mert én ezt választottam hozzá.
Üdv mindenkinek!
Az lenne a kérdésem hogy ez a fülhalgato erösitö mennyire "studio" minöségü? Nekem nem arra kell hogy bömböljön a zene hanem hogy tisztán halljak mindent a zenéböl s simán a számitogép agyondicsért hangkártyája nem képes meghajtani ugy a fülhalgatot hogy ne torzitson. Bővebben: Link
Ránézésre azt mondanám profi. Persze igazán hallgatva lehetne megítélni.
Üdv! Építsd bátran, nagyon korrekt kapcsolás. Érdekessége, hogy a jelerősítés kétszeresre van beállítva, ennyi bizony elég is szokott lenni.
Köszönöm a választ. Akkor megvan az e hétvégi épitkezési terv. beszámolok rolla mikor kész lesz.
Kondenzátorba MKS MKP vagy kerámiát vegyek?
Én is megépítettem de nekem halknak tűnik,milyen hó minőségű előfokot ajánlotok elé?
A tápot hogy a legjobb megcsinálni hozzá?Nekem eldurrant az ic-m vagy kétszer egészen addig amig sorosan a tápágba nem raktam ellenállatot... lehet a sima piff-puff-eres tápot kell odarakni eléje és kész
Nem használnék előerősítőt, R2 csökkentésével (680-470-330ohm) megoldható.
Az IC eldurranása érthetetlen. Túl magas volt a tápod, hibás építés miatt túlterhelted a kimenetet? Sima pufferes tápot ajánlok, a kapcsolás ripple elnyomása remekül ki van dolgozva. Lehetne CRC szűrés is benne, de szerintem nem igényli.
Igen magasabb a tápom,a kimenetemből meg kihagytam a tekercset...Nem hallottam különbséget...Asszem ezek gondok lehetnek.Feltehetnél valami jó táp kapcsot.
Változásokat akkor hallottam amikor a gratetz diadakat és a kimeneti kondikat cserélgettem.... mur diodákkal sokkal jobb lett de darabonként 14 amperesek...kéne helyettuk valami egyszerübb de jó..
A kimeneti RL tag elég nehezen indokolható, sem a hosszú vezeték, sem a hangváltó nem jellemző a felhallgatóra
![]() A táp álljon 2x11VAC-ből, 2 graetzből, 2200uF+1ohm+2200µF CRC szűrőből. Stabilizátort nem használnék. A kondinál a "kimeneti", gondolom bemenetit jelent.
Sziasztok!
Elkészültem a Canamp-al, de sajnos mint páran, én is úgy jártam, hogy búg. Elég sok mindent kipróbáltam, de nem sikerült a brummot eltüntetnem. A tápja egy Puskás trafó, 2*110V/2*9V-os. Arra a következtetésre jutottam, hogy megpróbálom kicsit szimmetrikusabbra megtervezni. A mellékletben látszik, hogy ez hogy sikerült. Mielőtt nekiállnék újból megépíteni, valaki legyen olyan kedves, és nézze át. Szerintem ezzel az elrendezéssel több esély van a zavarmentességre. Mit gondoltok? A válaszokért előre is köszi!
Először azt kell kideríteni hogy mitől búg. Ha a trafó szórja meg, akkor egy 1,5-2mm-es lágyacél lemez darabka kellőképpen le tudná árnyékolni. Búghat még földhuroktól is.
Ha a nyákot tervezed szimmetrikusra az nem segít a problémán, ezért nem érdemes a szükségesnél hosszabb vezetősávokat alkalmazni. Én is csináltam már pár canamp jellegű erősítőt, legutóbbit ícé helyett tranyókkal, difis bemenettel, DC offset-et heli-potival lehet finombeállítani, a vége pedig ugyanaz (1 db BD 139). +/-12V-ról próbálgattam egy Makrai-féle nyáktrafóval, de nem produkált búgást. |
Bejelentkezés
Hirdetés |





A feszültségtűrésre és a polaritásra ügyelj.
Köszi a választ







