Fórum témák
» Több friss téma |
Arra gondoltam, hogy előbb ebben cseréld le a helytelen értékű ellenállást.
jaaaa... értem! a próba canamp-omra gondolsz! holnap meg lesz a csere...
![]() Természetesen azonnal referálok
Bevallom furdal a kíváncsiság. Egyrészt teljesen logikus és műszakilag indokolható az áramgenerátor alkalmazása, másrészt a Heed Audio sem az a cég amelyik ok nélkül tette volna bele azt a bumszli ellenállást. Mivel módodban áll mindkettőt tesztelni, érdekelnének a tapasztalataid.
Sziasztok! Egy olyan fejhallgató erősítő kapcsolást keresnék, ami a keverőből kijövő jelet legalább 4 fejhallgatón is elfogadható hangerőre erősítve hallható. Édesapámnak kellene ilyen a zenekarozáshoz.
A dobos nem meri ütni a dobot, mert ami most van erősítő, azon alig van már hang, ha mind a négyen felveszik a fülest. Legalább is ezt mondta a fater. Akinek van bevált (jó nagy hatásfokú) fejhallgató erősítő kapcsolása az ossza meg velem. Köszönöm.
Lassan valóban módomban áll...
Mondjuk én az eredeti 100 ohmos canamp-ban is már OPA177-el próbálkozom; de a 22ohm-mal már OPA606 lesz benne.Ugyan ennek az áramgenerátoros verziója is OPA606 lesz... ...na itt jön az a rész, amit magam is sokat vitatok... A fülünk sem egyforma, az ízlésünk sem, és a fejhallgatónk sem... tehát az én véleményem vitatható... ( persze ettől még szívesen elmondom ) De ha lesz mindkettőből működő példány és jársz valamikor a 3.kerület felé, beugrasz hozzám és meghallgatod! Fejhallgatót hozol ha akarsz, vagy nekem egy AT M40fs van...Tehát, ha gondolod beéred az "én" véleményemmel, vagy magad is fülelsz...
Szia!
Nem egy füles erősítőről kell, mert megoszlik a fejhallgatók között a teljesítmény. Minden fejhallgatónak külön erősítő kell. Mégpedig azért, mert ha bírná is az az egy erősítő, akkor is jön majd az a probléma, hogy mindenkinek más hangerő kell. Ezt embere válogatja, plusz ha nem egyformák a fejhallgatók, akkor nem fognak egyforma hangerőt produkálni és már amiatt sem jó az azonos kimenő jel, egyazon erősítőről. A dobosnak eleve nagyobb teljesítmény kell a fülébe és nagyon jól záró, jól szigetelő fejhallgató, mert egyébként az előtte lévő dobok saját hangja miatt nem fog szinte semmit hallani a fülébe adott alapból taktjelből, stb.... (meg egyébként is rosszabbul hallanak, főleg sok évi dobolás után). Minden füleshez külön szabályozható fejhallgató erősítő kell, az a jó megoldás. Szerintem ez az ESP megfelel erre a célra, én azzal szoktam zenekarokat rögzíteni. 5 sztereó végfok van egy dobozban, mindegyik hangereje külön potival állítható.
Szia.
A te fejhallgatódat nem nagyon fogja kihajtani a Canamp, főleg, ha ki akarod használni a teljesítményét és a dinamikáját a fejhallgatódnak. A 60 Ohm / 1,6W elég magas követelményeket támaszt a fejhallgató erősítőkkel szemben. A Canamp negatív oldala pedig nem vezérelhető ki ennyire.
Az, hogy a fejhallgató képes elviselni 1,6W-ot még nem jelenti azt,hogy el is kell neki. Bőven elég neki 100-200mW. Hacsak valaki nem süket és hangszórónak szeretné használni.
Magyarázd már el ugyanezt pl. egy DJ-nek, aki a bulikon olyan hangerő melett kénytelen mixelni, hogy a 200mW- ból semmit nem hall, vagy egy dobosnak hangfelvétel közben, mikor izomból püföli a dobokat maga előtt és arra panaszkodik, hogy nem hallja a fülesben, amit kellene, stb...
A hozzászólás módosítva: Júl 27, 2016
Sajnos szegény zenészeknek mindig nagyobb hangnyomással kell a dobhártyájukat kínozni, mint amit a színpadi eszközök keltenek. Az énekesnek hallani kell azokat a hangszereket, amihez képest ő szinkronba tud énekelni, mert enélkül nem igazán lenne együtt a zenekar. Persze ő ordít, mert ha csak nyávog, nincs erő benne, akkor lagymatag lesz a zene. Na ehhez, már nem egyszerű füles kell. Van erre való fülmonitor. Ennek létezéséről tudtam, de csak két éve volt a kezemben. Kristó Laca, aki az AB-CD zenekar frontembere (AC-DC tribute), ő mutatta meg negyedmillás készülékét. Hát érdekes volt. Az elektronika egy kis rádiós egység, most erről ennyit. A fülbedugós részhez fülész orvos veszi le a mintát, mármint a fül belső formáját. Ezt a sablont kell elküldeni a gyártóhoz, aki valami szilikongumi féléből kiönti. A szilikonon belül látszottak a kis fém driverek, amik külön csatornákon küldték a hangnyomást a fülbe. Lacának passzív váltós 2 utas rendszere van, tehát a pici induktivitások, meg kondik is beöntésekre kerültek a gumiba.
Ezeket nem biztos hogy egymás fülébe betehetőek, tehát inkább olyan protézis hatásü eszközök. Van aktív 3 utas is, bár én még nem láttam még olyat. Ott hat darab erősítő dolgozik a kis dobozban, ami egyenként hajtja meg a kis drivereket. Pici mélyláda, pici tweeter, pici hangváltó, mindez egy kesudió méretű szilikonba ágyazva, óriási hanggal.
...pedig meghajtja, még pedig nem is rosszul...
A 200mW-hoz pedig kb. már az erősítő is feleslegessé válik.
Ezeknek a kis kütyüknek az az előnyük, hogy a keltett hang kilépési pontja gyakorlatilag a használójának a dobhártyájánál van, így kis teljesítmény is nagy hangosság érzetet produkál. Más a helyzet egy távolabbi fejhallgató membránnál.
Kristó Lacit nagyon régóta ismerem, egy térrel laktak feljebb, mint mi. Nem gondoltam, hogy ilyen ketyerével énekel. A hozzászólás módosítva: Júl 27, 2016
Ez általánosságban semennyire sem igaz, egyszerűen azért, mert érzékenység tekintetében elég széles tartományban szóródnak a fülesek, ilyen-olyan okokból kifolyólag. És bizony a kevésbé érzékenyeket meg kell rendesen kínálni teljesítménnyel, hogy megfelelő hangerőt produkáljanak.
Lehet, hogy így van. Bár ami nekem volt a legérzéketlenebb fejesem, azt is 300mW-ál már a másik szobába lehetett hallani (10centis téglafalon keresztül). Vagy csak nekem ilyen a hallásom. Amikor sógorom feltette a fejére ilyenkor, akkor még keveselte is a hangerőt.
Ez volt a vágya, mert jobb, mint a kontroll dobozok, mivel nem gerjed össze a mikrofonokkal. A másik vágya az már kívül esik a fórum témakörén.
Mondjuk addig kiét próbálta ki, mert ez tényleg személyre szabott. El kellett hinnie hogy jó, még mielőtt megrendelte a sajátját. Jánosi Szabiék (Cicó Nomád) most nem rég kaptak fülmonitort, de azt inkább bedugós rádiós fülesnek nevezném. Azért szétszednék egy ilyet szívesen.
Kolléga úr!...
na jó ez túlzás a részemről, elvégre tanuló fokozaton vagyok itt! ![]() Elkészült az áramgenerátoros verzió is. Az ÉN (hangsúlyozom az én) véleményem a következő: A 100ohm-os verzió és az áramgenerátoros verzió között a különbség nem jelentős! az áramgenerátoros darabot 100mA ra állítottam be, helitrimmel. Hangerőben ugyan azt tudja mint a 100ohmos. Az áthallás nem romlott, a mélyek talán picit kisebbek lettek, viszont a közép tartomány nekem részletgazdagabb az áramgenerátorosban. A borda kevésbé melegszik. De hangsúlyozom... csukott szemmel nagyon nehezen tudnám megkülönböztetni a két erősítőt. Az NE és az OPA között akkor már van különbség, ha az OPA 606 van bent. Akkor sokkal dinamikusabbnak tűnik mindkét verzió. Összességében nekem az áramgenerátoros verzió jobban tetszik, OPA 606 al felszerelve... De minden esetre piszok nagyot szól!!!! ![]() Adok pár képet... A hozzászólás módosítva: Júl 30, 2016
Hálás vagyok a beszámolódért! A tapasztalat sok-sok ilyen apró mozzanatból tevődik össze.
Természetesnek tartom, hogy amiben tudok rendelkezésre álljak!!!
![]() Számomra ez az áramgenerátoros verzió nem jött volna létre, ha Tóth Béla nem segít... Külön köszönet neki hatékony segítségéért!!!
Sziasztok!
Az alábbi kapcsolási rajzon látható erősítőt meg lehet csinálni ECC85-ös csővel?
Ha hallgattál volna, bölcsebb maradtál volna...
Kis feszültségre inkább az ECC82 való. Próbáld ki légszerelve, ha működik, akkor jó.
Sziasztok!
Ravasz kérdés! A képen lévő 2x9v-os tápban mi van akkor ha a 4700mF-ot 6300mF-ra növelem?
Üdv!
Korábban kérdeztem egy csöves erősítőről, sikerült beszereznem ECC82-es csövet. Összeraktam, és szépen szól. Néhány alkatrész értékén változtattam, mert csak ezek voltak itthon: a bemeneten 47nF-es kondik vannak, a source-n lévő ellenállás 22Ohm 5W-os, és a kimeneten 2200µF-os kondi van. A kérdésem az lenne, hogy a nyugalmi áramot mennyire lenne érdemes beállítani? Jelenleg a táp és a drain közt mérve 200mA-t mérek. Illetve a teljesítmény ellenállásoknál mekkora melegedésre számítsak?
Sziasztok!
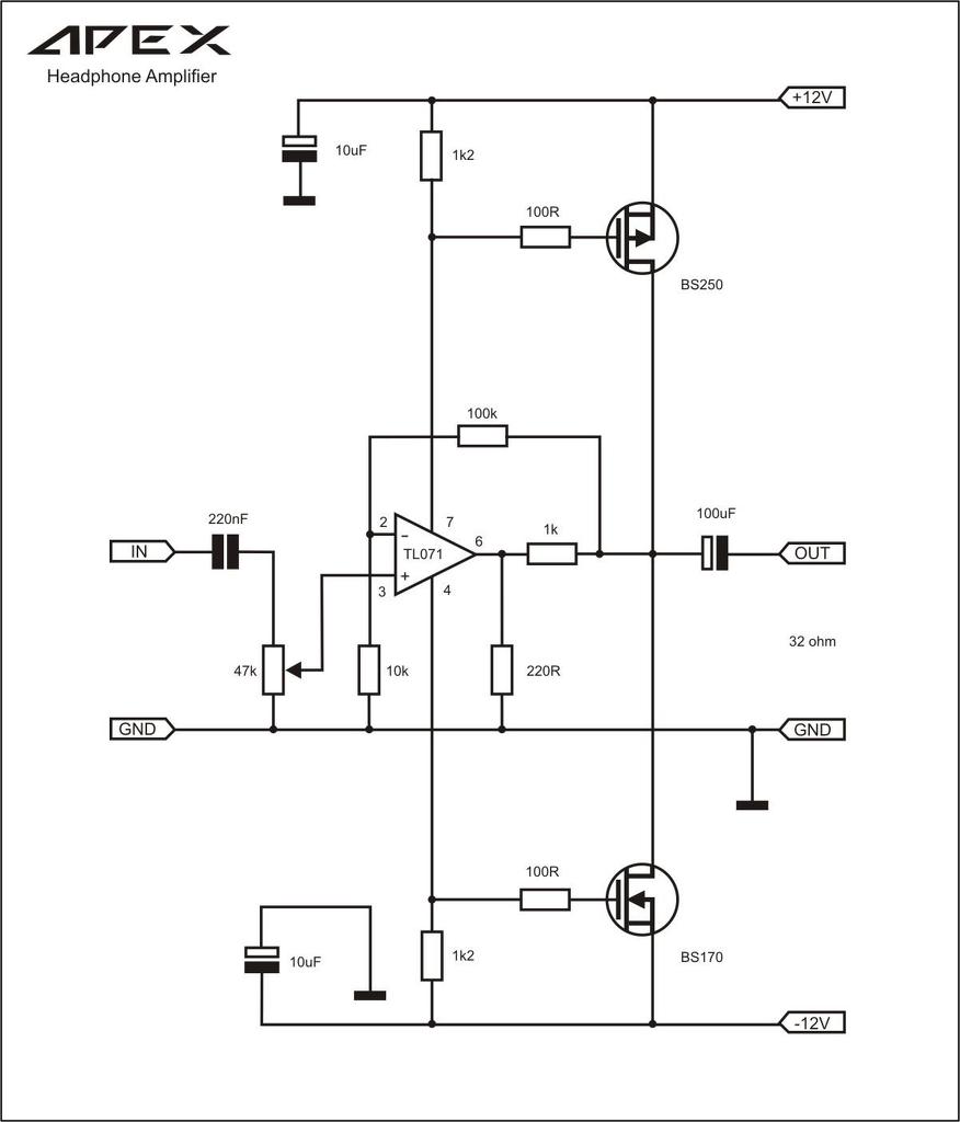
Viszonylag kompakt, jó hangú erősítőt szeretnék építeni. Ami a 150 és 300 ohmos fejhallgatóimmal is megbirkózik. Nem cél a nagy hangnyomás. Eddig két kapcsolást találtam. Egyenlőre az elsővel szimpatizálok. Nem igazán találok róla tapasztalatokat. Érdemes vele foglalkozni?
Szia
Amivel biztosan érdemes, az a canamp a Heed audio erőlködője. Elképesztően jól szól! Itt találsz róla anyagot. Ami nekem van verzió megépítve egy kicsit át van alakítva az eredetihez képest, ( Tóth Béla szaksegítségével) és még nem találtam olyan embert, aki leszólta volna a hangját! Csak ajánlani tudom. ( 30 és 300 ohmos fülessel is hibátlanul teljesít! )
Heed Canamp.
De munkaellenállásnak inkább áramgenerátort tegyél bele. Érdekes szerkezet az emberi fül... Technikailag nem jó ez a kapcsolás, erős félhullámú nemlineáris átvitellel, de ennek ellenére sokan magasztalják. |
Bejelentkezés
Hirdetés |







Nem gondoltam, hogy ilyen ketyerével énekel. 







Technikailag nem jó ez a kapcsolás, erős félhullámú nemlineáris átvitellel, de ennek ellenére sokan magasztalják. 




