Fórum témák
» Több friss téma |
Fórum » Fordulatszámmérő kétütemű motorra
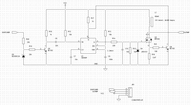
Sziasztok! Sikerült megépítenem a fordulat2.jpg alapján a kapcsolást, bár nekem csak az 55ös rész kellett, mivel egy trabi átfolyásmérőt akarok villogtatni vele.
Viszont ezekkel az alkatrészértékekkel nem igazán jól működött, helyenként variáltam rajta. Majd holnap felteszem.
Köszi a segítséget, időközben (láss csodát) sikerült megoldanom és működik. (Az ilyen típusú fordulatszámmérőket "relatív" mérőknek szoktam hívni, mert lényegében nem tudja meg az ember, h pontosan mennyi az érték csak a maximum-minimumhoz képest mekkora)
Én is az adatlapban található "typical applications" rajzokat kevertem bele picit és jó lett. A 8as lábat kötöttem a - tápra meg még vmit csináltam csak nem emlékszem rá.. ![]() Most annyi a baja, h hiába tekergetem a potmétereket, a rajz szerinti P1 nek gyakorlatilag semmi hatása nincs, de nem is sikerült megértenem, hogy az mire való A P2 pedig a lehető legkisebb értéken, alapjáraton is vagy 5 led világít Igaz mind a 2 csak 2,2Kohm Nem tudom, sokat gondolkodtam rajta de nem tudom h ez lehet e baj neki.Krisz kösz a kapcs rajzot, összedobom próbapanelra azt is aztán meglátjuk mire megyek.
Tök szép a led kivezérlésű is de engem érdekelne hogy hogyna tudnék egy elszállt elektronikus mutatós fordulatszámmérőt pótolni egy hondából. Mintpl a Ladákban van fordulatszámmérő. Valyon 555 ös Ic vel meg lehet oldani?
Hello! Tudna nekem valaki segíteni , hogy hogyan építsek 16000 ig számozott forulatszámmérőt 2 ütemű motorra?? 10 ezerig találtam de az kicsi :S
Kösz előre is minden ötletet!
Az érzékelés lehetne egy forgó mágnes és egy álló reed relé.Amikor elhalad előtte a mágnes behúz.A többi már pic es dolog ami nem nekem való
Ilyen téma, már van...
Nézz szét itt. Ugyanazt akart csinálni a téma nyitója is mint te, 2ütenű motorra, 16.000-ig.
Igen, csak az kijelző IC helyére egy analog műszert kell illesztened, némi ellenállás osztó segítségével, hogy a megfelelő tartományban mutasson a mutató.
Igaz, hogy van, de a probléma nem lett megoldva, bár a LED-es mérőt is át lehet egyszerűen kalibrálni. Más megoldás csak PIC-el lehetséges(7szegmenses, vagy LCD-s kijelzés, nagy pontosság, ha szükséges) Ehhez viszont meg kell tudni írni a programot!
hello az omron gyárt kész fordulatszám mérőket.
Pont van egy nekem. Majd délután rakok fel róla egy képet és elmondom az elvét is.
50mA es műszerem van az eredeti fordulatszámmérőbe .. Az elektronika elromlott, valami japán nincs hozzá rajz sem, értékek meg abszolut.
Építettem hozzá 555 ös IC ből de eddig nem viselkedik túl normálisan. A műszer ottragad ha elveszem a jelet akkor is.
Ez megszakitóshoz való. CDI-rendszerűhöz nem jó.
Számítógéppel próbáltam, ha ugy állítom be akkor még épp meg tudom játszani hogy a 13 ból kb 2 beoszás a maximális kitérés és akkor valamelyest jó:S
egyébként tudsz ajánlnai valami kapcsolást? előre is kössz!
Nem tudom milyen jelet adtál neki,de ez negativ impulzusokat igényel,vagyis a bemenetet periodikusan testre kell tenni(ezt csinálja a megszakitó).
elég ha csak 5v os impulzusokat kap. Egyéként képes elméletileg egy iylen Ic egy 50 Ma es műszer működtetésére?
Az 555 forrás és nyelő üzemmódban is 200mA áramot tud kezelni.
Egyébként a rajzon hibásan van megadva a műszerrel soros poti értéke,közel sem kell ilyen nagy ellenállás. Ide a könnyen beszerezhető 500 ohm érték tökéletesen megfelel. A beállitáskor kb 200ohm lesz a beiktatott ellenállásrész. Javaslom cseréld ki,és ha továbbra sem működik akkor visszatérünk rá. Mégegyszer irom: Ez egy monostabil multivibrátor aminek az inditóbemenetét (ami a rajzon 5V-os potenciálon van a zener miatt) húzza le testre a megszakitó a fordulat függvényében. Tehát ez inditja.
A délután folyamában próbálkoztam vele. 13 beosztás van a műszeren, Jel ráköt? 50 Hz, tekergetem, 12 es és 3 es beosztás közt semmi érdekes, csak ha tekerem, közben mozog a mutató frekvenciától függetlenül teljesen mind1 hogy mekkora frekvenciát adok neki, ha, ha levereszem 0 ra akkor is ottmarad.
Ha leveszem tápról, és ujra rákötöm akkor már nem ugrik visza ugyan oda csak ha valmai apró jelet kap. De most jön amit nem értek Ha kb a 2 es egységig tekerem 50 hz en kicsit hallani hogy zizeg a mutató, ha 25 hz ra veszem akkor lemegy 1 es egységig. ha 70 re akkor egy picit följebb mint 2 es , ha 100 ha 200 nem változik, ha följebb felugrik 4 es ig és onnan nem mozdul.
Ha 200hz-nél nagyobb frekit adsz neki akkor a monostabil időzitése nem tud lejárni,mindig bebillent állapotba marad,ezért ugrik fel 4-ig. Megjegyzem ilyenkor már a 13-as után kellene,hogy legyen a mutató. A potit kicserélted? Amúgy én a hanggenerátorral egy tranyót vezérelnék,és azzal kapcsolgatnám a jelet. Ha nem világos lerajzolom.
Egyébként biztosan jól kötötted össze a dogokat?
Csak bekötöttem egy 100 ohm os ellenállást. De ha elveszem a jelet akkor is ottmarad ! akár mekkora frekkvenciát adok neki lehet ez 10 hz is ottmarad a helyén. Még kis videót is készíthetek róla
Beállítás kérdése a lényeg hogy valami öszejött oylna 10 Ma alatt. Csak az értelmes kalibrálás lehetetlen. Meg mégegyszer mondom "fennragad" a mutató. Újra tápfesz kel neki hogy ujra valamit is mérni tudjon. Jha mellesleg találtam egy oldalon egy kis kapcsit fet-el
Az R3-at cseréld ki 1-2.2k közti értékre mindenféleképp.
Azt már cserélgettem600 ra is meg 100K ra is
nem változott csak rosszabb lett mind2 esetben.
Már átnéztem párszor. Úgyláttam minden ok
Akkor még vedd ki az ic 3-as pontjára csatlakozó 5k ellenállást. Nem tudom mennyire szűrt a tápfesz,de az ilyen rendellenes működést az is okozhatja.
már azt is próbáltam Hát valahogy nem jön össze de még holnap megpróbálok még 1 rajzot, amivel vezérelve van a ledes verzió is. Alig tér el valamivel. Ha az Új is hasonló tüneteket produkál akkor meg kéne oldanom egy tranzisztorral, bár azt nem tudom pontosan hogy mekkora ellenállásokkal kell hozzákötögetni, meg attól félek hogy ha 3000 es fordulatra bekalibrálom és beállítom a 3 as egységet, utána adok neki 4000 es fordulatot. Akkor felugorhat a mutató 10 es skálára?
Mint már irtam,ez elvileg 200 Hz-ig mérne,utána "akadhat" csak ki,ami kétütemű egyhengeres motor esetén 12000 ford/perc.
A nyákot tedd fel pdf-be,kiváncsi vagyok rá...
Ez az általam készítet kapcsolás természetesen kinyomtatás után tükrözve lesz.
Barátom. Ezt nagy hiba lenne tükrözni.
De az ES 3 9V-os zener forditva van..... Ezenkivül a bemenetre 10k tettél az 1k helyett.
Igen tudom, már rájöttem. mikor túl sok áramot vett föl de utána betetem egy újat és normál 10mA, már 3ic-t is kicseréltem mindel ugyan azt csinálta. Igen 10K-t tettem de gonolom az mind1 ugyis lekorlátozza 5 volt ra a zéner akár mekkora a fesz. De már kipróbáltam 470ohm ossal is. Egyébként nyomtatás után, "vasalásos technika" tükröződik.
A lényeg ,hogy csinálhatok újat mert már szarráforrasztottam. Idegesít a dolog pedig nagyon egyszerű kis kapcsolás. |
Bejelentkezés
Hirdetés |




Viszont ezekkel az alkatrészértékekkel nem igazán jól működött, helyenként variáltam rajta. Majd holnap felteszem. 
Igaz mind a 2 csak 2,2Kohm Nem tudom, sokat gondolkodtam rajta de nem tudom h ez lehet e baj neki.


