Fórum témák
» Több friss téma |
fotó dióda/fotó tranzisztor Kimeneti feszültségét ugyan úgy számítsunk mint a tranzisztor "EC" feszültségét?
Sziasztok! Én egy grafikus lcd háttérvilágítását szeretném vezérelni a szoba fényerejének megfelelően. Konkrétabban kifejtve minél sötétebb egy szoba annál kisebb intenzitása lenne a kijelző háttérfényének. Jelenleg a birtokomban van egy LSL100 LIGHT SENSOR , egy NORPS12 fotoellenállás, és egy BPW21 fotodióda. Ezekkel próbálkoztam megvalósítani a tervemet de sajnos nem nagy sikerrel
A megoldáshoz legközelebb a fotoellenállással jutottam, de számomra zavaró hogy nem lineárisan változtatja az ellenállás értékét. Tehát az én elképzelésem az volna hogy egy "fényérzékelő áramkörből" amely tartalmazza az általam felsorolt fényérzékelők valamelyikét egy feszültségértéket kapnék amit az AVR mikro A/D átalakítójával digitalizálnék. Maga az AVR vezérli az egész grafikus kijelzőt és menüből szabályozni lehet a kontrasztot és háttérfényt, de még az automata háttérfény szabályozást megszeretném megvalósítani. Ebben szeretném a segítségeteket kérni . Tehát ha valakinek lenne számomra hasznos tanácsa amin eltudnék indulni, illetve egy működő kapcsolási rajza és azt megosztaná velem, hálásan megköszönném. :worship:
Sziasztok!
Be tudna nekem linkelni valaki egy egyszerű fotodiódás kapcsolást, melyben a dióda fotoelem üzemmódban üzemel? Előre is köszönöm!
Milyen kapcsolásra gondolsz? A LED maga a kapcsolás
![]() Például én beleapplikáltam egy infra LED-et egy BNC aljzatba, ettől fogva oszcilloszkópon tudom vizsgálni vele a távirányitókat...
Sziasztok!
Nem bekötött fotodioda lábain mindig lehet feszültséget mérni fény hatására? Vagy vannak eltérő típusok is? Mert vettem egy marék "fotodiodát", ami szerintem inkább fototranzisztot, és most azon megy a vita, hogy ki nem ért az elektronikához. Köszi Zoli
Sziasztok! Egy fotódiódát vagy fototranzisztort szeretnék vezérelni egy megfelelő leddel.
A követelmény: Nappali fényben, villogó ledek között kellene működnie a fotódiódának(vagy fototranzisztornak) egy tőle max 1 cm-re levő ledtől. Nem tudom, infra tartományú leddel ez megoldható e? Úgy értem olyan fotótranyó/dióda van e ami csak egy elég szűk fénysávra huz be, a többitől nem. Én optikai egér belsejében levő vackok alkatrészeként történő kibuherálására gondoltam, ha jól tudom, abban ép infraled/fototranzisztor páros van. Jól tudom? Köszi
Nem kell nagy teljesitmény. Hisz kevesebbre lesznek egymástól, mint 1 cm. Talán ép annyira mint az egérben, csak nincs közte az a propeller.
Vagy tévedek? És a régi egér csak sötétben működik?
Na szétszedtem egy régi egeret. Ahogy mondod. Frankón bennevan a fotódióta és a párja. Kétszer is!
A kérdésem: 1. a fény zavarja? 2. ok ha zavarja akkor fekete csőbe burkolom s felülről közelhajoltatom hozzá a ledet. Igy talán kevés fény jut bele, reményeim szerint elég a működéshez félhomály. A kérdés az, mégis milyen alkatrészekkel kezdjek el kisérlezetni? Azt hinném az optikai led ledként viselkedik, ergó pl. egy 300 ohmos előtét ellenálláson keresztül hajtsam meg pl. 3 voltal, s ha nem megy emeljem a feszültséget? Na megis válaszoltam a kérdést: Beüzelemtem a régi egeret, s épúgy működik nyitottan még akkor is ha fölé teszek egy izzót. A kérdésem: Led-300 ohm-nyomogómb-3V táp egyikoldalt Fotóddióda és még mi a másikoldalt. Mondjuk ha egy 4017-es ledvezérlő Icnek akarok órajelet adni. Elég ha a fotódiódát berakom a táp ás a clock láb közé és ránézek vele a ledre? Köszi
Keresztbe irtunk.
Akkor ha az egér működik fényben is, modulálva van, s külön a dióda és a led már nem fog így működni? Van az egérben egy jopofa IC is, ez modulálná? Nekem két külön panelen kéne működnie, hisz egyik nyáknak kell kommunikálnia a másik nyákkal.
Afrancba, ezen mind a négy tranzisztor.
legalábbis 2 lába van. LD1 LQ1 LD2 LQ2 a nevük.
Mégegy ostoba kérdés:
Az infra led fénye látható valamilyen szemüveggel? Esetleg kamerán keresztűl? A videó távirányitó pl. régen ha a videókamera felé használtuk, s szallagra vettük utána a videón nézve látszott, hogy villog.
Nagyon egyszerű dolgot szeretnék csinálni:
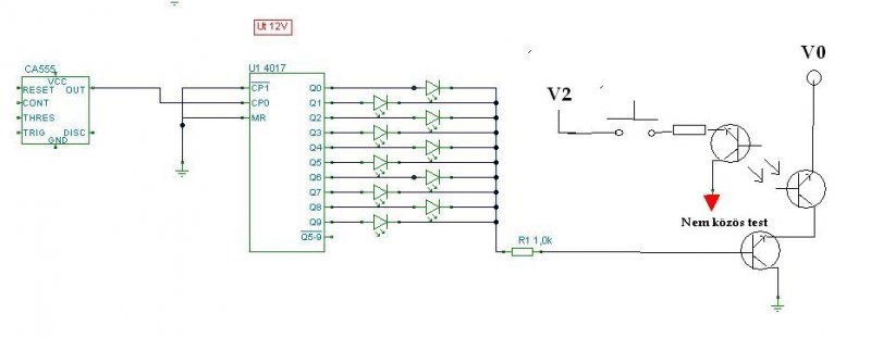
Az elöző példa rossz volt. Szóval adott egy 4017-es icvel meghajtott normál ledes futófény. Saját órajellel. Az IC csak villogtatná a ledeket szépen sorba, nem is tudva róla hogy valaki ott les hogy keresztbe tehessen. Egy másik nyákról szeretném engedélyezni vagy ép tiltani az ép soron következő lednek, a világitást az egér optocsatolójával. Úgy tudom, a 4017-nél közös testet kaphatnak a ledek egy közös ellanálláson keresztül. Azt hinném, csak bele kell rakni a fototranzisztort ebbe a folyamatba. A nyilas végét a tápra, a bázist és a másik végét pedig valahova a ledek összekötési pontja és az ellenállás vagy a test közé. Aztán ezzel a fototranzisztorral néznék rá a fotoledre vagy az elöbb emlitett 3 lábu micsodára. Jól gondolom?
Az LD infra LED lesz, az LQ pedig fotótranzisztor...
Köszi de miért van az infralednek 3 lába?
Jól gondolom, hogy ilyen célra elég egy pl. bc182 feltéve hogy ugyanaz a tipusa(polaritása) vagy mi is a neve ennek a jellemzőnek, hogy pnp vagy npn-e.
Az 555 segédalkatrészeit ismerem, de a 4017-hez tényleg nem kell semmi?
A tranzisztorokhoz milyen munkapont ellenállást javasoltok, ha 4.8 Voltról megy minden?
Viszont változatlanul nem értem a háromlábu infraledet.
Nem biztos, csak valószínűsíthető, mivel a tranzisztorokat T vagy Q betűvel szokták jelölni, míg a diódák szinte kizárólag D betűt kapnak.
Ha a két alkatrész közül az egyik víztiszta, a másik pedig fekete, vagy valami egyéb sötét színű, akkor a sötétebb az érzékelő (fotodióda, vagy tranzisztor).
Az egyik viztiszta, a másik fekete. S eddig oké.
Az is oké, hogy a fekete 3 lábu. Na de a viztiszta az miért 3 lábu?
Csak!
![]() Elképzelhető, hogy nem egyszerű dióda, hanem bele van integrálva valami. Az is lehet, hogy két dióda van benne. Én eddig csak látható fényű, kétszínű LEDben láttam háromlábút.
Ha SMD alkatrész, akkor egyszerűen ilyen az egyik fajta szabványos tokozás.
Egy régi golyós egérben van.
Remélem nincs semmi beleintegrálva, vagy ha mégis akkor elég hasznos legyen. Szóval mi a tanács? Háromlábu kollegánk melyik lábára mit adjak? Majd kamerán kersztűl nézem, pöccen e? A kombinációk száma véges, de ha lehet nem akarnám kinyirni. Másik téma: a kapcsolás fent a tanyókra jó? Merthogy akkor a másik vackot, aminek szabad háromlábunak lennie, bekötöm, de úgy kell ahogy rajzoltam? Köszi
Jézus Isten!
Kiforrasztottam a vackokat. Az LD1 nevűnek töretlenül 3 lába van pedig csak kettőnek lenne szabad. De ez mind semmi! A másik, az LQ1 aminek szabad 3 lábunak lennie mert fototranzisztor, annak meg 4 van. Ketten majdnem kitesznek egy optorobotot. De most én mit kezdjek ezzel a négy lábbal, a háromról nem is beszélve? Az egér amiből kiszedtem tipusszáma: Logitech027T. Az ic ami mindezt meghajtja:CTCTAW9705 331021-2001 LOGI 95. A panel száma: P/N 201029-0000. Van mégvalami a panelen: TCI-A7S fehérháromszög 94V-O
Ez természetes.
A golyós egérben egy forgó optikai rács van. Ugye, ha az egeret mozgatod, fel kell ismernie a mozgatás irányát is, ez pedig úgy lehetséges, hogy több optikai kapu van benne egymás mellett, s attól függően, hogy milyen sorrendben zárja a fény útját a forgó tárcsa, aszerint mozgatja a kurzort. Vagyis 2 db infraérzékelő van egy házban. Az adó oldalán is valószínű, hogy két infra van -a 3 láb miatt gondolom. Mindkettő könnyen kimérhető.
Köszi. De én nem értek hozzá. Mit mennyivel mérjek?
Műszer dióda állásban.
Köszi
Tehát az egymás melletti lábait egyesével dugjam be. És mit kell látnom ha melyik melyik?
Ha lenne egy közeli éles képed a kérdéses alkatrészről az sokat sokat segítene. Könnyebb lenne válaszolni hogy, mit hogyan - honnan mérj.
|
Bejelentkezés
Hirdetés |




A megoldáshoz legközelebb a fotoellenállással jutottam, de számomra zavaró hogy nem lineárisan változtatja az ellenállás értékét. Tehát az én elképzelésem az volna hogy egy "fényérzékelő áramkörből" amely tartalmazza az általam felsorolt fényérzékelők valamelyikét egy feszültségértéket kapnék amit az AVR mikro A/D átalakítójával digitalizálnék. Maga az AVR vezérli az egész grafikus kijelzőt és menüből szabályozni lehet a kontrasztot és háttérfényt, de még az automata háttérfény szabályozást megszeretném megvalósítani. Ebben szeretném a segítségeteket kérni . Tehát ha valakinek lenne számomra hasznos tanácsa amin eltudnék indulni, illetve egy működő kapcsolási rajza és azt megosztaná velem, hálásan megköszönném. :worship: 






