Fórum témák
» Több friss téma |
Fórum » Frekvencia komparátor
Üdv!
A kérdésem az lenne, hogyan lehet frekvencia komparátort építeni néhány kHz-es frekvenciára (négyszög). Mi a működési elve?
Mi lenne a komparalas celja? Egyenlo nem-egyenloseg eldontese vagy pedig meg kellene allapitani, hogy kissebb nagyobb vagy egyenloe-e.
Elvi megoldas a kovetkezo lehet. 1-1 RC-osztora kuldod a merendo jeleket. Elotte valamilyen buffer, pl 1X erosito. RC oszto ugy legyen meretezve, hogy a merendo frekvencian a csillapitasa mar javaban a -20db/dek -os tartomanyban legyen. A kimeneti jelet pedig csucsegyeniranyitod (nyilvan egyenkent). Innen mar feszultseg meres kerdese a dolog. Komparatorral el tudod donteni, hogy egyenlok-e vagy sem.
Az sem mindegy hogy mekkora lenne a minimalis freki kulonbseg amit a komparatornak eszre kellene venni.
A kyrk altal leirt f/U konverteres megoldasoknal ez is fontos. (itt a felhasznalt alkatreszek turese miatt is "csalhat" picit a komparatorod) Szerintem lehet meg ellenorizni szamlalassal is: 2XEgyszeru szamlalo aramkor ->2X D/A ->komparator +idolimites reset a szamlalokhoz (mintaveteli freki) vagy uC -t is lehetne hasznalni a dologra.
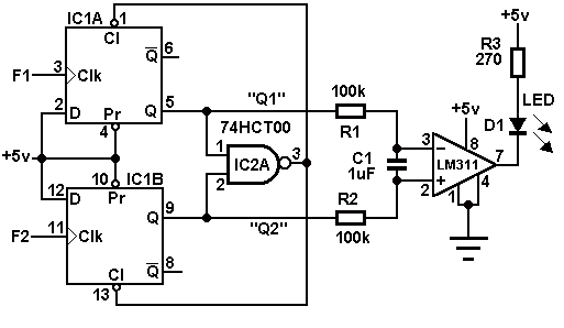
Ha két logikai jelszintről van szó, akkor ez az egyszerű áramkör is segíthet.
csinálj egy négyszögjel generátort (0V és -5V) és annak a jelét összegzed a másikkal és ha 0V akkor azonos a freki... persze ehhez az kell, hogy a vizsgálandó jel indítsa a négyszögjel generátor hogy szinkronba legyen.
persze ez csak 1 ötlet
Ezt nem igazán értem... Ha szinkronizálod a két jelet, akkor mit mérsz? Mert akkor nincs eltérés a kettő közt
Sebi! Bocs a kérdésért. Amit belinkeltél kapcsolási rajzot, az nem fázis komparátor?
E-Maniac által említett számlálásos módszer pusztán digitálissan is működik. Rádió amatörök a '90-es években használt Ham-Com programja hasonlóan (periódus idő mérés) működöt.
Szerintem egy PLL jó megoldás lenne (szorzó elvű fázisdetektorral) , VCO vezérlőfeszültsége arányos a frekvenciakülönbséggel.
(Bem. jel vs. PLL szabadonfutó frekvnciája). Persze a hibákra figyelni kell és az is fontos amit már fentebb leírtak, hogy mi a min. freki különbség amit érzékelni kell. Üdv Sprinteer. |
Bejelentkezés
Hirdetés |





