Fórum témák
» Több friss téma |
üdv !
cnc géphez kellene kb 40 cm hosszban . a fűtőszál a marómotor helyére lenne téve. kb 3-4 mm kellene ,hogy ne görbüljön el . szia!
Szia! Nehéz ügy ha csak egy oldalról akarod megtámasztani. A profi habvágógépek mind feszítettszállal dolgoznak.
szia!
azért lenne "merev " szélas ,mert függőlegesen szeretnék " marni"= égetni vele kb 50 cm vtg eps xps tömbből lökhárító ősmintát. azért kellene megpróbálnon ezt a módszert. mivel a marógéppel csak kb 8 cm -ben lehet megmunkálni- 8cm felett egy az nem is nagyon van szár , vagy ha van akkor az esélyes hogy üt,szétüti a csapágyazást. hobby cnc gépről van szó nem vérprofi gyári cucc sajna
bocs de még egy gondolat . a tervezés is a marópálya kivitelezése is bonyolultabb ha 8 cm -enként szeletelve van . mivel lehetne szerinted " felfűteni " egy ilyen 4-5mm vtg szálat. létezik a dolog már láttam videókat az eljárásrol . 3-4 helyett szándékosan írtam 4-5 ,mivel így merevebb a szál.
üdv!
dcsabi!
A triak fém felülete ha jol emlékszem a középső láb ami a kimenet szokott lenni. Igenis el kell szigetelni, különben megráz!!!
Akkor az egyik lehetőség valamilyen merev szigetelőrúdra feltekerni a fűtőszálat a másik egy vékony fémcsőbe belehúzni egy fűtőbetétet. Próbáld meg egy pillanatforrasztó pákával hogy az az olvasztási vastagság megfelel e neked. Pákahegynek manganinhuzalt is lehet alkalmazni így folyamatos üzemben is működtethető.
Sziasztok,
őszintén bevallva nem olvastam végig az eddigi eszmefuttatást időhiány miatt, de szeretném a tanácsotokat kérni. Olyan habvágót szeretnék építeni, amivel könnyen, szépen lehet vágni.Nem túl nagy húrhosszal, szerintem 0.5-1 m között. A probléma az, hogy nem szeretnék belebonyolódni a különféle tekercsekbe és változtatható ellenállásokba.Megoldható az, hogy egy sima mezei tápot rákötve pl egy gitárhúrra megfelelő hőmérsékletet érjek el? Van egy DC max 12V-os adapterem, 1000mA -el.Az nem túl sok mi? Nem baj ha sokáig kell melegedni hagyni.Milyen feszültség és áramerősség kell olyan hőmérséklethez, ami már szeli a habokat? ![]() Minél egyszerűbb megoldások érdekelnek. Előre is köszönöm.
A12v 1000ma egy kicsit kevés ! Ha fel is pirosítja a szálat
amikor a habra ér a szál kihűl! Én valamikor próbáltam akksitöltővel és az sem volt tökéletes . Én azt javasolnám hogy tekerj egy trafót ! A pimer 230v a szekunder 6-8v de 10-15 A és ez elé kéne tenni a triakos szabályzót
Üdv! Az acél nem ideális fűtőszál, nagy a hőmérsékleti együtthatója és alacsony a hővezetése. Inkább vegyél pár méter ellenálláshuzalt 0,1-0,3 mm-es manganin, cekaz, konstantán. Ha problémás 0,2mm-es isotán huzalból tudok eladni pár métert: 16 ohm/m. ezzel 12v ra lehet 0,25m es vágót csinálni, 24V-al 1m-est. Az áramszükségletet Ohm-törvénnyel ki tudod számolni köztes tartományokra is: R=U/I
A tápnak nem kell DC, elég neki a trafó is meg egy nyomógomb a keretre, a szálnak némi rugalmas feszítéssel pl. laprugó.
köszi a hozzászólásokat!
DE nem valósítható meg ,a pontos megmunkálás 0.1 -es pontosság sem ezzel a habvágó-maró konstrukcióval mivel nem lehet pontosan befolyásolni a folyamatot . a fűtőszál mindig vagy beleéget vagy beleragad a habba. a pontos sebességet és a pontos hőszabályzást nem igazán tudom kontrolálni. maradt a hagyományos de 0.01 pontosságú marás. kiszálltam a témából. üdv mindenkinek!
Sziasztok!
Látom ez a téma szinte megszünt. Nincs valami nagy elektronikai jártasságom, úgy is lehet mondani, abszolút kezdő vagyok. Szeretnék építeni egy szabályozható Nikecell-vágó egységet. Találtam is egy jónak tűnő kapcsolási rajzot, de a fő gondom az, hogy itt 12V-os a betáp, nekem pedig erre a célra 42V-os trafóm van. Melyik alkatrészeket kellene megváltoztatni, ill. van-e valakinek javaslata más kapcsolási rajzra? Előre is köszi a válaszokat!
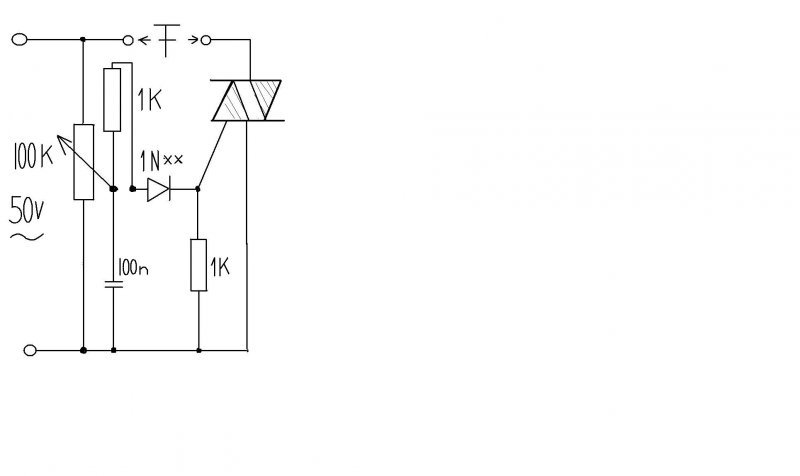
Hali!
a 42V trafó nem olyan problémás, csak egy tl494-es IC vel pwm kapcsolással meg lehet oldani. később keresek valami rajzot. üdv. Foxi
Szia!
Még mindig várom a kapcsolási rajzot! :szomoru2: Üdv Hebi
Üdv. Van egy ilyenem: Faégető készülékhez van ugyan, de szerintem jó lehet ide is. Bár 10 m huzal, az már nem kevés, de egy próbát megér. Esetleg ki lehetne bővíteni. Minden esetre alapnak biztos jó lesz.
uli
Egy barátom szeretett volna habvágót, amikkel betűket, logókat tudna szabad kézzel vágni, max pár cm magas hungarocell-ből. Volt nála egy minta, egy áttekert trafó, 2V-ot kapott a szál, ami valami acélszál lehetett. Egy fatákolmánnyal volt megfeszítve, de működött. A trafó szekundere műanyagszigetelésű vezetékkel volt áttekerve, a fűtőszálhoz menő vezetéken esett 1-1,5V, a fűtőszálon 2v!
De működött.... Ezen felbuzdulva, csináltam neki egyet PC-tápból. Az 5V-os ágra raktam egy 34063-at egy BD249-el megfejelve. Potival szabályozható, terhelve 1,3V-2,3V között. A vágószál kerékpár sodrott fékbovden 1 elemi szála. 2,3V-nál feszítés nélkül próbáltam, viszi.Lehet, hogy átrakom a 12V-os ágra, főleg, ha esetleg később ellenálláshuzallal akarja majd használni... Üdv Inhouse
szeretnék késziteni egy 3méteres vágo élt a hungarovcel vágásához és minél vékönyabb legyen. egy 3 méteres minél vékonyabb vezetéket kéne ugy fel füteni hogy állandó hőmérsékletet biztositson mindenhol ebbe tud nekem valaki segiteni?
igen
csak egy le maradt tudsz nekem segiteni?
Ami biztos kibírná az a rézdrót.Próbáld meg úgy hogy ha van forrasztópáka vagy pisztoly akkor csetlakoztasd hozzá.Kicsit nagy lenne az a 3 m.Elég volna szerintem 1 m is.És én kiszedném a pákahegyet és betenném az 1 m-s drótot.
Én szoktam vagdalni EPS-t 1,2-s dróttal de nem 3 méteres csak max 1méter szélest.Mekkora ez a tábla méret amit vágnod kell.Arra számolj ,hogy hőt von el a vágáskor és nekem a vékony drót nem vált be ill. szakadt,nagyon nyúlt.
A fém huzalok ellenállása a hőmérséklettel arányosan növekszik. Egy olyan szerkezetet kellene építened, amely figyelné a huzal ellenállását, és ha az egy bizonyos érték alá csökkenne, egy meghatározott időtartamra (0,1-0,2 s) bekapcsolná a fűtőáramot. A fűtési ciklus elteltével újra mérési ciklus következne, és ha még mindig kevesebb lenne a huzal ellenállása a beállított értéknél, azonnal visszakapcsolna fűtési ciklusba.
Valamint kérd meg a topic címének a módosítását.
Így már "szebb".
Szia!
Sőt még a hosszuk is nő, így állandő feszítőerőt biztosító befogó, áramellátó rögzítés kell.
Nekem egy rúgó feszíti és ha hűl akkor enged vissza fele is könnyen.
Egy200W-os 24 V biztonsági trafóra tettem egy tirisztoros fényerő szabályozót mivel gondot okozott a "nem működő" huzal szakasz azaz ott nem volt hőelvonás.Így megfelelő huzal hoszúságot választok és ahhoz állítom a teljesítményt.
hát akkor nem vékonyal oldom meg hanem vasdagal
csak az a lényeg hogy eltudjam vágni egyenesen mint ha a gyárból jöt volna ki
Még mindig nem árultad el miért kell 3 méteres.Nekem a legnagyobb tábláim 1x2 méteresek.Csak akkor kell 2m-t keresztbe vágni ha lapos tető szigetelésnél ék alakú kell a "lejtés" miatt.
|
Bejelentkezés
Hirdetés |




Nem baj ha sokáig kell melegedni hagyni.Milyen feszültség és áramerősség kell olyan hőmérséklethez, ami már szeli a habokat? 


De működött.... Ezen felbuzdulva, csináltam neki egyet PC-tápból. Az 5V-os ágra raktam egy 34063-at egy BD249-el megfejelve. Potival szabályozható, terhelve 1,3V-2,3V között. A vágószál kerékpár sodrott fékbovden 1 elemi szála. 2,3V-nál feszítés nélkül próbáltam, viszi.
csak egy le maradt





