Fórum témák
» Több friss téma |
Hi az lenne a bajom ho elromlott standard power supplym
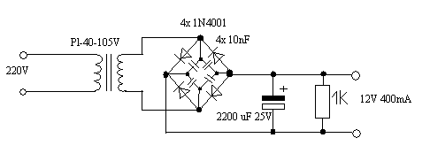
szóval van benne: - 1 db Pl-40-105V trafó - 4 db 1N4001 - 4 db 10nF - 1 db 2200 µF 25 V - 1 db 1K és nem tudok mire gyanakodni mert elég normálisan néz ki minden kondi sem folyt ki semmi égettszag fogalmam sincs mi a baja? aki tud segítsen lécci!!
Szia,
Sztem a trafód vagy a diodák adták meg magukat. Ha van egy multimétered akkor kimérheted őket, vagy egy izzód, azzal megnézheted, hogy működik-e a trafód. (remélem a kábel szakadás kizárva
Helló!
Sokszor előfordul hogy a trafóban lévő hőbiztosító old ki. Ezt pofon egyszerűen megmérheted. Méghozzá úgy hogy rámérsz a trafó primer körére. Ha szakadást mérsz akkor az lesz a gond.
Mineralé lesz a nyerő tipp szerintem, adok egy linket, hogy mit tudsz tenni:
cseréld ki a hőbiztit, ha szakadt Üdv Inhouse
Szinte biztos a hőbizti!
Igen, a primer kör (a 230V-os oldal) tekercselésére fogatják bele. Viszonylag egyszerűen cserélhető, de óvatosan a forrasztással: a bizti felé mindig fogóval kell meggátolni a hő terjedését, mivel attól is kiolvadna... Egyébként a legtöbbször ez a gond a kis konyhai gépeknél is, csak ott máshová szerelik, ahová már nem szabad egy bizonyos hőmérséklet felett menni, de ok is lehet ténylegesen, ami miatt kimegy. Trafóknál sokszor a szolgáltató általi feszültség ki-be kapcsolgatása, tranziensek az okok, hiszen sokszor bedugva hagyjuk az a adaptereket és ez már elég neki.
a trafó a ludas megnéztem izzóval
szóval a hőbizti értem :yes:
Szegény hőbizti 130 °C os volt
M33 tipusúIdézet: de akkor a másik is ki fog menni nem lenne jó egy drót a helyére? „Trafóknál sokszor a szolgáltató általi feszültség ki-be kapcsolgatása, tranziensek az okok”
130 *C? Na-fene, akkor jól felfőhetett az a trafó,.. (akkor mégis a hőbizti volt a lúdas),..
(amgy nem olvadt le a szigetelés?)
nem nem olvadt le csak a hő bizti alján volt valami sárga elszineződés
Akkor a csere vagy a kikötés következik? Ha kikötöd akkor néha nézz rá nem-e füstöl picit, szag ez-az.
Az az elszíneződés lehetett az impregnáló gyanta is, nem gond. Gyantában főzik, hogy ne rezegjen a tekercselés és hűlés-száradás után mindent rögzít.
Annyira azért nem tipikus a hőbizti hiba, a terhelésed nem tudom, de: A kis méretet azzal is elérik, hogy spórolnak a vasanyagon, ezzel veszteséget termel terhelés nélkül is a trafó, náluk meg megmarad a vas egy része, pl. a 10 után még gyártható egy 11-ik is, tehát óriási takarékos-biznisz. Ezt tapasztalhatod, ha csak bedugod a tápot, de nem adsz rá terhelést és magától is melegszik egy óra után. Hővé alakul a vesztesége. A másik, hogy ha a max névleges árammal terheled, akkor melegszik csak igazán!! Ez nem gond de a melegedés miatt sokkal hamarabb szárad ki az elkó, csökken a szűrés, egyre több brumm összetevője lesz a DC fesznek. Ha ekkor kap egy tranzienst, vége...
hát egyelőre kikötöm mert az elektrós bolt betegség miatt zárva aztán majd meglátom
Nekem van 133 fokos, szívesen a tiéd, csak gyere pestre érte!
Jó-jó, csak felkínáltam. Nem tudtam, hogy nem jársz pestre, és nem sürgős...
kikötöttem műxik
és még egy kérdést mi a hőbizti jele kapcsrajzban mert még ilyennel nem telálkoztam
közben készítettem róla egy mórickarajzot
Egyetlen egy NAGY Baj van a móricka rajzoddal!!! Hogy a diodahíd nem helyesen van bekötve! Csatolom a kijavított rajzot. (nálad a (+) a negatív és a (-) a pozitív?!). A Hőbiztikkel meg, sztem olyasmi mind egy ellenállás a rajzjele, csatolok pár képet, amgy az alkamzástól függ, ha a traktr kéményére akarod ráakasztani akkor tutty nem olyant teszel/rajzolsz amit a végfokod tranyóira vagy a hálózati trafódra kötsz :p
Sziasztok!
Fémhalogén lámpát szeretnék valahogy bebiztosítani, nehogy gond legyen, ha akármi miatt leáll a hűtőventilátor. Milyen lehetőségek vannak? Én egyet ismerek, a hőbiztosítékot, de nem igazán vagyok vele tisztába hogy is kell bekötni?
Szia! Mekkora teljesítményű a lámpád, milyen kialakítású?
Bővebben: Link Szerintem ilyet lenne célszerű felszerelned, ezt a táppal sorosan kell kötnöd, ha hálózatról működteted a lámpát, akkor a fázist kell ezzel megszakítani. Ez a klixon, ha felmelegszik egy bizonyos értékre, akkor megszakítja az áramot, és egy bizonyos érték alatt visszakapcsol. Nem voltak értékelhető adatok a hőbiztosítékról, javaslom érdeklődj a HEStore topikban az alkatrészek paraméterei után!
Nekem igazából a visszakapcsolós nem az igazi, mert a fémhalogént ugye nem szabad kapcsolgatni. Ez csak arra kellene, ha meghibásodik valamelyik hűtőventi, akkor ne legyen gond. Egyébként Osram HCI-TT 150W lámpához kell. Jól látom, hogy ezek amperre is vannak méretezve? Azaz a hagyományos biztosítékot is kiváltja, ha ilyet használok?
A regenerálódó az amelyik ha lehűl visszakapcsol?
Nem tudom, hogy van-e hőbiztosítékok között, amit kimondottan regenerálódónak neveznek, de lényegében igen, amit előbb mutattam, az is olyan. Amennyiben nem akarod, hogy visszakapcsoljon, tegyél bele a lap alján lévő linken lévők közül... Ez tudja a lámpa névleges áramát, azt pedig neked kell kiválasztani az üzemi paraméterek alapján, hogy milyen hőmérsékletű kioldót kell tenned. Természetesen ezt is sorosan!
![]() http://www.hestore.hu/kat_129.html?parA[]=2 szerk.: Sajnos nem tudtam használható módon beszúrni a linket... :no:
150W-os HPF lámpák azért megvannak prímán szellőztetés nélkül, máskülönben nem lehetne őket zárt, IP44-es dobozokban közvilágításra használni (és működési elvük miatt a pontos üzemi hőmérsékletet egy nagyon jól hőszigetelt közegben érik el, vagyis a külsőleges hőmérséklet tág határok között nem szól bele a működésbe, valamint csökkenti a környezet hőterhelését is). Csinálj inkább megfelelő, hőt jól leadó, illetve elviselő dobozolást és akkor nem kell állandó ventis üzem. Amúgy ha jóféle elektronikus előtét hajtja meg, annak van hővédelme, és megváltozó üzemi paraméterekre is jól reagál, illetve lámpavédelem okán leáll. Az említett tíusú powerball-t amúgy használják közvilágításban is.
Sziasztok!
A kérdésem a következő.hogyan tudom egy hőbiztosíték értékét meghatározni?Egy keltető gépbe kellene,de semmilyen felirat nem látható rajta.Az biztos,hogy az ment ki. Segítségeteket előre is köszönöm-
Sziasztok!
Van egy erősítő transzformátorom, ahol a primer nulla és fázis(230V) között szakadást mérek. Gondolom hőbiztosíték ment ki. Viszont nem akarom teljesen szétszedni ha nem kell. Meg tudnátok mondani, hogy merre keressem? Válaszotokat előre is köszönöm!
Ezt nem úszod meg bontás nélkül, de olcsóbb mint egy új trafó, és jobban is fog hűlni utána.
Ha jól látom a közepe is ki(be) van öntve, nem egyszerű.
óóóóóó
![]() És merre lesz? talán a mag belsején? (tehát a kiöntött részen) |
Bejelentkezés
Hirdetés |




M33 tipusú
makon lakom
és még egy kérdést mi a hőbizti jele kapcsrajzban mert még ilyennel nem telálkoztam 











