Fórum témák

» Több friss téma
Fórum » Háromfázisú transzformátorok, töltők, tirisztoros szekunder oldali teljesítményszabályzás
Lapozás: OK   2 / 2
(#) Bakman válasza Peter65 hozzászólására (») Jan 11, 2021 /
 
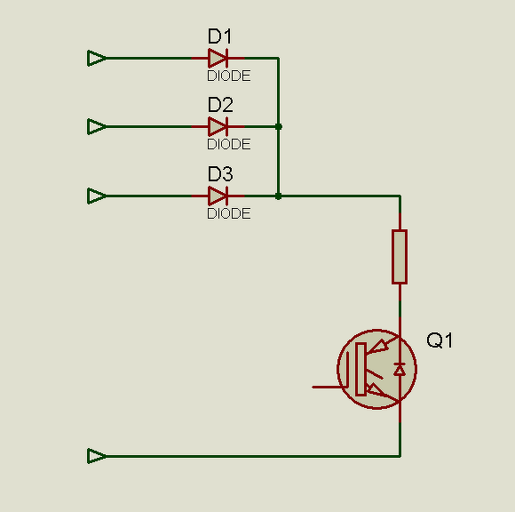
Szerintem túlvariáljátok, lásd melléklet. Nem kell szinkronizálni semmihez, csak egy potival be kell állítani az áramot és kész.

A meglévő diódákat fel lehet használni. Gyaníthatóan egy eredetileg bikázó/akkutöltő gépről van szó, hasonlóról, mint ez: Bővebben: Link. Ebben a három dióda három tirisztor helyett csak három tirisztor van (ez a kisebbik változat), azok vannak vezérleve.
Következő: »»   2 / 2
Bejelentkezés

Belépés

Hirdetés
XDT.hu
Az oldalon sütiket használunk a helyes működéshez. Bővebb információt az adatvédelmi szabályzatban olvashatsz. Megértettem