Fórum témák
» Több friss téma |
Sziasztok! A 2015-ös találkozón vetődött fel konkrétan - bár már én is gondolkodtam rajta, hogy lehetne gyerekeknek tábor keretében kis hobbizást oktatni. Pedagógus ismerősök vannak, akikkel közösen meg lehetne szervezni, én magam gyakorlatot oktattam, illetve általános iskolában jó apa módjára tartottam egy barátommal alapismereti oktatást. Nagyon szerették a gyerekek. Igaz előre felkészültünk mindig - becsülettel. Olyanokra gondoltam, első körben, mint a STEPUP filmben (melyik rész már nem emlékszem). A dobálható led-ek. 4 elemből áll össze: 1.) LED 2.) CR2032 3-os gombelem 3.) Cellux 4.) mágnes. a ledet az elemhez kell polaritáshelyesen illeszteni, rögzíteni egy kis darab celluxxal. A mágnes tátapad a gombelemre, amit szintén celluxxal lehet rögzíteni és kész a dobálható, mágneses LED-fény. Imádták a gyerekek, szinte verekedtek érte, csereberélték, kinek milyen szín jutott. Akkor persze minden jaját zsbből ment. Ez kicsit több, másabb. Lehetne szikratávírót építeni stb. stb. Nem tudom, a moderátoroknak mi a véleménye minderről. Én úgy látom, ha mi, a szakma nem fogunk össze, akkor helyettünk ezt senki nem teszi meg. Ebben csak megerősített az egyik fórumtársunk (11 éves!) anyukája is a találkozón. Azaz volna rá igény. Itt gondoltam megvitatni az ötleteket, felajánlásokat, témákat, lehetőségeket. Köszönöm. Természetesen én is részt vennék tevőleg egy-két ilyen táboroztatásban.
Sajnos igen komoly nehézségek vannak a táboroztatással: A hely bérlete, fenntartása, berendezése. Napközis, vagy 'ottlakós'. NAV, ÁNTSz (ex KÖJÁL), egyéb nehezítő 'szervek'. Ma már tanár, szülő nem lehet ott 'csak úgy', csakis 'képzett szakszemélyzet'. A baromnál, hülyébb előírások. Tudnék mesélni, láttam furcsa dolgokat; 5 évig voltam a TeGyeSz-nél (ex GyIVI) Sajnos a fontoskodó 'hivatal'-ok csak gáncsoskodni tudnak (és akarnak).
Az ötlet kitűnő, támogatandó, -a sok egyéb gyerekmegőrző, baromkodó helyett, -de amíg nincs 'támogatód', addig csak az ellehetetlenítés a cél. Erre pedig ma már nem találni 'komoly' támogatót. Nem cél. A hozzászólás módosítva: Aug 17, 2015
Szerintem, csak arra gondolt, hogy lehetne tartani szülői beleegyezéssel - szülői főzzéssel- tábort. Nemvoltam jelen a tali beszélgetésnél. Nemilyen hegyi biciklizés, biciklisoktatóval táborra gondolt. Gyerkőcök lennének, és a szülők addíg ellenének. Legalábbis ebben szívesen tevékenykednék énis. Vannak táborhelyszínek is itt a közelbnen. Csak őzek járnak erre. Van medence is, és sütögetőhely.
Még mi sütünk, "Ők" játszanak a jövő generációjával. Hiába értem én, ha nemtudom elmagyarázni. "Így beszállnék egy csipogóval." Így szerintem reális. Ronin, mondj valamit. Neked többvan, mint nekem. A hozzászólás módosítva: Aug 17, 2015
Szerinem nem kell kifejezetten a "tábor" szót a szó valódi jelentésében értelmezni itt. Lehetne inkább foglalkozásnak nevezni. Mivel gondolom az éreklödők köre az "itteni" családok és az ismerősök lurkóiból tevődne össze, nem hinném, hogy őket zavaná, hogy nem "hivatalos" a "tábor".
Anyagi támogatás pedig nem hinném, hogy kellene külső, szerintem 1-2 ezer Ft-ot nem sajnálnak a szülők sem (ennyiből még egy játszóház sem jön ki), és van itt annyi elfekvő anyag, hogy kijönne belöle pár dolog. Q ügynök, egyszerre nem tudok írni és olvasni. Még. A hozzászólás módosítva: Aug 17, 2015
A találkozó után lementem a falunapra, ahol a gyerekek ilyen készletekkel játszottak, kedvcsinálónak a szakkörhöz. Még nekem is nagyon tetszett
.
Nem hinném, hogy ez gond lenne, nem kell mindig pest központúan gondolkozni. Az egész azon múlik, hogy valaki "felkarolja" az ügyet. Ott volt a zsákai találkozó. Jani kitalálta, megcsinálta. Sokan inkább picsognak, hogy messze van a pesti tali, de helyit se szerveznek maguknak...
Itt is össze kéne állni pár gyerekes szülőnek, akik potenciális érdeklődők és megcsinálni. Viszont az ilyen táboroknak van egy hátránya, a gyerekek, ha nincs "szines"program, két nap után elunják.
Az egész elinditásához kellene egy "táborvezető". Aki felkarolja, beindítja a egészet. Nélküle nem megy. Szerintem jelentkező is akkor akad inkább, ha van egy "kész" ötlet. Két apuka a "panelból" hiába jelentkezik, hogy igényük lenne rá, valaki szervezze meg már nekik. Az "igazi" táborok is úgy szerveződnek, hogy valaki meghirdeti. Persze nem ártana felmérni, hogy egyátalán mekkora az igény.
(De ez inkább jövő évre lenne aktuális téma.)
Ne füstölögj! Azt hagyd meg a bográcsnak
Én nem azt szoktam nézni mi nem megy, hanem, hogyan lehet megoldani. Természetes, hogy szakember és megfelelő körülmények között szervezném. De lehet ezt úgy csinálni, hogy jó is legyen. Ha tudnád, milyen gyerektáborokat láttam tavaly és idén, ahhoz képest csak jobbat lehet csinálni. Sok jó gondolatot olvastam. Létezik egy táborfigyelő oldal, ahová azonnal fel lehet regisztrálni. Innen lehet ötleteket, helyszíneket meríteni. Léteznek bejárásos táborok is, Mi is vittük így a gyerekeket. Létező tábor mellé is lehetne "csapódni", hiszen sok táborban nem tudják mivel lekötni a gyerekeket, így jobb híján kicsapják a strandra. Én is sok ilyet ismerek. Nyilván felelősséggel is jár, hiszen valahol veszélyes dolgokat is meg kell tanítani: forró páka, védőfelszerelés használat, gázok, gőzök. De lehet ügyesen alakítani a tematikát is. Lehetne kezdő és haladó fokozat is. Én első körben a feladatokra koncentrálnék. Mit kellene megtenni, hogy működhessen. Milyen programok, hány órában, miből mennyi kellene a megfelelő csoportlétszámokhoz. Én 21 fős osztályban tartottam bemutatót. Minden gyereknek önállóan kellett valami, mert különben unatkoztak volna. De a barátom kis csoportokra bontotta őket - az is működött, sőt egy idő után megnézték amit a másik csinált.
Mikre gondoltam, ami érdekes:
1.) Fogkefe bogár - ez több helyen megtalálható, egyszerű elkészíteni: vibromotor áramforrás, fogkefe, drót. 2.) Mágneses led-fény - erről írtam. 3.) Áramkör fogalma és működése, soros, párhuzamos kapcsolás, vegyes kapcsolások 4.) Multivibrátorok - leginkább az astabil ezen belül egy villogó és egy csipogó 5.) Mikrokontrollerek - ezek egyszerűen beszerezhetőek, olcsóak és tömérdek hang, fény, video lehetőség van bennük. 6.) szikratávíró, rádiózás 7.) Rádióvezérlésű modellek 8.) Robotok léptetőmotorok cnc-k 9.) Kis anyagismeret, újdonságok, érdekességek, aktualitások. 10.) Régiségek, antik technika (ebből is lehet tanulni), analóg, digitális Nagyjából ennyi, de ha van ötlet, jöhet, mert ez csak az én látókörömet mutatja. Van amit szándékosan hagytam ki, de kitérnénk rá egy-egy témán belül: Ohm törvény, félvezetők, fényforrások Ez lenne az alapfok.
Sajnos az ára nem annyira tetszetős - hacsak nincs rá szponzor, vagy ki nem jön a tábor díjából - amit kétlek. Egyszerű alkatrészekre, breadboardokra gondoltam elsőként, az filléres tétel. Még abból is 20-30 gyerek esetén sok kicsi sokra megy. Ha netán van nagyobb cég a fórumozók között, akinek nem lenne gond patronálni egy ilyen kezdeményezést - ne hallgassa el. Akár privátban is beszélhetünk. Szerintem mi is fel tudnánk ajánlani például napelemeket. Jut eszembe a lényeg - a környezettudatos energiafelhasználás is illene a tematikába. Audiotechnikából is lehetne még becsempészni ezt-azt. Hangszerek, erősítők, fénytechnika - bár ez már erősen a haladó lehetne a PC és mikrokontrolleres világgal együtt bővebben.
Tegnap kiraktak - innen- . Én bennelennék..
Igaz ami igaz.
Esetleg van valakinek érdemi javaslata témákra a táborhoz? Mert ha volna tematika, akkor már lehetne toborozni a hozzá értőket is. Én például a rádiózáshoz kevésbé értek (persze ez csak részben igaz). De mikrokontroller, távközlés (hú tényleg a saját szakmám a Telefon!). Druszám! Olyan szép sárga feliratban a tematikát össze lehetne majd gyűjteni a téma tetején? Ha megvannak a témafelelősök, szét lehet bontani, mire mennyi idő kellhet, akkor már lehet beszélni érdemben a tábor idejéről, illetve a pedagógusokkal az ebből megvalósítható dolgokról, mert ugye a gyerekeket talán ők ismerik a legjobban terhelhetőség szinten. (bár vannak saját gyerekeim is - így inkább az én terhelhetőségem a kérdéses )
Ez csak egy ötlet, nem vagyok jártas az ilyen dolgokban, de:
Idézet: „Én például a rádiózáshoz kevésbé értek” Keress egy környékbeli rádióamatőrt társnak. Esetleg ha több konkrétum van meg lehet keresni a MRASZ-t, közösen szervezni egy tábort, ahol játszva tanulhatnak a fiatalok, ahol megismerkedhet a rádióamtőrizmussal és az elektronika egyéb területivel. A rádióamatőrök között gyakran kerül elő az utánpótlás kérdése, ez például erre is jó lehet. Nekem ami ötletem volna pluszban: -detektoros rádió-egyszerű, olcsó és adó közelében biztos a siker -rádiós rókavadászat-ehhez viszont mindenképp kell egy rádióamatőr segítsége
Máris léptünk előre egyet
Köszönöm az ötletet! Azt hiszem volna is egy jelöltem.
Időközben eszembe jutott. Ha már elmélet - és például haladó... Itt már használható lenne - de akár a kezdőknél is Paul Falstad Circuit java alapú programja. Hihetetlenül jó szemléltető eszköz, egyben szimulátor és bitang egyszerű. Kitűnően lehet használni például astabil multivibrátor, vagy éppen analóg, digitális áramkörök, félvezetők, passzív elemek bemutatására. Sok pedagógus ismerősöm is rácuppant, mert nagyon látványosan lehet vele bemutatni például a csomóponti törvényt, Ohm törvényt...
Még valami. Ha jól tudom idén is van, vagy volt MRASZ tábor, csak most nem találom az oldalukon. Itt Felvidéken olyan tábor van, ahol a tábor végén vizsgát lehet tenni, persze ez szigorúan rádióamatőr tábor, elméleti felkészítés, majd vizsga. Ha minden jól megy és sikerül év közben kikupálni magam a szlovákból , akkor jövő nyáron elmegyek rá.
Amúgy a Cseh rádióamatőrök is elől járnak a táboroztatásban. Ha gondolod átlapozhatom a régi Amatérske Radio-kat, szinte minden számban hírt adtak gyerektáborokról, más nem ötletadónak jó lehet.
Ötletként minden érdekel. Bár szerintem mi is tudunk olyan profik lenni - csak akarni kell
Van is egy lehetséges helyszín ötletem. Valamikor mi végeztük a felújításokat. Csak elő kell szednem a régi ismerettségeket.
Sziasztok!
Ha már táboros jellegben gondolkoztok, akkor lehet, hogy nem árt olyan helyre menni, ahol eleve szokott ilyesmi lenni. Pl. Tata Öreg-tó Kemping, ahol vannak rendelhető programok is. Mert ugyan lehet, hogy felnőttek számára pár napig is élvezetes egy helyben üldögélni az erdő közepén, de gyerekeknek nagyobb élményt nyújt, ha emellett teljesen más jellegű foglalkozások is vannak. Emlékszem még gyerekfejjel nem is egy ilyen táborban voltam, de ahol erőltették (volna) az adott tematikát (pl. német nyelvtábor), ott inkább a rosszalkodáson járt az agyam, nem az odafigyelésen Abban a táborban, ahol viszont ezt megfűszerezték stranddal, kirándulással, állatkerttel, ... na ott kevesebbet gondoltam az oda nem figyelésre, mert nem úntam el magam!
Teljesen egyetértek. Épen ezért gondoltam képzett pedagógusokkal is végigbeszélni mindent. A nyár egyébként sem a tanulásról szól. Szerintem 1-2 óra délelőtt, meg egy kis kedvcsináló "építsünk együtt valamit" bőven sok. A többi a nyárról, a kapcsolatokról, barátokról kell szóljon. Ahogyan maga a hobbielektronika is
Hiszen az ember azért csinálja, mert szereti. A Tatai ötlet belevág az elképzeléseimbe. Van esetleg személyes kontaktus? Én első körben a Börzsönyre, Nagyirtáspusztára gondoltam, ott van erdő, medence, kellemes környezet. De Tata is jó lehet, vagy éppen egy tanya, ahol állatok vannak és szintén folyik táboroztatás. Én magam több ilyet ismerek, ahová mi szereltük fel a napelemeket.
Szia!
Nincs kontakt, csak a hellyel már szemezgettünk autós találkozó szervezés során, ezért ugrott be, hogy itt ilyesmik is vannak.
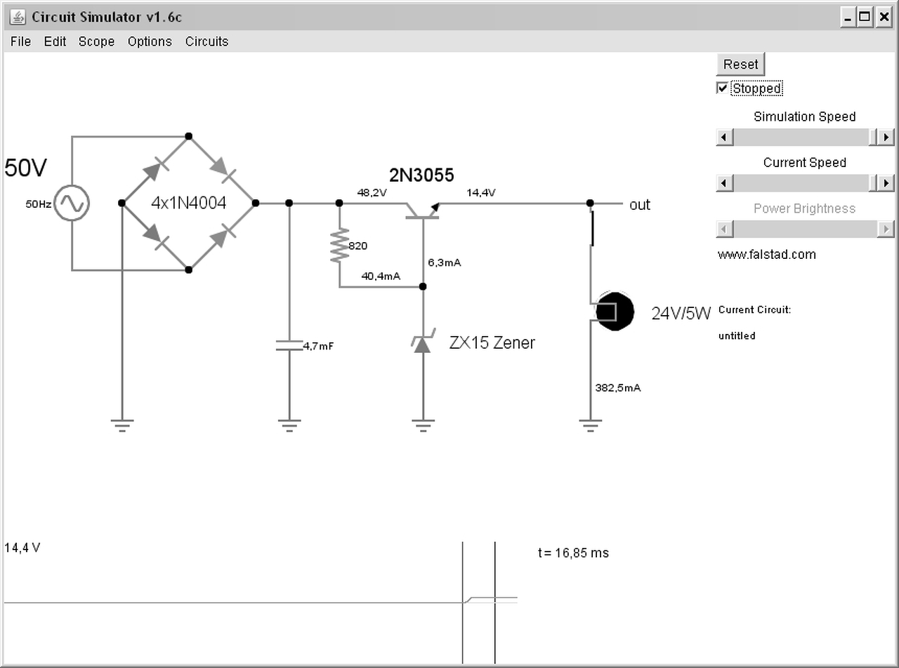
Sziasztok! Elkezdtem gyűjteni dolgokat a tábor tematikájához. A Circuit simulátor segítségével nagyon jól bemutatható minden, ami az alapokhoz kell szerintem. De szükség van pár bevált kapcsolás bemutatására, hogy utánépíthető is legyen. Mellékelem hogyan gondoltam. Aki fél telepíteni a circuitot, annak javaslom az online változatot, de java támogatás ahhoz is szükséges. A mellékelt txt maga a szimulátor fájl. Meg is építettem, biztos, ami biztos. A valós eredmények megegyeznek a mért eredményekkel. Nyilván a 2N3055 disszipál rendesen, hiszen ez egy áteresztős verzió. A kapcsolás kitűnően alkalmas arra, hogy a zener dióda tulajdonságait be lehessen mutatni rajta. Egy DC táppal megtáplálva és műszerrel mérve a kimenetet, jól látható, hogy szépen beáll a zenerdióda feszültségére a kimenet, nyilván a tranzisztor nyitófeszültségével minuszolódva, ami itt 0,6V.
Néha néha belekényszerítettek tanulók ( elektromos végzettséget adó technikum 1 év tanulás után ) nyári gyakorlatába. Ami nagyon nehézzé tett sok mindent, egyeseknél az alapok hiánya blankolás, forrasztás,egyáltalán a kézügyesség A szimulátor ment nekik valamennyire, de az alkatrészekről esetleges felrobbanásáról , melegedéséről semmi fogalmuk nem volt. Amit itt a fórumon is látok, símán utánépítenek mindenféle kapcsolást, de a kimeneti tranzisztort már nem tudják illeszteni, egyszerűen már elkapta őket a mai kor, az alapokat nem ismerik. Egy motor forgásirány változtatását tranzisztorokkal , esetlegesen valami érzékelővel való működtetésével sokat tanultak a feszültség szintekről a két tápos megoldásokról, illesztésekről . Akár egy rádióvevő modul + autó illesztése jó körítés lehet.
Éppen a gyakorlat hiánya miatt gondoltam ki ezt a dolgot. Nálunk is voltak gyakorlaton fiatalok, de azt sem tudták mi az a csavarhúzó, melyik vége mire jó? Ezért gondoltam, hogy minimális elmélet - a lehető legszemléletesebb módon úgy, hogy a kezükbe is vehessenek ezt-azt. Én például az általam oktatottaknak elvittem néhány felhalmozódott alkatrészt, hogy kézzel is fogható, érezhető legyen mi is az a kondenzátor, ellenállás, tranzisztor, chip. Lássák, tapintsák, érezzék a súlyát. A gyakorlat halála szerintem éppen a túl sok elmélet. Ez olyan mint nálunk volt a szakközépben. 4 évig tanultunk az NA 0010 berendezésről, de soha nem láttunk és fogtunk, azt sem értettük mi ez és miért kell évekig tanulni? Aztán kiderül 2 perc alatt a valóságban, hogy ez egy nyomógombos diszpécser rendszer. Annak a kezelőszerveivel rack dobozokkal, kábellel és ráadásul még nagyon ismerni sem kell, mert úgyis központilag javítják.
Egy kis aktualitás: Fizika Show Gesztely (Miskolc mellett)
Ha nem is tábor: Bővebben: Link
|
Bejelentkezés
Hirdetés |











