Fórum témák
» Több friss téma |
Fórum » Hőfokkapcsoló legegyszerűbben
Témaindító: Sir-Nyeteg, idő: Aug 4, 2008
Témakörök:
Én ezeket (ha hiszed ha nem
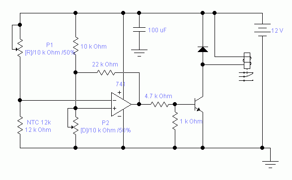
) már megnéztem, és ezek után írtam. Ennél én egyszerűbbre gondoltam (tesco gazdaságos megoldás a tesco gazdaságos fűtő elé...)Nem kell nekem hogy iszonyat pontos legyen, csak a baba szobájában szeretnék egy kicsit jobb időt elérni , viszont ha a fűtő saját belső termosztátjára bízom (mert olyan is van bizony.. :eek2: , inkább ne lenne...) akkor vagy szinte azonnal leáll, vagy megy amíg szaunát nem csinál a szobából Mellékeltem egy rajzot (a szilárd test relét elvetettem, mert sajnos túl kicsi hozzá), ezek vannak itthon is, talán még panelt se kell hozzá készítenem (jó ,forsávos nyákom is van itthon még talán) Szóval? Mi a hiba a képen? (ha van...)
Sziasztok!
Vásároltam egy fűtő ventillárort. Egy kamrát akarok vele felfűteni 50 fokra. A kamra elég pici, olyan 160l légköbméter. Az lenne a kérdésem, hogy hogyan tudnám átalakítani a melegítő ventilátort, hogy 25fok nál ne oldjon le a bimetál. Esetleg valakinek van e ötlete, hogyan tudnám megoldani, hogy változtatható legyen a hő kioldása. Válaszokat előre is köszönöm.
Szia!
Sztem cseréld ki a bimetált egy 50 fokosra! üdv!
Sziasztok!
Az lenne a kérdésem,hogy szerintetek a mellékelt képen található kapcsolás működik-e 5V-ról,mert elvileg az a komparátor képes rá az adatlap szerint,és gondolom csak a relé miatt 12V-os az áramkör.Nekem csak egy 1A-os Tranzisztort kellene működtetni vele.Csak biztos szeretnék lenni benne.... A másik kérdésem az,hogy működhet-e NTC-ről is,vagy csak a KTY 81-110-es érzékelővel működhet? A válaszokat előre is köszönöm. Szép napot!
Szia!
Megépítetted 5V-ra? Működik? Én is 6V-os trafóval szeretném megépíteni, meg hozzá való relével (ezek vannak itthon). Az oké, hogy a led elé 470ohm kell, de a feszültségosztókat hogy alakítottad át, ha egyáltalán kell? Köszi!
Sziasztok!
Szeretnék egy egyszerű hőfokkapcsolót építeni a következő problémára. A teknősök akváriumában van két fűtőtest (természetesen 230V~ feszültségről üzemelnek). Ezeknek a szabályozását szeretném megoldani úgy, hogy egy kis áramkör egy relét működtetne, ami a hálózati feszt kapcsolgatja le/fel a fűtőtestekre a víz hőmérséklete függvényében. Én valami hőellenállással gondoltam megoldani, amit beleragasztok egy kis alumínium testbe és bele lógatóm a vízbe. Kb. 25-27 fok körül lenne (mondjuk kis állítási lehetőség nem ártana), ami felett kikapcsolna a relé, alatta, pedig bekapcsolna. Így képzelném el a dolgot. Megvalósítható ez? Köszi szépen!
Úgy nézem deguss kapcsolása szerintem nekem megfelelő lehet, csak mivel én kikapcsolni szeretném a fűtést arra kell figyelnem, hogy a relé alaphelyzetben zárt lábára kössem a fűtést, így az majd szétkapcsol, ha a 311 meghúzza a relét.
Szerintetek jó lesz ez? Csak még két kérdés: 1. A relének jó bármilyen 12V-os tekercsű 250V-ot elviselő kontaktusú? Úgy értem a 311-esben lévő tranzisztor miatt a tekercs ellenállása mekkora lehet min, max? Jó lehet egy hagyományos G2R tokozású? 2. Esetleg a KTY-10 helyett jók lehetnek ezek vagy egy sima PTC ellenállás? Viszont, ha PTC, akkor mekkora kellene? Köszi szépen a válaszokat! A hozzászólás módosítva: Ápr 13, 2013
Szia
Elvileg jó, csak arra figyelj, hogy a potmétereket, ne vidd a legkisseb ellenálás, végére. Pl.: a P1 ha a NTC felé viszed, akkor a tápot kapja, a NTC. Nem a legszerencsésebb eset. Ugyan ugy, a P2, ha a test felé viszed, akkor soha nem fog kapcsolni, mert a testnél lejjeb nem tudsz a NTC vel menni. És a ki/be kapcsolási különbséget is veszted. De alapnak jó. Csak le kell határolni a vagyis mindegyik potival sorba kell egy ellenállás. üdv. A hozzászólás módosítva: Ápr 14, 2013
Szia
Bocsánat barcsi15 nek cimeztem volna, csak elszürtam, és INOX 4 lett belőle a másikkal kapcsolatba. esetleg használj darliton a relé meghajtáshoz akkor majdnem mindegy a tekercs ellenállása. Azt még jó lenne figyelni, hogy mekkora áramot akarsz, a relén érinkezőjén áthajtani. Szerintem sürű kapcsolgatásnak lesz kitéve én javasolnám, a szilárdtest relét. Akkor a LM311 tranzisztora biztos elég. üdv. A hozzászólás módosítva: Ápr 14, 2013
Ha nincs otthon meg hozzá sok minden, akkor nem hanyagolnám el a villanybojler/keringető szivattyú hőfok kapcsolóját mint lehetőséget sem .Lehet bontásból olcsón hozzá lehetne jutni. Előnye az abszolút nulla fogyasztás, hátránya talán a hangosabb kapcsolás.(cserébe nem zúg folyamatosan, mint a transzformátor.)
Szia!
Köszönöm a választ. Szerintem maradok az LM311-es változatnál. Ehhez is lehet valamilyen sima NTC ellenállást használni a KTY helyett? Nem tudom tudok-e szerezni. Ha igen kb. mekkora kellene? 25W az összteljesítmény, amit kapcsoltatni akarok, szerintem ha később több is lesz, se sokkal. Nem gondolnám, hogy nagyon sokszor kellene kapcsolgatnia, úgyhogy szerintem egy hagyományos relé jó lesz, de azért meggondolom ezt a szilárdtest relés dolgot. Darlingtonnak te milyen tranzisztort ajánlanál? Úgy látom HEStore-ban nem nagy a választék. Köszi szépen! A hozzászólás módosítva: Ápr 15, 2013
Sziasztok!
Olyan termosztátot keresek, amivel 100-350°C közt tudnám szabályozni egy elektromos kemence hőmérsékletét! Nem kell túl nagy pontosság. Köszönöm
Szidasztok!
Ezzel a kapcsolással szeretnék egy relét kapcsolgatni. 12VDC mekkora áramú relét válasszak hogy be bírja húzni?
Mindegy milyet választasz, mert ezzel a kapcsolással nem fog működni. Mit szeretnél pontosan csinálni?
Sziasztok!
érdeklődni szeretnék , hogy létezik-e olyan dióda vagy tranzisztor esetleg kapcsolás amely nagyon egyszerű és a lényege ha a hőmérséklet elér egy bizonyos pontot akkor bekapcsol egy ventilátort (modem hűtéshez kellene) tehát olyan kapcsolás kellene amely működik 5 volt, 0,5 amperrel.
http://www.hobbielektronika.hu/cikkek/_hoerzekelok_hokapcsolok.html
Vagy a legegyszerűbb bimetál kapcsoló.. A hozzászólás módosítva: Jún 21, 2015
Termosztát a neve, 12millió variációban gyártják.
Modemre meg direktbe raknék ventit, nem kapcsolgatnám. elég hitvány lehet a termék ha kell rá venti
Szerintem ez a legegyszerűbb.....
De ez a legegyszerűbb, de ez is termosztát. A bimetál a működési elve...
Ez mondjuk nem lehet állítani... |
Bejelentkezés
Hirdetés |




) már megnéztem, és ezek után írtam. Ennél én egyszerűbbre gondoltam (tesco gazdaságos megoldás a tesco gazdaságos fűtő elé...)










