Fórum témák
» Több friss téma |
Fórum » ICL7106/ICL7107
Értem tahát akkor a ugyanabban a sorrendben van PLCC-n a ponttól számítva mnt az MQFF en és DIP en... tehát légyegében az smd és a tokos verzió csak abban tér el hogy az egyok forrasztott a másik pedíg tokba rakható..
Köszi a segítséget!
No, mégsem úgy van a dolog...
Nem baj, itt van mindhárom.
köszi, nah akkor ha enélkül áltam volna neki akkor lehet elég erőteljesen kockáztattam volna az IC-im életét... így legalább tisztázódott a dolog...
köszi a segítséget, egyéként merre találtad? google képek? vagy valami adatlapba mert a maximnak sincs az adatlapjában benne
Mert Maxim (Intersil) nem gyártotta ilyen tokkal...
Mikrochip klón lehet a tied, tőlük az adatlap.
Helló.
Lenne még egy kérdésem. A trafó készülőben, de mivel a primert meghagytam és csak szekundert tekercselek így a kimeneti feszt nem biztos hogy be tudom lőni max 1-2V eltéréssel. Azt mondtad 8-9V ac kell, ha 7,2V ac lesz azzal még megy? Ha netalán 10,7V ac jönne ki akkor már kell hűtés vagy azt még elbírja (talán egy pici hűtőborda még elférne a nyákon)? (Én inkább úgy tervezem 9,5-10V ac legyen mert ha 8V alá megyek akkor már féltem, hogy kevés lesz így inkább a 10V felé menetem.)
Hali!
Nekem AC 11V van abból csinálok stabil 9V-ot és a stabic alig langyos
Nagyon belebonyolódsz a feszültségekbe.
Rakd össze, próbáld ki, és azonnal meglátod kell-e külön hűteni. Ha túl alacsony a váltód, akkor egyutas egyenirányítás után, már elképzelhető, hogy nem lesz elég tartalékod. Ha meg túl magas, akkor a többletet el kell fűteni. A panelre mindenképpen érdemes tenni egy kis bordát, amit eleve rá is terveztem.
Ok, de ekkora hűtőborda elég lesz mondjuk 10V ac-hez? (Holnap elvileg kész a trafó akkor már tudni fogom mit tud.) Aranyos hűtőbordák majd én is hajlítgatok ilyet nagyon jól kitaláltad.
Amúgy kerámia kondik is jók a panelra nem? (pl:100nF)
Bocsánat elnéztem én 7106-ra gondoltam :hide:
Helló.
Kész a trafó 1x9.2V és 3x9.8V AC a kimenet. Na ez így jó lesz? Mekkora hűtés kell így a 7805-re? Elég akkora amit te csináltál? (Csak elviekben kérdezem.)
Sziasztok!
A $subject házassága érdekelne. Az IC-vel nincs is különösebb gondom inkább a LED kijelzővel mivel csak 2x6 lába van. Hogyan kell ezt a két jószágot összekötni, hogy tudja mikor kell az 1-es, 10-es, 100-as? Hőmérőt szeretnék aplikálni belőle
Maga az ic nem multiplex kimenetű, a kijelződ meg az. Bonyás lenne összekötni, inkább vegyél, esetleg valamiből termeld ki a hozzávaló kijelzőket.
Szia!
Ezt a kijelzőt nem tudod meghajtani ICL7107-tel, mivel a kijelző multiplex elrendezésű, az IC pedig nem képes ezt meghajtani. Vagy a kijelződ cseréled le, vagy a meghajtó IC-t...
És milyen kijelzőt tudnék meghajtani ezzel az IC-vel?
Nem akarok 4x1db 7 szegmens kijelzőt. 1db kellene. Sajna a hestore-on nem találtam. És, ha LCD kijelzőt veszek? Akkor meg 7106 kellene?
Költség oldalról nézve a dolgot IC-t kellene cserélnem.
De sehol nem találok hozzá IC-t Milyen kell ehhez?
Hidd el, jobban jársz, ha megtartod az eredeti ICL-t és veszel hozzá normális kijelzőt. Még én is tudnák neked adni ingyen és bérmentve,ha eljössz érte (persze a panelből már neked kell kiforrasztani).
Köszönöm a felajánlást. Még el is mennék érte, de és soproni vagyok és lefogadom, hogy te nem a közelben laksz.
Sajnos ebben a r....t városban semmit nem lehet kapni ellenállások, kondon meg 1-2 apróságon kívül. Minden rendelni kell. Jelen cuccomat a hestore-tól rendeltem és őszintén nem figyeltem, hogy az ott elérhető kijelző nem lesz jó az IC-hez. Ha most rendelek megint 1 hét mire megjön és én a hétvégén már építeni szerettem volna.
Szóval ne erölködjek?
Sehol nem találok olyan led kijelzőt ami 4x7-es. 4x(1x7) meg szerintem csúnya lenne. Nézegettem "olcsóbb" 16x1-es LCD-ket, de annak meg már a meghajtása nem ilyen egyszerű. Egyébként honnan tudom meg, hogy egy kijelzőhöz milyen meghajtó IC kell??
Leginkább a szegmensek meg a lábak száma alapján.
Ha több láb mint szegmens, akkor közös anódos/ katódos (általában a legtöbb ledes alapkijelző ilyen), ha kevesebb láb mint szegmens,akkor multiplexelt (ezen belül is lehet közös anódos vagy katódos ill. az is változhat, hogy hány szegmens van összevonva.) .Ezen információ alapján kell hozzá IC-t keresni.
Szia!
Ahol az ellenállásokat szoktad venni, onnan nem tudnak rendelni kijelzőt?
Akkor elképzelhető, hogy innen kellene még 1 IC:
http://www.hestore.hu/kereses.html?sf=multiplex&lo=ALL&s=Keres%E9s
Hát nem is egy....,de jó felé gondolkozol. Ha marék számra volna otthon, és nagyon ráérnék meg ingyen kellene csak akkor fognék neki.
De ha ez ennyire körülményes egy kijelző akkor miért ezt árulják és miért nem a "normális" változatát?
Mert MPX-eshez ezt egyszerűbb használni, én is ezért építettem ilyenből számlálót… Nem kell bele minden szegmenshez átkötögetni, stbstb.
Nem csúnya az, szépen egymásmellé lehet rakni őket. Úgy vannak gyártva.
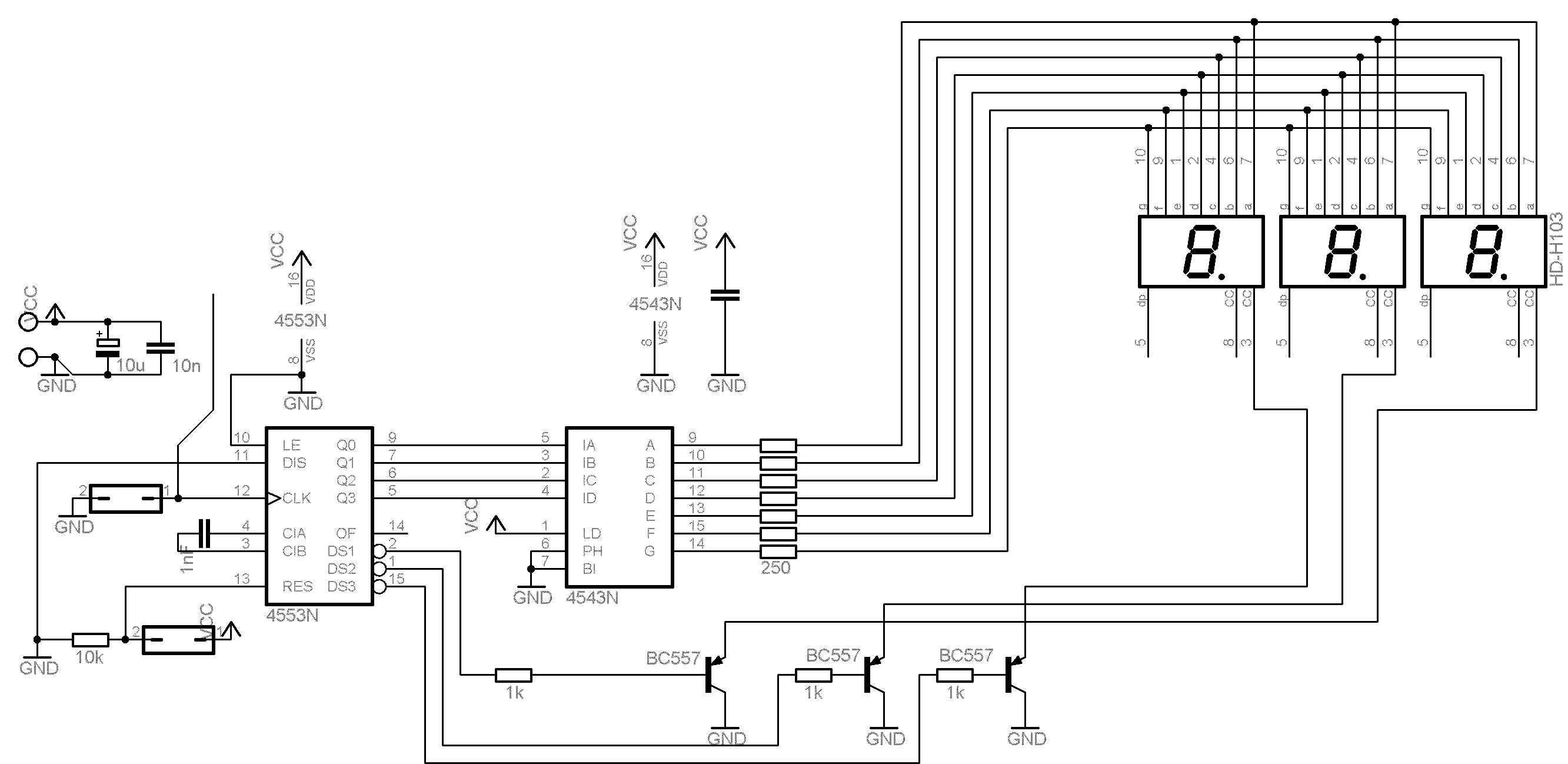
Tudsz adni nekem egy kapcsolási rajzot, hogy lássam milyen alkatrészek kellenek a működéséhez?
Ahha, itt egy példa! (Persze ezt is lehet külön digitekből építeni, de szerintem értelmetlen - én BC56-12SRWA-t használtam hozzá.)
Kezdem kapizsgálni.
Gondolom a 4553 nekem nem jó mert én hőmérőt szeretnék. A 4543 akkor is jó lesz, ha nekem a kijelzőm 4x7 szegmens? |
Bejelentkezés
Hirdetés |












