Fórum témák
» Több friss téma |
Fórum » ICL7106/ICL7107
A legnagyobb helyértékű (fél) digitet is figyelni kell! Hiszen lehet pl ilyen érték is: 106.3
Ez esetben nem kell tiltani a nullát! Az E és F szegmenseket szintén nem elég figyelni, mert ezek a 8-as szám esetén is világítanak! Ezért sajnos mind a hét szegmenst és a legnagyobb helyértékű 1-est is figyelni kell, plusz akkor a tizedespontot is. Tehát: Ha a tizedespont a második digitnél világít ÉS a negyedik digit nem világít (1-es), ÉS a harmadik digit A, B, C, D, E, F szegmensei világítanak ÉS a G szegmens pedig nem, akkor tiltható le a harmadik digit.
Én azért egyszerűsítettem le ennyire a kiértékelést mert ennek a panelműszernek csak 12.00 (012.0) -ig kell mérnie.
Most egy 4081 -el megcsináltam, de halvány az 1, ha világítania kell. 2,5V van az IC kimenetén, ha bekötöm a kijelzőre, ha lekötöm akkor meg 5V. Lehet, hogy a kimenettel egy tranzisztort kellene vezérelnem ami ami kapcsolja a kijelző anódját?
Kicsit elmélkedtem amit írtál ha jól gondolom akkor pl: maradok a 2x0.1ohm-os 5W ellenállásoknál akkor annyi a lényeg hogy a 250mV-ból 50mV-ot kapjon a feszmérő elvileg akkor bármilyen 4:1 arányú ellenálláspár jó. (Nem rajongok a potiért). PL: 470és330 párhuzamosan és egy 100ohmos velük sorba.
Ha 5W-os lesz a sönt (a 2db 0.1ohmos) és 10A folyik át rajtuk akkor 5W-ot fognak fűteni ugye? Ez nem okoz nagy pontatlanságot mivel a sönt akkor már jó meleg lesz?
Ez a "hát igen" pontosan mit akar jelenteni?
Igen a tranzisztorra vagy az én lámaságom minősítése??
Az utolsó mondatodra írtam, hogy tranzisztorral kellene vezérelni az anódot.
- 2db 0,1ohm 5W-os párhuzamosan kötve 0,05ohm 10W lesz.
- ezen akkor fog 250mV feszültség esni, ha éppen 5A áram folyik rajta. Ha esetleg 10A folyik, akkor csak annyi történik, hogy 500mV esik rajta. - a teljesítmény UxI, azaz 5A-nél 0,25x5=1,25W, 10A esetén 0,5x10=5W. Tehát elvileg mindekttőhöz elég a 10W összteljesítmény, de jól látod, hogy utóbbi esetben már erősen melegedni fognak. Aztán ennek a melegnek a hatását nehéz előre pontosan kitalálni, mert valamilyen mértékű hőfüggése biztosan van az ellenállásnak. - A söntön eső feszültséget a műszer részére nem tudod előre pontosan meghatározott módon leosztani, mert minden alkatrésznek van szórása, ezért a teljesítmény-ellenállásoknak is, meg az osztóknak is. Ezrét szokás trimmert használni, de valóban behoz némi bizonytalanságot. Ennek mértéke azonban egyáltalán nem kritikus, én javaslom a trimmert, de ha akarod, több ellenállás párhuzamosításával nagyon finoman lehet hangolni a mérést. - A kijelzőre akkora feszültséget kell juttatni, hogy annak hatására a kijelzett érték arányos legyen a mért jellemzővel. Ez pl. 5A esetén, valóban 50mV, mert ekkor a kijelzett érték 5,00 lesz. De természetesen, attól, hogy 5A-re kalibráltál, a kijelző helyesen fog mérni, ettől kisebb és nagyobb áramokat is (19,99A-ig). Legalábbis a kijelezhető 10mA-es felbontás korlátain belül.
Elviekben pontosnak kéne lennie, de akkor ez úgy kell hogy működjön, hogy egy hiteles árammérőhöz kell állítani?
Ha 2 tizedes jegyű a kijelzés pl:5.00 akkor a százados kiírás mennyire szokott ugrálni?
Helló.
Te ehhez a sönthöz és a feszosztó részhez csináltál nyákot? Vagy légszereléses stílusban készítetted el? Nem tudom érdemes e nyákot készíteni neki. (Lehet egy bakelit lapra elég lenne feltenni.)
Sziasztok!
Úgy alakul a dolog, hogy nem fogom tudni egy nyákra tenni a kijelzőket és az IC-t. Jelenthet valami gondot, ha külön nyákon van az IC és alkatrészei külön a kijelzők és kb. 6-10cm hosszú vezetékekkel vannak összekötve?
Az IC és a kijelző közti kapcsolat egyáltalán nem érzékeny, ezért e miatt nem valószínű, hogy bármi gond is lenne. Csak elég nehéz szépen megoldani a huzalozást, és könnyű elhibázni a kötéseket.
Ezért találtam ki a "kétpaneles mérőegységet", mert annak csak egy kijelzőnyi hely kell, és szorosan egymás mellé halomzható mindkét irányban. Itt láthatod milyen.
És elég erős? Ha jól látom csak a forrasztás tartja a két panelt egybe.
A két dióda mi célt szolgál?
Ok. Már látom. Nem vettem észre a a felette lévő kapcsolási rajzot.
De azért a stabilitás érdekel.
Hello!
Annyit hozzáfűznék a témához, hogy az integráló (Dual-Slope) digitál-analóg átalakítók, mint az IC7106/07 is, működésükből adódóan, elnyomják a bemenetre érkező hálózati zavarjelet. De a helyes működés feltétele, hogy az integrálási idő a hálózati jel periódusidejének egész számú többszöröse legyen. Ezt (és egyben az egy másodpercen belüli konverziók számát) az IC órajel frekvenciája (a 38-39-es lábon lévő RC tag által) határozza meg. Az adatlapokon és hálózaton keringő mintakapcsolások általában amerikai eredetűek, így a 60Hz-es hálózati frekvenciára vannak beállítva. Így az elnyomás magasabb zavarjel esetén 50Hz-en már nem elégséges. Ha az oszcillátor frekvenciája 48kHz, akkor másodpercenkénti konverzió 3, és az elnyomás 60Hz-nél érvényesül. Ha a frekvencia 50kHz, akkor a másodpercenkénti konverzió 3,12 és az elnyomás optimuma 50Hz-re esik. 40kHz és 2,5 konverzió/sec esetén az elnyomás 50 és 60Hz-nél is működik. Természetesen az oszcillátor frekvencia többszörösei és egész számú hányadosai esetén is hasonló eredményhez jutunk (20 és 240kHz között). Ezért célszerű az oszcillátor frekvenciáját pontosan beállítani, és az RC tagot jó minőségű, hőre és időben stabil elemekből választani. Egyszerű esetben ezt úgy is megoldhatjuk, ha a bemenetre kis váltófeszültséget vezetünk, és figyeljük a kijelzett érték vándorlását. Mert a váltófeszültség átlagértéke azonos fázisú pontok között zérus.. üdv! proli007
Sorra merülnek fel bennem a kérdések ahogy gyűlnek a tapasztalatok.
Több kapcsolást is kipróbáltam a 7107. Ami nekem nem érthető az a feszültség osztás értékei. Sok helyen ezek vannak: 1,2k, 12k, 120k... Vagy 1k, 100k.. Nos nekem ezekkel az értékekkel nem akar pontos lenni. Azt csináltam, hogy a Vref -et beállítottam pontosan 100 mV. Mértem az IC 30-31 lábai közötti feszültséget és az osztóba 10k ellenállás volt. A valódi érték és a mért érték között kb. 30-50 mV eltérés volt. A 10k ellenállást kiegészítettem sorosan 69 ohm ellenállással és így az eltérés csak 1 mV. Ez már elfogadható. De nem értem, hogy miért? Megmértem a 10k ellenállásom és pontosan 9.99k a multiméter szerint. Tehát önmagában is jónak kellene lennie. Mitől függ még az osztás pontossága? Hova kell még nagyon pontos értéket tenni?
Van 'régi' TR-1600 asztali multiméterem aminek a lelke egy 7106 IC. Tele van sokfordulatos trimmer potméterekkel. Még az ominózus oszcillátroban is trimmer van fix ellenállás helyett.
Most már értem, hogy miért. Megpróbálom 40 kHz -re beállítani.
Bár az adatlap meg ezt írja:
Oscillator Components For all ranges of frequency a 100k resistor is recommended and the capacitor is selected from the equation: Ebben az esetben az én műszeremre ez akkor nem igaz. És tudatlanságom ékes bizonyítéka, hogy nem tudom kiszámolni a szükséges értéket. f = 0,45/RC De mi az RC értéke? 100k*100pF ? Ebből hogyan lesz 48 kHz?
f = 0,45/ (2*3,14)*(1000*0,001) = 139,5
139.5/3 = 46.5 kHz Szerintem nem jól számolok. Segítsetek mert én ilyesmit sosem tanultam.
Át kell váltani az R-et is és a C-t is alapegységbe, ohmba és farádba.
100kR=100x10 a harmadikon 100pF=100x10 a minusz tizenkettediken Így RxC=10 a minusz ötödiken 0,45/0,00001=45000Hz=45kHz
Akkor nem értem, hogy ebből, hogyan 48 kHz?
Sziasztok!
Van egy labortápom, amihez építettem Topi féle 7107-es voltmérőt. Szeretnék ezzel az IC-vel egy hasonló kapcsolást, amivel áramot lehet mérni. Sokat kerestem már ilyen rajzot, egyet találtam külföldi oldalon, de angolul se tudok nagyon, meg nem volt NYÁK terv. (ilyenhez azért nem akarok tervezni) Ha valakinek van egy működőképes ilyen 3,5 digites árammérője, akkor fel tehetné a NYÁK rajzal. Max. 3 amper kellene. Előre is köszönöm!
Sokszor visszatérő a kérdésed, így erre már egy csomó választ találhatsz. Én is írtam erről, amit elolvashatsz pl. ennek a hozzászólásnak a mellékletében.
Sziasztok!
Most fejeztem be egy hőmérőt, ICL7107-tel.Természetesen nekem is ugrál a kijelzés, de eszembe jutott, hogy nem mostam át forrasztás után. Nem találtam itthon csak izopropil-alkoholt, és nem tudom, azzal moshatom-e. Ha vlaki gyorsan megmondaná nagyon megköszönném....
Hello!
Nyugodtan. De a műanyag alkatrészeket azért ne áztasd benne, van amelyiket megpuhítja. üdv! proli007
Köszönöm!! Úgy gondoltam, hogy ecsettel átmosom, hogy az IC foglalat alá is beférjek.
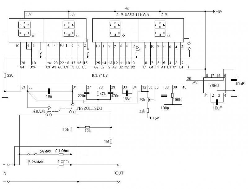
Sziasztok, meg epitetem ez a labor tapot es hozza ezt a panel muszert, azt szeretnem kerdenzni hogy ezt a panel muszert hogy tudnam be kotni hogy ampert is tujak merni vele kerlek toltsetek fel egy egyszeru rajzot es konyen meg retheto magyarazatott
Bővebben: LinkBővebben: Link
ja * es ugy szeretnem hogy ha nincs a labortapon terheles akkor is mutassa. legyszi segitsetek. koszonom elore is
Szia
Olvass egy kicsit vissza. A 20 …26 oldal környékén eléggé ki van részletezve. Ha továbbra se megy, kérdezz. Délután válaszolok. üdv.
Mar regebb vissza olvastam volt s egy par rajz alapjan bekotem de nem mert semit. ha tudsz kerlek csinaj egy pontos rajzott hozza hogy jol mukodjon. elore iskoszonom szepen
|
Bejelentkezés
Hirdetés |











