OK
Mégsem
Hobbivasút
|
HESTORE
|
Kislexikon
Hírek
Cikkek
Fórum
OK
Hírek
Cikkek
Fórum
Lexikon
Segédprogramok
Apróhirdetés
Fórum témák
ARM - Miértek hogyanok
Ez milyen alkatrész-készülék?
Ki mit épített?
Elektronikában kezdők kérdései
AVR - Miértek hogyanok
PIC kezdőknek
NYÁK-lap készítés kérdések
[OFF] Pihenő pákások témája
- Elektronika, és politikamentes topik
•
Érdekességek
•
Villanyszerelés
•
Hűtőborda
•
Crystal radio - detektoros rádió
•
VF3 - 6 végerősítő
•
Alternativ HE találkozó(k)
•
Erősítőhöz való hangsugárzó védelem (koppanásgátló)
•
RIAA korrektor
•
Autórádió beszerelése
•
Labortápegység készítése
•
Rádióamatőrök topikja
•
Videókártya probléma
•
Tv csatlakoztatása digitális-analóg audio konverterrel fejhallgatóhoz
•
Videoton RA 6363 és EA 6383 javítása
•
SDR (Software Defined Radio)
•
Akkumulátoros fúró
•
Sütő javítás
•
Kapcsolóüzemű tápegység
Érintőkijelző programozás
•
LED-es világítás
•
Sprint-Layout NYÁK-tervező
•
Erősítő mindig és mindig
•
Opel Astra elektromos hibák
•
LCD TV probléma
•
Elektromos sertéskábító
•
Kapcsolási rajzot keresek
•
Fejhallgató erősítő
•
Mosógép vezérlők és általános problémáik
•
Felajánlás, azaz ingyen elvihető
•
Izzítás és izzítógyertya teszter
•
3D nyomtatás
•
Mosogatógép hiba
•
Mikrohullámú sütő javítás, magnetron csere, stb.
•
PIC égetési hibák, problémák, kérdések
•
Castone erősítő javítás
•
Gigatron TTL számítógép
•
DC motor/lámpa PWM szabályzása
•
Gázkazán vezérlő hibák
•
Arduino
•
Bojler fűtése közvetlenül napelemmel
•
Vásárlás, hol kapható?
•
Tápegységgel kapcsolatos kérdések
•
K típusú hőelem alkalmazása
•
Gitár torzító / Effekt / Erősítő / Pickup
•
Gáztüzhely elektromos szikráztatója
•
Rendelés külföldről (eBay - Paypal)
•
Számítógép hiba, de mi a probléma?
•
Frekvenciamérő
•
Forrasztási 1×1 forrasztástechnikai miértek
•
Elfogadnám, ha ingyen elvihető
•
Futópad
•
Házilag építhető fémkereső
•
Villanymotor bekötése
•
Akkumulátor töltő
•
Energomat mosógép
» Több friss téma
Fórum
Keresendő kifejezés
Keresés módja
Intelligens keresés
Hozzászólás keresés
Fájlmellékletben
Fájlmellékletben (képek)
Kategória
Minden kategória
Alapismeretek
Ellenállások
Kondenzátor
Áramforrások
Tekercsek
Kapcsolók
Érzékelők
Motorok
Műszerek
Egyéb
Analóg áramkörök
Erősítők
Szabályzók
Egyéb
Digitális áramkörök
Flip - Flop és tárolók
Kapuk
Vonali választók
Multiplexerek
Dekóderek
Demultiplexerek
Bufferek és meghajtók
Számlálók
Regiszterek
Aritmetikai áramkörök
Logikai áramkörök
Memóriák
Egyéb
Mikroprocesszorok
PIC
Memória / EEPROM
Memória / EPROM
Memória / RAM
Egyéb
AVR
STM32
STM8
Espressif, ESP
LPC
SAM
PIC32
ARM általános
Speciális
Csövek
A/D konverterek
Időzítők
Komparátorok
Egyéb
Technika
Audiotechnika
Fénytechnika
Vezérlés technika
RF technika
Méréstechnika
Keresés
Új téma nyitása
Lapozás:
1. - 50. elem
51. - 100. elem
101. - 150. elem
151. - 200. elem
201. - 250. elem
251. - 300. elem
301. - 350. elem
351. - 400. elem
401. - 450. elem
451. - 500. elem
501. - 550. elem
551. - 600. elem
601. - 650. elem
651. - 700. elem
701. - 750. elem
751. - 800. elem
801. - 850. elem
851. - 900. elem
901. - 950. elem
951. - 1000. elem
1001. - 1050. elem
1051. - 1100. elem
1101. - 1150. elem
1151. - 1200. elem
1201. - 1250. elem
1251. - 1300. elem
1301. - 1350. elem
1351. - 1400. elem
1401. - 1450. elem
1451. - 1500. elem
1501. - 1550. elem
1551. - 1600. elem
1601. - 1650. elem
1651. - 1700. elem
1701. - 1750. elem
1751. - 1800. elem
1801. - 1850. elem
1851. - 1900. elem
1901. - 1950. elem
1951. - 2000. elem
2001. - 2050. elem
2051. - 2100. elem
2101. - 2150. elem
2151. - 2200. elem
2201. - 2250. elem
2251. - 2300. elem
2301. - 2350. elem
2351. - 2400. elem
2401. - 2450. elem
2451. - 2500. elem
2501. - 2550. elem
2551. - 2600. elem
2601. - 2650. elem
2651. - 2700. elem
2701. - 2750. elem
2751. - 2800. elem
2801. - 2850. elem
2851. - 2900. elem
2901. - 2950. elem
2951. - 3000. elem
3001. - 3050. elem
3051. - 3100. elem
3101. - 3150. elem
3151. - 3200. elem
3201. - 3250. elem
3251. - 3300. elem
3301. - 3350. elem
3351. - 3400. elem
3401. - 3450. elem
3451. - 3469. elem
OK
69 / 70
HPIM1048.JPG
HPIM1050.JPG
LM723_power_...jpg
Tap3.gif
IMGP2043.JPG
IMGP2051.JPG
szab.gif
poti.GIF
rádiotechni...jpg
Negative 6V ...png
index.php.png
HPIM7210.JPG
tap-elolap.gif
rádiotechni...jpg
rádiotechni...jpg
LM324.JPG
hobbielektro...gif
rádiotechni...jpg
2xtrafo.jpg
labortáp.gif
LM10.jpg
tap.JPG
tap.gif
2n3055.JPG
Kep.jpg
lm317.gif
tap.gif
tap-mod.jpg
Skicc.JPG
poti.png
Clipboard01.jpg
lm338k.jpg
táp kiegés...jpg
powersupply_...jpg
lm317f[1].jpg
labortap_tel...jpg
eloszab_tap.jpg
power_supply.jpg
732IC.jpg
Sz.táp.JPG
tapszab[1].gif
P1010040-1.JPG
P1010041-1.JPG
P1010042-1.JPG
P1010045-1.JPG
tapszab.gif
ps.jpg
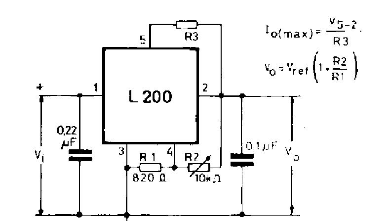
L200.JPG
0-24V.JPG
0-45V 3A tap.gif
Következő:
1. - 50. elem
51. - 100. elem
101. - 150. elem
151. - 200. elem
201. - 250. elem
251. - 300. elem
301. - 350. elem
351. - 400. elem
401. - 450. elem
451. - 500. elem
501. - 550. elem
551. - 600. elem
601. - 650. elem
651. - 700. elem
701. - 750. elem
751. - 800. elem
801. - 850. elem
851. - 900. elem
901. - 950. elem
951. - 1000. elem
1001. - 1050. elem
1051. - 1100. elem
1101. - 1150. elem
1151. - 1200. elem
1201. - 1250. elem
1251. - 1300. elem
1301. - 1350. elem
1351. - 1400. elem
1401. - 1450. elem
1451. - 1500. elem
1501. - 1550. elem
1551. - 1600. elem
1601. - 1650. elem
1651. - 1700. elem
1701. - 1750. elem
1751. - 1800. elem
1801. - 1850. elem
1851. - 1900. elem
1901. - 1950. elem
1951. - 2000. elem
2001. - 2050. elem
2051. - 2100. elem
2101. - 2150. elem
2151. - 2200. elem
2201. - 2250. elem
2251. - 2300. elem
2301. - 2350. elem
2351. - 2400. elem
2401. - 2450. elem
2451. - 2500. elem
2501. - 2550. elem
2551. - 2600. elem
2601. - 2650. elem
2651. - 2700. elem
2701. - 2750. elem
2751. - 2800. elem
2801. - 2850. elem
2851. - 2900. elem
2901. - 2950. elem
2951. - 3000. elem
3001. - 3050. elem
3051. - 3100. elem
3101. - 3150. elem
3151. - 3200. elem
3201. - 3250. elem
3251. - 3300. elem
3301. - 3350. elem
3351. - 3400. elem
3401. - 3450. elem
3451. - 3469. elem
»»
69 / 70
Bejelentkezés
Felhasználónév
Jelszó
Jegyezz meg!
Belépés
» Elfelejtett jelszó
» Regisztráció
Hirdetés
A használat feltételei
•
Adatvédelem
•
GY.I.K., Használati útmutató és szabályok
•
Impresszum
•
Elosztó
•
Hiba jelentése
Az oldalon sütiket használunk a helyes működéshez. Bővebb információt az
adatvédelmi szabályzatban
olvashatsz.
Megértettem