Fórum témák
» Több friss téma |
Fórum » Indukciós hevítő készítése
Van itthon N87-es anyagú ETD39 ferritmagom arra hány menetet kellene tekerni, hogy megfelelő fojtást adjon?
Mert gyanítom, hogy a mostani nem éppen megfelelő értékű hozzá.
Itt a fojtó nem csak áramkorlátozó szerepet tölt be.
Úgy nagy vonalakban: A fojtó, ill. a 10db MKS kondenzátor valamint a munkatekercs induktivitása alkot egy rezgőkört, aminek rezonancia frekvencián az impedanciája nagyon alacsony, így nagy áramok tudnak folyni. Ezek a változó nagy áramok a munkatekercsben (n*felvett áram) változó mágneses mezőt hoznak létre, amely örvényáramot indukál a melegítendő fém tárgyban. A két FET szerepe a rezgőkör gerjesztése, a rezgés fenntartása. A fetek vezérléséhez szükséges jelet az áramkör kialakítása miatt (ellenütemű konverter) a másik fet drain-ról le lehet venni, ill. formázni lehet. A ZVS-re nem térek ki, ez csupán a rezonancia egyik lehetőségének kihasználása a kapcsolási veszteség (fet melegedésének) csökkentése miatt. Ha van PC-tápból pár sárga-fehér porvas gyűrűd, akkor három-négy darabot fogj össze, és kb 14-15 menetet tekerj rá vastag rézdrótból. Ez úgy 20uH induktivitást eredményez, és 40A-t simán elvisel, igaz picit melegszik. Nézd át a megépített áramkört pár szempontból: - Vannak-e benne hurkok, nagy kerülők. - Hosszúak-e azok a vezető sávok/vezetékek, amelyeken nagy áramok folynak. Ha igen, akkor ezeket csökkensd, épísd szorosra. Valamint ha legközelebb próbálod, köss sorba egy izzót, és figyeld ha egy nagy fémtárgyat teszel a munkatekercsbe, akkor mennyire változik a fényereje az izzónak. szerk. volt
Köszönöm a tanácsokat.
Majd jövőhéten megépítem a módosított kapcsolást amit rajzoltál. Remélem végre sikerül összehozni, hogy működjön.
Sajnos nem találtam itthon pc tápból kimaradt fojtókat.
Milyen vasmagra és mennyit tekerjek, hogy jó legyen a kapcsoláshoz?
Egy kis módosítás:
A betápról jövő 1k-t nem kell az áramkörbe, a 10k-t csökkensd kb 2k2-ig. (2W-os legyen) ETD39 kicsi fojtónak, maradjon az ami most van.
Ma megépítettem a múltkor rajzolt kapcsolásod és azt tapasztaltam, hogy nagyon nyűgösen sokadik bekapcsolásra indult csak el. Nem akar berezegni valószínű. Remélem ha módosítom könnyebben indul majd. Fojtónak való vasmagot szereztem ma egy ismerőstől. típusa: P36/22 n48 ( fazékvasmag légréssel)
250 nH az Al értéke. Utánanéztem a fojtóméretezésnek és egy ilyen képletet találtam, hogy L = Al*n[sup]2. Akkor elvileg ez 25 uH lenne 10 menettel.
Igen, énis tapasztalom vele, miután összeraktam ma
(inkább csinálom veled, hogy ne az emlékezetemre hagyadkozzak mindig)Ne úgy módosísd ahogy írtam, újból felrakok egy módosított rajzot. A P36/22 már testesebb vasnak tűnik, próbáld meg vele 10 menettel, de izzót, meg 40A-es biztit köss vele sorba, nehogy elszáljon ha betelít a fojtó magja. Pontos geometriai méreteket tudsz adni a tekercsedről? (átm. hossz. menetszám, megcsapolás helye) Meg, tápfeszültségnek mit szánsz véglegesen? Én jelenleg 12-13V-ról próbálom, és 3-3db IRFZ44 van benne. (Ha jó szorosra van építve, és nincsenek benne hurkok, nem keletkezik jelentős feszültség túllövés a feteken, meg lehet a fetekkel párhuzamosan kötni 10n-s kondikat [D-S lábra], amik elnyelik a maradékot, és az áramkör működésébe nem szólnak bele.) Csavarhúzót, 8-as anyát hamar izzít.
Heló!
Mit szólsz a mellékelt kapcsoláshoz? Működhet? A probléma ott lehet, hogy a transzduktor váltófeszre való, viszont láttam már olyan egyenáramú tirisztoros vezérlést is amibe a tirisztoron egy rezgőkör volt, tehát kihasználhatjuk a munkatekercs rezgőkörét az áramkör működtetéséhez. A második kapcsolás szerint is munkára lehet fogni, ha csak egy kapcsolóelem van (most lényegtelen, hogy milyen)?
Transzduktor lassú eszköz nagyon, itt nem lehet használni.
A tirisztor meg nem transzduktor.
Ma sikerült működésre bírni a kapcsolást.
Módosítottam ahogy ajánlottad. 12 volton nem akar még indulni, de 30 voltról egyből indul! Üresjárásban 1,8A áramot vesz fel, terhelve meg 12 A körül. A tekercs 10 menetes átmérője 9 cm hossza 8 cm és középen van megcsapolva. Tervezem kisebb tekercs építését, hogy gyorsabban melegítsen. Most a 2 colos vascsövet 20 másodperc alatt melegíti 100 fokra. Rövid időre meghajtottam 50 voltról és azt tapasztaltam, hogy az áramfelvétel nem megy 12-15 A fölé. Nagyon gyorsan melegített csak a kondik meg a táp nagyon melegedett. Egyenlőre ennyit tudok mondani.
Az érdekes. Nekem indul 12V-ról is.
Üresjárati felvétele szintén jó, 1A környékén mozog nekem is. Mondjuk jóval kisebb tekercs van hozzá. 3.5cm átmérőn 2x3 menet jól kinyújtva kb. 4cm széles. A tekercs geometriájának változtatásával igazából csak a hatásfokot tudod növelni, és különböző fémtárgyakhoz, különböző tekercseket kell készíteni. A teljesítményt nagy esélyel a kondik soros ellenálása korlátozza, ezért is melegednek annyira. Ezt úgy tudod orvosolni, hogy minnél több, kisebb kapacítású kondiból építed fel a szükséges bankot. Meg tudod mérni esetleg az üzemi frekvenciáját? (Pl. freki mérésre alkalmas multival G-S között az egyik FET-en?) Amúgy mire akarod használni? Mert lehet más meghajtó topológiát is alkalmazni, ha nagyobb teljesítményre van szükség. (Pl. 220-at egyenirányítva pufferelve egy félhíddal hajtani egy hasonló rezonáns kört, link)
Üzemi frekit sajna nem tudok mérni mert nincs hozzá alkalmas eszközöm.
Egyébként vizipipához akarok szenet izzítani egy vas tégelyben. A vasat olyan 700 fokra kellene melegíteni és 4-5 percig azon a hőfokon tartani. Kisebb tekerccsel és több kondiból összerakott bankkal szerintem menni fog a dolog. Mert ezzel a kialakítással 500 fokig sikerült felizzítani a 2 colos vastagfalú csövet. Tápegység trafót meg majd tekercselek hozzá. Nincs lehetetlen csak tehetetlen!
Érdekes cél
![]() Várom a fejleményeket, óvatosan próbáld ki, ha kész vagy az új tekercsel, és kondi-bankkal, lehet annyira megugrik az áramfelvétele, hogy elfüstöl. Amúgy, FET-ek mennyire melegednek? Ha 4-5 percig folyamatosan kell mennie, tegyél rájuk elég nagy bordát, esetleg ventivel, nehogy megfőljenek. (Amúgy pont ez az eset az, amikor félhidas meghajtást használva súlyt, és méretet spórolnál, de szerintem is jó lesz ez, majd ha kell még csinálni ilyet, akkor lehet tovább fejleszteni)
Már hogy lenne lassú? Ha MHz-es ferritmagra csinálnám, akkor biztosan elég gyors, vagyis a használt mag anyagától függ a gyorsasága (szerintem).
Amúgy 100KHz-re gondoltam.
Nincs olyan hogy MHz-es mag.
A transzduktor meg nem kapcsolóeszköz, csupán egy szabályozott induktív tag egy váltóáramú rendszerben. Abban a bekötésben ahogy rajzoltad a mellékleteidben egy folyamatos DC áram alakulna ki, vagyis lényegében egy rövidzárat raknál a tápforrásra.
Ma tekercseltem egy izmosabb tápot a hevítőhöz. Ez már nem melegszik. Azt tapasztaltam, hogy 3 A üresjárási áramot vesz fel 60 voltról és mikor leterhelem akkor olyan 18 A körül vesz fel 35-voltról. A táp stabilizálását majd megoldom. Olyan 400 watt körüli teljesítménnyel üzemel most. A kondibank nagyon melegszik. Milyen értékű és fajtájú kondenzátort ajánlasz hozzá?
Ezt megépítette már valaki?
Nálam nem működik...
Meg. Ez alapvetően nem indukciós hevítő, hanem sorkimenő meghajtó.
Idézet: „Nálam nem működik...” Van ez így.
Semmi baj.
De akkor az oldalon ahonnan néztem, miért vagy mitől működik?? http://www.hochspannung.ch.vu/
Itt tényleg ZVS-ből készítették a hevítőt: Bővebben: Link
Én megépítettem a pimi9 által módosított ZVS kapcsolást és jól működik.
Jól van összerakva. Most elvárod, hogy kitalálja valaki, hogy nálad mitől nem működik? Nálam is halott jelenleg a zvs egyébként, de eddig gond nélkül működött hevítőként is.
Kzoca, hol találom meg azt a kapcsolást?
Nem várok el senkitől semmit,
csak egy kis segítséget szerettem volna kérni. Ehhez a nagyképű hangnemhez egy kicsit fiatal vagy, nem gondolod???
Semmi szükség személyeskedésre, én valami konkrétumra vártam, hogy leírd, mi a hiba jelenség, vagy valami más alkatrészt használtál, mint ami meg van adva.
Ne vedd személyeskedésnek. Van amikor nem birok higgadt maradni....
Nálad egyébként mitől halt meg a cucc? Egy alkatrészben tértem csak el, munka kondinak egy db 8µF/3kV-ost raktam be, nem több kisebb párhuzamra kapcsolását alkalmaztam. (lehet hogy az ESR-ből adódik a gond?) Ez a hevítő cucc nekem a hagyományos viking tüzem és a 2x20KW-os gázégőm mellé kellene kisebb vasdarabokat hevíteni. (meg bronzot olvasztani). Az is lehet hogy egy nagyobb teljesítményűben kellene gondolkodnom, mert nem ritka hogy egész nap kovácsolok. Idézet: „munka kondinak egy db 8ľF/3kV-ost raktam be” Kapacitásra az túl nagy. Bővebben: Link Itt rendesen le van írva minden. A kondinak a lehető legkisebb veszteséggel kell rendelkeznie. Szóval ez elsősorban fóliakondi. Hevítő üzemmódban ezen kívül a kondit és tekercset erősen hűteni kell. Ez a meghajtó alapból párszáz W-al képes melegíteni (200 mondjuk), így ez egy 6-os csavart is csak lassan hevít fel vörösizzásig. Nálam nem tudom mi a probléma, mivel újra akartam építeni 4-es rézcsővel, és rövid elvezetésekkel, ugyanazokkal az alkatrészekkel, de valamiért folyamatosan nyitva tartja az egyik fetet valami. Aztán kicseréltem minden alkatrészt, de a hiba megmaradt. Szkóp hiányában nem tudom rendesen megvizsgálni, de elég érdekes jelenség.
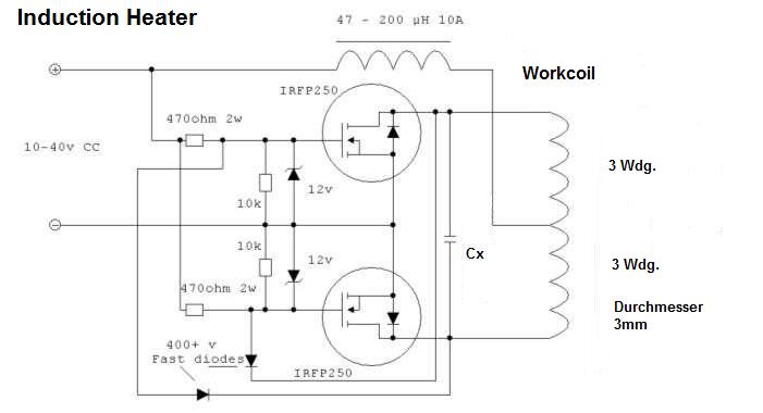
Itt megtalálod azt a kapcsolást amit én használok kb. 400 w teljesítménnyel.Bővebben: Link
Nálam akkor ez felejtős,
10-30mm átmérőjű anyagokat akartam volna hevíteni, kovácsolási (800-1000 C) és kovácshegesztési (> 1000C) hőmérsékletre.... Gondolom bőven átugrunk evvel a kilowatt fölötti kategóriába. így viszont dobnom kell az indukciós hevítés ötletét, ilyen teljesítményben bonyolult készülékeket láttam csak. Ötlete valakinek??? |
Bejelentkezés
Hirdetés |




(inkább csinálom veled, hogy ne az emlékezetemre hagyadkozzak mindig)


Rövid időre meghajtottam 50 voltról és azt tapasztaltam, hogy az áramfelvétel nem megy 12-15 A fölé. Nagyon gyorsan melegített csak a kondik meg a táp nagyon melegedett.






