Fórum témák
» Több friss téma |
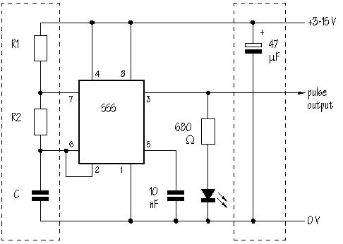
Egy egyszerű, de stabil jeladó kellene 36 Khz-re, max 9 V tápfeszről
R1 = 3,9K
R2 = 18K C = 1nF Kb 54%-os kitöltési tényezőt kapsz, és 36,090226 KHz-et. Ez a pontosság már infrához (gondolom ahhoz kell) elég.
Köszönöm. Elfogadom megoldásnak. Én is valami ilyenre gondoltam, de nem találom, pedig valamikor láttam egy frekvencia számitó programot 555-re. ha tudnál egyet adni az lenne a hab a tortán.
Köszönettel : alux
Program csatolva!
Egész jó kis progi, én képlet alapján számoltam
![]() Jó program, csak minden másodpercben Runtime error, Type mismatch üzenetet kapok...
Mer nem én írtam, azér
Netről szedtem, azt csak szabad :yes:
Köszi. Hab lett a tortán ! De nem tudok újabb 50 pontot adni, úgy hogy ha elég....http://www.hobbielektronika.hu/forum/wtopic.php?topic_id=3540&ppid=0&pop=1#
http://www.hobbielektronika.hu/forum/wtopic.php?topic_id=3540&ppid=0&pop=1#
Helló mindenkinek aki idetéved még! Kérdésem infra vevő és adókkal lenne kapcsolatos, találtam egy csomó témát ( túl sokat is nem tudtam melyikbe írja kezért ide írtam).
szóval infra kaput szeretnék esetleg jelátvitelt, még nem tudom a kapcsolás ennek a függvénye igazából kapcsolás már körvonalazódik a gondom az hogy minnél nagyobb távolságra, vevőnek tsopxxxx szeretnék használni.. 1. melyik típust használjam az utólsó két szám a vivőfrekvencia ez tiszta de az első kettő létezik 17, 22, ... és ezek között még azonos számokban (első kettő) akár egy dekád árbeli külömbség is lehet. nekem minnél érzékenyebb és a napfényre érzéketlenebb jószág kéne, nézegettem az adatlapjaikat és túl nagy külömbséget nem találtam a fő paraméterek megegyeznek, angolból nem vagyok pro lehet az ördög a részletekben rejlik... 2. adónak milyen diódát használjak láttam diódát fémtokost 700-ftért is conradéknál de 100ftért is a szokásos kékes lilás színűt, (gondolom itt a minnél nagyobb teljesítményű a nyerő itt vagy mW vagy mW/sr szerepel számomra a második nem ismert???) néztem infra lézereket de azok sokkal drágábbak gondolom meg a koncentráltságmiatt valószinű akár káros is lehet már kis teljesítménynél is (szemre ha ez nem lett volna egyértelmű) valaki tud segítsen!
helosztok ehez az adóhoz tudnátok vevö kapcs rajzot is felteni?elöre is köszi
tsop 1736 os ir vevöhöz!
Egy nagyon egyszerű IR adót szeretnék készítni ami 36khz jelet ad és 3V-os gombelemről is működik.
Gyakorlatilag egyetlen gomb lesz hozzákapcsolva és csak annyi a funkciója, hogy 1,5 métert vezeték nélkül áthidaljon.
Szia!
Jó lenne, ha többet elárulnál a feladatról, mert így nem tudunk segíteni. Mi lesz a vevő? A vevőnek mit kell csinálnia, ha azt az egyetlen gombot megnyomod? Ismered a vevő kommunikációs protokolját? Mi lenne a kérdésed, mert csak feltételezem, hogy kapcsolási rajzot szeretnél?
A vevő TSOP 4836 lenne.
Ezt egy Ardunio-ra kötném rá a protokoll az, hogy nincs protokoll. Ha megnyomja a gombot akkor küldi a jelet, ennyire egyszerű. Egy vezetékes mikrokapcsolót szeretnék helyettesíteni vele a ping-pong asztal alá lesz mágnessel felrakható, hogy ne kelljen vezetékezni meg összecsukásnál leoperálni csak felrakom és kész. Fix helye lesz és mivel az asztal alatt lesz így a napfény sem fog túl sok gondot okozni. A két vevő (két oldalon) el lesz különítve így nem fogják egymás bezavarni. A hozzászólás módosítva: Ápr 18, 2016
|
Bejelentkezés
Hirdetés |






valaki tud segítsen! 