Fórum témák

» Több friss téma
Fórum » Inverteres hegesztőtrafó
 
Témaindító: Gabi, idő: Aug 12, 2005
Lapozás: OK   224 / 565
(#) Pety_ válasza Csölle hozzászólására (») Aug 29, 2011 /
 
Szép formás darab lett!
Grat !
(#) Pety_ válasza Ge Lee hozzászólására (») Aug 29, 2011 /
 
Szerinted opto-val nem lehetne kiváltani a meghajtótrafót? Vagy mindenkép kell az e25-ös.
Már csak azért, mert így elhagyható lenne a két tranyó+e25 igaz lenne 1-2 ellenálással több meg egy százlábú, vagy 2ő.
Tényleg neked nem akadt össze a BD híd?
Vagy az lehetetlen??
(#) Ge Lee válasza Pety_ hozzászólására (») Aug 29, 2011 /
 
Az opto ide nagyon lassú. Mi bajod a trafóval? Annál egyszerűbb nincs. Tehetsz bele fetmeghajtókat is (IR) de arra én nem merném rábízni az IGBT-ket. Akik azzal építették meg azoknál néha volt füstjelenség is. Ha a komplementer emitterkövetőkre gondolsz azok miért akadnának össze? Egyébként már írtam hogy az UCC képes önmagában a tranyók nélkül is meghajtani a trafót, csak nem tudom mennyire bírná hosszú távon mert ezt nem próbáltam.
(#) Ricsi89 válasza Csölle hozzászólására (») Aug 29, 2011 /
 
Szép darabok. Én ennyire nem tudok miniatürizálni, így maradt a PC doboz, de kell is, mert nagy lett a főtrafóm. Na majd egyszer lehet én is összerakok egy ilyen kis kompakt gépet.
(#) Phile80 hozzászólása Aug 29, 2011 /
 
Itt egy kép egy varratról, amit az inverteres CO gépemmel csináltam.
(#) kovacs.zotya válasza Phile80 hozzászólására (») Aug 29, 2011 /
 
ez teljesen rendben is van
(#) kovacs.zotya válasza Csölle hozzászólására (») Aug 29, 2011 /
 
nagyon jó!
(#) Phile80 válasza kovacs.zotya hozzászólására (») Aug 29, 2011 /
 
Sztem is, főleg ahhoz képest hogy egy sima mma inverter a tápegység
(#) erdgab válasza Csölle hozzászólására (») Aug 29, 2011 /
 
Fogadd elismerésemet.
(#) Tubi56 válasza Phile80 hozzászólására (») Aug 29, 2011 /
 
Melyik kapcsolással csináltad a CO-s gépet?
(#) Phile80 válasza Tubi56 hozzászólására (») Aug 29, 2011 /
 
egy kínai tenic 168, ami a telwin 164 koppintása.
Bővebben: Link
(#) Tubi56 válasza Phile80 hozzászólására (») Aug 29, 2011 /
 
Á kösz!
Én egy fronius-al próbáltam, az is jó hozzá!
(#) Temela hozzászólása Aug 29, 2011 /
 
Ügyesek vagytok!

Inverters CO engem érdekelne... (van egy starmig 180, azt jó lenne átalakítani...)
(#) Tubi56 válasza Temela hozzászólására (») Aug 30, 2011 /
 
Szerintem ebben a kapcsolásban van fantázia ez egy mig-mma géprajz
(#) kralikandras válasza Tubi56 hozzászólására (») Aug 30, 2011 /
 
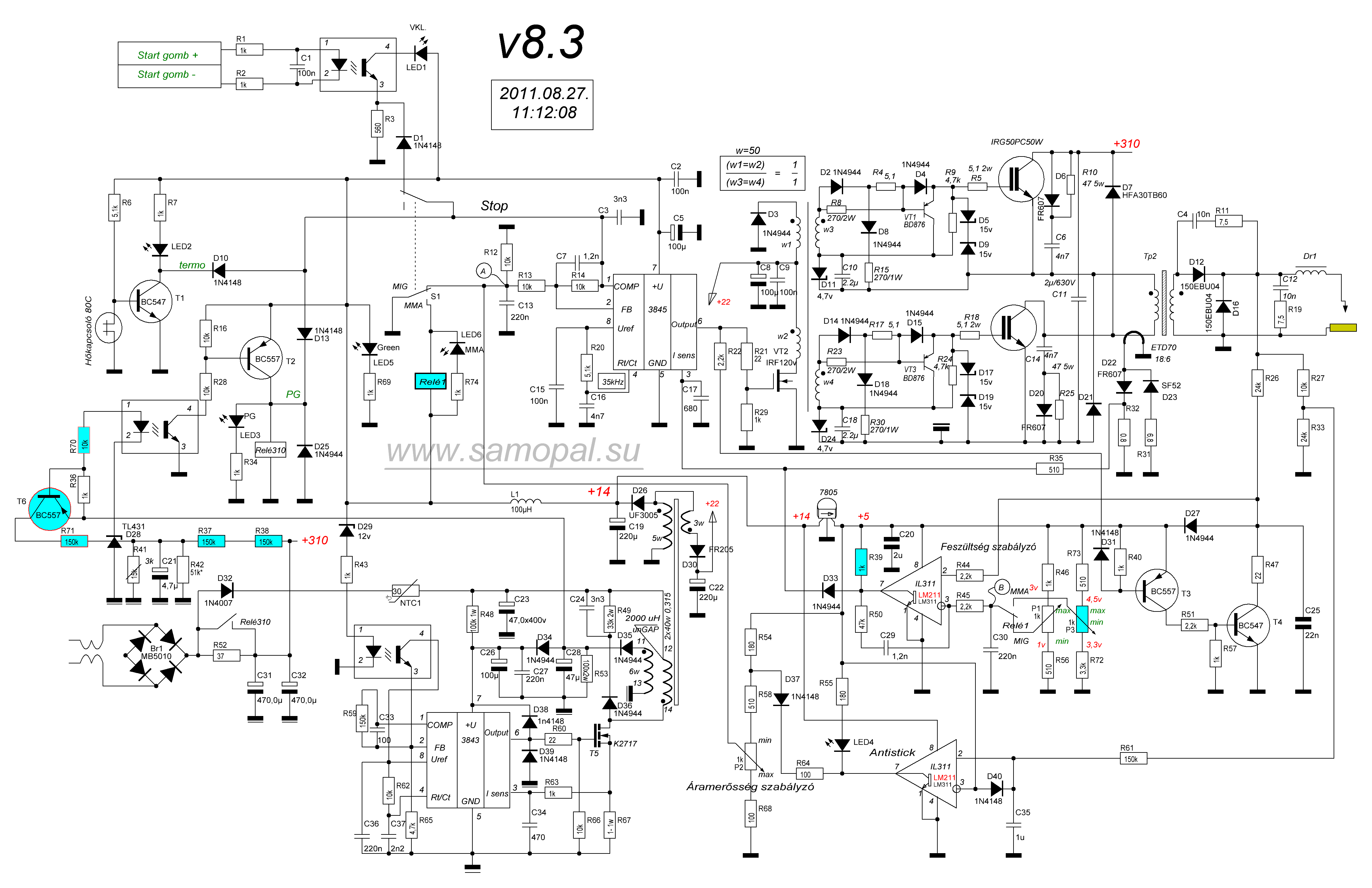
Ennek a segédtáp trafónak tudjátok az adatait,paramétereit?
(#) Temela válasza Tubi56 hozzászólására (») Aug 30, 2011 /
 
Igen, igazad lehet!
, de mint már tárgyalva volt vala mi kapcsolja MIG-ben be a készüléket ( és pl. legalább gázvezérlés, hogy az előtolást ne is említsem..)? - személyszerint nem nagyon szeretem megfejtegetni, hogy mi és miért maradt le a rajzról, akár akkor már tervezhetnék is (, ha értenék annyira hozzá!)

- (próbálkozom) Az uc3843- nak miért kell 22V-ra megemelnie a vezértrafó feszét? (ennyi lenne a különbség mma-tig között?) // ill. az a 14 v-os táp//
- T3-T4 feszültség kontrollt végez?
- bal felső sarokban az opto csatoló mit csinál?(és honnan?
... nem kellemetlenkedni akarok...
(#) mpisti válasza kralikandras hozzászólására (») Aug 30, 2011 /
 
Rajt van a rajzon, a trafó tekercseihez írva. Még a huzalátmérő is meg van adva.
(#) mamba66 hozzászólása Aug 30, 2011 /
 
Sziasztok!
Szeretnék egy kis segítséget kérni.
Venni szeretnék inverteres hegesztőt ami az MMA-n kívül TIG-t is tudja, anyagi korlátaim miatt a Straus ST/WD 180 IV néztem ki. Tisztába vagyok vele, hogy nem egy ipari minőség.
Azt szeretném kérni, hogy akinek volt már kapcsolata ilyen géppel, -vagy ismerősének- az írja már meg, hogy érdemes-e beruházni ilyen gépre.
De mindazok véleménye is érdekelne akik szentelnének rám egy pár sort.
A megtisztelő válaszokat előre is köszönöm.
ui. minden érv s ellenérv érdekelne.
(#) Temela válasza mamba66 hozzászólására (») Aug 30, 2011 /
 
Olvass vissza (..kb. júl.24) felraktam róla képeket. Sőt rajz is jelent meg, mely tökéletes hozzá "TIG200"
(#) Phile80 válasza mamba66 hozzászólására (») Aug 30, 2011 /
 
mennyibe kerül ez a gép?
(#) kivancsi4 válasza Temela hozzászólására (») Aug 30, 2011 /
 
R-WIN Editor és a Google fordító segédletével egy lépéssel közelebb a megoldáshoz. A képen jelzett weboldal ismét elérhető.
(#) Temela válasza Phile80 hozzászólására (») Aug 30, 2011 /
 
Bocs! Nem engem kérdeztél: neten 55 e az ára (awikábel nélkül), én vásárban alkuval 40 e -ért vettem.
(#) Tubi56 válasza Temela hozzászólására (») Aug 30, 2011 /
 
A gázhoz egy mágnes szelep kell, az előtoláshoz egy külön áramkör, ami a motort hajtja meg és szabályozható(van róla kapcsolás sok) esetleg egy késleltetőt is közbe lehet iktatni, hogy a az előtolás egy kicsit később induljon mint a gáz!
A rajz csak az áramforrást biztosítja! Én sem rágtam magam át még a rajzon, de rajta leszek!
(#) Phile80 válasza Temela hozzászólására (») Aug 30, 2011 /
 
képet tudnál feltenni a belsejéről?
(#) Tubi56 válasza Temela hozzászólására (») Aug 30, 2011 /
 
Itt vannak a panel rajzok talán ebből többet ki lehet fundálni! Én is át nézem majd rendesen!
(#) Tubi56 válasza Temela hozzászólására (») Aug 30, 2011 /
 
Van itt még egy PA file, de ezt nem tudom megnyitni! Mivel lehet?
Ezen lehet a teljes kapcsolás, ha már full-t ír
(#) kivancsi4 válasza Tubi56 hozzászólására (») Aug 30, 2011 /
 
(#) mpisti válasza kivancsi4 hozzászólására (») Aug 30, 2011 /
 
A .lay-hoz is mutass valamit, mert én a sprint layout-tal nem tudom megnyitni.
(#) Cavalier válasza Temela hozzászólására (») Aug 30, 2011 /
 
A bekapcsolást pont a fenti optocsatoló végzi, így a gázvezérlést, és az előtolás bekapcsolását is egy külön áramkör csinálja. Nem hiszem, hogy egy nagy találmány lenne, a munkakábelen bejövő kapcsoló kapcsol egy segédtápról jövő feszültséget a gázszelepre, az előtoló motor vezérlésére, meg ide az optóra.

A 3843 nem megemeli, hanem alapvetően az csinálja a tápellátását a vezérlőtrafónak. És a vezérlésnek is, csak a vezérlés 14V-ról megy, a trafó táphoz meg erre még ráültet egy keveset.
Én mondjuk ezt nem kapcsolóüzeművel csináltam volna, bár olyan szempontból jobb, hogy szélesebb bejövő fesz tartományban bírja tartani a feszültséget, csak bonyolultabb mint egy trafó+graetz+puffer.

A T3-T4, ha jól veszem ki annyit csinál, hogy a vezérlőjel ütemében megszaggatja a komparátorra kerülő feszültségjelet. Ha kisebb a fesz, mint a potival beállított, akkor a komparátor kussol, és a 3845 növeli a kitöltést, ha nagyobb a jel, akkor minden egyes kimeneti magas szintnél kap egy jelet a 3845 Isens bemenete, amit a 680nF pufferel, így akkor csökkenti a kitöltést.

Remélem jól értelmeztem a dolgokat, ha nem javítsatok ki légyszi.. Késő van.
(#) kivancsi4 válasza mpisti hozzászólására (») Aug 30, 2011 /
 
Sprint Layout 5.0 nálam gond nélkül megnyissa, talán ez a program is megfelelő lehet. Evvel, ha jól értem, csak megnézni lehet, szerkeszteni sajnos nem. Ha nem segít, esetleg meg lehet próbálni átnevezni, úgy a fájlt, mint a könyvtárát is.
Következő: »»   224 / 565
Bejelentkezés

Belépés

Hirdetés
XDT.hu
Az oldalon sütiket használunk a helyes működéshez. Bővebb információt az adatvédelmi szabályzatban olvashatsz. Megértettem