Fórum témák
» Több friss téma |
Fórum » Inverteres hegesztőtrafó
Az a progi kellene hozzá amiben íródott.
Az #include részben lévő file-ok kellenének a lefordításhoz, amiket a progi tartalmaz .
C18 (v3.40)
Sziasztok
Valóban 11DB include file híjányik Na, ezek nélkül nehézkes lesz Pedig hogy bele éltem magam
Szervusz!
Valójában egy sem hiányzik... szerinted hogy fordítottam volna le nélkülük? A hivatkozott fájlokat az mcc18 fordító tartalmazza!
Szia
Ez számomra örömhír Az MCC18 ingyen letölthető? Ha igen akkor honnan lehet le tölteni
Sziasztok
Lenne másik kérdésem A Maci tervén az IGBT, ami meg van adva azt olvastam nem párhuzamosítható ez biztos? Azért kérdezem, mert a terven párhuzamosan van kötve Ez ellent mondásos vagy nem?
Ha nem lenne már feltelepítve az mplabbal együtt (mplab c18) akkor a Microchip honlapjáról letölthető némi regisztrálás után Bővebben: Link a Lite változat.
Nekem most az MPLABX van fent mivel ez megy linuxon is. innen letölthetőek az ingyenesen használható fordítók is, itt ehhez még regisztrálni sem kell!
Szia
Letöltöttem egy MCC18-at Fel is telepítetem, de nem jártam sikerrel
Most melyik típusra gondolsz, ami az eredeti terven volt az párhuzamosítható.
Van olyan IGBT is ami nem igazán párhuzamosítható, de ez nem jelenti azt hogy nem fog működni, csak az hogy nem egyformán fog megoszlani rajtuk a terhelés és valamelyik nagyobb eséllyel fog túlterhelődni...
Szia
Na, akkor pontosítani kel, hogy melyik az eredeti
A fordítás megvolt csak a linker parancsfájlod hiányzik (legalábbi is ezt írja), valami nem jól van beállítva az mplabban.
Ha nem sikerül beállítani a "PIC programozása C nyelven, C-Compiler" topikban segíthetnek.
Nekem pont az#include file-okat reklamálta hogy nem jók.
Köszi Pisti hogy sikerült lefordítani és felraktad.Én nem ezzel a fordítóval próbáltam,de letöltöm megpróbálom már csak kiváncsiságból is.
Nem az MPLabX oldaláról való fordítót töltötted le? Mert az a nem X-es mplabhoz nem biztos hogy jó lesz!
Nos, sokáig tartott a dolog.
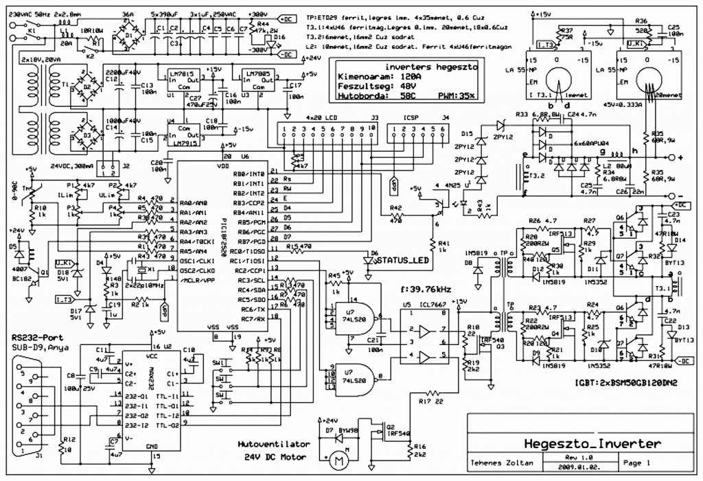
Egyenlőre füst az van dögivel .Pár marék FET után arra gondoltam hogy megkérdezlek titeket mi lehet a gond. Gate trafó: 18/9 áttétel E35-ön.( a zárlati árama kb2A, így biztosan tudja nyitní és zární a feteket, szerintem) Főtrafó: lehet hogy itt a hiba! Régi fekete-fehér TV nagyfesztrafója 3db összeragasztva. 2db U-alakú része van szembefordítva (60mmx32mm az U-alak 15mmx15mm a keresztmetszet 1100N22 van ráírva nemtudom mit jelent). Prímer 40menet(0,78mm2) , szekunder majdnem 4-menet(össz:14mm2). A vezérlésnek mint a rajzon, külön tápja van. A gate trafó meghajtó tranzisztoraira tettem body diódát Ha a buffereket 35V-váltóról táplállom kitűnően megy, kimeneten 4V-váltó van. Számítógép tápból bontott főtrafóval 230V-váltóról tökéletes, nem sül semmi csak ampert nem lehet állítani mivel a söntönn nem keletkezik annyi feszültség ami működtetné az ic-t. Próbaképpen 1,5 ohm -el számítógéptáp trafóját kismértékben tudtam állítani. A vezérlés az bombabiztos, az tuti. Pedig még egy tartalék ic-m is van azt hittem ez lessz a gyenge pontja( a fetjeim már elfogytak ).
Egy két dolgot nem értek. Mi az hogy 35V váltóról táplálod? A maghajtásnak a kb. 14,4V DC-n kívül amit az áteresztő tranyós táp csinál, semmilyen más feszültség nem kell. A hídnak szintén DC kell, 24-30V-os áramkorlátos tápról célszerű indítani pont azért hogy ha valamit elkötöttél akkor ne a kukában végezzék a fetek. A gate trafónak miért csináltál ekkora áttételt? Így a 14V-ból csak 7V-ot kapnak, illetve ha fordítva csináltad akkor meg 28V-ot! Az IGBT-nek kell a 14V-os meghajtás, a feteknek elég 10V is. Az E35 menetszáma rengeteg, az EF25-ön nekem 5x13 menet van. A buffer fokozaton (vagyis a gate trafó primerjén) nem lehet 4V, ott 12V körüli négyszögjelnek kell lenni.
Nekem gyanús hogy rosszul kötötted be a gate trafót és egymásra nyitnak a fetek. A négy szekunder tekercsből a két középsőt ellenfázisban kell bekötni a másik háromhoz képest (a tinában nem tudtam külön bepöttyözni).
A meghajtás külön trafóról megy ami 16V-os (max:3A)váltóáramot ad le. A meghajtás tökéletes!
Fetekkel dolgoztam, ezért nem 1/1-az áttétel a gate-trafón(1/1-es áttétellel kapásból jobblétre szenderült 4 db fet). Tökéletessen megy 35V váltóról a teljesítmény rész. Mivel kb40Khz a frekim ezért a nagyobb menetszám. A 4V-váltó a főtrafó szekunderjénél van 35V-os táplállásnál. Ellenfázisban vannak kötve!! Tuti...Semmi alkohol nem volt mikor tekertem .Idézet: „Számítógép tápból bontott főtrafóval 230V-váltóról tökéletes, nem sül semmi csak ampert nem lehet állítani mivel a söntönn nem keletkezik annyi feszültség ami működtetné az ic-t.” Ezt írtam, tehát nem nyitnak egybe!! Ha esetleg valaki tudna adatlapot az említett ferritről megköszönném, mert szerintem az lessz a hunyó.
Ha visszaolvasol kicsit régebben kelt hozzászólásokig, le vagyon írva,hogy illik éleszteni egy masinát,hogy a füst ne kívánkozzon ki belőle. Én pl. toroidot,és soros 300W-os izzót használok, így bármekkora bibi van, a kapcsolótranzisztorok kibírják. Sőt, némi a szekunder oldali terhelést is elvisel ennyi előtétezéssel . Na nem sokat,de egy 40W 24V-os izzót simán.
Nem vagyok
!!Minden tökéletes élesztésnél. Az a szerencsétlen ferrit adat kellene ha valaki ismerné! Lehet hogy ti azt gondoljátok hogy az élesztést baltáztam el, de nem! És tényleg némi terhelést is kapott és jól működött minden! Nekem csak az a gondom van amit leírtam. Köszi
Sziasztok
Dara barátunk fel javította a fotót most már használható Köszönjük szépen
Valóban jobb a minőség - köszönjük.Valamit nagyon nemértek - nézzétek meg az IGBT-knél mintha valami sántítana?Vagy nemtudok rajzot olvasni
Két IGBT félhid modult használt a konstruktőr, és a félhídak egyik IGBT-je van csak kapcsolónak használva a másik IGBT-nek meg a visszáram diódáját használja a forward trafó lemágnesező diódájaként...
Nem drága ehhez az IGBT ? (1000-2000,-Ft) - a HFA 15TB60 cca. 200,-Ft :hide:
Dehogynem! De ha csak ezekből volt a fiók alján elfekvőben, akkor lehet, hogy mégsem...
Áttervezése nem nagy ügy. Viszont a két áramváltó (LA55) kiváltása is ajánlott valamivel mert így a "boltban" az is drága lesz!
Akkor már csak azt kérdezném, hogy ebben az esetben miért is jó, hogy PIC vezérel? (olyan infót ír ki, aminek nem sok jelentősége) ---Persze nem szeretném lebecsülni ezzel az alkotó munkáját---
- ha ez nem tud töbet a MACI-tól, akkor minek bonyolítani és drágítani, azt ami fapadosan frankó! Az ilyen alkotó, ha egy kicsit többet gyötörné magát biztosan megtudná csinálni a MACI-t szupergéppé (,mint a drága gyári valamik), tudná azokat a specko funciókat.
A programot nézve valóban nem sok extra van benne, de lehetne!
A PIC folyamatosan figyeli a kimenő feszültséget és áramot, csak szoftver kérdése hogy mit hoznak ki belőle: Anti-Stick, Hot-Start, Air force, különböző kimeneti karakterisztikák, alacsony/magas tápfesz védelem, stb. Valaki írta, hogy van 2.0 szoftver is, ahol elhagyták a PC kapcsolatot és talán már inkább konkrétan a kimenet szabályozásra fektettek több hangsúlyt! Talán azt programot kellene megszerezni és esetleg tovább fejleszteni. A PIC további előnye, hogy később is lehet módosítani/fejleszteni a készüléket a hardver módosítása nélkül!
... én is hiszek a mikrobarázdában...
Az a ferrit amit használtál, a TV készülékekben
15,625 kHz-en működött. Most te 40kHz-en akarod járatni, ami szerintem kicsit sok lehet neki. Az 1100 a ferrit "Al" értékét jelöli, ami a legfontosabb paraméterek egyike. Ennek segítségével lehet kiszámítani a szükséges menetszámot.Mellékelem az EPCOS katalógusát. Ebben megnézheted, milyen anyagú ferritet ajánlanak a nagyok teljesítményátviteli célra. Az N22 nincs közte.
Köszi István! :kalap:
Bár én a PIC programozásához láma vagyok és semmilyen érdek nem fűz ahhoz,hogy védjem a processzoros gépeket, de azért nem szabad elfelejteni hogy pl.a Fronius már nem készít gépet PIC vagy egyéb processzor nélkül. Az ok roppant egyszerű: egy IC-n belül számtalan funkció meg programozható, amit analóg módon csak sok-sok segédáramkör beépítésével, több kártyán lehetne kialakítani. Ezzel sajnos az is együtt jár,hogy ezek a gépek nem javíthatók egyszerűen, jobbára csak komplett kártyacsere segít. A gyártók semmiféle forrást nem adnak ki, legfeljebb egy tesztert, amivel a jó-nem jó elven lehet tesztelni a gép egy-egy fő egységét. Amatőr viszonyok között a hagyományos módon előállított PWM szabályozás célravezetőbb, egyszerűbb módon beállítható,de minden plusz funkcióhoz plusz áramköri megoldást kell kiépíteni. A PIC-es gépekkel annak érdemes foglalkozni,aki tudja,hogy a programlépések utasításai mit jelentenek, milyen utasítások szükségesek a korrekt működéshez. Azzal,hogy valaki beégeti a más által írt kész programot csak a saját kezét köti meg. A gépen semmiféle változtatást,optimalizálást nem tud végrehajtani, ha nem ismeri a forrás logikai elvét.
Előfordulhat hogy nem bírja a ferrit, de annak ki kéne derülni már élesztés után a gyengeáramú méréseknél is. Ilyenkor kell igazán sokat mérni, megnézni hogy működik-e rendesen a szabályozás, nem melegszik-e valami a kelleténél jobban stb.
Azért is fura amiket írsz mert ha pl. 30-40V-ról minden tökéletesen működik, akkor működnie kell 300V-ról is. |
Bejelentkezés
Hirdetés |




.

.
). 
.
!!
