Fórum témák
» Több friss téma |
Fórum » Inverteres hegesztőtrafó
Tubi56 Vas, 17:32 >mig-mag.gif
Melyik részét gondolod a "kapcsitápnak" mert az egész az.
A végeredmény is érdekes lehet. A CO-nak jó nagy áram kell, ahhoz viszont növelni kell a kitöltést, ami viszont nagy feszültséget eredményez, tehát vissza kell azt venni...
A neten hozzáférhető rajzok (vagy tömbvázlatok) kivétel nélkül hidas elrendezésűek, nem véletlenül. Én mondjuk akkor sem állnék neki ezt megépíteni, ha valaki a kezembe adná az összes alkatrészt ingyen, de ez az én véleményem.
Nem építenék én sem ilyent. Máig sem értem, mi értelme a 2 tranzisztoros nyitó elrendezésnek, de gondolom, a kisebb fesz. tűrésű olcsóbb eszközök miatt találták ki.
Kínai hobbi / félprofi MIG gépek legtöbbje nyítóüzemű, kb. 40V üresjárási feszültséggel. Tehát az áttétel a főtrafón inkább 1:5 - 1:6 környékére esik. Ennek egyenes következménye,hogy a szekunder rész áramterhelhetősége kissé magasabb,mint az MMA üzemmódú áramgenerátoros gépeké. Egyébként a tolómű kialakítása is olyan, hogy 0,8 mm-nél vastagabb huzalt nem lehet befűzni, azt is nyögvenyelősen viszi a barkács tolómű.
A nálam megfordult gépeknél a PWM körnek volt áram visszacsatolása is, és hegesztőfeszültség figyelése is, feltételezem, az áramfigyelésnek volt prioritása a félvezetők védelme miatt. Amivel még találkoztam, egy Rilon 230A-es 3 fázisú MIG inverter. Ez félhidas volt, nagyon korrekt hegesztési tulajdonságokkal rendelkezett, 1mm-es huzalig javasolta használni a gyártó,és egészen jó tolóművel volt szerelve. Sajnos nem volt lehetőségem lemásolni még használható részleteket sem belőle,mert sürgős volt a javítása, de ígéretet kaptam a tulajtól a behatóbb tanulmányozására, miután szabaddá válik a gép néhány napra. A hozzászólás módosítva: Jan 7, 2014
Nem véletlenül csinálják szinte az összes gépet aszimmetrikus félhíddal. ( Ugye a többsége China... ) Egyrészt egyszerűbb, hiszen egyszerűbb a tranyókat párhuzamosan kapcsolni, egyszerűbb a vezérlés, olcsóbb a vezérlés ic, stb. A másik, - ami inkább a vesszőparipám - hogy az ívgyújtásnál addig, amíg a kimeneti áram nem éri el a fojtó induktivitása által meghatározott szaggatott és folyamatos áramvezetés határát, addig - igaz csak négyszögjelként - de a kétszeres feszültség van a kimeneten. Gondolom, ez elősegíti az ív tartását és a gyújtását is. És ugye nem szoktak túl nagy fojtót betenni, hiszen az már nagyon drága lenne... vagyis, a folyamatos áramvezetés jó nagy értéken kezdődik.
Idézet: „a Maci-t sem másoltam le rengeteg módosítás van benne” Nem bántás vagy szemrehányás,de már tudom,miért nem válaszoltál néhány kérdésemre.
erbe , Ge Lee!
Tudom,tudjuk,hogy nem a kánaán számotokra a két tranyós nyitó kapcsolás,de had mondjam el,hogy én pedig [url=http://www.hobbielektronika.hu/forum/getfile.php?id=201110 ilyet nem építenék a világért sem,pedig ez olcsóbb is. A hozzászólás módosítva: Jan 7, 2014
Nincs nagy különbség csak más poti, az UC köré épített kiegészítés (késleltetés stb de ugyanaz funkciók 40106 IC-vel), a gate meghajtás két külön napelemes inverter alkatrész trafóval (rendes szigetelés!) zener lemágnesezzéssel, mikor tönkrement a saját tekert trafóval történt, illetve van még egy érdekesség amit egy gyári gépből néztem ki, a szekunder oldali felső diódák 2 darab 2x30A, az alsó oldali 3 darab dióda, meg nem volt hely a hűtőbordán, majd ha már biztosan jó lesz lefényképezem.
Illetve 4x150µF/450V és 4x190µF/450V low esr szűrőkondi.
Köszönöm az infót!Én egész másra gondoltam,ezeket a "bűnöket" Mi is elkövettük az építés során.
MMA hegesztőt én sem így készíteném, de CO2-höz használható.
Nem bántani akartalak, de ezeknél az orosz kapcsolásoknál 165A-ig, példa rá a maci is 1pár IGBT van IRG4PC50U a 240A-re tettek 2 párat. Az már más kérdés, hogy mi többet alkalmaztunk azért, hogy tartósabb legyen a gép és ne csak 1-2 elektróda elhegesztésére legyen alkalmas.
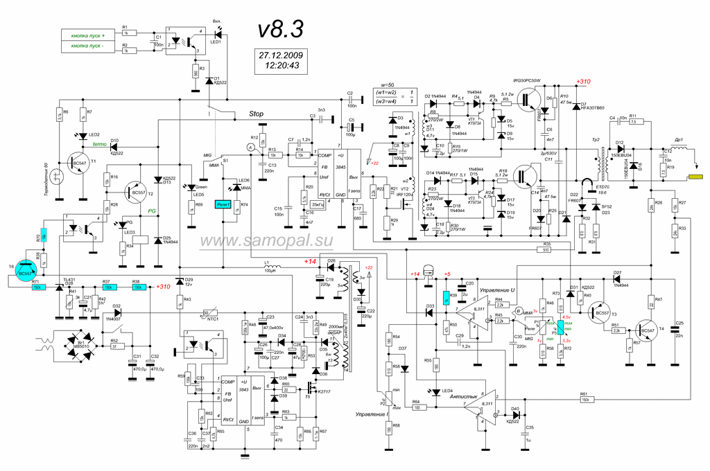
Idézet: „Tudom,tudjuk,hogy nem a kánaán számotokra a két tranyós nyitó kapcsolás,de had mondjam el,hogy én pedig [url=http://www.hobbielektronika.hu/forum/getfile.php?id=201110 ilyet nem építenék a világért sem,pedig ez olcsóbb is” Szó szerint! Idézet: „Melyik részét gondolod a "kapcsitápnak" mert az egész az” Az egész segéd tápot! Látom nem érted vagy én nem jól kérdezem! Itt van még egyszer a rajz! írd már meg, hogy a rajzon A D33-D39-ig hol vannak a típus jelölések, mert én megvagyok vakulva! De már kértelek, hogy tedd fel a te rajzodat amin minden megvan, hátha más eltérések is vannak köszönöm! A hozzászólás módosítva: Jan 8, 2014
Szia! Bocs hogy beleszólók, de azon a rajzon amit ide tettél fel, azon rajta vannak az értékek.
Köszi! Mondtam, hogy megvagyok vakulva! 2 rajzom van erről amit nem tudtam az egyiken rajta van a másikon nincs! Azt sem tudom mim van! Bocs
Idézet: „Akárhogy nézegetem, minden dióda mellett ott találtam a típusjelzést. LED egyértelmű, Zenerek mellett meg a feszültség” Elnézésedet kérem 2 rajzom van ebből csak nem tudtam, de már megvan! Öregszem azt sem tudom mim van! Ráadásul azt nyomtattam ki amin nincs meg minden adat. Hülyülök
Nem a kor fáj, hanem a kór következménye...
Jól van! Értek mindent, majd felettetek is el jár az idő!
Ugyanazt tudja, csak 2x gyorsabb, ami itt nem hátrány (és feszültségben is majdnem).
még egy kérdés ami a mig-mma rajzon van NTC 1 jelzéssel thermistor a 30-as szám benne mit jelöl? Mert nem találok róla semmit. Kösz!
Sziasztok! Nem tudom hogy ideillő-e a CO2 hegesztővel kapcsolatos problémám,de szerintem ti tudnátok segiteni. Kaptam egy Cebora 880 Pocket Mig típusú kishegesztőt és az a problémám vele,hogy a pisztolyon lévő gomb nyomása nélkül ívet fog ugyanugy mint az inverteres. Van egy másik is és az csak az előtolással együtt hegeszt(+gáz),z lenne a kérdésem hogy ezt gyárilag ilyen vagy keressek estlegesen benne valami hibát(pisztoly darabokra szedve kipucolva,ami uj kellett kicserélve),válaszotokat előre is köszönöm.
A Ceborának egyes típusai(a legkisebbek) bizony feszültség alatt levő munkakábellel készültek. Tehát a gép bekapcsolása után a szekunder feszültség kint van a munkakábelen. Az oka egyszerű: nincs benne mágneskapcsoló vagy relé ami a főtrafót működtetné, a pisztolygomb lenyomásával csak az előtolást vezérled. Ez egy nagyon pocsék megoldás, de a takarékosság oltárán bármit feláldoznak a gyártók, csak egy centtel olcsóbban lehessen a szemetet előállítani.
Hát igen! Nekem is volt CO2 gépem ami így működött, már a típusát nem tudom, de az biztos, hogy semmire való cuccok, gondolom a pisztolykapcsoló egyben a gázszelep is, az is mindig engedett, csak a 0,6-os huzalt szerette, nem való volt karosszériázásra sem, gondolkodtam az átalakításon, aztán gyorsan eladtam és építettem egy normális paraméterekkel rendelkező gépet ami nem gyűri a huzalt, eszi a 0,8-1 est is, és nem okoz állandó fejfájást!
Akkor te már ismered a vacak
kategóriát.
Ez jó kérdés: lehet 30 OHM?(vagy nem látszik a tizedes pont?) Soknak találom, bár elképzelhető; ez a segédfeszültségeket adó táp indulási áramát korlátozná. (Tán az indulási idejét is?) Várunk egy dörzsöltebb kollégára.
Szó szerint!
Ismerni kel milyen a rossz, hogy tudd értékelni a jót.
Köszönöm szépen mindenkinek,akkor nem játszok hiba kereséssel és tényleg nem egy erős gép
|
Bejelentkezés
Hirdetés |





, meg a kor.
kategóriát.





