Fórum témák
» Több friss téma |
Nézd meg jobban a piros szöveg címsorát!
Félvezetősben az egyik A osztályú aminek komoly híre van világszerte (a JLH-nál sokkal sokkal komolyabb) az pl. a Krell KSA100, még az után építéseket is nagyon dicsérik, a kínai nyákokat is gyárt hozzá stb. Na akkor képzeld el hogy abban mekkora disszipáció van... Na egy olyat is szívesen meghallgatnék gyári változatban.
Nagyon sokszor leírtam már, hogy a JLH az nem A osztályú erősítő, hanem egy push-pull, aminek annyira fel van emelve a nyugalmi árama, hogy a terheléstől függően a klippig ne fogyjon el.
A meghajtó tranzisztor emittere alatti ellenállás durva csökkentésével akár AB-ra is be lehet állítani.
Én hiszek neked, de a megjelenése óta mindenki, maga a szerzője John Linsley Hood is "A" osztályú erősítőként definiálja a könyvében, így nem csoda, ha mindenki így említi.
De amúgy sem ez volt a beírás lényege, amire reagáltál.
Én még soha nem láttam az eredeti John Linsley Hood publikációt erről az erősítőről. Kíváncsi lettem.
Ne viccelj!
Mellékelem a Wireless World cikket. De JLH magyarul is megjelent könyvében a Csöves és Tranzisztoros Hangerősítők munkában ő maga is így említi. A hozzászólás módosítva: Máj 27, 2022
Én az eredetit nem láttam. Hagyjuk, ebből nem lesz kiút veled.
Definiáljuk már az "A" osztály mibenlétét. Attól hogy push-pull, attól lehet "C", "B", "AB", valamint tiszta "A" osztály.
Ha a felső és az alsó végtranzisztor árama soha nen lesz nulla, akkor mindkét erősítő elemre érvényes az áram 180°-os folyási szöge, ami azt jelenti, hogy a két végtranzisztor amivel együtt az egész erősítő "A" osztályban dolgozik.
Akkor tisztázzuk, mit értesz eredeti alatt?
A cikkben a próbanyákon összedrótozott "eredeti" kapcsolásnál mi lenne eredetibb szerinted?
JLH saját maga írja ebben a cikkben - ami az A osztályú erősítőkről szól - hogy praktikusabb push-pull-ban hajtani terhelést ( 2-es ábra), amire megvalósított példaként a 3-as ábrát hozza fel. A cím tehát nem a 3-as ábráról szól, hanem a cikk tartalmáról.
"shown in Fig. l(c), would be more convenient in terms of size and cost, and would allow the load to be driven effectively in push-pull if the inputs to the two transistors were of suitable magnitude and opposite in phase. This requirement can be achieved if the driver transistor is connected as shown in Fig. 2. " ...... "A practical power amplifier circuit using this type of output stage is shown in Fig. 3. " Az angol, amerikai, stb HiFi újságírók se különbek, mint a magyarok és ez régen is így volt. Nem szabad rájuk támaszkodni. A hozzászólás módosítva: Máj 27, 2022
Most olvastam el tüzetesebben az angol szöveget, és valóban arról ír, hogy a gyakorlati megvalósításban egy Push-Pull végfok szerepel.
Akkor csak a szerkesztők inkompetenciája az, hogy a saját könyvében is rosszul definiálják az áramkörét? Hiába no, kell az öreg a háznál!
Az A osztályú működésnek nem az a definíciója, hogy az erősítő elemen/elemeken a vezérléstől függetlenül minden időpillanatban folyik áram? (Conduction angle=360degree) Ebben a definícióban pedig szó nincs együtemű, vagy ellenütemű kapcsolásról.
A félvezetős technológiában viszonylag kevesen építettek együtemű A osztályú végfokot. Hirtelen csak Nelson Pass régi 2N3055-ökkel működő erősítője ugrik be. A hozzászólás módosítva: Máj 28, 2022
És így nem romlik le a minősége? (csak kérdezem,nem próbáltam) Illetve,ha cca. ugyanúgy szól,akkor felvetődik a kérdés:akkor minek feleslegesen disszipáltatni?
Üdv! A JLH'69 egy generátor áramát osztja el a két végtranzisztor között. Ebből következik, hogy a kimeneti csúcsáram nem lehet több a nyugalmi áram kétszeresénél, tehát a kivezérelhetőség érdekében a nyugalmi áramnak egy szintet el kell érnie. A további növelést azért használjuk, hogy a vég- és az áramelosztó tranyók minél lineárisabb szakaszára essen az üzemi tartomány.
Saját és mások tapasztalatát összegezve a nyugalmi áramra az Iq=0,36Ut/Zh ajánlást fogalmaztam meg.
Ha nem romlana le a minősége AB osztályban, akkor gondolom úgy csinálná mindenki, ebből sejthető a válasz a kérdésedre. A "minek feleslegesen disszipáltatni?" kérdés bennem úgy általában az A osztályú erősítőkkel kapcsolatban felmerül - bár télen még csak-csak megértem, hiszen a termelt hő sem megy veszendőbe, az is fűti a lakást.
A kérdésedet megválaszolta JLH személyesen 1969-ben. Ott van cikke elején a válasz.
"Ebből következik, hogy a kimeneti csúcsáram nem lehet több a nyugalmi áram kétszeresénél"
Ezt levezetnéd? Mivel az áramgenerátor is vezérelve van ebben a kapcsolásban. Szerintem ez akkor lenne igaz, ha az alsó végtranzisztor bázisa ki lenne hidegítve egy elko-val. A hozzászólás módosítva: Máj 28, 2022
Szia! A bootstrap kondi stabilizálja a generált áramot, nem pedig vezérli.
Ha az alsó tranzisztor bázisa hidegítve lenne, azaz sima áramgenerátorként működne, akkor csúcsáram maximuma az megegyezne ennek az áramával. Pontosan azért a kétszerese, mert bootstrap kondi utáni áram közel állandó, és ezt osztódik ketté a két végtranzisztor bázisáramaként. Azaz alaphelyzetben kb. 50-50 % ban, majd a kivezérlési csúcsnál az egyik végtranyó bázisárama kb a duplája, a másiké meg kb. nulla lesz.
Persze ha lenne számottevő B-E ellenállás mindkét végtranzisztoron, akkor nyilván akár AB osztályú is lehetne, azaz a csúcsáram nagyobb is lehetne a nyugalmi duplájánál. A hozzászólás módosítva: Máj 28, 2022
En nem latom, hogy push-pull-nak hivna a sajat erositojet, olyasmit lattam benne, hogy 'push-pull drive of class A stage' Melyik resz lenne az amire hivatkozol. Megtenned, hogy idemasolod? Legalabb kozos szotarat hasznalnank
A hozzászólás módosítva: Máj 28, 2022
Nem katasztrófa, ha ezt a marginálisan használt topológiát nem soroljuk be az ismert erősítőosztályok közé.
Óhatatlanul a "Royal Society For Putting Things On Top of Other Things" jut erről eszembe Bővebben: Link
Persze, ebben tuti egyetertunk
Csak azert probalom tisztazni, mert elofordul, hogy valamit rosszul tarolok az agyamban, rosszul emlekszem es sosem keso tisztazni, rendbe tenni.JLH-t nagyon regen epitettem, igaz egybol kettot is. A masodik peldany dobozolas nelkul (a hutoborda hordozta az erositot) evekig elvolt egy azur 640c-vel, nekem tetszett a hangja. Es nekem ugye ez volt 'AZ' A osztaly, ezert csodalkoztam ra highand velemenyere
Szerintem a kollégának az általa is kimunkált FET-es változatból szerzett tapasztalatok sugallták a megállapítását.
Köszönöm, hogy használhatom a szimulátort. Az ábráról minden leolvasható. Kb. 315mA nyugalmi áram mellett kb. 1,5A a csúcsáram. Sima AB osztály, ahogy egy push-pull-tól illik.
Amikor hidegítve van a bázis, akkor egyfajta egyenirányítás is létrejön, ezért szintfüggő, hogy mekkora lesz a nyugalmi áram - és ekkor bekövetkezik, hogy a nyugalmi áram kétszeresénél nem tud több lenni a kimeneti áram. A rajzra felírt torzítás adat az alapáramkörre vonatkozott, ne vegyétek figyelembe. Részemről lezártam. A hozzászólás módosítva: Máj 28, 2022
Üdv! Ha nem is jó, de működőképes. Milyen gond merült fel ezzel kapcsolatban?
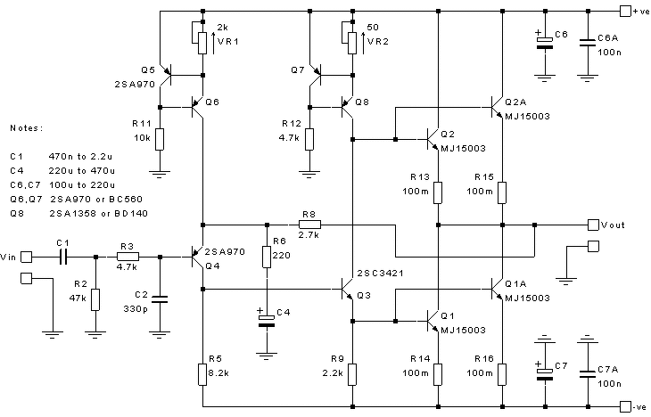
Sziasztok! A JLH-nak létezik +/- tápos verziója,ahol a belső megoldások is egész mások.Ezt esetleg próbálta már valaki? Az eredetit lassan elengedem... nem igazán az a hang,amit keresnék. Erre/ezekre gondolok,konkrétan...
A hozzászólás módosítva: Nov 14, 2022
Ha olvasgatsz róla, akár itt régről akár külföldi fórumokon, pont annyi vélemény szerint jobb mint amennyi szerint rosszabb, azaz el is értünk oda ahova máskor is szoktunk, hogy magad megépíted és meghallgatod.
Azt mondjuk kicsit sem értem, hogy ha az Ongaku neked a jó, akkor miért ezzel küzdesz...
Köszi a választ...nagyjából nekem is ilyesmi jött le.Bár műszakilag korrektebbnek tűnik a szimmetrikus tápos verzió,legalábbis számomra.Az kétségtelen előny,hogy elmarad az "átkozott" kimeneti kondi.
Karesz50 azt írta,hogy a JLH színez,és ebben tényleg igaza van.A színezés egyik oka az említett alkatrész,-ez így máris kilőve... A másik (ezt épp külföldi fórumon olvastam) a "bootstrap",vagyis feszültség-utánhúzó kondi,és ebben már az sincs,szóval... csak "filózok",hogy ennek így papír szerint is jobbnak kéne lennie.Mikor az ongaku-t elvitték,utána vettem elő ezt a kis vacakot,mert arra voltam kíváncsi,hogy mennyit tud produkálni a csöves után.Háát...ha annak a hangja legyen mondjuk 100 egység,akkor a JLH úgy 35-40 között.Szóval siralmas... Viszont kaptam egy profi dobozt,mármint készülék-dobozt,és minden más is megvan hozzá hogy összeépítsem,de,-ha már lúd,legyen kövér alapon a legjobbat szeretném választani.Mivel ongaku-t nem tudok fabrikálni magamnak hozzávalók híján.Legalábbis egyelőre.Amúgy fejben már eldöntöttem,hogy szimmetrikus verzió lesz,csak gondoltam,hátha valaki ismeri "testközelből" is ezt a változatot.De ha tudsz ajánlani valami mást helyette,..nyitott vagyok rá.A doboz még üres... A tél meg közeleg. A hozzászólás módosítva: Nov 17, 2022
Az úgy lesz, amelyiket választod és megépíted, azt fogod szeretni...
|
Bejelentkezés
Hirdetés |


















