Fórum témák
» Több friss téma |
Na ennek örűlök
Első pillanatra egy kis táp nem lenne elég az ic-nek? aztán ugye visszacsatolnád.
De. Erről beszélek. Elég lenne akár egy 12V-os táp is, ami be tudja indítani. Aztán termel magának.
Jó de én nem kapcsüzeműre gondoltam. Hanem kicsi simára
Vagy te is arra gondoltál?
Én se akarok bonyolítani. Valami egyszerű és nem nagyon fűtő dolgot kéne kitalálni.
Most jutott eszembe a Cimó 1.1-es tápjában a 3.3µF-os kondi. Az amikor bekapcsolod akkor egy rövid időre ad feszültséget, aztán már nem. Tényleg. Ezt kipróbálom.
Az első probléma: írod, hogy nem konzisztensek az induktivitás mérős eredmények. Milyen induktivitásmérőt használsz? A legtöbb multiméter beépített induktivitásmérője használhatatlan ilyen célre. Mivel a rezonáns táphoz fontos a szórt induktivitás pontos ismerete, így sajnos jó induktivitásmérő nélkül nehéz lesz az építés.
(vannak egyéb módszerek is a rezonanciafrekevencia pontos belövésére is, de azokhoz legalább jó műterhelés, jó oszcilloszkóp, labortáp satöbbi szükséges) A PC tápokban általában EI33 mag van, általában PC40 anyagból. Amúgy 5A/mm2-rel elég számolni, és is teljesen jó melegedést fog még csinálni.
Segédtápra sok opció van:
- Ha az trafó segédtekercse nem veszi át a táplálást, akkor az a FET jó sokat tud disszipálni. Normál esetben ezt egy pillanatig teszi, de akár egy nagyobb kondi esetén ez az idő megnőhet annyira, hogy túlmelegszik. Érdemes vele sorba tenni egy ellenállást. Számoljuk ki az IC tápláláshoz szükséges áramot (2*gate töltés*frekvencia*1,2), majd rajunk be egy olyan ellenállást, amin kb 100-200V esik ilyen áram mellett (legalább 0,6W fémréteg ellenállás ajánlott). Ezzel már jelentősen csökkentettük a FET disszipációját. - Én gyakran alkalmazok soros ellenállásokat, de CSAK INDÍTÁSA! Régen raktam ba 22-27k 5W ellenállásáokat, azonban ezek szépen is fűtenek ott, ne pazaroljunk . Két darab 1206 SMD ellenállás (vagy akár 0,25W-os 0204 méretű TH) sorba, és máris oké a dolog. Figyeljünk arra, hogy a legtöbb ellenálás 200V átütésre van tervezve.- Berakhatunk természetesen egy pici trafót is, csak ez több helyet foglal mint az egész ![]() A legprofibb megoldás természetesen a standby táp alkalmazása. Elsosrban nagy teljesítmények esetén ajánlott egy ilyen, pláne ha előny, hogy monduk egy 12V-os feszültség a szekunderen is mindig rendelkezésre áll. Egy FET-ből és egy tranyóból könnyedén össze lehet rakni egy önrezgő kvázirezonáns flybacket, ami egy aux tekerccsel könnyedén el tudja látni árammal az összes primer oldali dolgot, emelett stabilizált 12-15V-ot tud nyújtani az előfokoknak. Ha már PC táp, akkor ott van benne rögtön az egész standby rész, akár az egész átmenthető
Fülhallgató erősítőhöz hol kell +/-15V és 1A ?
1. Használd a fórum kereső funkcióját! 2. Akkor rögtön megtaláltad volna ezt! A nevében is benne van, hogy egyszerű. 3. Trafót valószínáleg magadnak kell tekerned, de ez tudja nagyjából amit neked kell.
En ezt a kapcsolast megneztem, van is itthon TOP200-as IC-m, de az optokapuhoz valo visszacstolas visszatart valamiert. Nem azt nevezik flyback-nek?
Maga a táp-topóógia a flyback (egy légréses vasmagot feltöltük egy kis energiával, majd a kapcsoló kiakpcsolása után abból a szekundereken ürül ki az energia).
Az optós visszacsatolás az arra kell, hogy a szekundert valami figyelje. Ha tudod garantálni a nagyon szoros csatolást, illetve nem szükséges túl nagy stabilitás a szekunderen, akkor elég a segédprimert figyelni (a FET+BJT párosú önrezgő kvázirezonáns flyback is ezt csinálj).
Szia!
Cimopata javaslatára átszámoltam a menetszámokat Uprimer=160V-al, így a primer menetszám ~47menetre jött ki. Ezzel újra számolva a szekunder menetszám 2x11-re alakult, ami azt jelenti, hogy 3,1V/menet. Tanácsodra tekerek még + egy menetet, tehát 2x12 lesz a szekunder, aztán majd meglátjuk... A szükséges keresztmetszet meghatározásánál pedig számolok 5A/mm2-el (Skori táblázatát használva), így már el fog férni a tekercs a csévén. Köszi az észrevételeket!
Szia!
LCM3-al mértem, és a műszer hibátlan. A mag Al értékét próbáltam meghatározni: Al=induktivitás (nH)/N^2 de különböző menetszámoknál letérő értékek jöttek ki. Ezt valóban nem értem. Az építéshez rendelkezésemre áll szkóp és táp, valamint műteher is, de ott még nem járok. Próbatekercseket helyeztem el a csévén (primer, szekunder gyanánt) és laza csatolással közelítőleg el tudtam érni a célt 50-55uH-t Akkor bátran számolok 5A/mm2-el, így kezelhetőbb fonatot kapok a tekercseléshez ![]() Köszönöm a segítséget! metabo123
hello. Én esküszöm a biztosabb kis trafora de persze kikel probálni új lehetöségeket
Azért majd írj hogy siker e.
Igen. Ahogy írod. Nem szeretnék arra a fél másodpercre míg beindul betenni egy külön kis tápot. Ez nem lesz olyan bika táp, hogy megérje. Arra gondoltam, hogy a 320Vdc-ről egy kondival beugrasztom a tápot. A kondi feltöltődik és ez a táp ki is vonja magát a forgalomból. ezt majd kipróbálom. Az ellenállást én sem szeretném, mert nagyon sokat (fogyaszt fölöslegesen) és melegszik. Majd el tökörészek vele.
Ma viszont elő szedtem a PC táp alapú tápomat, amit múltkor beszúrtam. jelenleg szépen megcsinálja a 14V-ot a kimenetén. Van benne egy fesz vissza csatolás. Az is működik rendesen, de ha megterhelem, akkor nem bírja. Nem szabáloz rá teljes kitöltésre, hogy meg legyen az érték. Szerintem valami van a nagy kapcsoló tranyók környékén. egyelőre azt is külső tápról kell indítani, aztán magát látja el. Igényli még a törődést. Ha elakadok kérdezek. ok?
Annyit még le írok, hogy az új kapcsolásban, aminek a rajzát beszúrtam, a TR1 trafón mért jelek nem szépek. Olyan, mint ha nem lenne a kimenete megterhelve. A T5 és T6 tranyó bázisán 1.7V-os jelek vannak, de nem egyforma nagyságúak. Lehet valamelyik már kapott sokkot. Most kb 2-3W jön ki a kimeneten.
Sziasztok!
Van nekem egy 110V ról működő kapcs. tápom. Elméletileg, ha 230V osra szeretném átalakítani, akkor a primer körben kellene a kondikat kicserélnem + a trafót?
szia. Ez már a mostani teszt verzios rajz ? Lehet butaság amit írok ,de terhelésnél nem lehet hogy a túláram védelmed leszabályozza nagyon hamar ?
A hozzászólás módosítva: Szept 14, 2013
A legtöbb ilyen tápnál 110V esetén feszültségkétszerezve egyenirányítanak, amit egy jumperrel átrakhatsz síma egyenirányításra 230V-os használatra.
Ha nem így van, akkor szinte mindent ki kellene cserélned (vezélrést, FETeket, kondiakt, trafót áttekerni satöbbi...) De az is lehet, hgoy univerzális bemenetű a táp.
Nem, mert még azt be se kötöttem. Majd a végén ha már rendesen megy.
Konkrétan egy Xbox classic NTSC tápja. Amennyire meg tudom mondani, egyszerű gratez-es egyenirányító, 200V os pufferkondi... Univerzális bemenet sztem kizárva, akkor ez teljes cserével lehet csak megoldani
köszönöm a tanácsot!
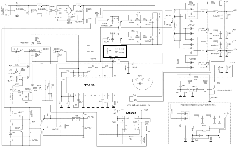
A PC tápra hasonlító tápommal kapcsolatban lenne egy kérdésem. Mi célt szolgál pontosan a TL494 ic kimenete után a meghajtó trafó környékén a 2db 1N4148 dióda és a vele párhuzamosan kötött 1µF-os kondi? A kondi értéke mit befolyásol?
Teszek be rajzot, hogy érthető legyen a kérdésem. Vastag feketével bekereteztem.
Amikor a meghajtó tranyók bekapcsolnak, akkor a két diódán esik kb. 1,5...2 V. Erre az értékre feltöltődik a párhuzamos kondi. Amikor a meghajtó ic kimenetén nulla volt lesz, akkor a meghajtótranyók bázisán az előbbi feszültséggel megegyező negatív feszültség lesz. Ez segíti minnél gyorsabban kikapcsolni ezeket a tranyókat. A BJT-kből, ahhoz, hogy gyorsan kikapcsoljanak, nem elég egyszerűen rövidrezárni a bázis-emmittert ( mint a FET-nél ) hanem ki kell üríteni a rétegben tárolt töltést. Erre nagyon sok módszer van, az egyik ez. Tehát, a kikapcsolásnál negatív feszt hoznak létre az emmitterhez képest.
Értem köszi. Ki is mérem majd, hogy nálam mi vele a helyzet.
Sziasztok!
Ha egy kapcsolóüzemű tápot le akarok árnyékolni, hogy ne zavarja a környezetében lévő dolgokat, akkor egy ilyen rács jellegű burkolattal körbevéve minden oldalról, megfelelően leárnyékolható, vagy egy összefüggő fém doboz kell neki? Vagy mitől függ mindez? És a 230V védőfölddel, vagy a GND-vel legyen kapcsolatban a burkolat, ha a táp belül van egy olyan készülékházban, ami fém, és földelve van? Köszi!
Attól függ, hogy a zavarnak mi a természete. He kontkártan elektromágneses hullámokat bocsát ki, akkor jó a rács. A rácson csak olyan elektromágneses hullám megy át, aminek hullámhossza kisebb, mint a rács lyukának mérete.
Ha a zavar természete más, akkor az ilyen faraday kalitka semmit nem ér, az esetek többségében pedig nem ez a forrás! Akkor van elektromágneses sugárzás, ha valahol légmagos tekercs, vagy olyan légrést is tartalmazó tekercs található, ami önmagában nem árnyékolt (vagy olyan a ferrit kialakítása, vagy a légrés fölé tekerve van, így a tekercs reze árnyékol). Ha nem tudod garantálni a 2-es érintésvédelmi osztályt, akkor a hálózati védőföldet rá kell kötnöd a szekunder oldal egyik pontjára, ami többnyire a közös (gnd).
Sajnos fogalmam nincs a zavar természetéről, de leírom, mire gondolok:
A TAS-os erősítőm dobozában, amibe az általad tervezett fixfrekvenciás, szabályozatlan rezonáns tápegység lenne a főtáp, ami 48 és 12V-ot szolgáltat, szeretnék egy kiegészítő 12V-os segédtápot is a standby miatt, ami a főtáp indítását és a ventilátorok tápellátását biztosítaná. Arra gondoltam, hogy a legegyszerűbben egy 12V-os 1A-es kapcsolóüzemű adaptert kibelezve tudnék hozzá jutni egy ilyen táphoz, de valószínűleg bezavarná a főtápot vagy az erősítő modulokat. És ezt gondoltam árnyékolni... Idézet: „He kontkártan elektromágneses hullámokat bocsát ki, akkor jó a rács. A rácson csak olyan elektromágneses hullám megy át, aminek hullámhossza kisebb, mint a rács lyukának mérete.” Éppen a mikrohullámú sütővel melegítettem, és ráfigyeltem az elején a rácsokra. És azon gondolkodtam, ha ott elegendő az 1mm-es rácsméret, akkor tényleg jó a kapcsolóüzemű táphoz is. Kíváncsiságból kiszámoltam, mondjuk 1mm-es lyukméretnél, akkor az 300GHz-re jön ki. A kapcsolási freki ennél sokkal-sokkal lassabb, ennek ellenére lehetnek olyan hullámok amiket nem szűrne ki ? Vagyis az elektromágneses zavaron kívül milyenre kell gondolni? Köszi!
Az elektromágneses hullámok nem csak a levegőben tudnak terjedni (sugárzás útján), hanem a vezetékeken is (vezetés útján). A vezeték mintegy kivezeti a zavart a készülékből, aztán a fémdobozon kívül a vezeték is fog sugározni. Hasonlóan a vezetékek össze is tudják szedni a kisugárzott elektromágneses zavart. Mivel hiába rakod fémdobozba a készüléket, valami vezetéknek csak el kell hagynia a dobozt, így ha belül van bármi zavarkeltés, az alaphangon az összes kijövő vezetéken (beleértve pl. a tápkábelt is) is meg fog jelenni, aztán kint már a vezetékek fogják tovább sugározni.
A megoldás erre a vezetékekre rakott zavarszűrő. Lehet a házon belül zavarszűrő tekercset illeszteni a vezetékbe (tápvezetékek esetén elég tipikus megoldás, sokszor külön kis fémdobozba zártan a 220-as csatlakozóval összegyógyítva: Bővebben: Link) - ezt minél közelebb kell rakni a kivezetési ponthoz (vagy fenti példához hasonlóan külön fémdobozba zárni), hiszen a doboz fala és a szűrő közötti vezetékszakasz is össze tud szedni még egy kis zavart. Vagy lehet a vezetékre ferritgyűrűt rakni - ez lehet kint is, pl. a csatlakozó vezetékre építve (lásd tipikus monitorkábel végén a gyűrűt): Bővebben: Link.
Szia!
Köszönöm a hasznos infókat! ![]() Üdv, zoka.
Sziasztok.
Ha valaki tud segítsen. Van nekem egy ATX PC tápom, melyikben TL494 van. Az a baja, hogy a nagyfeszültségű tranzisztorok elszálltak, és nekem nincs több szilícium tranzisztorom. De viszont van N Fet IRF840. Az a kérdés, hogy be tudnám-e tenni a szilícium tranzisztorok helyére a Feteket, és ha igen akkor, hogy???? Nagyon fontos lenne számomra. Előre is köszönöm.
Bele tudod tenni, a meghajtás teljes átalakításával. Tehát áttekered a meghajtótrafót aminek a szekunder köréből kidobsz mindent és csak egy gate ellenállást hagysz benne, valamint a 494 kollektorai helyett az emittereiről veszed le a meghajtójelet, amit egy komplementer emitterkövetőbe vezetsz.
Azonban ha ez kérdésként felmerült, akkor jobban jársz ha veszel bele 2db tranyót. |
Bejelentkezés
Hirdetés |




Első pillanatra egy kis táp nem lenne elég az ic-nek? aztán ugye visszacsatolnád. 
köszönöm a tanácsot! 






