Fórum témák
» Több friss téma |
Fórum » Kapunyitás gombnyomásra olcsón! - avagy automata kapu házilag
Témaindító: szabi83, idő: Feb 2, 2006
Fordítsuk meg a dolgot: Mennyid van a motorra? Mert a megoldásokat leginkább eszerint érdemes keresgélni, tehát a végéről. Fontos az is, mennyiszer kell nyitni- csukni. A szomszédomnál "gyári" proteco kétszárnyas szett van felszerelve, napi 15-20 nyitásra méretezve, de préselt alkatrészek vannak benne, így egyszer szét tudod szedni, de szervizelni, összerakni már kétséges. Ő már harmadszor javítja, javíttatja... Én inkább megvettem a drágább FAAC csuklókaros motort. Igaz drágább, de mivel 24V DC-ről is jár ezért napelemről megy. Nekem a két motor annyiba volt, mint neki a szett. Azonban még egyszer sem kellett javítani és napi 300 nyitást is elbír... Ja az elektronika saját (PLC).
A hozzászólás módosítva: Márc 22, 2013
Nálam a strong motorok (könnyű kapuval) két évet működtek , aztán megették a műanyag fogaskerekeiket....
Igen most pont így működik , és ráadásul hang vezérléses!
Háát a konstrukciót elnézve csoda, ha 2 évig kitartott. Az árakat böngészve a jobb tolómotorok már ott vannak a csuklókaros, kuplungos és könnyen szervizelhető gyári kapumotorok árában... AZ enyémet már rézkuplunggal látták el, örökös darab, ha netán mégis törne, szakadna valami, csak 30 kis imbuszcsavart kell lecsavarni és a zsírfürdőből kihámozni az alkatrészeket. 2003 óta dolgozik és csak egyszer volt kuplung gondom, de az még akkor amikor nem volt jó a vezérlésem és egyértelműen hülye voltam, mert rossz irányba erőltettem a mechanikát.
Mivel a válság és a recesszió korát éljük nincs túl sok rá.
Próbálnám úgy megvalósítani, hogy legyen jó, strapabíró és esztétikus. Ezek mellett érintésvédelmileg is feleljen meg.Úgy gondoltam, jó lenne, ha olyan 40.000 Ft körül megállna a kiadás, mindent beleértve. Kertes házban lakunk, napközben meló van, így nem kell sok nyitás. Napi 2, hétvégén max. 4 nyitás-zárás. A hozzászólás módosítva: Márc 22, 2013
Ez nem túl jó hír számomra, de azért köszönöm.
Teljesen megértem a dolgot, de nem szabad elfelejteni, hogy egységnyi műszaki tartalom a megoldás módjától függetlenül - mindig pontosan ugyanannyiba fog kerülni. Ha a motoron spórolsz - valahol rá fogsz fizetni. Vagy a sűrű javítással, vagy a saját munkáddal, vagy az energiaköltséggel. Nyilván jó megoldás lehet egy pár ablaktörlő motor, vagy akkus csavarhúzó és sok házilagos mechanikai munka is. Én sem vagyok krőzus, de anyagilag a végén jobban jártam, mint a szomszédom az olcsó szettjével. Igaz egyszerre csak egy motort tudtam megvenni, mert nekem sem volt több pénzem rá. Ennek ellenére volt barátom, aki kerékpár-fogaskerekekből, láncból stb stb épített úszókapu mechanikát és a mai napig működik, pedig ő már rég nem él. Én csak annyit tennék a dologhoz még, hogy az én kétszárnyas kapum 8,3 sec alatt zár. Sokan meglepődnek rajta, akinek gyári szettek vannak. Ahogyan mindig rácsodálkoznak a napelemes táplálásra is. Most már több télen túl vagyok. A napelem egy akksit tölt, ami csak egy sima Hensel tokozatban van. Féltem a fagyoktól, de egy barátom erre is jó megoldást kínált. Nem sima zselés akku van beépítve, hanem motor akksi. Sokkal jobban bírja a szélsőségeket. Ez is zselés, csak nekem kellett felsavazni, ami a hozzá adott szettel kb 3 sec volt + 24 óra amíg bezselésedett.
Tegnap jött meg a 2db parabola forgató:
Bővebben: Link Nem vagyok szétcsúszva, bár ennyiért mit vártam A 45cm nincs meg 42 a max mozgása,És teljes kinyúlásnál eléggé nagy a löttyenése, ajánlatos szerintem 30-35cm re kihasználni csak. Nekem bazi nagy a kapu melletti oszlop 30x30cm es ezért akartam hosszút, meg nagy a kapu is nagy fém felület, de lehet nem merem rászerelni mert egy erősebb szép széttépi az egészet.Egy menetes szár saját gyártmány sokkal stabilabb lenne szerintem mint ez. Ez a tolómotor kiskapura amin átfúj a szél 50%ban és van vagy 150magas símán elég, vagy garázsajtó nyitásra ahol nincs nagy szél. Majd kiderül, de gyengéllem a szerkezetet.Összenyomott állapothoz tartozó végállás kapcsoló fix, a kinyomott állítható. Fogaskerekek elég hangos, de lehet raknék bele még 2kanál zsírt elcsendesedne jobban.Ereje van, nem bírtam lefogni sem 30v-ról, nyitási ideje 30V ról 1perc 20.
Nekem bevált ez a motor eddig, úgy 2éve megy. a kapu alá szorult kavicsokat porrá zúzza, a 110Km/h szél nem okoz gondot, igaz csicsit hangosabb, meg műanyag fogaskerék de zsír sokat segít
Szia!
Nekem 3612-es van és már 2009 óta hibátlanul működik. Lassan át kell zsírozni, de így sem túl zajos. Kb. 32V-ról megy és 1 perc a nyitás/zárás. Nem igazán gyors de jobb mintha nekem kellene kimászkálni. Üdv: Gábor
Jelenlegi problémám ahogy tesztelgettem 30cm van a kapu síkja és a felfogatási sík között.Éppen csak 90fok megvan 43cm rel. Főút, szemben spar parkoló, van ereje a szélnek megindulni.Majd nyomok fel képet. 10mm es menetesszárral is játszottam, na az tud libegni rendesen. Lehet feldúzom a pofám és 20mm es menetesszárral készítek egy akkus furóst. Na az erős lenne. Ja egy egyszer már kifaragtam a falból, de vissza javítottam. A gyári kapunyitoknál az 50cm esnél ajánlják, hogy max 30cm lehet a kapu síkja és a felfogatás közt.
Sziasztok!
A gephu.exe program megvan valakinek? Ingyenes volt a letöltés, használat, de valahova elkevertem. Nem szeretnék csak ezért regisztrálni ha nem muszáj. Üdv: Gábor A hozzászólás módosítva: Márc 23, 2013
Szia!
Köszönöm! Csak ebben a formában nem kerestem. A hozzászólás módosítva: Márc 23, 2013
Szia! Ez az egyik ok, hogy a gyári csuklókaros motort választottam. Rázáráskor ugyanis túlmegy a 180 fokon és mechanikusan bereteszelődik. A szél sem és más mechanikus behatás sem nyitja ki egyszerűen. Csak ha törik szakad valami.
Sziasztok!
Rávettem magam én is hogy építek egy kapunyitót.Már beszereztem a motorokat, távirányítót, tápegységet. Megterveztem és összeépítettem a vezérlést is ( csak relés vezérlés maradt, mert nem értek az elektronikához). A kétszárnyú kapuk megállításáról egyszerű végálláskapcsolók gondoskodnak. Egy kis segítséget szeretnék kérni az elektronikához értőktől. A motorokban található egy elektronika. Szerintem egy optikai forgásérzékelő része lehet. Amennyire én kinéztem belőle valami jelet adhat ki egy vezérlőelektronikának, ami figyelheti a motor forgását, fordulatszámát...ehhez nem értek. A kérdésem az, hogy lehet-e egy olyan elektronikát építeni hozzá, amelyik megszakítja a motor tápellátását, ha megáll a motor forgása ( bezáródik a kapu). A motorra ezek vannak ráírva Einhell Fa-G 2601,Fa-G 1601 Valaki tudna küldeni egy egyszerű kapcsolást, amit meg tudnák építeni, vagy ha valaki megépítené nekem az is jó lenne. Az elektronikáról teszek fel képeket, így könnyebben be tudjátok azonosítani. Hogyan tudom kideríteni, hogy ez a panel működik-e. Előre is köszi a segítségeteket.
Szia!
Ezek 24 V-os motorok, az elektronika, amit lefényképeztél, az a motorban lévő enkóder... (elvileg el is hagyható) Pisti
Szia!
Igazad van. A motorok tényleg 24 voltosak, de lehet hogy kisebb feszültségen fogom üzemeltetni, a fordulatszám miatt. Ezt az elektronikát idáig úgy gondoltam, hogy nem használom, nélküle próbálgattam a motorokat. Arra gondoltam, hogy mégis jó lenne egy plusz biztosítást beépíteni, ha esetleg meghibásodnak a végálláskapcsolók. Nehogy leégjen az elektromotor. Gondoltam felhasználom ezt az elektronikát, csak sajnos nem igazán értek az ilyenek építéséhez.
Idézet: „A kérdésem az, hogy lehet-e egy olyan elektronikát építeni hozzá, amelyik megszakítja a motor tápellátását, ha megáll a motor forgása ( bezáródik a kapu).” Természetesen lehet, vannak is ilyen kapunyitó motorok amik figyelik a motor fordulatát és ha leesik, leállítja a mozgást (túlterhelés) Viszont ahhoz érteni kéne a PIC-hez minimum, hogy ilyen áramkört összerakj, anélkül nem megy. Üdv
Először némi felderítés: Az ic-re mi van írva?
Szerintem az első, és harmadik láb a táp (polaritását a kondi eldönti , nagysága 5-12V között lehet valahol. A forog,nem forog jelet a 2. lábon produkálja, csupán az a kérdés impulzusokat ad vagy folyamatos jelet. A maradék kettő a motor tápja.
Csak 24 V-ot használhatsz, mert (pl 12 V-on) nem lesz elég nyomatékod a kapumozgatáshoz - főleg, ha van szélterhelés is...
A gyári 24 V-os vezérlések pwm-et használnak a meghajtáshoz, és az enkóder jelét figyelik működés közben. "Feltanulják" az út hosszát, mérik az áramfelvételt (mozgatáshoz szükséges erő), hogy a nagyobb erőt akadályként tudják érzékelni. Tehát elég összetett a feladat (230 V-os motorral jóval könnyebb lenne - ott csak relé van, meg triak a fázishasogatáshoz...), mégha a legegyszerűbb módot is választod (a motorok időre nyitnak-zárnak végálláskapcsolókkal) akkor is ott a pwm kérdése, ami létszükség, mert gyengék lesznek a motorjaid, vagy csak teljes nyomatékkal tudod használni, ami szintén nem jó, mert ha valami közte marad... szóval kell a mikrovezérlő hozzá, meg a tudás, hogy leprogramozd... Vagy keress a neten vezérlést, magyar cégek is árulnak, nem is biztos hogy túlságosan drágán.
Sziasztok.
Köszi a hozzászólásokat.Az IC tetejére az van ráírva, hogy LM358N. A hozzászólásaitokból az derült ki számomra, hogy nem egyszerű feladatról van szó. Amit én meg sem tudok csinálni valószínű. Akkor egyelőre ez a terv elbukott.
Azért nem annyira megodhatatlan dolog az.
Ha jól gondolom (nem rajzoltam vissza a panelt) a fotó alapján, akkor ez a motor forgásának sebessége alapján egy megfelelő sebességű impulzussorozatot ad magából. Ebben a témában is írtamm ár, csak másnak, hogy a: "keresd meg a neten a RÁDIÓTECHNIKA ÉVKÖNYVE 1998, abban van egy impulzuskimaradás indikátor, azzal meg lehet oldani. " Szerintem ide is jó lenne. Nem túl bonyolult, 1 ic az egész emlékeim szerint. Kezdőként is megépíthető.
Szerintem gyorsan feladod. Ha egyébként végállás kapcsolókra bízod a kapu megállítását így is úgy is , nem látom be miért kellene a PWM meg egyéb hóbelebanc.
Ami a kimenetet illeti lehet elég egy egyszerű tranzisztoros fokozat esetleg egy kondival . (ha nem akkor marad az IC ) azzal egy jelfogót működtetve már a rendszeredbe illeszthetőnek tartom.
Neki komplett optos forgásérzékelője van a motorra építve, szerintem az teljesen jó, csak a kimenetét kell illeszteni egy relé felé.
Helló.
Abban kérném a szakmai segítséget hogy egy 12V motort szeretnék forgatni két irányba, egy nyomógomb segitségével, úgy hogy gombnyomás->egyik irány, gombnyomás->stop, gombnyomás->másik irány, gombnyomás->stop! És mindig ez legyen a sorrend. A végén persze fotocella, végálláskapcsoló stb. az már megy, de erre nem jut eszembe semmi. Végső esetben 2 nyomógomb is szóba jöhet, de a mostani távirányítómon még van egy szabad csatorna azt szeretném felhasználni. Tudtok segiteni? köszi
Szia!
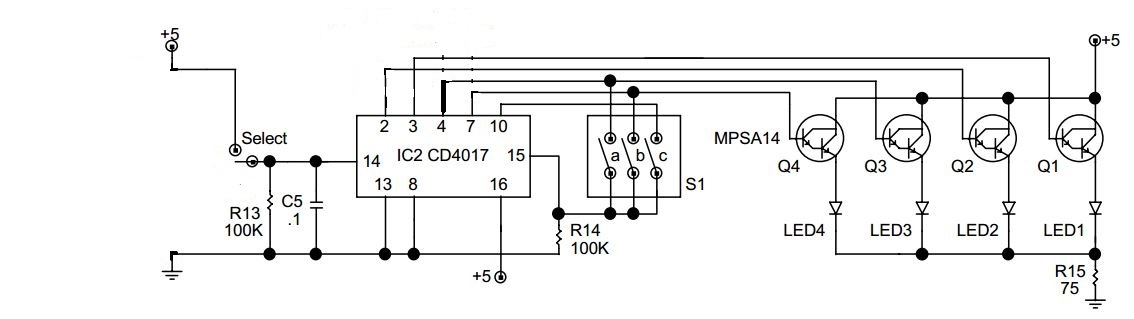
Egy másik kapcsolásból ollóztam de szerintem neked is megfelel. A dip kapcsolóval tudod beállítani hány lépést menjen, 2, 3, 4, szerintem az utolsó állás jó. A LED-ek helyére tudod tenni a kimeneteket. Üdv: Gábor
Hello! A közelmúltban rajzoltam valakinek hasonló kapcsolást. Ezt átalakítottam. Van egy plusz szolgáltatása is, ha nem nyomod meg a Stop-ra a gombot időben, leállítja (alaphelyzetbe hozza) a vezérlést. Az időt lehet változtatni is. Ha időtúllépés van, akkor stop-ra állítja a vezérlést. De ez után már csak nyitni lehet. Pontosabban gyors egymás utáni nyomkodással, zárni is. De van egy fogadásom,hogy a kívánt logikai működés számodra nem lesz megfelelő. üdv!
A hozzászólás módosítva: Jún 10, 2013
Vegyél egy egyszerű léptetőrelét. Az megoldja ezt a problémádat. Van belőle olyan ami 1:start egyik irány 2: stop 3: start másik irány 4: stop kialakítású. Ha kell Finder termékből cikszámmal tudok segíteni, vagy megnézed a findernet.com oldalon a katalógusban.... Ha elektronikus megoldás kell, akkor ugyanez csak számlálóval. A Finder megoldás előnye, hogy egyből relés kimeneted van.
|
Bejelentkezés
Hirdetés |





Próbálnám úgy megvalósítani, hogy legyen jó, strapabíró és esztétikus. Ezek mellett érintésvédelmileg is feleljen meg.









