Fórum témák
» Több friss téma |
Fórum » Készülékek kapcsolási rajzai
Témaindító: csikosgabi, idő: Máj 6, 2006
Témakörök:
Hi!
Amig benne az akku cella, lehet nem kéne dióda méréseket eszközölni a műszereddel mert abból lassan ajtó kitámasztó lesz. Egyébként az egyik zénernek a relé feszültségének kell lennie. a másik az akku töltést végzi egy soros diódán keresztül. Ha visszarajzolod azt a részletet megtudod, plusz a leolvasott számok segítenek megmondani. Üdv. M.
Szia. Ohh ne azt nem tudtam,akkor neki esek
Sziasztok!
Van egy Bose autós erősítőm, annak keresem a kapcsolási rajzát. Ha valaki tud ilyen rajzzal szolgálni, vagy esetleg olyan weboldallal, ahol érdemben is szét tudok nézni, annak megköszönném. ![]() Mellékelt képen szerepel az összes infó amit tudok róla. Üdv.:Józsi
Üdv mindenkinek. Keresek STUZZI radiokord 379W/osztrák/ 1962-ben gyártott szalagos magnetofon kapcsolási rajzot, A magnetofon részét megjavítottam,a rádió javításához kellene a rajz mert sehol nem akadtam rá. Kezdő vagyok és nyugdíjas koromra ez a hobbim A segítséget előre is köszönöm!
Üdv. Keresném a RCF DCA 550 sztereó erősítő kapcsolási rajzát. Nagyon örülnék, ha tudna valaki segíteni.
Szervusztok .
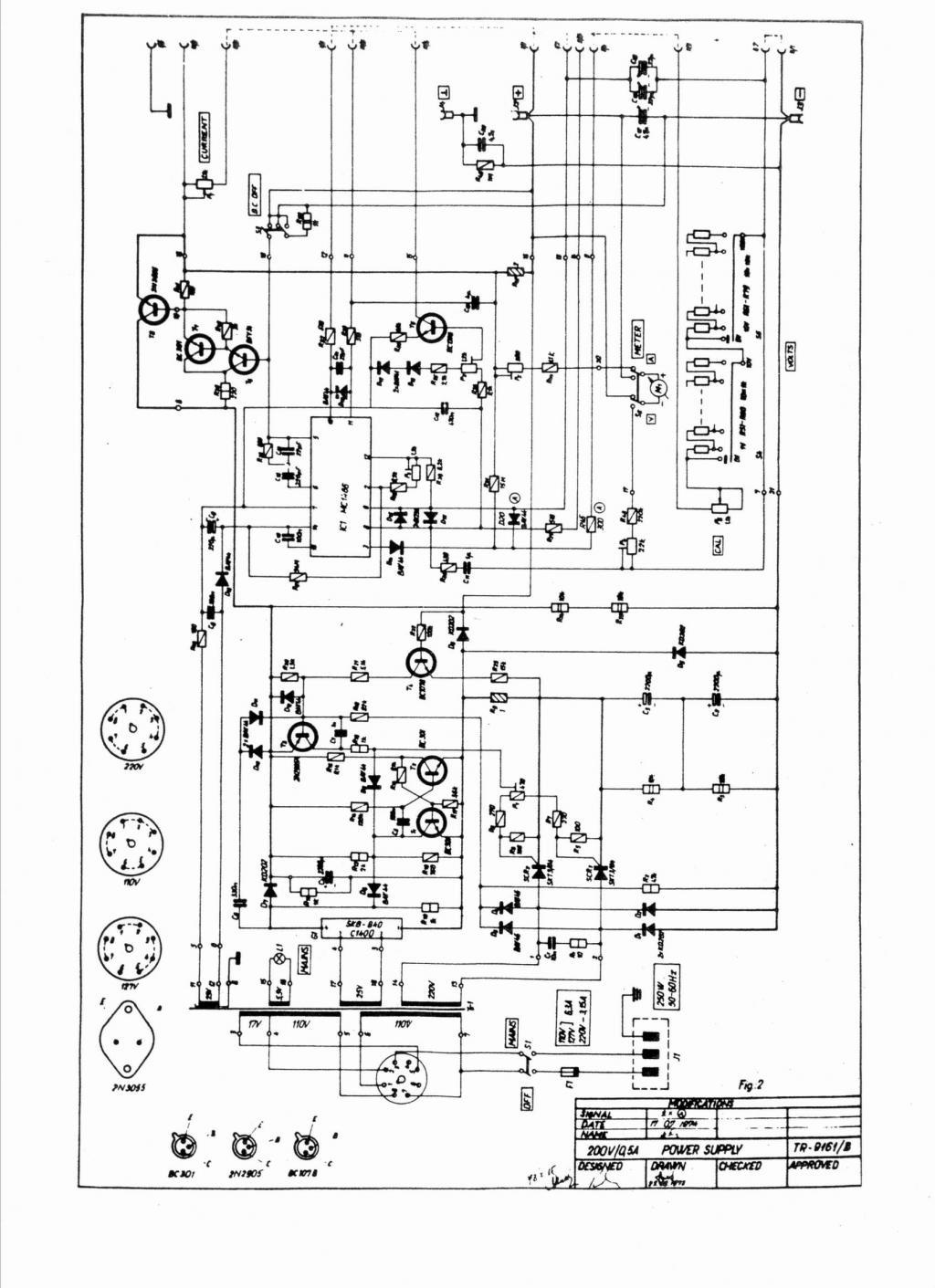
Keresném a FOK-GYEM által gyártott D.C. Power supply. 200V / 0,5 A komplett gépkönyvét .Akár elektronikus formában is.Eddig csak rossz minőségű olvashatatlan kapcsolási rajzot sikerült találnom . A típusa : TR-9161/B a " / B " fontos Már kerestem régebben is sikertelenül pedig magyar gyártmány. Minden megoldás érdekel . Köszönettel
Ez a 3 rajz volt itthon nekem.
Szia tufatofu !
Köszönöm hogy foglalkoztál vele .Nekem is ezek a rajzok vannak meg .Azért is írtam hogy A komplett gépkönyvét szeretném.Mivel úgy tudom ott elég részletesen le van írva a működése . és a mérőpontokon mit kel mérni. Vadászom már rá régóta időszakonként.Sajnos az enyémen összevissza vándorol a feszültség meg nem is lehet szabályozni.Aztán vettem egy másikat igaz hibásnak árulták de az se jó.Már beszereztem a belevaló IC-t Kínából. Még az ÁFA beépítés előtt.Minden esetre köszönöm még egyszer. Üdv wegg
Sziasztok!
Kapcsolási rajzot keresek Somogyi sma051 vagy sma050 forrasztó állomáshoz. Nagy segítség lenne, ha lenne, mert "megmakkant", és a csere alkatrészekkel nem 100%-os a működése. Köszönöm a segítségeteket.
Sziasztok!
Egy SENCOR SIR 007 típusú hordozható internet rádió kapcsolási rajzát keresem. Ha valaki tudna benne segíteni azt megköszönném. Üdv.
DT 02 digitális kapcsolóóra.
Az a kérdésem,hogy a benne lévő relé (kapcsolható áramerősség16A), 1 vagy 2sarkú.Egy VMK40-es mágneskapcsolót vezérlek vele. Hallom a relé be-kikapcsolását, de rajtot nem találok. Tud valaki segíteni? Köszönöm.
Helló! side by side Siemens rajzot keresek!!Segítsetek.
Ha hűtőre gondolsz, abból van néhány tipus.
Üdvözletem!
Segítséget szeretnék kérni tőletek egy "OBOD - Bauknecht Automatik VZ20" fagyasztó kapcsolási rajzának beszerzésében. Mellékelek egy képet. A segítséget előre is köszönöm
Keresem R-u3/2 kontakta gyártott érintős fényerő szabályozó kapcsolási rajzát ha valaki tud segitsen köszönettel.
Üdv,itt van egy olyasmi rajz,ami talán pont ilyen.Kérlek azonosítsd be az alkatrészek kapcsolatát,hogy biztos legyen.
Üdv mindenkinek!A Bosch hőszivattyukban is alkalmazott 3 fázisú frekvenciaváltó rajzát keresem .tipusa ID857H . kinai gyártmány. Köszi előre is a segítséget !
Helló! Kösz ,hogy reagáltál. A tipusa KC KAD 62 A2 ehhez kéne villamos rajz. Előre is köszi a fáradságot.
A hozzászólás módosítva: Okt 22, 2022
Sziasztok. Segítséget szeretnék kérni. Van egy Visonik Stereo verstärker 5003 erősítőm és szervízkönyvet keresek. Ha valakinek van Legyen szíves ossza meg velem is. Előre is köszönöm szépen.
Sziasztok!
Keresem az LG CE-28H86T TV kapcsolási rajzát.Sajnos sem a google sem a E Tanyán lévő nem segítség.Előre is köszönöm.
Leírhattad volna, hogy ezzel az SM-mel mi a gond?
Csupán az a gondom,hogy amit én onnan letöltöttem(és nem volt ott más)az csupán egy bin és egy eep file.A bin file ugyan "rejthet" egy rajzot,de a megnyitása nem egy egyszerű művelet.Amit ide tettél,mármint az "ezzel" már megszűnt ez a gond.Köszönöm uniman!
A bin és az eep az a készülék eeprom mentése.
Üdv!
Tr 1699/v014 asztali multiméter kapcsolási rajzat keresem. A kijelző panelje hiányzik, azt szeretném pótolni. Jani
Üdvözletem!
MAC Audio MMC 240 minihifi kapcsolási rajzot keresnék, elektrotanyán nincs fent. Esetleg valami információ arról, hogy analóg vagy digitális végfok van e benne? Köszönöm. A hozzászólás módosítva: Feb 12, 2023
Sziasztok!
Densei Echo EC-2018 mikrofon kapcsolási rajzát keresem.
Sziasztok. Van e valakinek kapcsolási rajza egy régi két útas crossoverhez: REFLEX Crossover Professional CR-1?
Műszer Automatika 2000 KFT 200V-os tápSziasztok,Vásároltam egy Műszer Automatika 2000 KFT által gyártott tápot ami 200V 2A-t tud, mindezt elvileg 130V-tól. A helyzet az, hogy nincs több infó róla, és a működése bizonytalan. Ráadásul ránézésre olyan, mintha ez nem egy termék lenne hanem inkább egy prototípus, mert a csatlakozóktól kezdve a primer egyenirányítás diódáinak a felszerelése mind mintha hobbi kategória lenne. Az áram limit bár állítható, de nem limitál - rövidre zárni meg nem merem, hogy őszinte legyek rajz és bármi infó hiányában. Szóval keresnék hozzá legalább egy használati útmutatót, de nagyon örülnék egy kapcsolási rajznak vagy bármilyen infónak. Típusa annyi van, amit a képen is láthattok: 600W 200V-2A Előre is nagyon köszönöm a segítséget! |
Bejelentkezés
Hirdetés |





















