Fórum témák
» Több friss téma |
Fórum » Készülékek kapcsolási rajzai
Témaindító: csikosgabi, idő: Máj 6, 2006
Témakörök:
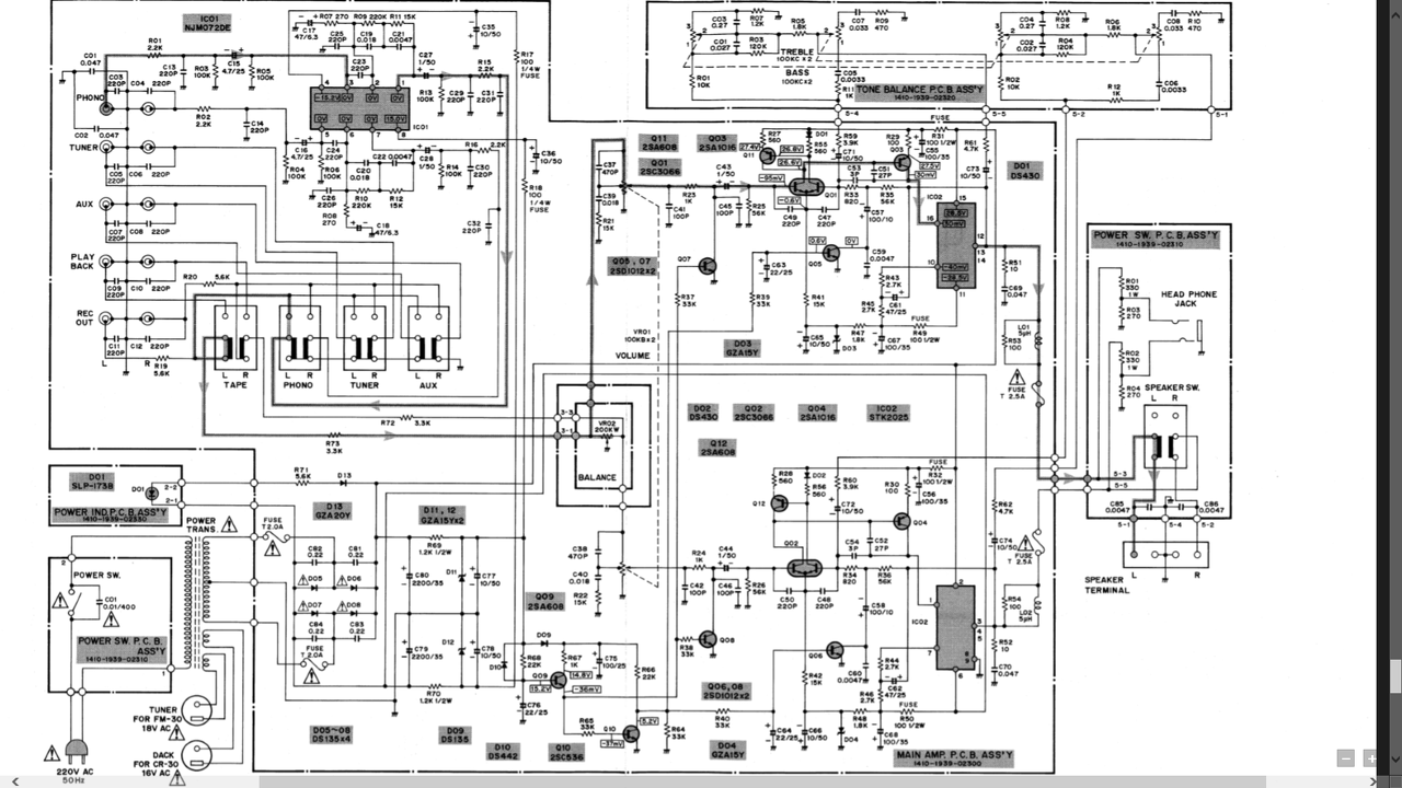
Igazad van, köszönöm! Már csak egy dolog nem tiszta, az STK-nak oldalaként két bemenete van. Melyiket kössem be a TDA-ra? Vagy valamit ki kell bontanom a nyákból is? Arra gondoltam, hogy az IC helyére csak bekötöm a két végfok nyákot. Jobban elnézve ez nem lesz ilyen egyszerű.
A hozzászólás módosítva: Okt 24, 2014
Közben eszembe jutott, nem is kell az egész áramkört megépíteni a TDA-hoz, csak be kell drótoznom az ic-t az stk helyére. Így a visszacsatolás is ki van alakítva. A stby és a mute vezérlő bemeneteket fel kell húzni egy-egy ellenállással és kihidegíteni, meg a bootstrap kondit rákötni az ic-re.
Jó ötlet, csak sajnos más hülyeségéből tanulva, ez nem jött be.
Ezek a szerencsétlen TDA IC-k gerjdékenyebbek mindennél, főként ha bedrótozod. Ne drótozd be, csinálj neki panelt!
Sziasztok! A segitségeteket kérném kapcsolási rajz olvasásához.
videoton ea7386 végpaneljárol van szó. Megsült itt ott és szeretném kicserélni az alkatrészeket, de nem mindhez találok értéket a rajzon!
VR31
VR37 VR38 VR39 VR40 VR47 VC24 érdekelne esősorban
Ott van az a listában, csak gondold hozzá a V betűt.
Ami meg nincs pl. VR37 az a színkódból megállapítható.
Üdv!
Hyundai DVB4H661PVR típusú DVB-T vevőről keresnék kapcsolási rajzot. Egy Ic-n kívül tönkre ment benne egy SMD kondi is (eldurrant ) amit nem tudok beazonosítani. Ehhez keresnék rajzot, vagy ha van valakinek ilyen típusú beltérije és meg tudná mondani hogy a PC17 pozíció számú kondi milyen értékű, azt megköszönném.
Sziasztok!
A Syma X5C quadcopter kapcsolási rajzát keresem. Akinek megvan,azt kérem,hogy ossza meg velem. A kapcsolási rajzot előre is köszönöm!
Segítsen valaki legyen szíves, hova tudom bekötni az újonnan megépített erősítő vonalszintű bemenetét, erre az erősítőre? Jó lenne meghagyni minden funkciót, csak a végfok IC kiváltása volt a célom két ilyennel.
Próbáltam már a C43, C44 + oldalára, ott nem szólt, visszatéve a kondikat az IC 1 és 16 lábára, ott sem volt jó, az eredeti visszacsatolást (R35-36, C61-62) kiiktattam. Mit csináljak vele? Nagyon nincs rá türelmem, hogy végig próbáljak mindet. Az egyik legnagyobb gond, hogy a hangszínszabályzó elég rossz helyen van, jó lenne azt is megtartani. Köszönöm előre is! A hozzászólás módosítva: Dec 20, 2014
Sziasztok van egy hanyoung dx4 hőkapcsolóm, elszált a tápja, ezért keresek kapcsolási rajzot hozzá, de sehol sem találok. Segítsetek köszönöm *
* A sehova sem mutató kép, óriás linkjét kivettem! A hozzászólás módosítva: Dec 5, 2014
Sziasztok!Azt szeretném kérdezni,hogy nincs-e valakinek kapcsolási rajza:EINHELL BT-IW 160 tipusú inverteres hegesztőhöz.Előre is köszönöm.
Chronetics gyártású PG-11 típusú impulzus generátor kapcsolási rajzát keresem. Van egy ilyen betegem, szeretném meggyógyítani.
Előre is köszönöm, ha valaki tud segíteni.
Sziasztok.
Keresem a schneider scenaro 2817 TV. Rajzát. Ha valakinek megvan, megköszönném a segítségét. Típus: TV-17.1-70249/D-VSS/SGM Üdv. István.
Sziasztok!
Egy basszuskombónak a kapcsolási rajzát keresném mert a net-en nem találtam . powerstate pb 60 a becsületes neve a jószágnak és enyhén recsegve szól a lelkem . Viszont rajz nélkül gőzöm nincs merre keresgéljek benne. A készülék így került hozzánk előélete ismeretlen.
Szervusztok!
Sehol nem találom a GRUNDIG RPC 500 készülék kapcsolási rajzát. Ha valaki tud segíteni nagyon megköszönném.
Elfelejtettem bejelölni az értesítést kérek lehetőséget, elnézést.
Szia! Csak mert szépen kérted,feltettem egy file küldő oldalra,csak le kell töltened. Mailben megkapod a linket. üdv pali
Köszönöm a gyors segítséget, megkaptam, most keresek valamit amivel ki tudom csomagolni.
Jó egészséget kívánok. Pista
Sajnos a kapcsolási rajz nagyon pici méretben lett beszkennelve, ha fel nagyítom nagyon elmosódik. Ebből az okból továbbra is áll a kérés miszerint egy olvasható kapcsolási rajz jól jönne.GRUNDIG RPC 500 hoz. Az URH. rész visszahangolása lenne a cél OIRT.-ről CIRR.-normára. Ha valaki csípőből tudna segíteni esetleg tanáccsal ellátni, nagyon jó lenne. Előre is köszönöm!
A hozzászólás módosítva: Jan 14, 2015
Ha a saját topikjában kérdezed, válaszolunk.
Bővebben: Link
Szia! Te most miről beszélsz? A csomagban ott van külön a rajz is éppen azért mert a doksiban levő felnagyítva tényleg homályos. Keress más PDF kezelő programot. Nálam Foxit Phantom PDF-el nagyítva is tökéletes.
A hozzászólás módosítva: Jan 14, 2015
Szervusztok!
Köszönöm, és elnézést kérek, mert figyelmetlen voltam,és csak a doksit csomagoltam ki a RAR-ból, a rajzokat nem. Még egyszer köszönöm a gyors segítséget, nagyon hálás vagyok! pucuka úrtól is elnézést kérek!:
Üdv!
Orion HT 440 5.1 hangrendszer kapcsolási rajzával ki tudna-e valaki segíteni? Különös tekintettel a csatlakozó kábel bekötésére (az eredeti kábelnak csak a 3,5-es jack vége van meg, a másik - mini-DIN 6 pólusú - leszakadt és elveszett). A csatlakozó kábelt a hátlapon bevezetve a panelra szeretném forrasztani, de így nem tudom, hogy melyik szálat hova? Gyanús, hogy a mini-DIN aljzat minden lába be van kötve és tovább is van vezetve a NYÁK-on, de a csatlakozó kábel csak 2 erű + árnyékolás. (Talán közösítve voltak valamiképpen a dugóban?) Előre is köszönöm a segítséget.
sziasztok Tiszteletem
Segítségre lenne szükségem. behringer pmp3000 keverőerősíttőhőz keresek kapcsolási rajzot Ha valaki tud segíteni előre is tisztelettel köszönöm. A hozzászólás módosítva: Jan 28, 2015
Hali!
Én ezt használom, igaz hogy ez PMH, de ugyan az.
Tisztel urak!
Keresek TESLA VR 43 UHF rádió kapcsolási rajzot ! Köszönöm !
Üdv mindenkinek!
CTV 5131 VESTEL tip. TV-hez keresek kapcsolási rajzot. Tud valaki segíteni?
Sziasztok
Keresek egy Hanyoung DX4 hőkapcsoló áramköri rajzát. A 220 voltos oldal feküdt le sajnos. A panelon lévő szám : dx4n-pb301 Sehol nem találok semmit hozzá. A bemenetnél (220V) egy ellenállás van utána közvetlen egy 4,7uf/400V elko. Az ellenállás értéke kéne, mert egy kicsit szétégett. Mérni egyáltalán nem tudom már. Köszönöm a segítségeteket. Kép Kép2 A hozzászólás módosítva: Feb 11, 2015
Látom két példány is van. A működőben nem állapítható meg a keresett alkatrész értéke?
Egy szintén távol keleti készülék táprész rajzával tudok szolgálni, talán ez segíthet. Hátha van hasonlóság. |
Bejelentkezés
Hirdetés |




Ezek a szerencsétlen TDA IC-k gerjdékenyebbek mindennél, főként ha bedrótozod. Ne drótozd be, csinálj neki panelt! 


Ami meg nincs pl. VR37 az a színkódból megállapítható. 


