Fórum témák
» Több friss téma |
Fórum » Készülékek kapcsolási rajzai
Témaindító: csikosgabi, idő: Máj 6, 2006
Témakörök:
Jól látod, több helyen is hibás a rajz.
Két graetz, ez a megoldás, de eggyel is működne...
Tudsz ehhez nekem nyáktervet küldeni?Köszönöm
Sziasztok.Valaki tudna segíteni ,erősítő rajzot keresek? AKAI AM-u7 tipus. dj.suti@freemail.hu , ra szeretném ha írnátok.Megköszönném. Jó munkát mindenkinek.
üdv
Azt hiszem sikerült email ban küldenem linket ill mellékelve a letöltöt rajzot remélem tudod használni majd sajnos csak ezt találtam ...AKAI AM-u7 röl üd
Sziasztok
Keresem az Univox apt 150 erősítő kapcsolási rajzát. Vagy elég lenne egy alkatrészrajz, esetleg pár jó minőségű fénykép. Az egyik ismerősömhöz úgy került a készülék hogy valaki már piszkálta, és hiányzik belőle pár alkatrész. Tudni szeretné hova mi kell, mert lehet a bent lévők sem az eredetiek. Előre is köszönöm a segítséget. Üdv M.Peti
üdv
probáltam kicsit után járni az erösitödnek a gyárto és forgalmazo /serviz céget megtaláltam . cég elérhetöség Bővebben: Link éa készülék leirás Bővebben: Link beszéltemvelük ... javitással is foglalkoznak (de sajnos rajzott nem tudnak küldeni ) ha lesz rajzom ujbol jelenkezem. üdv A hozzászólás módosítva: Okt 23, 2014
Üdv Mindenkinek!
Érdeklődnék, hogy esetleg nincs-e valakinek meg egy Cervin Vega M 200-as végfok kapcsolási rajza? Előre is Köszönöm!
Ilyenről lenne szó. C. V. M-200
Sziasztok!
Denon AVR-1100RD Erősítő rajzára lenne szükségem. Megvan esetleg valakinek? Nagy segítség lenne. Köszönöm előre is.
Üdv.mindenkinek !
Segítséget szeretnék kérni :NO:JSI-150206 model névre hallgató Logik LCX15LN4E TV-ben lévő Invertel javításához egy kapcsolási rajzra lenne szükségem. Hang van,nem megy a nagyfesz része."Elszállt"benne az AP9930GM .Kicseréltem,de továbbra sem megy és most keresem a további hibás alkatrészt(alkatrészeket),de ez kapcsolási rajz nélkül nem megy igazán(már elkezdtem a panelről lerajzolni,de ez többek között a felíratozás miatt szinte lehetetlen). Előre is köszönöm tippeket,segítségeket !
Sziasztok!
A minap észrevettem hogy rosszalkodik az erősítőm... Öreg már... Egy MNC (39690) suberősítő-ről lenne szó... Nah már most van két ellenállás, ami el van kozmálva, de nem tudom milyen értékekkel rendelkezik, nem tudok rajta mérni semmit sem. Szükségem lenne a kapcsolási rajzára!
Sziasztok!
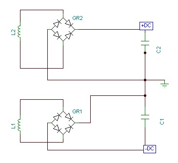
Kaptam egy régi maszek gyártású akkutöltőt, de hiányosan. Van benne egy 250VA-es trafó 16VAC és 27VAC leágazásokkal, egy 35A-es graetz kocka, egy zárlatos tirisztor, illetve egy 12/24V-os átkapcsoló. Gondolom volt benne egy nyák is, mert a helyét megtaláltam. Tudnátok ajánlani egy bevált kapcsolást amivel helyettesíthetem a hiányzó elektronikát?
Üdv Mindenkinek!
Kerestem, nem találtam rajzot a Voltcraft funkció generátoromhoz. Típusa : FG-506 (kb, azonos az FG-513-al, de az 13 MHz-ig megy). A Conrad Electronic tervezte. Ha valakinek lenne ötlete miképp juthatnék szervíz doksihoz, megköszönném. Egyébként egy kis "daughtercard" jellegű 3 ic-s panelen durrant el egy 3lábú. De mivel ezen a nyákon 6 darab ilyen 3lábú van, és mind más, még tippen sincs nagyon mi lehetett ott.
Sziasztok.
Egy 24V-os akksitöltő kapcsolási rajzát keresem. Gyártmány: Victron Energy. Típus: Skylla TG 24/30. A panelen vannak szétégett alkatrészek, amiket nem tudok beazonosítani. Vagy ha valakinek van működő darab, akkor a pozíciószámok alapján be tudnám azonosítani az alkatrészeket. Köszönöm. Zoli
Keresem az OMEGA MML 400-as ipari táp kapcsolási rajzát.
A táp kimenetei: 5V/25A 12V/12A 12V/7A A Google nem tudott segíteni
Keresek a végfokomhoz csúcsérték indikátor kapcsolási rajzot. Ha valakinek van megköszönöm.
A hozzászólás módosítva: Okt 1, 2014
Sziasztok!
Keresek Sanyo RP 8260 rádiómhoz kapcsolási rajzot. Köszönöm a segítséget!
Sziasztok!
JVC jt-v77 rádióhoz keresek rajzot, Köszönöm a segítséget! A hozzászólás módosítva: Okt 7, 2014
Köszi szépen!
Nagyon sokat segítettél. Így már hozzá tudok fogni a javításhoz.
Üdv!Valaki tudna nekem segíteni?Daewoo 20Q1 TV elektromos kapcsolási rajza kellene nekem.Köszi
Szia!
Tessék: Bővebben: Link.
Sziasztok!
Keresem a : BK-TYP. FÁZISKIMARADÁS és FESZÜLTSÉGCSÖKKENÉS ELLENI VÉDELMI AUTOMATIKA rajzát. Mod: A csupa nagybetű kiabálás, ne kiabálj! A hozzászólás módosítva: Okt 23, 2014
Sziasztok! Fisher CA-30 kapcsolási rajzot keresek. Elég lenne csak a végfoké is, vagy egy sima STK2025 kapcsolás.
Szia!
Esetleg innen: Bővebben: Link. Gondolom ismered a letöltés módját.
Köszönöm szépen!
Ilyen IC-t elég nehézkes szerezni, és drága. Gondoltam építek bele egy tda2030-as erősítőt, sajnos ekkora tápfeszre ez nem lehetséges. Csak azt tudnám, minek kellett 20W-hoz 2x35V táp..
Építs be két TDA7294-et. Az erősítésének beállításával maximalizálhatod a kimenő teljesítményt.
|
Bejelentkezés
Hirdetés |













