Fórum témák
» Több friss téma |
Fórum » Ki mit épített?
Ez a téma ha úgy tetszik a mi "kiállítótermünk", nem pedig a ki mit csinált volna másképpen, mások helyett, és legfőképpen nem javítós téma.
Minden készüléknek van saját témája, ott kell kitárgyalni a részleteket!
FONTOS! A kapcsolási rajzok keresésére is van saját téma, ott keressetek rajzokat!
A puskásban szerzett kétszemes nagyitó/mikroszkóp alatt forrasztottam.
igen tudom. De Ő már nagyon a végét járta. Elromlott a hangszórója, a mikrofonja recsegett és egyébként ez egy másolat. Utángyártott. De erre a célra teljesen jó.
Így-Így. Ez be is van állítva. Azthiszem VIP hívásnak hívják. És ha üzemzavar lépne fel nagyobb gond lenne ha nem kapcsolna be a szivattyú. Ha több vizet kap az nem gond. És azért lesz ellenőrizve is.
Na tessen látni? Mennyivel szebb lett a panel.
Ezek az átkötések rendezettek. Jó ránézni.
Az átkötések micsodák? Valami szalagkábel darabjai? Miből való?
Sziasztok! Kész lett a sub-om (előzmények előző oldalon)
Íme a képek.
Hmmm. Na jó, kedves moderátor. Tedd át oda. Pedig folytattam volna fényképekkel, leírásokkal, tapasztalatokkal, stb stb stb. De bevezetőnek jó volt a monológom.
Igen szallagkábel, aszthiszem egy pc cd rom ból lett kiszedve és ide illö darabokra vágva.
Csak addig amig leprobáltam jók voltak a másikok is mert egy rossz panelra fölös lett volna annyi idöt áldozni mig az ember rászabja a folia vezetöket.
Itt van életem első vasalt nyákja! Szerintem elég pöpec lett, ahhoz képest...
Köszike mindenkinek, főleg Zoli bácsinak, meg BlackDognak a kifogyhatatlanan biztatóknak, na meg Szűcs Péternek a rajzért!
Még egy kicsit gyakorolsz és tökéletes lesz
Sziasztok!
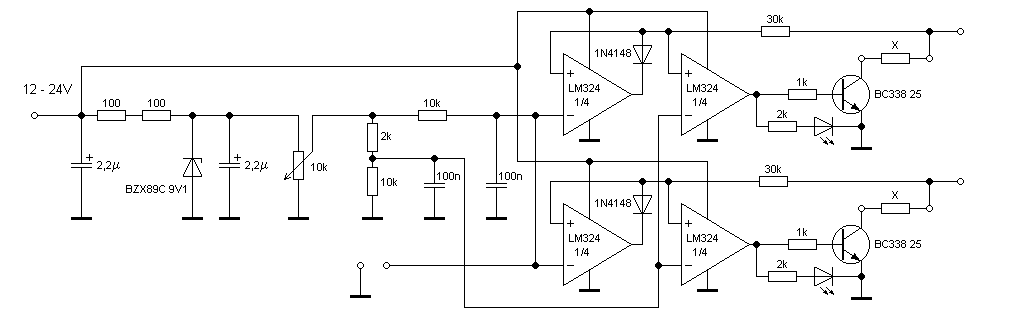
Gratulálok mindenkinek! Csak az utolsó pár oldalt néztem, de elszégyelltem magam, hogy milyen keveset építek, és milyen módszerekkel... Lehet, hogy égő, de ez az első 100%-ig saját valamim, és csak pár hónapja csináltam. Nyákmarás helyett inkább próbanyákra terveztem meg. Nehéz volt ennyire összenyomni, és minimális szinten tartani az átkötéseket, de megérte, mert azt hiszem, kihoztam belőle a maximumot. Ez egy "kétcsatornás" akkumerítő. Ronda, de működik. Egy LM324-es nyit két BC337-est, amik a bal oldalon álló cserélhető ellenállásokon keresztül merítik az akkukat. Amelyik oldal eléri a merítési szintet, az kikapcsol, és a hozzá tartozó led elalszik. A merítési szint közös, a trimmerrel állítható kb 0.8V és 9.1V közt. A jobb oldali két tüskén lehet mérni beállítás közben a merítési szintet, illetve ezek pillanatnyi összezárásával indul a merítés. (A kapcsrajzon ez alul van.) A tápfeszültségigény 12 - 24V DC. A vezetékek végén sajnos pont nem látszanak a csatlakozások, de már nem akarom újra lefényképezni. Az viszont látszik, hogy utólag tettem bele polaritásvédő diódát. ![]() Amit tanultam: 1. Összenyomni mókás, de nehéz. 2. Egy rendes nyák szebb. 3. Hiába figyelsz, lehet, hogy lehagysz valami fontosat. 4. A hosszabb ónhidak rondák és sok anyag kell beléjük. Hát ennyi lenne.
Szia!
Nekem tetszik tényleg jó kicsire összenyomtad a próbapanelon!Egyedül azok a baloldali ellenállások bántják a szemem... Be lesz dobozolva?
Teljesen rendbe van. Még, ha megtervezed és kimarod a nyákot akkor sem lett volna sokkal kisebb.
Tényleg nem lehetett egyszerű ilyen kicsire összesűríteni. Tervezett NYÁK-al sem lenne sokkal kisebb, bár kétségtelenül szebb, kés kevesebb meló lenne a beültetés. Elsőre igen ígéretes próbálkozás, grat!
Sziasztok!
Köszi a véleményeket. Nem gondoltam, hogy ennyire pozitívak lesznek. ![]() Válaszok: Nem lesz bedobozolva. A bal oldali ellenállások tüskesorral csatlakoznak a panelhoz, ezért néz ki így. És ezért sem dobozolnám be, mert azok úgyis kiállnának. ![]() A beültetés valóban nem volt egyszerű. Nem hiszem, hogy sok panelt fogok csinálni ezzel a technikával.
Ja, igen. Még annyit hozzátennék, hogy nem ez az első. Ez csak azok közt az első, amik teljesen saját tervek alapján készültek. (És nincs is sok társa.)
Az első építésem a TDA2030A adatlapján található egytápos erősítő volt kb 6 éve. Azóta szinte semmi. Ott a nyákrajz volt saját, meg a megvalósítás. Még a hűtőbordát is én hajtogattam és szegecseltem alu lemezekből. ![]() Durván 3-szorosan túl is méreteztem.
Hihi! Én is hajtogattam bordát a TDA 2003-nak.
Sziasztok!
Elkészültem a függvénygenerátorommal. A fotókon látszik, hogy előlap még nincs megrajzolva, azt valami progival lenne jó, de nincs még olyanom, valamint a kábelezést kell megfésülnöm. Szövegesen annyit érdemes tudni róla, hogy egy XR2206CP a lelke, ami adatlap szerint 1 MHz-ig megy, de szkóppal mérve 2,6MHz a vége, igaz, ott már minden jelalak sinusnak látszik, és az amplitudó is erősen csökken. A frekimérője Vicsys féle, a bekapcsológomb pedig úgy van bekötve, hogy egyik állásba kapcsolva a generátort nem indítja, csak a frekimérőt, így külső jel forrást is lehet vele mérni. A 2 db BNC csati közül a felsőn jön a négyszögjel, az alsón pedig egy kétállású kapcsolóval lehet a háromszög és a sinus közt választani. így az éppen nem használt output használható külső triggerként szkóphoz. A piros poti az amplitudóért felel, az ezüstök meg a tartomány választó, és a finombeállító helipoti. Röviden ennyi.
Szia. Nagyon szép lett. Remélem az LCD rögzítő csavarokat, és a BNC csati csavarjait valahogy szépen eltünteted majd !!! Akkor lesz majd csak ötös.
Köszi!
Nem tudom, hogy lehetne a csavarokat eltüntetni, ha besüllyesztem, a feje akkor is látszik majd. Belülre kellett volna egy tartókonzolt, és ahhoz csavarozni, akkor elöl nem látszana, de azt már buktam.
Szia
Jól néz ki, szerintem tedd a potikat meg a kapcsolókat (lehetnének egyformák) egy sorba. A bnc csati meg mehetne az oldalfalba. Mert így nagyon zsúfoltnak tűnik. Ha úgy is új előlapot csinálsz talán még nem késő. Üdv
Nagyon jó.
Nekem is van egy ilyen dobozom épp kiakartam dobni, de látom, hogy hasznosítható. Előlap készítés ügyében tudok segíteni, ha kell. Még a csavarok is eltüntethetők. Nekem legalább is sikerült. Bővebben: Link Helipotit hol vetted?
Szia!
Igen, a kijelző miatt össze kellett nyomnom a baloldalt kicsit. Tekerőgombból nem volt otthon 3 egyforma, de azt megoldom, viszont az oldalára nem tennék semmit, mert az a tetejével együtt lejön, nem fix, így a kábelek szívnák meg a szerelgetést. Hátul meg a trafó miatt tartok tőle, hogy összeszedne némi 50Hz-es felharmonikust. Igazából még belülre jön egy árnyékoló lemez a táp és a többi modul közé, azon nem akarom átvinni a jelvezetéket, mert oda az árnyékolás. Esetleg ha L alakban kerítem le a tápot, akkor a bal hátsó részen egymás fölé elfér a 2 csatlakozó, és elöl egy sorban elférnek a tekerőgombok, csak az meg a 220-as vezetékhez lesz közel. Nehéz ügy. |
Bejelentkezés
Hirdetés |




igen tudom. De Ő már nagyon a végét járta. Elromlott a hangszórója, a mikrofonja recsegett és egyébként ez egy másolat. Utángyártott. De erre a célra teljesen jó. 
















