Fórum témák
» Több friss téma |
Fórum » Ki mit épített?
Ez a téma ha úgy tetszik a mi "kiállítótermünk", nem pedig a ki mit csinált volna másképpen, mások helyett, és legfőképpen nem javítós téma.
Minden készüléknek van saját témája, ott kell kitárgyalni a részleteket!
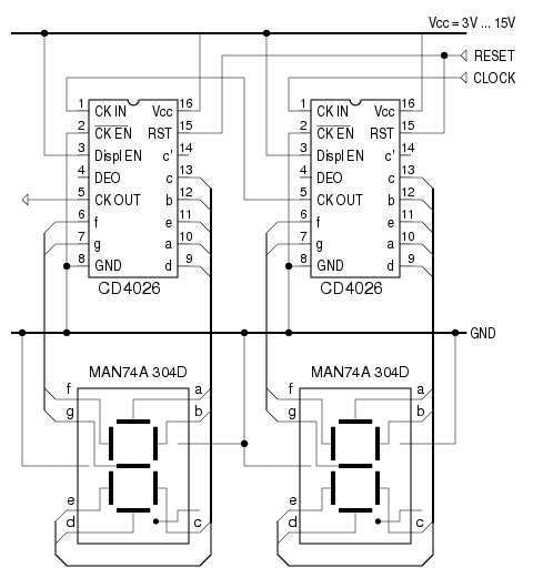
FONTOS! A kapcsolási rajzok keresésére is van saját téma, ott keressetek rajzokat! Idézet: Micsoda? Nem is...! A jobb szélső gombra nőnek (emelkednek). Vagy most én nem értek valamit...?? „mert a számok Bal felé növekednek”
Igen tudok! A CLK -ra köthetsz 555-öst a reset ha GND re kötöd számol ha nincs GND akkor lenulláza magát!
Sikeres továbbépítést!!!
Köszi szépen !
Esetleg majd egy nyákrajzod lesz?
Üdv!
Nagyon szép!
Köszönöm!
Nem akarom elkapkodni, szépen lassan, de halad a táp. Előbb a mechanikai munkát csinálom meg, utána ültetek. (Pedig fordítva szoktam ezt a műveletsort csinálni.) Üdv!
Lefestettem az LCM3 dobozkáját. Próbáltam belevinni egy kis modern geometrikus mintát. Remélem nem lett nagyon elvont...? Már csak a beszerelés és beüzemelés van hátra. Ma még szárad egy picit a lakkozás.
Mire nem jó az erbráss...
Tetszetős a dobozka, hogy nálad melyik lenne az elvont rész, azt nem tudom, nekem bejön! :yes: Egy dolog van, ami nekem nem tetszik benne: én a nyák lemezek illesztésénél gletteltem volna a dobozt és úgy festettem volna rá. Amúgy gratula!
Bizony, a glettelés hiányzik... Sajnos nincs itthon és most már jól látszik, hogy akármilyen pontosan is dolgozok, vannak rések.
Semmi gipsz, vagy valami csiszolható tömítőanyag?!
Ne ezen bukjon már a külcsín...
Gipsz van, de attól féltem, hogy előbb-utóbb kipotyog. Mindegy, mert távolabbról jól néz ki és annyira nem zavaró. Más a kép a fényképezőgép lencséjén keresztül.
Tetszik a logó! Meg az egész !
![]() A logó az úgy került rá, hogy papírból kivágtad a mintát , majd átfestetted?
Nem. Csak a szélekhez tartottam oda egy lapocskát, majd szabadkézzel rámentem. Sajna ilyen kis betűket nem tudok szépen kivágni, még orvosi szikével sem.
Hehe! De ez most nem oly cirkoványos mint a nyákjaidon..
Szia! Jó lesz ez
Kész a robot. Mostmár csak a vezérlőpanelek kellenek.
Képek: Picasaweb
De szerettem a fémépítő nevű játékot. Ugye abból van a "felfüggesztés"?
Húú nekem nagyon tetszik Gratulálok!! Milyen áramkör lesz benne PIC & AVR? Tuti kis járjány lesz jó masszív!! =)
Köszi. Nem fémépítőből van. Valami kicsit masszívabb dolog amit találtam itthon. Amúgy eddig kb 300 ft-ba van az egész mivel olyan dolgokat használtam amit találam. A TI MSP430-as kontrollerével tervezem majd irányítani. Most készül bele a H híd.
Szerintem nagyon jó lett!!! :eek2:
MAMHU-n találkozhatunk vele? Vagy csak otthoni szórakozás a tét?
Úgy látom, hogy te is szeretsz otthon barkácsolni. Gratula. Kedvelem az ilyen embereket.
Hát nemhiszem. Csak találtam néhány alkatrészt aztán megépítettem. Sajna a programozás még nem nagyon megy de dolgozok rajta
oké ha kész akkor feltétlenül videót rakj fel!! =)
Sziasztok!
Készülődik a Hiraga 20W-os erősítőm, a panelek már készen vannak, bár élesztve még nincsenek, íme néhány kép róla:
Nagyon jól nézki pláne a hűtőbordáid nagyon jól néz ki a nyák is!! GRAT!!!
Szerintem is jók a bordáid ! Én 200 FT -ért vettem ekkorát, csak sima alu színben.
[off]
Tényleg aktuális lenne egy "Ki mit épít?" topic is mert egyre több itt a félkész munka. Személy szerint én a KÉSZ munkákat nézegetném itt és persze venném a KÉSZ ötleteket. Nem félkész nyákok meg próba panelre összeszórt cuccok meg üres dobozok stb... :hide:
Köszi, én a lomexben vettem ezeket a kis hűtőbordákat, ha jól emlékszem 150Ft körül voltak.
Igazad van, valóban kellene egy "Ki mit épít?" topic, de ha én esetleg egy haveromnak készítek egy erősítőt aki megkér rá hogy csak a végfokpaneleket készítsem el neki, attól azt is én építettem és miért ne mutahatnám meg itt hogy mit építettem, egyébként sehol nem olvastam hogy csak bedobozolt cuccokat lehet itt bemutatni.
Ne haragudj én nem téged szeretnélek támadni. Nem áll szándékomban.
Viszont mintha azt írtad volna, hogy még nincs élesztve. Tehát jogos, hogy néha csak a panel készül el, de akkor az legyen működő képes és legyen leírás róla. |
Bejelentkezés
Hirdetés |








Tetszetős a dobozka, hogy nálad melyik lenne az elvont rész, azt nem tudom, nekem bejön! :yes: Egy dolog van, ami nekem nem tetszik benne: én a nyák lemezek illesztésénél gletteltem volna a dobozt és úgy festettem volna rá. Amúgy gratula!








