Fórum témák
» Több friss téma |
Fórum » Ki mit épített?
Ez a téma ha úgy tetszik a mi "kiállítótermünk", nem pedig a ki mit csinált volna másképpen, mások helyett, és legfőképpen nem javítós téma.
Minden készüléknek van saját témája, ott kell kitárgyalni a részleteket!
FONTOS! A kapcsolási rajzok keresésére is van saját téma, ott keressetek rajzokat!
szia a karácsony fának a rajzát tedd már fel kösz
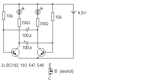
Tessék
egyszerű kapcsolás
A png fájl hibás volt, töröltem. Tedd fel újra!
Oké Értettem, Ezer Bocs. :yes:
Milyen technikával készült?
Szia!
Nagyon jól néz ki a lámpa, az oldalát miből csináltad?
Itt van lámpáról egy belső kép, a keret fa, az oldala pedig tapéta. Jó sokat kellett keresgetnem, mire találtam ilyet, mert a legtöbb annyira vastag, hogy nem megy át a fény rajta, viszont evvel az volt a szerencsém, hogy a virágmotivumok vonalainál csak maga a szín van, tehát a papír van színezve és nincs ott az a plusz vastagság
Ja és találtam elég jó lábkapcsolót, szóval az is megoldodott így 5 ezerből megvolt az egész
Hát ha a keretre vagy kíváncsi, az alsó és felső rész, négyzet alakú, a végük 45 fokba le van vágva, majd összeragasztottam. A 4 függőleges rúd pedig be van fatiplizve alul, fölül ebbe a keretbe, plusz még fém sarokmerevítő is van csavarozva, minden derékszögnél. A tapétát meg szintén felragasztottam. Remélem segítettem.
Viszont annyira meglepett, hogy ilyen jó lett, hogy azon is gondolkodtam, hogy oda se adom ![]() ![]()
Ha már a lámpáknál tartunk,én 1978-ban készítettem egy csillárt ami egy nagyon régi luszter (nem tudom jól írom e) lámpa darabjainak felhasználásával lett megalkotva s nem rég felújítottam,foglalat,vezeték csere és festés.Most Bpesten ontja a fényt a leányom lakásában.
Hát igen,de legalább addig nem "unatkozik" leánygyermekem,míg ezen jártatja a tollas porolót
.
Ma elkészült a pickit 2 klónom és a hozzá való adapter
))És ha már karácsony, akkor csináltam két kis villogót, hogy szebb legyen az ünnep Kellemes ünnepeket!
Esetleg kapcsolást meg tudod mutatni kiváncsi lettem aszitem pic-es
Szép lett . Grat
Köszönöm szépen! Tessék a videó
Ha így pic nélkül is érdekel valakit, felrakom a nyáktervet is Nagyon egyszerű, kezdőknek kiváló forrasztási gyakorlat
Jó lett, tetszik. Lehet csinálok egyet én is, csak a villogási sorrenden fogok változtatni.
Részemre a tapéta volt a kulcsszó. Azt gondoltam elsőre, hogy saját motívumokat vágtál ki, mondjuk pauszra ragasztott fekete tapétából és azt nem értettem hogy nem vágtad át mindkét réteget...
Kapott egy kis átalakítást a Li-polymer töltő. Feltornáztuk 1A a töltőáramot, és kapott egy szép Bordát!
Sziasztok!
Elkészült a két EAG AE110-es csöves erősítőm felújítása. Elég régen belekezdtem már, de valami mindig közbejött, így lassan tudtam befejezni. A legnagyobb problémát a hálózati trafó okozta, mivel az erősítő felújítása után kiderült, hogy mindkettő menetzárlatos. Üzemelt, csak nagyon melegedett. Így azok újratekerésre kerültek. Az erősítők elektronikája egyébként teljesen fel lett újítva. Új csatoló, illetve puffer kondikat kaptak. Az előfok is át lett alakítva, így mégszebb a hangja, és a felesleges brummtól teljesen megszabadult. A belső után a külső felújítása jött. Törekedtem, hogy egyformán nézzenek ki. Három réteg matt fekete festékkel fújtam le, és készítettem egy kis táblát az elejére, hogy feldobja kicsit a külsejét. A régi izzós bekapcsolás visszajelzőt pedig LED-esre alakítottam. Tudom nem igazán "Ki mit épített?" ez inkább csak felújítás volt, kissé egyedi módon, de azért megosztottam veletek!Néhány kép a felújításról: Képek
Ez igen! Mint a gyári, nagyon szép lett gratulálok
Én is gratulálok, gyönyörűek lettek!
Nagyon szépek, de valami jellegzetességet hagyhattál volna rajta, hogy rá lehessen ismerni :hide:
Istenem,de gyönyörű!
Olyan boldogan néztem meg a képeket mintha a sajátom lenne a készülék páros.Az,hogy gratulálok,elismerésnek kevés.
Köszönöm az elismeréseket! Volt vele munka bőven, jónéhány munkaóra benne van. Jelenleg is a két B&W DM570-es hangfalaimon hallgatom őket. Nagyszerű hangjuk van, egy élmény velük zenét hallgatni.
Kívánok minden fórumtársnak, moderátornak, közreműködőnek (egyszóval mindenkinek) Boldog Karácsonyt és Sikeres, Eredményben gazdag Boldog Új Esztendőt!
Sziasztok!
Elkészültem a "Forrasztóállomás 2"-vel, egyenlőre még nincs feliratozva, de lehet hogy nem is lesz, majd átgondolom. A hőmérséklet beállítására egy 12 fordulatos potit raktam, na nem azért mert annyira fontos lenne a pontos beállítás, csak találtam egyet itthon és másra nem használtam, hát beépítettem ide.Kicseréltem a pákán a csatlakozót is egy jobb fajtára. |
Bejelentkezés
Hirdetés |




egyszerű kapcsolás 

Ja és találtam elég jó lábkapcsolót, szóval az is megoldodott így 5 ezerből megvolt az egész

. 















