Fórum témák
» Több friss téma |
Szia! Valószínű, hogy a motoros szelep nem zár jól a tömítéseknél, ennyi év után, vagy szennyezett a szelepülés és nem megy a helyére mind. Ebből kifolyólag egy idő után a HMV kikerül a fűtési rendszerbe, mert a szivattyú ki tudja nyomni a tömítetlenségeken. Ezen az oldalon lejjebb találsz képi infókat a "háromutú" motoros szelepről és hogy hol vannak rajta azok a tömítések.
Üdv Szakik!
Van egy SD Renova Star kombi cirkónk, ami fűtés közben ha a gáz is ég, durrogó hangot ad, szabálytalanul, kisebbet - nagyobbat. Ha letekerem a hőfokot és csak a szivattyú megy, nincs a hang. Mi lehet a gond? Olvastam vissza és bocs ha már volt ez a kérdés és átsiklottam felette... Köszönöm a segítséget előre is!
Szia VIM!
Nagyon szépen köszönöm az információt. Abban még tudnál segíteni, hogy ennek a megjavítása vagy cserélye kb., milyen költséget von maga után?
Hát minden lehet. Érzékelő,vezérlőpanel stb
Ha leveszed a hőfokot olyanra,hogy csak melegvízzel zuhanyzol (csak a meleg van nyitva max pici hideg) akkor is csinálja?
Sajnos nem ismerem a készüléket de beüzemelésnél lényeges,hogy a fűtési teljesítményt levesszi a beüzemelő a kívánt értékre. Ritkán van sajnos mérnöki számítás e mögött,legtöbbször hasraütünk és megsaccoljuk. Vannak kazánok,ahol ezt nem lehet megcsinálni,nincs rá lehetőség.
Szerintem is ki kéne pucoltatni és gépkönyv szerint belőni a min,max gáznyomást. Mikor volt karbantartva? Lehet,a meleg kémény okoz más áramlást a tűztérben,elvileg csendesebbnek kéne lennie,passz. Hívj szerelőt szerintem.
Sziasztok!
Segítségeteket szeretném kérni. Van egy Ariston tx23 MI kombi kazánom. Melynek a következő hibajelensége: folyamatosan ingadozik a gáznyomás és a nyújtó is folyamatosan gyújtaná, a már ingadozva égő lángot. Kis idő múlva piros led és leáll, reset nyomás után minden folytatódik elölről. Olvastam, hogy többeknek megoldódott ez a probléma itt az oldal segítségével. (panelon kellene valamit cserélni) De nem tudom, hogy pontosan melyik kondit kell cserélnem.? Hogy, milyen megnevezéssel keresem a boltban? Előre is köszönöm a segítségeteket. Üdv, Gyula
Sziasztok!
Segítségeteket szeretném kérni. Van egy Ariston tx23 MI kombi kazánom. Melynek a következő hibajelensége: folyamatosan ingadozik a gáznyomás és a nyújtó is folyamatosan gyújtaná, a már ingadozva égő lángot. Kis idő múlva piros led és leáll, reset nyomás után minden folytatódik elölről. Olvastam, hogy többeknek megoldódott ez a probléma itt az oldal segítségével. (panelon kellene valamit cserélni) De nem tudom, hogy pontosan melyik kondit kell cserélnem.? Hogy, milyen megnevezéssel keresem a boltban? Előre is köszönöm a segítségeteket. Üdv, Gyula
Sziasztok!
Segítségeteket szeretném kérni. Van egy Ariston tx23 MI kombi kazánom. Melynek a következő hibajelensége: folyamatosan ingadozik a gáznyomás és a nyújtó is folyamatosan gyújtaná, a már ingadozva égő lángot. Kis idő múlva piros led és leáll, reset nyomás után minden folytatódik elölről. Olvastam, hogy többeknek megoldódott ez a probléma itt az oldal segítségével. (panelon kellene valamit cserélni) De nem tudom, hogy pontosan melyik kondit kell cserélnem.? Hogy, milyen megnevezéssel keresem a boltban? Egy fotót mellékelek amelyiken látszik a "kék trafó" és a jobb alsó sarkánál egy "kondi"!? mely "M" betűvel van jelölve és a panelen C903. Én erre gondolok a sok leírás alapján, de kérlek erősítsetek meg benne. Előre is köszönöm a segítségeteket.
Sziasztok!
Cahffo Nectra típ. kombi kazánunkkal gondoltam tegnap este befűtök kicsit. Feltöltöttem a rendszert (sajnos egy ideje elengedi a nyomást egy idő után), a nyomás rendben, kazán begyújt az éjszaka közepén felkeltem hogy ránézek, a keringető megy de a fűtés előremenő hideg! Azóta sem sikerült működésre bírni a szerkezetet, melegvíz van mintha a váltószelep is váltana de nincs fűtés... Mi lehet a gond? Minden hozzászólást köszönök! üdv
Talan ugy tobben ismerik, hogy Chaffoteaux Nectra (fonetikusan: safotó nektra).
Egyebkent probald meg megnezni az eloremeno viz hofokszabalyzojat, ha azt tekergeted, akkor sincs semmi? A hozzászólás módosítva: Okt 6, 2014
Kössz a korrekciót, a h nem kellett vona bele... Sajna hiába tekergetem a hőfogszabályozót nem történik semmi! Manuálisan nem tudom átállítani a váltószelepet? (csak próbából gondolom mert azért melegvíz is kell...)
A hozzászólás módosítva: Okt 6, 2014
Szia! A fűtési előremenő "NTC"-t megvizslattad értékileg?
Bocsanat, mibe nem kell a h?
Kezzel tudod, de foleg a viznyomas mozgatja. Probald meg elzarni a meleg viz bemenojet es kinyitni a melegvizes csapot. Ha mechanikus a szelep, akkor van ket mikrokapcsolo, az egyiknek ki, a masiknak be kell lennie kapcsolva a megfelelo helyzetekben. Ezt tudod kezzel kapcsolni probakeppen. Idézet: „Én erre gondolok a sok leírás alapján, de kérlek erősítsetek meg benne.” Az bizony. A kondi púpos, cserélni kell. Ha elfér egy nagyobb feszültségre készült, az mindenképpen jó lenne. Van ott még több elko a panelen, azokat sem árt megnézni, megmérni. Mellesleg nem drágák, egy komplett csere is beleférhet az akcióba. A hozzászólás módosítva: Okt 6, 2014
Hát a Chaffo-ba amit írtam, nem kell a h! Ami a lényeg hogy most úgy néz ki hogy helyrejött! Leengedtem belőle a vizet újra feltöltöttem és most csodák csodájára működik... Köszönöm a segítséget!
Meg most sem ertem, miert nem kell oda a h, de ez lenyegtelen.
Orulok, hogy sikerult. Nem lehet, hogy valami szennyezodest tudtal igy kimosni, ami megszuntette a mechanikai akadalyt? A hozzászólás módosítva: Okt 7, 2014
Nincs senkinek ötlete?
(Fűtés közben durrog a cirkó)
Sziasztok!
Tanácsot szeretnék kérni egy Ferroli Domitop C24E kéményes kombi kazánnal kapcsolatban. Az utóbbi fél évben elkezdett egy érdekes tünetet produkálni, és nincs ötletem mi baja lehet. A kádat töltve meleg vízzel egy idő után (ez változó, 5-10 perc) elkezd egyre langyosabb vizet adni, míg végül szinte hideg. Ha majdnem teljesen elzárom a meleg víz csapját, akkor alig csurogva még meleg. Hibát jelző lámpa nem világít rajta, a láng ég. Találkozott valamelyikőtök hasonlóval? Ötlet? Köszönöm, Ákos
Helló!!!
A segitségeteket szereném kérni abban,hogy a kéményes kombigázkazánok közül melyik tipus érdemes most mevenni ami szervizelés szempontjából is jó! Köszönettel
Sziasztok! Olyan problèmám lenne.. Van egy Immergas Avio Maior 24-es kèmènyes kombi kazánunk. Használati melegvízzel semmi gond. De a fűtèsnèl "èrdekes" dolgot csinál.. Van olyan hogy a termosztát mutatja a fűtèst, de a kazán nem.kapcsol be.. Vagy hamar kikapcsol, ugy h nem èrte el a beállított hőfokot. Ha pedig elèri ès kikapcsol, hangos zúgás, csattogás kísèri. Van hogy a 3 bar-os biztonsági szelep.is lefúj.. Hallottam olyant, hogy savazni kell.. Ma megnèzte egy szaki.. Azt mondja tágulási tartály át van szakadva.. Es valami szelep is szarakodik benne azèrt nem akar bekapcsolni.. Vèlemènyek? Köszönet!!!
.
Lehet pár dolog... Pl le van dugulva az égő é visszagyullad. Vagy mechanikai zaj is lehet... Meg sokminden
Két lehetőséget ismerek. Vannak az olcsó kazánok és vannak a jó kazánok. A kettő sosincs együtt..
Zoszka! Az a helyzet, h más meg se nèzi! Szakosodva vannak.. Próbáltam 3 szerelőt is kihívni! Ezzel a gyártmánnyal nem foglalkozik.egyik se..
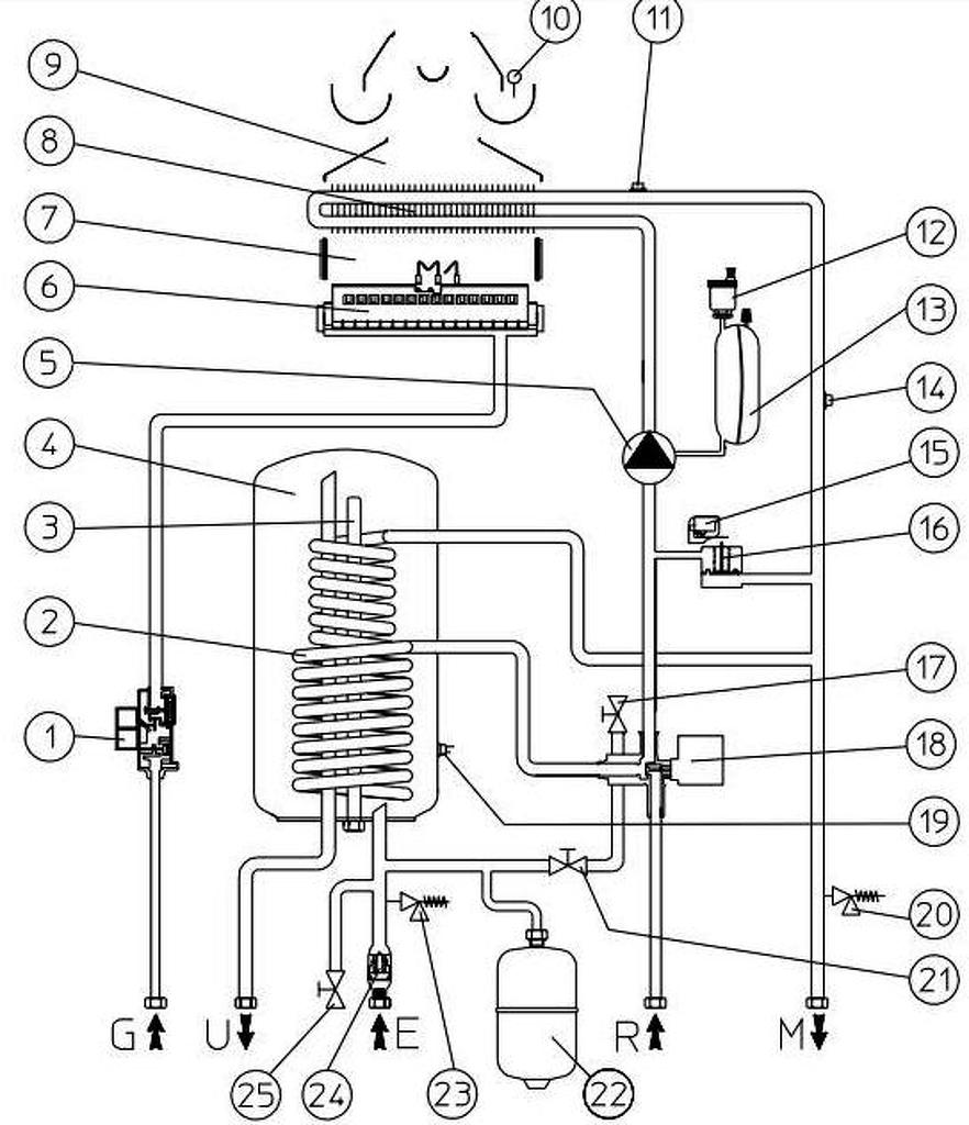
Szia! A fűtési kör tágulási tartályával (a rajzon13) vannak a problémák, legalábbis annak is a nyomás értékeivel. Ebből adódik az a hiba is, hogy lefúj a biztonsági szelep, mert rugalmatlan és nincs hová tágulnia a rendszernek. A kikapcsolás utáni "zúgás" is a tartálybeli hibából adódik. Ha a tartály membránja lyukas akkor újat kell beépíteni és csak azután lehet a továbbiakról dönteni. Talán majd még a (18) számú motoros szelep működését kell ellenőrizni, hogy át áll-e a fűtésre megfelelően.
A probléma lehet összetett is. A tágtartály felfújása természetesen nagyon fontos,de nem jár hangos zörejjel,csak csöpögés,folyás. Ha 60c fok felett sistereg mint a nagyi vízforralója majd elkezd kattogni mint ami le akar ugrani a falról,savazni kell! Ha sistergés nélkül forr be ilyen durván,lehet,hogy eltömődött a rendszer. "Y" szűrő van a visszatérőben?
Láttam olyat is,mikor a bitermikus hőcserélő hmv oldala a nagy nyomás miatt deformálódott,elzárta az utat a fűtés felé. A szobatermosztátra lehet,hogy ráfér egy elem csere. Aszkaban. Olcsó és viszonylag jó kéményes kazán pl fondital. A vivaco honlapján megtalálod
Az avio major 24 nem átfolyásos kombi kazán,hmv tároló van benne.
A rendszer lehet eldugulva,lehet,belesült az iszap. A sav tünik a leglogikusabb válasznak.
Ezért próbáltam a "más szerelőre" tenni a handsúlyt. Mert pl. a leakar esni a falról szindrómának semmi köze a tágtartályhoz, ahogy azt "Qrdi bt" is írta..... És ez csak ok-okozati összefüggés, nem kell ismerni a kazánt, csak a működését. Aki ezeket nem tudja, vagy rosszul, az ne nyúljon inkább hozzá...
A hozzászólás módosítva: Okt 9, 2014
Sziasztok!
Segítségeteket kérném! Egy westen 1.240-es cirko vezérlőpanel gondom van. A hiba:beálított víz hőfokot eléri,leáll ,zöld led villog,relék kattognak,mást nem csinál. Előre is köszönöm!
Hallo mindenki!
Elemcsere megvolt pár hete! Az ok! Nem sistereg a kazán leálláskor "csak búg" Ès utána megemelkedik a nyomás ès lefúj! Több helyről is a savazást tanácsolták.. De a szakosodott szaki szerint a tágtartály "lufi" van átszakadva! Ezèrt a tartályban víz van! Mivel nem tud tágulni azèrt fúj le a szelep. |
Bejelentkezés
Hirdetés |






(Fűtés közben durrog a cirkó)

