Fórum témák
» Több friss téma |
Nem a 38 ft a gond hanem nálunk itt vidéken a tl drága és több ilyen kapcsolás kell (9) szóval nem akarom a tl-t a kukába dobni.
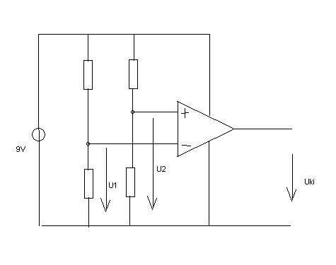
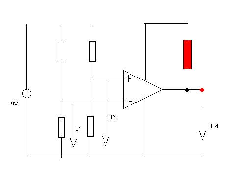
Összehasonlitva a kapcsolásom a tieddel én is hasonló elven próbálkoztam, + ra bemenet, - ra ref feszültség. Annyi hogy én nem osztottam le a kimenetet. Ezekszerint nem reagál a kis feszltségre (0-2 v)? Mert a kimeneten mindig a +tápfesz jelent meg.
Szimpla tápnál lehet, ha tényleg úgy csináltad... a próba egyszerű: ha pl. 3 voltnál váltott, akkor biztos.
Ezt leellenőrizheted.
Helló! Szeretnék építeni egy olyan egyszerű áramkört, ami a bemenetén érzékelt feszültség értékétől függően logikai H vagy L szintet ad ki. A komparálási határt szeretném változtatni (potméterrel). A két megkülönböztetendő feszültségérték között fél voltnyi a differencia, az egyik kb 2,5, a másik 3 V körül van. Kiváncsian várok minden hozzászólást/kapcsrajzot. Előre is köszi!
Szervusz!
Szinte teljesen biztos vagyok benne, hogy egyáltalán nem kerestél a témában. Na mindegy, ez nem az én feladatom. Ezt a témát ajánlom figyelmedbe. Üdv.
Szeva! Igazad van, nem kerestem. NEm nagyon engedi időm. De azért köszönöm az útmutatást! Szép napot!
Üdv!
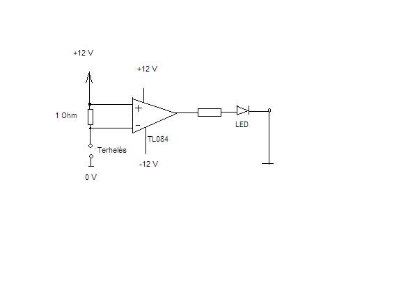
Az alábbi rajzon lévő kapcsolásra keresem a megoldást. Az áramkör lényege, működése: Ha terhelést kapcsolok az áramkör "terhelés" kapcsaira, akkor gyulladjon ki egy LED. Az 1 Ohmos ellenálláson lévő fesz esés hatására az IC kimenete + tápra ugrik -> LED világít elméletileg. (8-ból 4x gyakorlatilag is )A probléma a következő: valószínű az ic belső aszimetriája miatt egyes kimeneteken akkor is + van ha nincs terhelés kapcsolva a körbe. Mi lenne az az egyszerű! kapcsolás ami megoldja a problámát. Mivel 8 db terhelés - LED párt kell meghajtani ezért jó ha egyszerű .
Ez most hiszterézis nélküli komparátor. Tegyél egy 100k ellenállást a neminvertáló bemenet(+) és a kimenet közé,igy pozitiv visszacsatolásod lesz,határozottan fog billenni.
Nem csak az offsetet kellene itt kompenzálni? Persze némi hiszterézis is jót tesz neki...
Ez a legegyszerűbb véleményem szerint. A referenciapontra rá lehet kötni mind a négy komparátor neminvertáló bemenetét. A kapcsoló helyére megy a terhelés.
Szuper! Köszönöm! Remélhetőleg még a héten +csinálom.
Sziasztok!
Szükségem lenne egy olyan kapcsolásra, amivel az akkut figyelem, ésha az akku elér egy beállított fesz. határértéket 12-14V, akkor a komparátor kimenete átbillen, és egy tranyón keresztül meghúz egy relét. Néztem sokféle rajzot már, de egyikse igazán jó nekem. A sémát nagyjából értem, de nem tudom miként méretezzem. Van itthon ua741, lm725 ös műveleti erősítőm, meg egy darab LM393 mas komparátorom. Eddig még nemigazán foglalkoztam ilyesmikkel. Ha esetleg valakinek van a komparátorokról részletes leírása akkor érdekelne. Egy kimondottan erre a célra való rajz is sokat segítene nekem :yes: Előre is köszi!
Helló
Itt egy kapcsolás kiindulásnak!
Köszi! Holnap ki is próbálom :yes:
zzz: amit küldtél annak utánanéztem hogy ablakkomparátor, és az a két ref. szint között billen át, azokon kívül ugyanolyan szinten van, szóval az én célomra nem jó Azért köszi szépen a rajzot
Üdv. Egy ilyen komparátort szeretnék építeni!
Valaki tudna segíteni, küldeni egy kapcsolási rajzto? A választ előre is kössz.
Hi
Van egy kis problémám. Van egy LM393L -es komparátorom de sehogy sem tudom működésre bírni. Mellékletben küldöm h milyen kapcsolással próbálkoztam. Szóval hiába cserélgettem h az U1 legyen a nagyobb vagy az U2, a kimeneten mindig 0V volt esett csak. köszi a segítséget! üdv
Üdv.!
Tápfeszültséget kap a komparátor?
A kimenet egy "open C" a kolektor a "levegoben" van .Egy ellenallas kell hogy legyen a tranzistornak munkaellenalasa es legyen aram a kimeneten.
A kepeken latszik. kulomben talalsz datasheetcatalog.com oldalon adatokat es bekotesi rajzokat kulombozo esetekre attol fuggoen milyen eszkozt hajtasz meg vele.(TTL,CMOS stb )
Működik!!
![]() Köszi szépen a segítséget! Minden jót!
Üdv!
Szeretnék tervezni egy áramkört, de kéne hozzá egy kis segítség. Nos: azt szeretném elérni, hogy hogyha van egy 1,6V-os feszültség, akkor a komparátor kimenetén is legyen 1,6V feszültség. Remélem érthető vagyok Tina-ba már próbálkoztam, de nem tudom, hogy az az áramkör (ha lehet egyáltalán annak nevezni) megfelelő-e lenne a célra?
Sziasztok! Sebinek köszönhetően jutottam erre a problémamegoldó oldalra.Én 1 Compaq t1500h UPS elé szeretnék beépíteni 1 komparátort,ami kb 23 v-nál lekapcsolja a készüléket.Feltételezem,hogy az UPS-ben van de nem tudom hány voltnál kapcsolja le a készüléket.Az UPS-t kamionban használom hűtőhöz és mikrohoz.A hűtőnek éjszaka is kell üzemelnie,ami a reggeli indítást megkérdőjelezheti.A motor 23-v még indul,ezért gondoltam,hogy kb ezen az értéken kellene kapcsoltatni.Viszont ennek az értéknek tartósnak kell lenni azért mert indításkor a feszültség bűven 23-v alá esik,ez esetben ne kapcsoljon ki.És ha kicsit bonyolultnak néz ki akkor még tovább fokoznám.A mikró 220v 1250w-os,tehát ezt a terhelést is birnia kell.(24v-on a 10 négyzetmm-es vezeték a pörkölttel együtt melegszik,ezt még cserélnem kell).Tehát erre a problémára kérnék megoldási lehetűségeket az én szintemen(AMATŐR).Előre köszönöm a segitséget! Üdv:Cubailaci
Sziasztok Nekem egy olyan komparátor kapcsirajzára volna szükségem : ami +5 v tápról menne és
két jelszintre kapcsolna (ablak komparátor ) Az lm 193 ic alkalmas lehet erre a célra ?
Készítettem egy ablak komparátor által figyelt akkumulátor töltött, de a komparátor nem billen.
Valaki tud segíteni mit rontottam el? Köszi
Ha a komparátor nem billen, akkor ellenállás érték problémák lesznek.
Ha az a baj, hogy a tranyó mindig vezet, akkor az érthető, mert ez a kapcsolás ezt csinálja: Ahogy az akksifesz emelkedik, ez történik a komparátor kimeneteken: felső/alsó: +/- ; +/+; -/+. Te összevagyoltad ezeket, így a tranyó mindig vezet, mert valamelyik komparátor kimenete mindig pozitív. A kapcsolás többi részét (mindig bekapcsolt relé, furcsán bekötött tirisztor) nem is értem.
Sziasztok!
Van egy lm339-es open kollektoros kimenetű komparátorom, az a gondom vele, hogy nem éri el az adatlap szerinti sebességet, gyorsítható a kimeneti terhelés csökkentésével? 10mA-t veszek ki belőle, amit adatlap szerint még elbír, csak többet szaturál. 2usec körül kéne kapcsolnia adatlap szerint, de nekem 100usec-en kapcsol.
Hello!
Egy LM339-es komparátorral ablakozó komparátort szeretnék készíteni oly módon, hogy figyelem, mikor kerül ki a jelem a -10 és a +10 V feszültségtartományból. A komparátorok kimenetével egy CMOS kaput szeretnék meghajtani. A problémám az, hogy nem tudom, lehet-e olyat csinálni, hogy a két műveleti erősítő csak pozitív tápfeszültséget kap, ennek ellenére az bemeneten megjelenhet mondjuk akár -11 V is. Valami azt súgja, hogy nem. A válaszokat köszönöm! Üdv.: omikron
Sziasztok!
Ujra felteszem a kérdést, hátha tud valaki segíteni. Sziasztok! Van egy lm339-es open kollektoros kimenetű komparátorom, egyik bemenetén feszültségosztó, a másikon tűimpulzus, az a gondom vele, hogy nem éri el az adatlap szerinti sebességet, gyorsítható a kimeneti terhelés csökkentésével, vagy a bemeneti áram növelésével? 10mA-t veszek ki belőle, amit adatlap szerint még elbír, csak többet szaturál. 2usec körül kéne kapcsolnia adatlap szerint, de nekem 100usec-en kapcsol. Lehet a bemeneti osztót kellene kisebb értékű ellenálláspárra cserélni?
Sziasztok!
Lehet, hogy a kérdésem nem pont ebbe a fórumba tartozik szorosan, de azért felteszem. Olyan kapcsolásra vagy (IC-re működési leírásával együtt) lenne szükségem, ami alkalmas egy 30 mV feszültségre kiadni egy pozitív(+12V) vagy negatív jelet. Ezt a bemenő feszültséget kb. 25-40 mV között mozog megfelelő értéken. Konkrétan: Van egy nyomás (vákuum) mérő egység, ami képes nyomás változásra 25-40 mV-ig kiadni feszültséget. Na most ezt a feszültséget kell felhasználnia a kapcsolásnak amivel egy 12 V-os relét kapcsoltatunk. Nekem kb. 30 mV-nyi feszültségnél kell kapcsolnia, természetesen egy potméterrel kell tudni állítani a pontos kapcsolást mértékét. Remélem érthetően fogalmaztam és várom a kedves kollégák válaszait, ötleteit. Köszönöm: Kisplutó
Szerintem akkor neked pont egy komparátorra van szükséged!
Szerintem bármelyik alapkapcsolás megteszi, ezt a feszültségértéket bármelyik műverősítő tudja. A kimenetre meg szerintem kell egy tranzisztor is, hogy be tudd húzni a relét. Rengeteg ilyen kapcsolás van a fórumon. talán ez is hasonló: Bővebben: Link |
Bejelentkezés
Hirdetés |




)
Van itthon 

Azért köszi szépen a rajzot










