Fórum témák
» Több friss téma |
Fórum » Központi fűtés (vezérlés)
Témaindító: farago_bme, idő: Aug 29, 2010
Témakörök:
Köszi! TINA-ban szimuláltam és állítgattam a termisztorok hőmérsékletét. kb 3-3 fok van a ki-be kapcsolások között... Holnap összerakom próbapanelen, biztosan jó lesz...
Sziasztok,
Fűtési rendszer rajzot mivel lehet készíteni (szivattyúk, szelepek, kazán stb.)? Problémám lenne a központi fűtésünkkel, és prezentálnék egy rajzot a megvalósításról, de a papírra leskiccelt rajzzal inkább nem állnék elő.
Üdv.
Határozottabb a kapcsolás, viszont eléggé nagy a hiszterézis... Ha növelem a 22k értékeket, akkor elvileg csökken a hiszterézis is?
Hello! Természetesen, hiszen csökken a pozitív visszacsatolás mértéke. üdv!
Udv mindenkinek
Az elobbiekbol meritve az otletet, Keszitettem egy kapcsolasi rajzot a kozponti futes vezerlesere, faskazan meg gazkazanra. Az egesz szerko egy gazkazan, faskazan harom szivattyuval: 220v futesnek, 220v HMVnek es 12v futesnek, HMV tartaly es padlofutes sajat keverovel. A bementek: - 220v jelenlet – PAD 14, 15, - szobatermosztat – PAD 25, - fas kazan homero LM35 – PAD 7, 9, 10, - HMV tartaly homero LM35 – PAD 7, 8, 10, - padlofutes idozito/ora, amely elore beallitott idokozonkent inditana a padlofutest – PAD 26, - az elektronika erzekelne a HMV tartaly meg a f. kazan homerseklet kulombseget is. A kimenetek: - gazkazan indito relle – PAD 23, - 220v f. kazan szivattyu futesnek – PAD 22, - 220v f. kazan szivattyu HMVnek – PAD 21, - 12v f. kazan szivattyu futesnek – PAD 20, - padlofutes idozito/ora inditasa/taplalasa – PAD 18, - padlofutes szivattyu – PAD 19. Mellekelem a kapcsolasi rajzot es varom az eszreveteleiteket, mindenkit hajlando vagyok meghallgatni/ olvasni. A logikai egyenlet megfogant, de meg dolgozom rajta.
szia
Nem lenne rossz ha lenne hozzá hidraulikai rajz, mert így csak elképzelni tudom, hogy áll össze a rendszer.Csak padlófűtés van, vagy van radiátor is? A fáskazán felső határ beállítás mire szolgál? Mikrovezérlőn nem gondolkoztál, ha már úgyis programozható eszköz kerül bele?(GAL) A hozzászólás módosítva: Nov 18, 2013
Nagyjabol igy lenne (csatolva), nincsenek berajzolva a visszacsapo szelepek, amibol legkevesebb 3 kell. A fentebb emlitett "220v f. kazan szivattyu HMVnek" tobb mint valoszinu egy haromjaratu csapra cserelodik majd.
Vannak radiatorok is, minden helysegbe. A faskazan felso hatar biztonsag celbol van, amikor annyira atmelegedne akkor a hofolosleget a HMV tartalyba vagy / es a padloba vezetnem. Mikrovezerlo ?, nezegettem az arduino-t, de messze all tolem az olyasmi programozasa. A GAL es a ATF ic programozasat sikerult megoldani. Elmeletileg egy sima ic cserevel (mert tobb van belole), seperc alatt valtoztatni lehet a mukodesi logikat. Jelenleg egy forumozo tars jovoltabol nagyot haladtam a terven, mar csak a kivitelezes van hatra, hala neki.
Sziasztok!
Kaptunk a napokban egy 28kw teljesítményű vaillant turbotopot ajándékba szinte, a gondom vele csak annyi, hogy indirekt tárolós (ami nincs hozzá), illetve hogy mindeddig csak egy 2m-es romantik alu radiátorom (60° előremenőnél olyan 3-4kw-ot ad le), illetve egy kis fürdőszobai törölközőszárítós radiátorunk van( kb 2kw hőleadással bír). Mindez ugye kb 5, max 6kw hőfelvételt/leadást jelent a kazán (ha jól informált vagyok minimális) 10,5Kw-os teljesítményéhez képest. Egyenlőre több radiátort nem tudunk beszerelni (nincs rá keret, de ha lenne, akkor ) a távoli jövőben tervezzük még 2 helység fűtésigényét ily módon, ekkor a maximális hőteljesítmény felvétel a lakásban olyan 15-16kw lesz majd. Kérdéseim: - a jelen állapotában érdemes-e, lehet -e üzemeltetni a kazánt? Egyáltalán alkalmas-e egy 28kW-os kazán egy 65nm-es lakóépület fűtésére gazdaságosan? - használati meleg víz készítéséhez melyik megoldás a célszerűbb: indirekt tárolót alkalmazni horror áron, vagy pl egy MAG prot feltenni a falra? Az indirekt tároló mellett szólna, hogy később napkollektorral szeretném bővíteni a rendszert, illetve, hogy jelenleg egy elég kemény, vasas vizű fúrt kút látja el a háztartást használati (nem ivó) vízzel, s ez miatt már ment tönkre mosógép/vízmelegítő... A válaszokat köszönöm! Idézet: „jelenleg egy elég kemény, vasas vizű fúrt kút látja el a háztartást használati (nem ivó) vízzel, s ez miatt már ment tönkre mosógép/vízmelegítő” Nem vagyok nagy szaki a fűtésekben, de szerintem borítékolható a kazán tönkretétele ilyen vízzel.
Szia! Teljes mértékben okafogyottá vált részemről a kérdés ezen részének válaszra méltatása csak megerősíteni tudom azt amit írtál. A talajvizek rendkívül irritatív fémeket és sókat tartalmaznak, amik ha bekerülnek a fűtési rendszerbe és hő hatására katalizálódnak, felgyorsulnak a folyamatok, pezsgés, gázképződés, indul meg. Mindig a leggyengébb, de affinitásban a legnagyobb mértékben eletrokémiai korrózióra hajlamos fém az alumínium fog engedni és kilyukad. Ha csőőrt töltenek a vízhez, akkor kicsapódások keletkeznek, minek következtében uszadékos lesz a fűtővíz, amit a rendszer a lassan áramló részeken lerak, majd elzárva azt leáll a keringés, máshol megszorul a szeleptest.
Szia! Ezen az oldalon olvasgatni kellene erről témáról és majd annak idején kiszámolni mekkora teljesítményre is van szükség. A 28kW egy akkora lakodalmas sátorba is sok volna és talán ahogyan később írod is, talán a 18kW is ki fogja tudni fűteni ha max. 16kW lesz a teljesítmény igényed.
A hozzászólás módosítva: Nov 30, 2013
Üdv.
Ezt a kapcsolást meg lehet-e csinálni, hogy a termisztorok helyett LM35 van?
Jó reggelt kívánok! Hotel amnézia??
üdv!
Nem, csak az érdekelne, hogy a 10x-es erősítő nélkül megvalósítható-e LM35-el...
Üdv mindenkinek!
Nem találtam vízteres kandalló topikot, ezért írtam ide. Egy kis gonddal küzdenék és remélem találunk rá magyarázatot. Csináltam egy vízteres kandallóval megoldott fűtésrendszert, de elmegy a víz és nem tudni hova. Naponta 15liter vizet kell után tölteni, a nyílt tág tartály kifolyó csövét hordóba vezettük, hogy ott megy e el, de nem ott, minden más radiátor százszor átnézve, nem folyik sehol. A kandallóból kiszedtük a vízteres részt és nyomás próbáztuk 6 barig, lehaboztunk minden hegesztést is, de semmi hibát nem találtunk. A tulaj azt vallja, hogy át diffundál a víz a vascsövön, de ilyenről én még nem hallottam. Remélem tud valaki egy jó ötlettel előállni, mi lehet gond esetleg, előre is köszönöm. Idézet: „A tulaj azt vallja, hogy át diffundál a víz a vascsövön” Rég nevettem ilyen jót.Ha másként nem megy, öntsetek a vízhez valamilyne illatosítót, amit könnyen megismertek, előbb-utóbb csak érezni lehet majd valahol.
Na ez nem rossz ötlet kipróbálom, hát elején még nevettem de lassan 2 hete azt kántálja, hogy márpedig én higgyem el hogy a víz ott megy el, mondom oké, a vasradiátoraid meg old spice-t használnak, azért nem izzadnak át
Ha nem jövünk rá hol megy el, akkor új tűzteret kell csináljak neki, nekem mindegy az ő pénze
Idézet:
„A tulaj azt vallja, hogy át diffundál a víz a vascsövön” ... max a két végén Vagy ha perforált cső..
Szia! Ha csak egy légtelenítő is be van építve, már meg is van a hiba, mert amit a kandallóban "felforral" a rendszer az ott eltávozik. Kicsi lehet a tűztéri vízáramlás a teljesítményhez képest. Ez lehet nagy keresztmetszetből adódó nyomásvesztés, vagy szivattyú szállító teljesítmény elégtelenség. A 15 liter az amúgy is sok de elgondolkodtató, hogy ha ennél kevesebb hiányozna, akkor sem volna jó, mert ha nem tömör megfelelően a rendszer, akkor erősen korrodál, ami lerakódásokat okoz majd később.
kandalló ez lenne a csoda amiről szó van. A víztér 3/4 vascsőből van és 4*4cm zártszelvény a gyűjtő benne, kiszámoltuk mindössze 6liter víz van a víztérben és hát sajnos nem érti a tulaj, hogy sz.rból várat nem lehet építeni, mert az előremenő 6/4 vascső, a visszatérő meg 22 rézcső és még egyéb jól kiépített dolgok
Hi,
sajat futes vezerelesen dolgozom, a futes elosztokban levo elektromos szelepeket kapcsolgatnam az alapjan, hogy melyik helyisegben mi a beallitott hofok, ill. mennyi a helyiseg aktualis homersekelete. Lehet hogy ez innentol egy kicsit off lesz, elore is bocs: nalam a malna pc lenne az, ami lekerdezi az szenzorok adatait es vezerli a futest. A gondom csak annyi vele, hogy a malnan a (valszeg neki) sok irasi/olvasasi muvelettol mindig megall a bongeszo (jelenleg 3 percenkent kerdezi le a 8 szenzort es irja az eredmenyt mysql-be; eredetileg 1 percen volt, de azt gondoltam hogy igy majd stabilabb lesz, de sajnos nem ugy lett), sajnos a logba nem ir semmit hibat (ill. az egyik kartyaval nagyon sok "0x200b00"-s hiba volt a syslogban, de a mostanival mar ez nincs). Most a /var konyvtarat tartalmat attettem az sd kartyarol egy pendrivera (itt van a mysql adatbazis is), meglatjuk hogy igy valtozik-e vmi. A kerdesem igazabol annyi lenne, ha a malna stabilan mukodne, akkor ra lehetne bizni a futes vezerleset (backupnak akkor is maradna a termosztat, 1-2 fokkal a malnan beallitott ertek alatt)?
Ezeknek a ketyeréknek stabilitását meg lehet százszorozni, ha ipari SD-t veszel bele, nem sokkal drágább és bírja a rangeteg írást.
Igazad lehet, ha valoban a kartya minosegevel van a baj, es nem a malna kartyakezelesevel.
Amugy markas (Kingston es Adata) kartyakkal probaltam, amik pl. telefonban gond nelkul mukodnek.
Nálam a PI csak felügyeli (azon keresztül lehet programozni web felületen)a fűtési PIC modult ami képes önállóan működni, minden adat az epromjában van tárolva a működéshez. A PIC-el eddig soha nem volt gond.(értsd mindig meleg volt a lakásban) de a PI -vel voltak apró gondok.
pl egyszer behalt az SD kártya fullra. Egy mentésből raktam vissza az új kártyára. Mindazok ellenére ,hogy az SD RO-ban van mountolva. Én nem bíznék rá egy komplett ház vezérlést, talán a fűtés önmagában az bevállalható feladat neki.
Üdv!
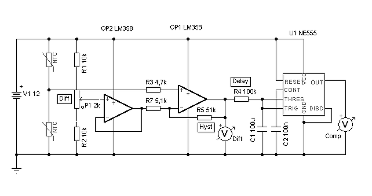
Tökéletesen működik a kapcsolásod, stabilizált tápfeszt kap. Most egy olyan kapcsolásra lenne szükségem, ami csak hőmérséklet különbségre kapcsol és 10k NTC termisztorok lennének az érzékelők. Némi hiszterézissel. Köszi
Hello! Először mintha azzal kezdtünk volna..
De ám legyen..Keresőben is lehet "Diff-temp" jeligére.
Sziasztok!
Van egy gázkazán a lakásomban, a nappaliban a termosztát, plusz van egy hálószoba, ahonnan nincs semmi visszajelzés, hogy milyen meleg van bent. Az összes radiátor ugyanarra a csőrendszerre csatlakozik párhuzamosan. A gázkazán csak akkor fűt, ha a termosztát bekapcsol. Hogyan tudnám a legegyszerűbb módon megoldani, hogy a nappali és a hálószobában külön be tudjam állítani, mikor legyen meleg? Teljesen felesleges a nappalit fűteni egész estére, ha nincs ott senki. Arra gondoltam, hogy a hálószobában levő két radiátoron lecserélem a szabályzót elektronikusra, amit be lehet programozni, mikor nyissa ki a csapot. Ahhoz, hogy ez működjön, a nappaliban a radiátorokat majdnem el kell zárnom, és be kell állítanom a termosztátot mondjuk 17 fokra, így elkezd fűteni a kazán, viszont a hő nagy része a hálószobába jut el, a nappaliba pedig csak kevés. Ha a radiátorok el vannak zárva, akkor a melegvíz sem tud megfelelően áramolni, lehet a keringető szivattyú ennek nem örülne. A legjobb megoldás az lenne, ha a 6 radiátor közül 4-re raknék ilyen szabályzót (2 a nappaliba, 2 a hálószobába), és ezek is indítanák el a kazánt. Ez elég drága lenne, kb. 20eFt darabja egy ilyen szerkezetnek, és az még nem biztos, hogy be tudja kapcsolni a kazánt. Bővebben: Link Nem volt még ilyennel dolgom, de szeretnék egy megoldást erre találni. Ha kell, nagyon szívesen vezérelném én a termosztát reléjét Arduinoval, tudnám is mérni a hőmérsékletet több helyen. A gond inkább az, hogy a radiátort ki tudjam zárni a hőleadásból. Láttam sok helyen ezt a normál szabályzót, amiken 1-6-ig vannak számok. Elvileg azok is a hőmérséklet alapján szabályoznak. Jók ezek? Mondjuk ezeket akkor mindig kézileg kell tekergetni... Köszönöm! |
Bejelentkezés
Hirdetés |






üdv!






