Fórum témák

» Több friss téma
Fórum » LCD digitacho műhelydísznek
Lapozás: OK   1 / 1
(#) lefituta hozzászólása Okt 27, 2010 /
 
Viszonylag új vagyok az oldalon de nagyon jónak találom és profitálni szeretnék a tudásotokból. A gondom a következő. Van egy nagyon szép Lcd digitális műszerfalam amit szeretnék műhelyben díszként üzemeltetni. Ha megkapja a 12V-ot azonnal egy önteszt módba kezd és fokozatosan megvilágosít mindent. Ez kb. 5 mp-ig tart majd visszamegy alapállásba és úgy marad. Mit tehetek, hogy ez a folyamat állandóan ismétlődjön, anélkül, hogy én kapcsolgatnám ki-be? Valami megoldás kellene, hogy mikor végigcsinálta a tesztet, szakadjon meg az áramellátás, majd kapcsolódjon vissza és maradjon bekapcsolva újabb 5 mp-ig. Talán egy nagyon pontos időzítő kellene? Tudtok valami mást ami egyszerű de nagyszerű?
(#) BarnaPili válasza lefituta hozzászólására (») Okt 27, 2010 / 1
 
Figyelhetnéd a háttérvilágítás feszültségét,és ha az bizonyos szint alá csökken,akkor ki be kapcsolja a tápot.De az időzítős megoldás is mehet.Az talán a legegyszerűbb.555-el meg lehet oldani.
István
(#) lefituta válasza BarnaPili hozzászólására (») Okt 27, 2010 /
 
Köszi a választ de a háttérvilágítás mindig ég, tehát a fesz. nem változik. De az Lcd is világít az egész folyamat alatt, hol kevesebb, hol több szám látszik és alapból indul és oda tér vissza!
(#) proba válasza lefituta hozzászólására (») Okt 27, 2010 / 4
 
Egészen drágán de egyszerűen két univerzális időzítő.Egyik beállítva a teszt hosszára ,ez indítja a másikat ,az pedig beállítva annyi időre amennyi áramszünet elég az újrainduláshoz,valamint ezzel kell indítani újra az első időzítőt.Ha ez tűl drága (kb12e) és akarsz/tudsz barkácsolni akkor keresel a műszerfalon valami reset bemenetet (ha van) valamint megépíted a fórum segédprogramok 555 multivibrátor rajzát és ezzel újra indítgatod .(esetleg a kimenetére egy relét és ezzel szaggatod a tápot)
(a tápfeszültség szaggatást szerintem hosszútávon nem szeretik elektronikus szerkezetek .)
(#) lefituta válasza proba hozzászólására (») Okt 28, 2010 /
 
Köszi a választ de az első megoldás tényleg drága. A második az járhatóbb. Szerinted nem lehetne megoldani egy egyszerű relé morzeérintkezőjével azt, hogy egy nagy kapacitású kondiból szívja a naftát, majd mikor ez kisül a relé elenged de evvel a morzeérintkezők záródnak és újból feltöltik a kondit. Mire a relé meghúz és így tovább. Szerinted?
(#) proba válasza lefituta hozzászólására (») Nov 17, 2010 / 1
 
Azzal az a baj hogy záros az élettartama,eleve szerintem kettő kell hozzá , eléggé hangos.
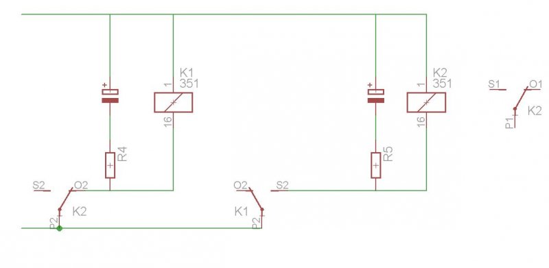
Egy egyszerű csendes... Meg egy kísérletezős A jelfogóhoz kell keresni ellenállást meg kondit is (nem kicsit 4700mF esetleg az egyik a másik egy kisebb.)
(#) lefituta válasza proba hozzászólására (») Dec 1, 2010 /
 
Köszi a tippet, valamelyiket ki fogom próbálni! Még egyszer kösz.
Következő: »»   1 / 1
Bejelentkezés

Belépés

Hirdetés
XDT.hu
Az oldalon sütiket használunk a helyes működéshez. Bővebb információt az adatvédelmi szabályzatban olvashatsz. Megértettem