Fórum témák
» Több friss téma |
Viszonylag új vagyok az oldalon de nagyon jónak találom és profitálni szeretnék a tudásotokból. A gondom a következő. Van egy nagyon szép Lcd digitális műszerfalam amit szeretnék műhelyben díszként üzemeltetni. Ha megkapja a 12V-ot azonnal egy önteszt módba kezd és fokozatosan megvilágosít mindent. Ez kb. 5 mp-ig tart majd visszamegy alapállásba és úgy marad. Mit tehetek, hogy ez a folyamat állandóan ismétlődjön, anélkül, hogy én kapcsolgatnám ki-be? Valami megoldás kellene, hogy mikor végigcsinálta a tesztet, szakadjon meg az áramellátás, majd kapcsolódjon vissza és maradjon bekapcsolva újabb 5 mp-ig. Talán egy nagyon pontos időzítő kellene? Tudtok valami mást ami egyszerű de nagyszerű?
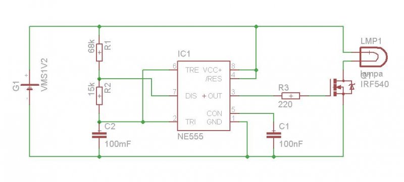
Figyelhetnéd a háttérvilágítás feszültségét,és ha az bizonyos szint alá csökken,akkor ki be kapcsolja a tápot.De az időzítős megoldás is mehet.Az talán a legegyszerűbb.555-el meg lehet oldani.
István
Köszi a választ de a háttérvilágítás mindig ég, tehát a fesz. nem változik. De az Lcd is világít az egész folyamat alatt, hol kevesebb, hol több szám látszik és alapból indul és oda tér vissza!
Egészen drágán de egyszerűen két univerzális időzítő.Egyik beállítva a teszt hosszára ,ez indítja a másikat ,az pedig beállítva annyi időre amennyi áramszünet elég az újrainduláshoz,valamint ezzel kell indítani újra az első időzítőt.Ha ez tűl drága (kb12e) és akarsz/tudsz barkácsolni akkor keresel a műszerfalon valami reset bemenetet (ha van) valamint megépíted a fórum segédprogramok 555 multivibrátor rajzát és ezzel újra indítgatod .(esetleg a kimenetére egy relét és ezzel szaggatod a tápot)
(a tápfeszültség szaggatást szerintem hosszútávon nem szeretik elektronikus szerkezetek .)
Köszi a választ de az első megoldás tényleg drága. A második az járhatóbb. Szerinted nem lehetne megoldani egy egyszerű relé morzeérintkezőjével azt, hogy egy nagy kapacitású kondiból szívja a naftát, majd mikor ez kisül a relé elenged de evvel a morzeérintkezők záródnak és újból feltöltik a kondit. Mire a relé meghúz és így tovább. Szerinted?
Azzal az a baj hogy záros az élettartama,eleve szerintem kettő kell hozzá , eléggé hangos.
Egy egyszerű csendes... Meg egy kísérletezős A jelfogóhoz kell keresni ellenállást meg kondit is (nem kicsit 4700mF esetleg az egyik a másik egy kisebb.) |
Bejelentkezés
Hirdetés |






