Fórum témák
» Több friss téma |
Udv !Szerintem a legegyszerubb Led es stroboscop az a kepen lathato atalkitva hogy egy rellet kapcsoljon betenni egy teljesitmeny darlingtont es a relle behuzasa utan mar szabad a palya !Jah es ennel a kapcsolasnal nem kell nagy tudas ic sem bonyolult nameg lehet a fenyerot es a frekvenciat szablyozni ! Remelem adthattadm egy otletet valakinek !
Hello!
Ennyi Led párhuzamos kapcsolása, szinte biztos halálhoz vezet. 12V esetén, ahogy Zoly is írja, legfeljebb 3db-ot lehet sorba kötni. De ekkor mát 16 foka lesz a létrának. Megoldható még DC/DC konverter alkalmazásával, de a sorba kapcsolt 48Led-hez már 150V feletti feszültség szükséges. Ezt már előállítani nem sok értelme van egy strobihoz. De a választás lehetősége a Tied.. üdv! proli007
Á, nem akkor inkább nem kötöm be mindet...Mennyi az a darabszám amit még meg lehet hajtani 12V-ról?
Ha nem akarsz új panelt csinálni, akkor minden negyediket kiforrasztod, s a 3-as csoportokat így galvanikusan elválasztottad egymástól. S a 3-as csoportokat már 12-V-ról, persze megfelelő elektronikával meghajthatod. Így marad 36 db leded.
Tökéletes
Esetleg egy rajzot is tudnál ajánlani?
Ez pont 36 ledes bár a nyák kidolgozása még nem tökéletes.
A kiegészítésem nem ment el.
Én az 5,6 ohmos előtétellánállás cseréjét javaslom minden ledsor elé betett 62 vagy 68 ohmos elötétellenállással (12 db).
Kössz szépen ez tökéletes lesz
a NYÁKot megtervezem magam és akkor minden jó lesz
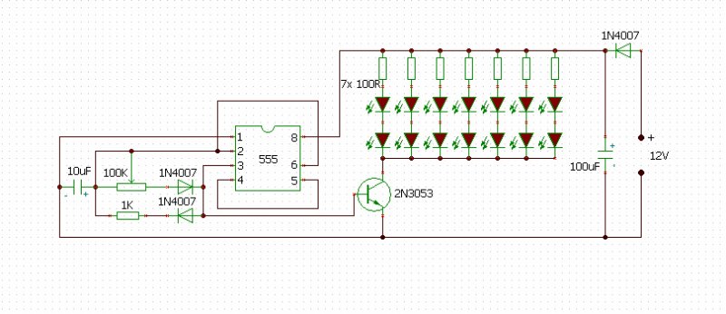
Sziasztok! A segítségeteket szeretném kérni, ennél a kacsolásnál, hogyan kell bekötni a trimmert, melyik lába megy az ic felé, a "a bal szélső van összekötve a középsővel" és a balon keresztül csatlakozik az ic-hez? Segítséget előre is köszönöm!
Mivel a középső és a szélső láb össze van kötve, ha kontakthibás a poti akkor sincs gondod, nem lesz szakadás.
Hogyen kell bekötni a trimmert? Attól függ mit szeretnél: a:/A bal oldali csatlakozó és a középső összekötésével a poti jobbra tekerésével csökken az ellanállása, tehát a frekvencia nő. b:/A jobb oldali s a középső összekötésével balról jobbra tekerve nő az ellenállás, a frekvencia csökken. Az, hogy melyik lábát kötöd az IC felé ebből a szempontból indifferens.
Köszönöm szépen a választ!
Hello!
Ezt a szerencsétlen rajzot ki kellene már javítani, mert hiányzik belőle a tranyó bázisellenállása. Egy 220ohm..470ohm már megteszi. De ha nincs benne, beledögölhet az IC és a tranyó is! üdv! proli007
A magam módján megtettem...
Bővebben: Link
Szeretnék segítséget kérni megépítettem ezt a kapcsolást és nem villog, hanem folyamatosan világít, mi lehet a baj?
Azt nem tudom mit ronthattál el. Akár zárlat, rossz alkatrész, túlmelegítés forrasztáskor...
Ha a BC547 báziskörében levő 100Kohmos ellenállást kikötöd, gyorsabban behatárolható a hiba helye. Ha ezután is folyamatosan világít, akkor akár egy EC zárlatos BD249 is lehet az oka. Ha nem, akkor az 555-nél nézz szét. A próbánál a 20kohmos trimmert középállásból indítanám, az 560 ohmot kicserélném 1 kohmra.
Az ellenállást kiszedtem a másikat lecseréltem és sajnos még mindig folyamatosan világít, mit tegyek?
Nem tettem, mekkorát tegyék és hova pontosan?
Gondolom volt neki egy nagy szakajto LED-je es ki akarta probalni mennyit birnak.
Amugy is eleg erdekes a kapcsolas, mert a T1 bazisaba csak 2k2 kellene, es a kollektoraba pedig 1k, hogy a tranyok rendesen kapcsoljanak. Lehet hogy arra bazirozott, hogy a BD nem nyit ki rendesen a 8k2 ellenallason es mint aramgenerator mukodik.
Kis feszültségnél villog, de nagyobbnál már folyamatosan ég.
Nem kell messzire menni!
Itt vagyunk helyben. Csak szet kell nezni a kapcsolasok kozott. Eleg sok benne a hubas.
Sikerült amit kiszedtem 100ohm-os ellenállás helyére 1k-at rakok akkor működik rendesen
köszönöm a segítséget, így nem kell szombaton, majd ellenállásért rohangálni...
Lehet, hogy így már működik, de a kapcsolás minden, csak nem korrekt. Mindenesetre a BD249 8.2k bázisellenállását ne cserélgesd, főleg ne alacsonyabb értékűre, mert a ledek bánják. Hosszabb idejű használatnál tapasztalni fogod, hogy a ledek fényereje növekszik, mert a BD249 nyitófeszültsége a rajta átfolyó áram hatására csökkenni fog-> és így jobban kinyit. Persze ez kevésbé melegíti a tranyót, elvileg visszaállna az eredeti nyitófeszültség, de a gyakorlatban ellenőrizni kell. Döntő lehet a tranyó bétája, ennek függvénye, hogy melyik hatás érvényesül jobban.
Már nem fogok semmit cserélni rajta, ez is csak "kényszer" volt, a BD249-re azért raktam egy hűtőbordát, sohasem lehet tudni
Köszönöm! Esetleg tudna valaki ütemvezérlő kapcsolási és nyák rajzot hozzá?
Hy az lenne a kérdésem hogy a 150K-s ellenálást mekkora potira cserélhetem? és a 2N3053-s tranyóhelyett milyet lehet berakni?? előre is köszi csáo
150kOhm-os potira...
![]() Bármilyen NPN jó oda, ami legalább a 3053-at képes túlteljesíteni, BD135 például.
Érdekes ez a 48 LED-es móka például. Szóval hogy is mondjam, egy 60Ws-os csövet is nehéz űberelni akár ennyi sok 20mA-es LED-del, tulajdonképpen közel sincs hozzá, aztán amibe kerül ennyi LED, abból pár ilyen villanócső kitelik, a meghajtása meg nem sokkal nehezebb (sőt, talán egyszerűbb), bár való igaz, nagyfeszültségről dolgozunk, az meg nem gyerekjáték.
Az 555-ös 4. lábát kösd + tápfeszültségre. Ne lógjon a levegőben...
Megépítettem ezt a kapcsolást, a kérdésem az lenne, hogy Gnd-ot honnan kötök a ledes stroboszkópba? Mekkora jelszükséges neki a hangbemenetére?
Szia! A GND egy egyezményes közös viszonyítási pont. Jelen esetben ez a negatív tápfeszültség. Ezzel el is árultam, hogy a GND pontra kell kötni a tápfeszültség - pontját, a LED-ek Katódját és a jelbemenet ( a képen feszültség generátor van, ) hideg pontját. Ez lehet GND vagy árnyékolás.
GND-Nem értem a kérdést. Hozod a jelkábellel együtt. A LED-hez tartozó meg értelemszerűen a táp melleti GND kapocsra kerül
Érzékenység: Ezt most este nem tudom végiggondolni, de talán egy diódányi nyitóirányú feszültség , azaz olyan 600mV. |
Bejelentkezés
Hirdetés |







Amugy is eleg erdekes a kapcsolas, mert a T1 bazisaba csak 2k2 kellene, es a kollektoraba pedig 1k, hogy a tranyok rendesen kapcsoljanak. Lehet hogy arra bazirozott, hogy a BD nem nyit ki rendesen a 8k2 ellenallason es mint aramgenerator mukodik.
köszönöm a segítséget, így nem kell szombaton, majd ellenállásért rohangálni... 






