Fórum témák
» Több friss téma |
A mérési pontokat mondod? Egyelőre sehogy mert 0-ra se bírom beállítani... Kicseréltem 2-3 alkatrészt, hogy a rajznak teljesen megfelelő értékek legyenek benne, azóta tiszta hülye...
Ha összezárod a bemenetet, akkor nullát kell mutatnia.
És tényleg... de asszem akkor most nem értem mi is van... Tudnál kicsit okosítani?
Miben is kellene okosítani? ha elmondod mit nem értesz megpróbálom elmagyarázni.
Azt, hogy miért csak akkor áll 0-ra ha - ahogy mondtad - zárom a 2 bemeneti érintkezőt? És miért nem azokat a feszültségeket méri, amiket kellene? (illetve, ha van valami jó ötleted, mivel lehetne neki tápot adni, azt megköszönném... 7660-as IC-t nem kaptam, van 7805 és 7905, de azokkal nem tartja meg a táp az 5 voltokat... illetve 555 is van, mintha azzal is lehetne negatív feszt előállítani; de előbb menjen a ketyere, addig elvagyok a PC táppal is, amíg tesztelgetek
)
Az a kérdés, hogy max mennyi feszt szeretnél vele mérni? Azért áll csak akkor nullán, mert ha ha szabadon hagyod, akkor felszed külső jeleket, és ezt méri. Például, ha megfogod a kezeddel a két bemenetet akkor is mér. Valami bemeneti osztó van előtte, vagy nincs semmi, csak úgy adod a bemenetére a feszt? kellene egy osztó a bemenetre és akkor már nullán állna. Valahol én is láttam 555-össel negatív fesz előállítását. Majd megnézem hogy hol.
Köszi a helpet, megoldódni látszik a hiba... Valóban hiányzott egy osztás, betettem egy 10k-s ellenállást és most beáll 0-ra automatikusan, és a feszt is hellyel-közzel jól méri. 4 század plusz eltérés a multiméterhez képest jó?
(a multiméter se egy halál pontos cucc, van vagy 6 éves és akkor is csak 2000 Ft volt ) Egyébként 20 voltig fog mérni ha minden ok. Igaz hogy a táp 24 voltos lesz, de nem hiszem hogy ki lesz használva. Már csak a tápot kellene kitalálni, hogy miért nem jó a 7805-7905 kombináció. Te mivel adod neki a +- 5 V-ot?
Váltó feszültségről megoldható a dupla táp is. Rajzoltam egy mórickarajzot. Ezt ha megcsinálod és hozzákötöd az 7805 és 7905-höz akkor mennie kell. A váltó feszültség 8V-nál kevesebb nem lehet. A kondik ponttal jelzett végei a pozitívok.
Látod mondtam én, hogy kell egy osztó elé. Az a kis eltérés nem számít. Úgy se lehet tudni, hogy a multi is mennyit csal.
Kösz hogy szóltál. Azt valahogy mindig elfelejtem.
Én köszönöm a segítséget!
Arra gondoltam, hogy beteszem a PC-be a tápot meg a mérőt. Igaz, így elveszti mobilitását, de úgyis csak itthon használom, az meg tök designos meg kényelmes, ha a gép elején van pár csati, kijeltő, gomb meg miegymás. Doboz se kell, és így a táp is megoldható lenne, hiszen a PC tápjából az egyik 12 voltos csatit bekötöm. Azt a gépet úgyis azért tarom, hogy az elektronikai dolgokat tároljam rajta meg az ott van a munkaasztalon, ha meg kell lesni vmit. (ingyé kaptam haveról egy melóért, a hülyének is megéri, hát még nekem ) Viszont kipróbáltam és a táp 12 voltjáról sem akarja tartani a feszültséget a 7805-7905 kombinácó... Meg kéne azt is fejelni valami diódasorral, vagy hogy oldható meg? Ezt, amit küldtél, ha elé kötöm, segít rajta, vagy ez csak a váltóra jó?Mégegy kéréds: az alábbi táphoz hogy lehetne bekötni volt és ampermérőként is? (kapcsolóval váltva)
Helló
A 12v-ról nem fog menni a 7805 és 7905-ös kombináció. De ha úgy is gépbe akarod rakni, abban úgyis van -5V is. A rajz amit felraktam az csak váltóról megy. A feszültség és áramméréshez pedig kell egy sönt ellenállás is. Néz át a labortápos topic-ba. oda raktam fel egy rajzot, hogy hogy lehet panelműszerrel mérni így.ha jól emlékszem az utolsó előtti oldalon van. ott is egy 0,33 Ohm-os ellenálláson mérjük a feszültségesést. Ha nem lenne világos a rajz, akkor csinálhatok majd egy mórickarajzot.
Megköszönném, ha csinálnál egyet az én tápomra is. Néztem már azt a topicot, de kicsit belezavarodtam és most, hogy működik - 2 nap szenvedés után - nem szívesen tenném tönkre 1 mozdulattal... (délután is küzdöttem, folyamatosan -1-et mutatott, úgy, hogy villogott a minusz jel, és el nem tudtam képzelni mi baja)
Kérdés: igaz, hogy a PC tápban van -5 volt, mert egy kiszerelt táppal próbáltam most a cumót, de ha az be van építve és üzemel róla a gép, akkor hogy lehet leszedni róla? Csináljak egy Y-leágazást a megfelelő vezetékekből?
berajzoltam a rajzba, amit felraktál. Egy ellenállás és egy helitrimmer kell még kiegészítésként. Először árammérő állásba kell kapcsolni és a panelműszeren lévő helitrimmerrel beállítani az áramot. Érdemes egy kisebb áramon beállítani és utána ellenőrizni egy nagyobb áramon is. Majd átkapcsolni feszültség mérésre és az utólag beépített 10kOhm-os helitrimmerrel beállítani a feszt is. Ugyanúgy ellenőrizni kell nagyobb feszültségen is, mint az áram beállításnál. ha nem mutatna helyesen nagy értéknél állítani kell rajta, majd megnézni kis értéknél is.
Szerk: A francba rajz már megint lemaradt.
Köszi szépen!
A táp még félkész állapotban van de remélhetőleg napokon belül meglesz az is, és meglátjuk hogy szuperál együtt a 2. Abból nem lesz gond, ha én megbontom a pc táp vezetékeit? (főleg, hogy ugye azokat kell bántani, amik az alaplapba mennek; ha más lenne, nem zavarna ennyire, de nemtom mennyire érzékeny a lelki világa egy ilyennek...)
Szerintem nem lesz semmi gond a géppel. Én az lcd kijelzőt és ledeket is hajtok a gép tápjáról. Eddig semmi gond nem volt vele.
Akkor nem aggódom
Lehet, hogy be is kötöm próba képpen még ma és bekalibrálom 1-2 elemmel meg mindennel amire rá lehet mérni
És ebben a bekötésben tudja mutatni azt a feszt, amit és a táp potijaival állítok be, vagy csak a felvettet?
A műszer azt fogja mutatni, amit a bemenetére kötsz. ha a rajzom alapján rákötöd a tápra, akkor azt fogja mutatni, amit a tápon beállítasz. Az teljesen mindegy, hogy a feszültséget honnan kapja.
Bocs hogy eddig nem írtam. Itt vagyok már egy ideje, olvastam is a hsz-edet, de annyi időm sem volt, hogy válaszoljak. teljesen kikészülök ettől a nyák csinálástól. Most készül az első fotózásos nyákom.
Hülye kérdés volt, sorry... Kicsit gondolkodnom is kéne néha de ez a meleg lefáraszt
Köszi a segítséget A NYÁK-hoz sok sikert. Én se csináltam még olyat soha, de asszem nem is nagyon vannak most eszközeim hozzá. (a vasalást kéne tökéletesíteni, mert nem mindig megy )Mit építesz épp?
Hát elég off, de egy labortáp készül(ne) ha minden jól megy.
Most már kezd összejönni a dolog. Én is vasaltam eddig, de sajnos a toner utántöltése után egyáltalán nem tapad át a rajz a nyákra. Ezért kénytelen voltam átállni a fotózásra. Még jó lenne suli előtt befejezni a tápot, ne majd suli közben kelljen szórakozni vele.ha bármi kérdésed lenne majd akkor írj.
Én is tavaly kezdtem a tápot és most csinálgatom, mert egyszerűen nem volt időm. Remélem én is befejezem suli előtt. Épp egy másik PC-t próbálok összerakni, hogy az vegye át a 486-os szerepét (abba nem fért bele a trafó; öcsém kapta egy rakat billentyűzet keretében
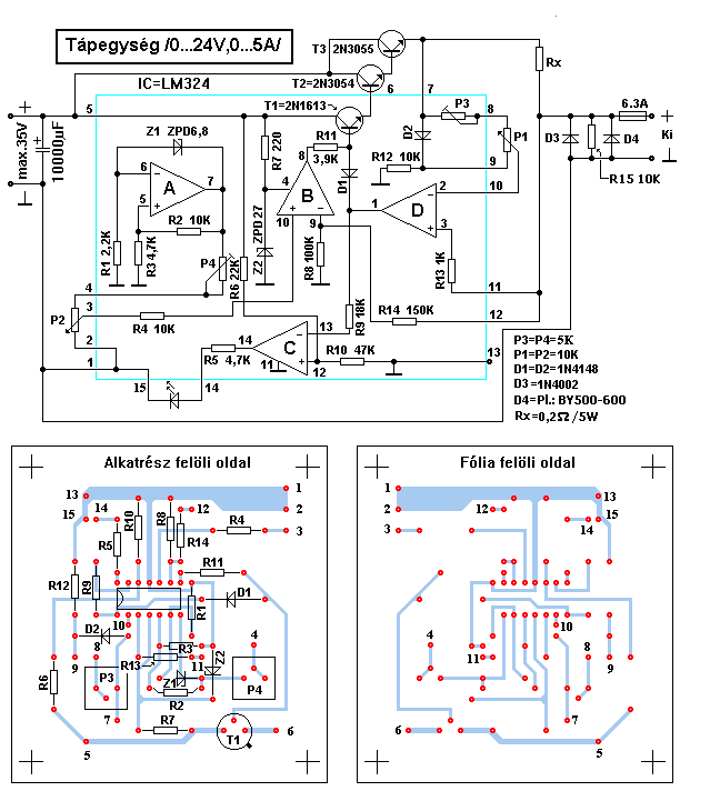
)(én vettelek fel msn-en, csak hogy tudj róla )Egy kérdésem lenne: az előzőekben mellékelt táp rajzán az van, hogy max 35 volt, de nekem a trafóm vagy 24-et vagy 42-t tud... Nagyon sok neki a 42? Van erre egy topic, tudom, de tavaly óta annyi hozzászólás került bele, hogy nemigen találom az erre vonatkozó infókat
Sajnos nem tudom, hogy erre a tápra rákötheted-e azt a 42v-os trafót. Talán kérdezd meg a labortápos topicban. Ott vannak okosabbak is és lehet tudják a választ. A rajzon viszont nem szerepel a graetz híd, azt még kell tenni a trafó után. Egyébként ezt építem pont. Holnap összeszerelem és próba. Majd megcsinálom még a panelműszert és mehet a dobozba. Az egyik fele már elkészült és több hónapja remekül üzemel, igaz még nem beépítve.
Hála a jó égnek, hogy péntek van... Honnan a frászból szedek én diódákat?!
Az 1N4007 jó ide? Abból lesz 4 db... Vagy vmi kisebb kéne?
Nemhogy kisebb még nagyobb kéne. megnéztem az adatlapját és csak 1A-t tud. Ez a táp meg 5A-es. ideiglenesen míg kipróbálod jó lesz. De mindenféleképpen tegyél majd bele nagyobbat, vagy egy graezt hidat.
Lehet benne vmi... én csak a feszt néztem hirtelen, azt meg ugye bírja. Fene, nem igazán akar ez nekem összejönni...
Amíg kipróbálod, hogy megy-e egyáltalán a táp addig oké. majd jövőhéten meg veszel bele normális graetz-et.
Az lesz
A tápban a potikhoz menő vezetékeknek mennyire kéne vastagnak lenni? Folyhat ott nagy áram, vagy aztok csak szabályoznak?
Oda elég vékony vezeték is. Nincs ott nagy áram.
|
Bejelentkezés
Hirdetés |




)
(a multiméter se egy halál pontos cucc, van vagy 6 éves és akkor is csak 2000 Ft volt
) Egyébként 20 voltig fog mérni ha minden ok. Igaz hogy a táp 24 voltos lesz, de nem hiszem hogy ki lesz használva. Már csak a tápot kellene kitalálni, hogy miért nem jó a 7805-7905 kombináció. Te mivel adod neki a +- 5 V-ot?

Meg kéne azt is fejelni valami diódasorral, vagy hogy oldható meg? Ezt, amit küldtél, ha elé kötöm, segít rajta, vagy ez csak a váltóra jó?






