Fórum témák
» Több friss téma |
A trafó kimenete a 15V-os. És már marad ez.
Köszönöm a segítséget majd ha kész a NYÁK doboz hozzá akkor teszek fel képeket. üdv.
Pár kép, bár nem túl esztétikus a dobozolás. Rosszul is szellőzik, benne van a táp is.
Az alja és az eleje nyáklap, a többi oldala díszítés okából karton. Még lesz rajta lehet skála..
Nem tudna valaki ajánlani egy kiindulási pontot kb.10 led-es kijelzőre,de úgy hogy a csúcsérték még világítson kb. 1 másodpercig?
Régi magnódeck-ekben volt ilyen kijelző,ha valami típusszámot tudna valaki az is nagy segítség lenne. /PIC kizárva/
LB1412>12 LED-es,az utolsó ötnél van-kapcsolhatóan- csúcsértéktartás,bár ez inkább audio célra fejlesztett áramkör.
Köszi. Megnéztem, majdnem jó. Valami ilyen kell. Csak ez AC bemenetű,nekem meg pulzáló 50Hz frekvenciájú lineáris DC bemenetem van.
LB1412-őt nem is találtam itthoni kereskedésben.(Bár lehet hogy nem JÓ helyen néztem)
A következő ic-t is nézegettem már,de boltban nem tudom lehet-e kapni.Viszont dupla kijelző,ami nekem luxus.Csak monoblokk kellene. BA6820F/6822S/6822F
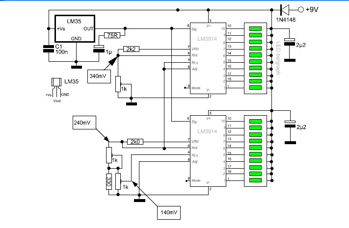
Szépjónapot Mindenkinek! Az alábbi kapcsolást szeretném futópontos kijelzésűvé módosítani: Bővebben: Link
Lenne esetleg valakinek ötlete? Előre is köszi.
Szia!
Az IC 9-es lábát testre kösd (negatívra) mert az a futópontos üzem, jelenleg a rajz alapján a pozitívra van kötve mind a három IC 9-es lába.
Bocsi, helyesbítek... ne kösd sehová, csak emeld fel a pozitív tápról és máris megvan a pontszerű kijelzésed.
Szép jó napot és Boldog Új Évet minden kedves olvasónak!
Az ügyben lenne kérdésem, hogy megépítettem a VICSYS-féle hőmérőt, némi módosítással (mellékelt kép). Működik tökéletesen, azzal a kis hibával, hogyha működésbe lép a nagyobb hőmérséklethez "hozzárendelt" IC akkor az előző IC 18-as lábánál, azaz a 10. led folyamatosan világít. Amikor csak az első IC működik, nincs ez a hiba, csak mikor a második IC is működésbe lép. (pontkijelzésen van mindkét IC) Lenne esetleg valakinek ötlete hogy megszűnjön a led világítása miközben mindkét IC működiK?
Áldozd fel iaz utolsó kimenetet az alsó IC-nél és oda ne kösd be a ledet.
Köszönöm,hát tettem rá egy potit, hogy tudjam állítani a fényerőt.
sziasztok
Olyanban kérném a segítségeteket, hogy a motoromhoz akarok vízhőfokmérőt csinálni, ledeset. Ahogy nő a víz hőmérséklete, a jeladó ellenállasa csökken, és ehhez akarom kombinálni azt, hogy egyre több led gyulladjon ki. 12V-os a rendszer, és 4ledet szeretnék. Tudnátok segíteni, hogy ezt miképp tudnám megcsinálni? Előre is köszi a segítséget
Üdv
Én egy kis fogyasztású hőmérőt szeretnék kb. 3-4.5V-ról. Az lenne a lényeg hogy ha eléri a hőmérséklet a 40-45 fokot bekapcsoljon akár egy LED akár egy ventilátor. Ez ezzel a vezérlővel megoldható? uC nélkül kellene lehető legegyszerűbben mert Elektromos autó modellbe kellene az akksijára, ha túlmelegedne ne sérüljön. Köszi
Autóbontóban keresel egy trabant 601-es átfolyásmérő műszert, abban van a ledeket meghajtó kerek panelen.
Sziasztok,
Nem gondolkodtatok azon, hogy mikrovezérlővel oldjátok meg a szintjelzéseket? Szinte mindegyikben van már komparátor és A/D átalakító. Más: Találtam elfekvőben levő 1db UAA180 -at + 2db A277D (UAA170) -et. (adatlapok vannak). Ha valakit még érdekelnek, írjon, és megbeszélünk 1 jó árat .
Ha nem kell hőmérséklet-kijelzés, csak az érzékelés, akkor pl. LM75 és társai. I2C buszon keresztül lehet vezérelni. Beállított hőm. elérésekor kapcsol.
Sziasztok!
Megépítettem a Vicsys féle ledes hőmérőt. LM35DZ-t használtam fel, mert olcsó volt és mert csak olyat találtam. Kb 27°C van, a kimenetén 317mV van, a ledsor ennek megfelően 31-32°C-t mutat. A ledmeghajtó IC-k 4-6-os lába között 99mV van (majd pontosítok még). Munkaponti feszültségek beállítva. A szoba hőmérsékletét multiméteres hőmérővel mértem & én is tapasztalom, hogy nincs itt 32 fok ![]() Szóval az LM35DZ fölémér. Hogy lehetséges ez? Nem gyárilag kalibrálják? Van más megoldás azon kívül amit az előző oldalon fongab tollából olvashattunk? Olyan filóztam még (lévén, hogy konstans fesszel van több a kimeneten), hogy a szenzor kimenetére kötök egy diódát ami lenyes egy fix feszültséget, de ilyen kis nyitófeszültségű nincs
Gyors tapasztalatok:
Korábban említettétek, hogy ha nagyon melegszenek a meghajtó IC-k (nálam 45°C+), akkor kevesebb feszről kell járatni & újrakalibrálni. A tápot 4...5...9V között változtattam és a referencia feszültség stabil maradt. Logikus is, hiszen az LM35 OUT-ról van kivezetve, leosztva, ami szintén stabilan tartotta a hőmérséklettel arányos feszültséget (0.2-0.4V). Az LM35 adatlapjában például 7V-tal van a mintakapcsolás, szintén LM3914 ledmeghajtóval együtt (adatlap 9.oldalt). Sima LM35-tel pedig van egy mintakapcsolás, ahol azt írja, hogy 5-30V táp között jól érzi magát. Az LM3914 adatlapjában szintén vannak 5V-os mintakapcsolások. A ledeken ~1.8V van táptól függetlenül. Tehát ezzel a néhány alkatrésszel olyan jó kis stabil feszültségfüggetlen a rendszer, mint a csuda ![]() LM335 Z -t ne vegyen az aki most nézelődik. Nem voltam körültekintő. Más a bekötése és ráadásul kelvinben dolgozik. Persze több félét vettem, LM35 DZ-vel beindult.
Hali
Jo lehet a chipcadnal kaphato MCP9700A thermisztor is (sokkal olcsobb). De ez csak max 5 Volt taprol mukodik. Viszont a 0 C-hez tartozo feszultsege 0.5 V. Ezzel lehet merni negativ homersekletet is. A meredeksege megegyezik a LM35 tipussal (10 mV/C). Mas : Ha a multimetered valamilyen hoelemmel mer, az alacsony tartomanyban nem ad pontos erteket. Inkabb probald meg valamilyen kozonseges szeszes homerovel (piros csik), esetleg higanyos laborhomerovel. Udv Vili
Köszönöm a választ. Ha jól látom tényleg sokkal olcsóbb, 70 Ft
![]() Egyelőre az LM35DZ-vel próbálkozok, úgy tűnik nem sikertelenük. fongab kolléga leírásából kiindulva csináltam, de leírom én is kicsit másképp, hátha segít valakinek. 26°C volt a szobában, tehát a kimenet 260mV kellett volna legyen, valójában 314mV volt. 314/260=1,20769 Ennyiszer többet mutat a szenzor. Ennyivel kell érzéketlenebbé tenni a kijelzőmeghajtókat. 90mV*1.20769=108,69mV 190mV*1.20769=229.466mV 290mV -> 350.24mV 390mV -> 470.99mV Így az adott led bekapcsolásához nagyobb bemenő feszültség kell, mint korábban. Pont ez kell nekünk, hiszen az LM35 a kelleténél nagyobb feszt ad adott °C-ra. Ellenőrzés: A 4-6-os lábon sem 100mV feszültség lesz, hanem 100*1,20769=120.769V Ha megnézzük az új feszültségeinket, éppen ennyi van közöttük. Ebből adódóan elég csak a 90mV-t eltolni, utána pedig sorra beállítani a 4-6-os lábak közötti új különbséget (nálam ~120,7mV). Noha nem ellenőriztem végig a teljes skálán, de középtartományban nézve 0.5-1°C különbséggel mér.
hali mindenkinek.
Nekem olyan hőmérő kellene, ami negatívot is mér, a kijelzője pedig két soros lenne. Az egyik sor 10 led, és fokonként mér. mellette pedig a másik sor mutatja a tizeseket. kettő pedig az irányt mutatná, hogy éppen csökken, vagy nő.
sziasztok az lenne a kérdésem hogy hol találom a Vicsys féle ledes hőmérő tervét én is megszeretném csinálni mrert láttam hogy sok embernek bevált és kezdő vagyok szóval minden segítségre szükségem van ha tudna nekem valaki segíteni azt nagyon megköszönném előre is köszönöm.
Milyen dobozba tennétek bele? Láttam a fórumon egy szép szürke álló, talpas dobozt is. Az is tetszik, de sehol nem találtam kapható formában.
Köszi
Sziasztok. Én is megépítettem a Vicsys hőmérőt. Az én kérdésem az lenne hogy azt meg lehetne oldani valahogy, hogy ne 10°C-tól 40°-ig jelezzen, hanem 0°-tól 30°-ig? Mert bent nem megy a hőmérséklet 24-25 foknál feljebb és így csak kb. a feléig világit mindig, de nekem jobban tetszene ha világítana a piros ledekből is pár.
Nyáron fog, majd azt várod bárcsak ne világítana
Viccet félretéve, szerintem ha elcsavarod a referenciákat, akkor meg lehet oldani. Hogy mennyivel? Ezt hirtelen nem tudom. Majd előveszem ismét, mert nekem is újra kell számolnom a referenciákat, nem teljesen pontos még. Illetve azt vettem észre, hogy 5-10 perces használat után +1°C-t rámér a szenzor. Mintha ő maga is rámelegítene kicsit. Más nem nagyon tud a közelben, hiszen most már 5V-ról járatom és a led meghajtó IC-k gyakorlatilag langyosak.
Köszi, ha kiszámoltad őket írj majd légyszíves.
Tekintve, hogy nem mindenki boldogul a Sprintlayouttal, ide teszem a Vicsys által készített nyák rajzot pdf-ben.
Ja, és Kaqkknak még egy fénykép a panelról. |
Bejelentkezés
Hirdetés |















