Fórum témák
» Több friss téma |
Találtam egy érdekes részt a madchemist.uw.hu -n egy egyszerű lézershow építéséről! A Conrad-ban is megtaláltam, már nem lehet kapni de ott 1 db IC-vel volt megoldva! Nem tudja valaki azt a kapcoslást beszerezni vhonnan? és van valaki aki már megépítette ezt a kapcsolást? a Lézer egységet a www.hobbyrendeles.hu -ról gondoltam ott 990 Ft-ért gondoltam. a madchemist-en még azt is írja hogy kell bele egy speciális kapcsoló az irányváltáshoz! a HQ video-nál találtam egy ilyet de az nem volt pontosan jó!
Szia!
HA ugyanarra gondolukn akkor itt van a kapcsolásirajz+szerelési útmutató magyar szerelés: .../datenblaetter/100000-124999/117331-an-01-hu-Lezershow_epitokeszlet.pdf Német, + kapcsolásirajz a vége felé. .../datenblaetter/100000-124999/117331-an-01-ml-Laser-Show-Bausatz_de-en-fr-nl.pdf Szerintem az IC az csak 2 darab feszültségszabályzót tartalmaz, és a potikkal lehet a motorok fordulatát állítani. Egyszerűen ki lehet váltani, mondjuk 2 darab LM317-tel.
igen a potik a motor-t szabályozzák és igen erre a conrad-os ra gondoltam! De a kapcsolási rajz hiányzik
és ennél úgy látom irány-t se lehet váltani! De ha lenen egy kapcoslási rajz hozzá azt megköszönném! és tudsz az lm 317-hez vmi adatlapot?vagy megicnsálnád a kapcsolási rajzot?
Ott van az csak a második végén, a 4.oldalon!
Az alkatrész értékek meg a lap alján a listában. Az egyetlen gond, hogy ilyen IC-t szerintem nem lehet kapni.
boccs figyelmetlen voltam
látom a német végén van kapcs rajz! meg tudnád csinálni az elektronikka kapcsrajzát lm317-el? és ha megicnsálod akkor bele tennéd az iráníváltót is ?
Itt van
LM317t: http://pdf1.alldatasheet.com/datasheet-pdf/view/22754/STMICROELECTRONICS/LM317T.html Az adatlap 5. ábráján még értékek is vannak az alkatrészeknek.
Boccs de ezt az adatlapot totál nem értem! az adj lábra kell a potit kötni? vagy hogy műküdik?
Igen, az ADJ (adjust-beállítás) lábra kell kötni a potit, ezzel lehet szabályozni a kimenőfeszültséget.
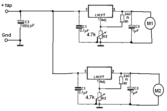
Összerajzoltam a kettő IC-t, meg kitöröltem belőle a nem fontos alkatrészeket, remélem segít. Ez lenne a végleges rajz.
Ha meg kell forgásirány váltás, akkor meg beraksz egy kapcsolót az egyik, vagy mindkét motor elé. A kapcsolónak kétáramkörs váltókapcsolónak kell lennie.
Hali!
A haverommal mi is építettünk lézershowt és tök jó lett. Merem ajánlani mindenkinek
Örök hálám ezért a kapcoslásért! csak ilyen kapcsolót nem találok sehol se! Nem tudsz vmi helyet ahol lehet? évgülis olyan mint a relé csak manuális nem?
Tüttyös! Tudsz küldeni képeket? Vagy van vmi dolog amire kell figyelni építéskor? Én még azt nem tudom pontosan hogy hogy is fogassam fel a tükröt a motorra. úgy gondoltam hogy egy rétegelt lemez négyzetnek átfúrom a közepét, ráragasztom a motorra és egy ugyanekkora tükröt egy kicsit eldöntve ráragasztom pillanat ragasztóval. Ez mennyire jó 5let? és tüttyös te mekkora tükröt és hogy fogattad fel a tükröt?
Nem tudom hogy hol laksz, de a
SOS electronicban találtam pont ilyen kapcsolót [link=http://www.soselectronic.hu/www/app/index.php?f=artikel&id=S014727]http://www.soselectronic.hu/www/app/index.php?f=artikel&id=S014727[/link] De szerintem bemész valamelyik boltba, és mondod, hogy 2 áramkörös, és váltó kapcsoló legyen akkor biztos hogy tudnak adni valamit! Forrasztásnál csak óvatosan, könnyen lágyul. (....pontot kapok? )Üdv MaSTeRFoXX
Én sárospatakon lakok innen miskolctól 1 órára. szerencsére a soselectronic Miskolcon van és sokszor járunk arra. Köszz a segítséget! megkaptad az 50 pt-t
ja és megnéztem tüzetesen a kapcs rajzot, de a potikat nem értem hogy kell bekötni
elmagyaráznád? ja és amit akarok használni lézer ahhoz kell 3,6-4,5V -os feszültség Ezt hogyan lehet megoldani? és az lm317 hány voltot bír el?
Képet sajna nem tok,de azt el tom mondani hogy ez egy tükrös, motoros herkentyű volt, legfeljebb a tranzisztorok lábaira kell figyelni de amúgy egyszerű volt.
Van a potinak 3 lába. Az egyik szélsőt, és a középsőt összekötöd, és az megy a testre, a fennmaradó 1 láb meg az IC, ADJ lábára.
A lézerpointernek tápfeszültséget egy 7805-ös IC, egy 5V-os stabilizátor szolgáltatja, aminek a kimenetével sorba van kötve egy dióda, amin esik kb 0.7V, és így kapsz a kimeneten kb 4,3V-ot ami meg szerintem bőven elég a lézerpointernek. A 7805-ös IC, és az LM317, az maximum 37V-ot visel el, persze hűteni is kell. Az áramkörre minimum 8V-ot kell kapcsolnod. A részletek a rajzon
Tüttyös! Engem az érdekelne hogy hogyan raktad fel a motorra a tükröt! Masterfoxx! és mennyi az a feszültség amennyit max elvisel? mert nekem van itthon egy 12V-os 7A -es risztó aksim nem tudom elbíja a kapcsolás ezt. én is így gondoltam a poti bekötésést de most már legalább biztos vok benne és a diódánál használható 1n4002 -is? mert a 1n4002 és a 1n4003 közt csak V beli különbség van
khm.... fent írtam hogy max 37V-ot.
A 12V-os akku pont jó lesz
akkor használható 1n4002?
Igen, persze, szinte bármilyen szilícium dióda használható ide.
és a kapcs rajzban a C2 és a C3 elkó a többi meg normális kondi?
Az R1 mellé oda van írva hogy 240 ohm,( 0.24k
)A C1, az kerámia, vagy amit kapsz, 100nF/50V-os A C2 az elektrolit, a feszültségét a legnagyobb tápfeszültség határozza meg, 12V-os akkuhoz 1000µF/16V-os, de inkább 1000µF/25V-osat vegyél, A C3 az is elektrolit, a feszültségtűrése ugyanúgy alakul mint a C2-nél, az értéke 1µF/16V- vagy 25V, de lehet hogy 1µF/50V-osat kapsz Az LM317 típusa, az pontosan LM317T, annak van olyan tokozása, mint ami az ábrán van
Tehát az hogy hány voltos az mind1 csak legalább akkora legyen mint a rámenő feszkó?
Igen, inkább legyen egy kicsivel nagyobb....
A biztosnság kedvéért....
akkor mind a 3 IC-t hűteni kell? ja és kellene hozzá kivezérlésjelző amit találtam itt a HE-n oda is biggyesztettem az általad rajzol rajzra csak nézd meg hogy így jó-e. a kapcsolás egy ventilátor fordulatszámvisszajelző. a 2. motorra is így gondoltam a rákötését
Haliho.
Lenne egy ajánlatom amivel fel lehetne dobni a laser effektet. Nem tom pontosan menyivel de mekkéne szaggatni a lézer áramát, és ugyanolyan szaggatott csíkokat kapnánk mint a nagyoké szemből. Lehetne 555+ tranyó, fet. Lehetne egy motor tengelyén egy koronggal és rajta egy lyuk.Megfelelő fesz szabályzóval kész is. Tuti jobb lenne ugy a cumo.Nekem még nem volt időm beépíteni.Az enyém egy pc tápba van és van egy pásztázó tükör is benne ami még feldobja hogy nem csak egy helyre nyomja .Majd lesz kép.
Bocsi, dolgom volt....
Rakd hűtőbordára az IC-ket. Az elgondolásod jó, egy kicsit kijavítottam, beraktam egy 10k-s trimmerpotit, amivel majd be tudod állítani a maximális fordulatszámhoz a kijelző maximális kitérését. A timmerpotit a kapcsoló elé kell raknod, így rajzoltam már be.
Ezt a trimmer potis dolgot nem értem... Ezzel azt lehet beállítani hogy mennyire menjen fel max a kijelzés? és nem tudom jó potit néztem e a sose-ben de azok 250Ft-ok voltak ez nem drága? a conrad-os katalógusomban csak 70-80 FT
|
Bejelentkezés
Hirdetés |






)
ja és amit akarok használni lézer ahhoz kell 3,6-4,5V -os feszültség Ezt hogyan lehet megoldani? és az 
A 12V-os akku pont jó lesz






