Fórum témák
» Több friss téma |
Fórum » LG házimozi javítása
Témaindító: CsemanAttila, idő: Júl 31, 2009
Témakörök:
nekem is van egy LG LH-D6240 típusu házmozim és az lenne a hiba hogy egyáltalán be se kapcsol mit lehetne csinálni vele ?
hellosztok! a segítségeteket kérem. van egy LG LH-D6230 házimozi rendszerem.van egy kis gond vele,amikor be teszem a CD vagy DVD akkor csak megpörgeti a CD vagy DVD de nem akarja be olvasni,de csak akkor olvassa be ha picit rá ütök a tetejére és akkor el indul.szerintetek mi a baja?
Elég lett volna egy helyre beírni a problémádat. Ha van valakinek ötlete, előbb-utóbb úgyis válaszol majd rá.
A leírás alapján valami mechanikai hiba lesz, talán nem tölti be rendesen a lemezt a helyére. Csavarhúzót elő -> szétcsavaroz -> működés közben szemrevételez -> hibát megállapít... Hajrá!
Sziasztok
Nekem egy HT302 SD típusú lejátszom van. Nem ad ki hangot, szétbontottam és latom, hogy van két púpos kondi a táp lapján. Az lenne a kérdésem, hogyan lehet leszedni a táp lapját az alaplapról amit két csatlakozó CN902 CN901 köt össze. Előre is köszönöm.
Panel csavarjait kiveszed és felfelé lehúzod.
Gondoltam csak nem voltam biztos benne mert a csavarok eltávolítása ellenére elég feszesen áll. Köszönöm szépen.
A hozzászólás módosítva: Márc 19, 2015
Sziasztok!
Van egy LG HT503 házimozim és az vele a problémám, hogy nem ad ki hangot. Esetleg tudtok adni tanácsot, hogy mi lehet a hiba oka. Előre is köszönöm a válaszokat.
Hello!
Adott egy LG LH-T6340D. Erősítőnek van csak használva PC-hez, mindössze 2db hangszóró van rákötve. Azt csinálja, hogy ha kikapcsolom, akkor bekapcsol rajta a készenléti piros LED, de pár perc után kialszik, és csak akkor hajlandó újra menni, ha kihúzom pár percre. Esetleg valami ötlet, hogy mi lehet vele?
Üdv Mindenkinek.
Adott egy LG LH-D6245 házimozi. Standby üzemmód van, de semmire nem reagál. Ha valakinek már találkozott ilyennel kérem ossza meg velem a tapasztalatait, de kapcsolási rajznak is nagy hasznát venném. Előre is köszönöm a segítségeteket, szép napot.
Ha ez az a házimozi amire emlékszek, van két stk ic a nagy hűtőbordán, abból a kisebb méretűnek (ami az előlaphoz közelebb van) a lábait érdemes megvizsgálni.
Megnéztem már mindent rajta de rajz nélkül egyszerűen nem jutok egyről a kettőre... ebben ez a fajta táp van.
Ez nem az akkor amire emlékeztem sry. Itt egy doksi hozzá
![]() Bővebben: Link Első sorba táp és egyéb kondik bemérése, tápfeszek bemérése.
Szia,
első körben a táppanel az elektrolit kondikon kéne ESR-t és kapacitást mérni, rossz kondik at cserélni. Ha nem púpos akkor is ellenőrizni kell! Üdv. A hozzászólás módosítva: Okt 11, 2015
Köszönöm segítséget, a jövő hét folyamán nekifekszek miánt lesz egy kis időm rá
Üdv. még mindig adott az LG LH-D6245- ös házi mozi. A tápon található egy indító IC ami FSDL0365RN névra hallgat. bekapcsoló gombra vagy távszabira nem kapja meg az indító feszt. külső betáp hatására elindul a készülék, kiadja a lemez tányért, de be már nem veszi, és se a gombokra nem reagál, se a kijelző nem működik. tár betol, és már indul is a lemez. És ettől tovább kezelhetetlen. Kép és hang is van. Feszültségek megvannak. Kérdésem, hogy miért nem indul a kezelőszervekre, és miért nincs kijelző ?
Sziasztok!
Adott egy LG LH-D6230 as típusú házimozi erősítő. Az a probléma vele hogy a rádió bemenetnél csak nagyon halkan szól, csak akkor hallom ha odarakom a fülem jó közel a hangszóróhoz. Az AUX bemenet egyáltalán nem szól. DVD-CD lejátszásakor szól minden kimenet. Van benne egy CS5331-es analog/digital IC azt már kicseréltem és semmi javulás. Esetleg van e valakinek valami ötlete. A segítséget előre is köszönöm.
Szia!
Nem alkatrész hiba, opció elállítódás okozza. Szervizkönyvében benne van a beállítás, visszaállítás. Elektro Tanyán keress doksit hozzá. A hozzászólás módosítva: Jan 3, 2016
Üdv!
Találtam service manual-t de nem találtam semmilyen leírást, hogy hogyan kellene ezt visszaállítani. Az IC-n lévő jelek tökéletesen megegyeznek a service manualban leírtakkal. Szóval nem tudom mi a probléma. Egy kis segítséget kérnék ebben. Köszönöm!
Sziasztok hoztak egy lg házi mozit am azt produkálja hogy recseg a sub woofer többi hangfal kimenet jó hol keresem a hibát típusa lh-d6240 üdv lali
Üdv Mindenkinek.
Egy LG LH-CX246Y házimozihoz (DVD-VHS kombi) szeretnék segítséget kérni. Semmilyen életjelenséget nem produkál, a kijelző teljesen sötét, semmire sem reagál. Táphibára gyanakodom, a kimenetekre írt feszültségekből csak a 36V van meg. Talákozott már valaki ezzel a típussal és ezzel a hibajelenséggel? Előre is köszönöm.
Sziasztok.
Bár már nem aktuális, a hét éve feltett kérdésemre megtaláltuk a választ. Az LG DVD-nek ki kellett cserélni a lemez forgatómotorját, és a probléma megszűnt, kb két évig működött tovább, aztán fejhibával totál megállt a lejátszás és nem volt gazdaságos javítani. Gondoltam leírom, hátha valaki hasonló gonddal küszködik, mert könnyen tévútra lehet menni. Üdv: Tuma
Üdv van egy LG HT 554 Th házimozim. Keveset használtam a nyáron a nyaralás idejére kihúztam majd visszadugtam a hálózati kábelt a konnektorba. Később akartam használni , de nem szólt. Sem a rádió sem a optikai bemeneten a Tv nem szól a házimozi hangszóróin. Ha a usb lejátszón zenét játszok le és a HDMI kábellel csatlakoztatom a Tv-be akkor a Tv-n szól a zene, de a házimozi hangszóróin ugyanúgy nem szól. Esetleg valaki tudna segíteni,hogy mi lehet a hiba?
Szia! Mielőtt nagy szerelésbe kezdenél, nézd alaposan végig a menüit és a használati útmutatót, hogy nincs-e valami tiltás vagy mute, ami valamitől aktiválódott. Kábeleket is ellenőrizd, még ha valószínűtlen is, hogy minden hangfal kábel egyszerre kapcsolódott le valahogy. Lehet, hogy csak egy biztosíték ment ki, ami az erősítő rész tápellátásánál van. Általában ennek van valami kiváltó oka ami még fennállhat és javítást igényel, de egyszer-egyszer valamilyen tranziens is okozhatja nem csak egy alkatrész tönkremenetele. (Bocs, hogy nem a válaszra nyomtam, de jelen helyzetben talán megbocsátható.
) A hozzászólás módosítva: Szept 30, 2018
Köszi szépen a hangfal kábeleket megnéztem , de a biztosítékot még nem , de most azt is megnézem.
Nekem a Panasonicomon van olyan gomb, ami kikapcsolja a hangfalakat és akkor csak a kimeneteken van jel. Nézd meg a tied használati útmutatóját, lehet, hogy semmi baja, csak egy gombot kell megnyomni, vagy a menüben bekapcsolni a hangszórókat.
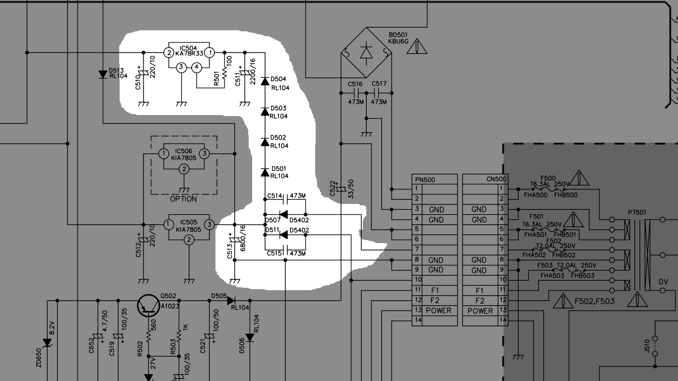
Üdv!
LG LH-D6230 házimozi erősítőben sikeres végfok IC csere után még felnyitott állapotban a tesztelés alatt észrevettem, hogy a kapcs. rajzon látható KA78R33 tip 3,3V os IC bordája, 10 perc után kb. 85-90 C fokos. Az IC előtti 4 diódából (csak 3 hely van a panelon) átkötésekkel van csak helyettesítve gyárilag. A bemenetére kb. 10V DC jut. A mellette lévő, de az 5V-os stabkockához tartozó C513 (6800u) is langyos kicsit. Ugyanakkor a készülék tökéletesen üzemel. Kérdés: kutakodjak, vagy összerak >> mehet a gazdájának?
Gyári cuccokban mondhatni normális, hogy a feszstabok alatt barnára pirul a nyák.
Sziasztok ez a téma engem is érdekelne ,mert van nekemis 1 ilyen lh-6240 szettem.S nalamis csattog a subwoofer.
Esetleg nallad meg lett a hiba forrása? Előreis köszönöm a választ segitséget ! |
Bejelentkezés
Hirdetés |










