Fórum témák
» Több friss téma |
22$ nem olcsó? Mennyibe kerültek az akkuk?
Alsó kategóriás töltő, a töltőáram nem állítható, A kisebbik akksidhoz szerintem ezért nem jó
Bővebben: Link Előnye: trükkösen tölt, időosztással cellánként. Hátránya: melegszik, a hátlapot ki kell fúrni, és egy ventit odabarkácsolni. Nekem tetszik.
Az én véleményem, hogy az ilyen minőségű packok megérdemelnek egy "gyári" töltőt: például egy IMAX B6-ot. Lehet, hogy picit többe kerül mintha Te építgetnél, de cserébe "csak" be kell dugni az akkukat, beállítani és már mehet is a töltés. 6 celláig lítium akku csomagok kiegyenlítő töltésére is alkalmas beépített csatlakozókkal. (pont olyanok amilyenek a Te akkujaidon is vannak) Tápegységet ne vegyél hozzá, a labortápodról használhatod, 11-18 V közötti DC feszültségről működik. További előny, hogy NiCd, NiMh és Pb típusú akkuk töltésére is alkalmas.
Első keresésemre pont az Imax B6 találat jött, látom ez népszerű, de rögtön az jött, hogy nagyon vigyázni kell a nem eredeti SKYRC változatokkal. Mivel elég sok youtube videó foglalkozik ezzel és néhány eladó is jó nagy betűkkel kihangsúlyozza, hogy eredetit árul, gondolom, nem alaptalan a félelem és kritika a másolatokkal szemben.
Ha van garantáltan jó fajta töltő $20-25 áron, az belefér a költségvetésbe.
Én az általam linkelt B5V2 változatot vettem meg, tápegység nélkül, úgy fél éve. 15 nap alatt kihozták, eddig nincs probléma vele.
A töltő bemenete 12V, 5,5/2,5 DC csatlakozó, ami a 12V tápegységektől eltér (5,5/2,1 csatlakozó). A linkelt típus előnye, hogy a 4,35V-ig tölthető (egyes Samsung, LG cellák ilyenek) cellákkal is elboldogul.
Ez a HTRC egy jobb fajta másolatnak tűnik, veszek én is egy ilyet
Sziasztok!
Segítséget szeretnék kérni. Adott egy működő power bank (rózsaszín akksival). A zöld akkumulátor packhoz nincs meg a töltő (az akkumulátorok párhuzamosan vannak kotve). Ráköthetem a zöld akkupacket a rózsaszin töltön lévő piros/fekete vezetékek csatlakozási pontjához? Néhány képet csatolok, hátha úgy jobban érthető. Illetve a zöld akkunál lévő áramkör mire való? Köszönöm szépen. A hozzászólás módosítva: Szept 2, 2019
Hali!
A zöld pakkon lévő elektronika gondolom egy akku menedzsment - túltöltés, mélykisülés, esetleg túláramvédő. A töltés idejére én ezt az elektronikát levenném, ha a rózsaszin elektronikával töltöd.
Rákötheted! Amíg a megfelelő ok miatt közbe nem kell avatkoznia, olyan, mintha ott sem lenne!
Normál körülmények között(ilyen a töltés is) pedig nem fog közbeavatkozni...
Köszönöm a segítséget. Tegnap feltöltöttem az akkumulatorokat ahogy javasoltad, működik
Hozzájutottam egy, FMP 16.48 kapcsolóüzemű tápegységhez.( Szeretném akkutöltőként használni (az akku 11 cellás Li-ion 12Ah-s, maximális töltőfesz. 46,2V.)
Sajnos nem találtam hozzá semmilyen leírást a gyári műszaki adatokon kívül, ezért szeretném segítségeteket kérni, talán tudja valaki, hogyan tudnám programozni a feszültséget ill. az áramkorlátot. Segítségeteket előre is köszönöm!
Ez egy ipari, 48 V-os szünetmentes tápegység egyik eleme, tartozik hozzá egy vezérlő is, a vezérlő és a tápegység közti protokollt nem ismerem. Ha jól emlékszem, kb. 40 - 55 V között tudja szabályozni a vezérlő a kimeneti feszültséget. Áramkorlát olyan értelemben, ahogy te szeretnéd használni, nincs benne.
A vezérlő a feszültséget variálja úgy, hogy az akkumulátorok felé a beállítottnál ne folyjon nagyobb áram töltés közben, illetve feltöltött állapotban már csak szintentartást végez. Ugyanakkor a berendezések felé "ami a csövön kifér" címszóval szolgáltat energiát, túlterhelés esetén pedig egyszerűen lekapcsol.
Egyszerű 18650-es aksi kibírja, ha egy kültéri elektronikát működtet?
Tölteni behoznám.
Az autóban van 2 kamerám, mindkettő li-ion akksis, sok éve működik.
Télen kapja a minuszt, nyáron meg a 60-at. Nem hiszem, hogy az olcsójé kamerában különleges akksit tettek volna.
Télen, 0°C alatt a kapacitás lecsökken, ezt vedd figyelembe.
Az én tapasztalatom: minél hidegebb a cella, annál magasabb a belső ellenállása, így a cella csak egyre kisebb áramokkal terhelhető. Ennek a következménye, hogy terhelésnél a kivehető kapacitás kevesebb lesz, mint általában, hamarabb elérjük a lekapcsolási feszültséget. Lipo akksinál (pl. 2S 3Ah) már 10fokC alatt is problémák vannak a nagy áramú terheléssel (10A fölötti).
Köszönöm mindenkinek. Egy kültéri hőmérő szeretnék. A beltéri elment majdnem 1,5 évet egy aksiról. Ennél az áramfelvételnél a belső ellenállás nem fog bezavarni.
Hova kell tenni a púpos lithium cellát? Használt elem gyűjtőbe be lehet dobni?
Én oda szoktam
Elem+akku felirat szokott a gyűjtőn lenni
Köszi!
A púpos jelleg miatt kérdezem, ilyenkor nem tudom mennyivel tűzveszélyesebb, vagy ilyesmi.
Mindenki azt mondja, azonnal le kell adni, ha púpos, én ennek ellenére ugyanúgy használom. Tárolni lipo safe bag-ban tárolod, ha az autóban kigyullad, hát így jártam. Már évek óta vannak púpos akksijaim (minimálisan púpos), nem fogom kidobni őket. Belső ellenállásra és kapacitásra tökéletesek... Van, aki leengedi ezt a plusz "levegőt/gázt", majd így használja tovább. Én hagyom inkább ebben a "légmentesen lezárt" állapotban, volt 6cellából 1db magától tönkrement (mélykisülés, és 0V-os cellafesz.).
De ahogy érzed, tiéd a felelősség úgyis. A legbiztonságosabb persze, ha lemeríted 0V-ig (!), leszigeteled a kivezetéseit, és úgy adod le. Nehogy a boltban a másik elemek fém háza miatt nagy baj történjen! Plusz gondolj bele, egy igazán kemény tokos lipo akksinál nem biztos, hogy észreveszed, hogy pufi. Csak amikor már felnyomta a tok oldalát, de ahhoz meg óriási nyomás kell. A hozzászólás módosítva: Szept 8, 2019
Sziasztok!
Valaki tudna nekem küldeni a Li-ion akkuk-ról bármilyen könyvet vagy dokumentumot? Nagy szükségem lenne rá. Előre is köszönöm!
Köszönöm, csak olyan doksik is jól jönnének amik inkább magyar nyelven íródtak, mert az angol sajnos nem igazán áll hozzám közel...
Üdv! Érdekes dolgot tapasztaltam. Ismert törvényszerűség, hogy a Li-Ion akkuk nem szeretik a mély kisütést.
Van egy katonai lámpám. Zöld fém házas, piros, zöld színnel és szűkített fénysugárral. Akkumulátorosítottam.... volna, de kétszer is úgy jártam, hogy fel nem derített okból, nullára merült az akku. Először több hónapra. 3 db veszélyes hulladék. A minap még egy kísérlet. Elszigetelés és rövidzár védelem. Hogy hogy nem, megint nullára merülés. Épp nem értem rá és több mint egy napig, nulla V-ra kisütve. Gondoltam, itt a lehetőség egy kis kísérletre. Tápra kötve egyből 2,5V-ot adtam neki. Vergődés után, ugráló áram és feszültség után megnyugodtak. A feszültséget emelve nagyon furcsán működtek. A táp kijelzője megbolondult. Áram korlátozás, miközben a feszültség a beállított, majd nincs túláram, de a feszültség alacsonyabb. Ráakasztottam egy egy Amperes töltő modult, Másnap reggelig. Most ott tartok, hogy a cellák meggyógyultak. Terhelhetők, tartják a töltést és a kapacitásuk is még a "normális" körüliek. Ezek szerint a rövid idejű túl merítés árthat az akkunak, de nem feltétlenül jelenti a halálát. (A három cellát nagyon becsomagoltam, melegragasztóval kiöntöttem a végeket. Izzó helyett egy 1 Wattos LED világít, mint a fene.)
3V alatt illik igen pici árammal tölteni pl 30mA. Ha elérte a 3V-ot akkor lehet neki tolni...
Nézz meg egy kimondottan liion töltó IC doksiját.
Szabályozható táppal töltöttem 3 A-es korláttal, kb 2,7 V-ig, utána hozzávaló 1A-es töltővel. Nem mondom, nehezen indult el a töltés.
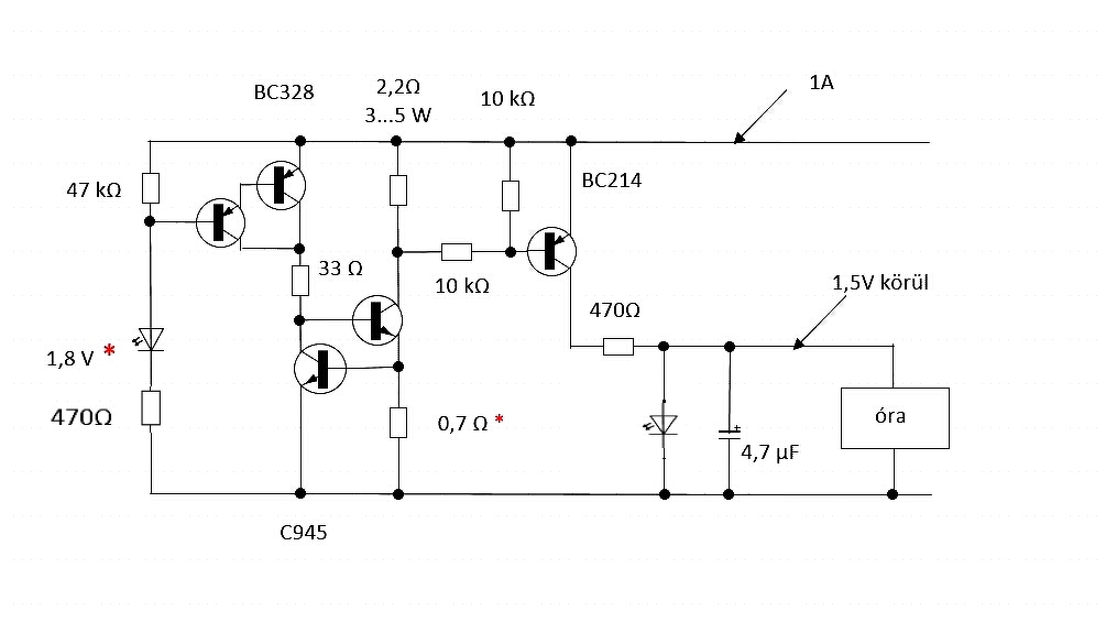
Most egy egyszerű kisütő áramgenerátort készítettem, ami egy elemes órát indít ás állít le. Full fapad, de 1A mellett elég pontos. Az órát kell nullázni akku cserénél. Válogatáshoz kitűnő. )Még nem végleges.) Az alsó feszültséghatárt kell finomítanom és mehet a szelektálás. A hozzászólás módosítva: Okt 2, 2019
Hello.
Ha érdekel a téma, akksi kisütés, kapacitás és belső ellenállás mérés, akkor az oldalamon találsz kapcsolási rajzot, és programot is hozzá Arduino nanoval. Bővebben: Link. Könnyen összedobható próbanyákra is, nem igényel speciális alkatrészeket. Elég sok fejlesztés van a projektben, nagyon szépen, stabilan, pontosan dolgozik a műszer. Holnap felkerül az oldalamra a legújabb verziós kapcsolási rajz és progi is, minimális módosítások történtek csak a PCBv1.3-hoz képest. Üdv. A hozzászólás módosítva: Okt 2, 2019
|
Bejelentkezés
Hirdetés |










